![]()
Kenwood TK-80 Electric Amplifier

GENERAL / REALIGNMENT
INTRODUCTION
SCOPE OF THIS MANUAL
This manual is intended for use by experienced technicians familiar with similar types of commercial-grade communications equipment. It contains all required service information for the equipment and is current as of the publication date. Changes that may occur after publication are covered by either Service Bulletins or Manual Revisions, issued as required.
ORDERING REPLACEMENT PARTS
When ordering replacement parts or equipment information, the full part identification number should be included. This applies to all parts: components, kits, or chassis. If the part number is unknown, include the chassis or kit number of which it is a part and provide a sufficient description of the required component for proper identification.
PERSONAL SAFETY
The following precautions are recommended for personal safety:
- DO NOT transmit until all RF connectors are verified to be secure and any open connectors are properly terminated.
- SHUT OFF and DO NOT operate this equipment near electrical blasting caps or in an explosive atmosphere.
- This equipment should be serviced only by qualified technicians.
SERVICE
This radiotelephone is designed for easy servicing. Refer to the schematic diagrams, printed circuit board views, and alignment procedures contained within.
1. Modes

Note
DIP SW1 is set to “ON” when shipped from the factory. If the dealer mode, service adjustment mode, and reset mode fail to function, please check to see that DIP SW1 is set to “ON”.
| No. | Mode | Function |
| 1 | User mode | For normal use. |
| 2 | User menu mode | Selects the user menu. |
| 3 | Dealer mode | Writes the various data settings to the memory channels. |
| 4 | Dealer menu mode | Selects the dealer menu. |
| 5 | Service adjustment mode | Selects the adjustment items for the service adjustment mode menu. |
| 6 | Reset mode | Clears all memory channels and the menu contents. |
2. How to Enter Each Mode
| No. | Mode | Operation |
| 1 | User mode | Power ON |
| 2 | User menu mode | [User mode] + [MENU] |
| 3 | Dealer mode | [MENU] + [MODE] + Power ON |
| 4 | Dealer menu mode | [Dealer mode] + [MENU] |
| 5 | Service adjustment mode | [SCAN] + [DATA] + Power ON |
| 6 | Reset mode | [MENU] + [MODE] + [DATA] + Power ON |

3. Reset Mode
All Reset
Restores the factory default settings. Set DIP SW1 to ON, then press [POWER] while holding [MENU], [MODE], and [DATA]. “HELLO” appears on the display, indicating the system has been reset.
- All reset does not clear adjustment data settings.
- If the power supply is cut off during all reset, the forced reset is executed as soon as power is restored.
Battery Reset
When the power supply from the backup battery is interrupted, the factory default settings are restored, except for memory channels 01 to 10.
- Battery reset occurs automatically whenever the power backup fails to function.

4. Dealer Mode
- This mode allows dealers to select functions for users.
- Dealers can customize the receive frequency, transmit frequency, type of emission (MODE), alphanumeric display, transmission power limit, and set functions.
Contents to be customized
Mode to be used
Purpose
Receive frequency
Receive frequency write mode
To write to memory channels Transmit frequency
Transmit frequency write mode
Type of emission (MODE)
Type of emission (MODE) write mode
Alphanumeric display
Alphanumeric display data write mode
Transmit power limit
Transmit power limit write mode
Set function Menu mode Select function setting – Memory channel selector mode
To select memory Channels
Procedure ( ): Initial value
- Press [POWER] while holding [MENU] and [MODE].

Turn [DIAL] or press any key, and enter Memory channel selector mode.
Memory channel selector mode (01)
This mode is for selector memory channels when writing frequency and other information to memory channels.
Second time: 01 USB only. The others are blank.
- When [DIAL] is turned, channels, including those not entered in memories, are switched continuously.

- Pressing [DATA] enables the receive frequency write mode.
Receive frequency write mode (00.000.00)
This mode is for writing receive frequencies to memory channels. The frequency is set in single digits starting from the 10MHz to the 10Hz digit. The 1Hz digit is defaulted to “0”.
- Turning the [DIAL] changes the digit to its minimum frequency setting.
- When the setting of one digit is completed, press [SCAN] to move to the next digit. Digits are set in order from the 10MHz digit to the 10Hz digit. (When setting the 10Hz digit, for example, the display shows the previously entered digits: 12.345.56)
- Pressing [DATA] enables the transmit frequency write mode.
Transmit frequency write mode (00.000.00)
This mode is for writing transmit frequencies to the memory channels. The frequency is set in single digits starting from the 10MHz digit to the 10Hz digit. The 1Hz digit is defaulted to “0”.
- Turning the [DIAL] changes the digit to its minimum frequency setting.
- When the setting of one digit is completed, press [SCAN] to move to the next digit. Digits are set in order from the 10MHz digit to the 10Hz digit.
- Pressing [DATA] enables the type of emission (MODE) write mode. (When setting the 10Hz digit, for example, the display shows the previously entered digits: 12.345.56)
- When wishing to use the memory channel as a receive-only channel, set all digits to “0”, then press [DATA] to enable the type of emission (MODE) write mode.
Type of emission (MODE) write mode (USB)
This mode is used to write the type of emission to the memory channel.
- Turning the [DIAL] triggers a display that scrolls continuously in the following order:

- Pressing [DATA] enables the alphanumeric display data write mode.
Alphanumeric display data write mode (Blank)
This mode is used to write alphanumeric display data (up to 7 digits) to the memory channels.
- Turning the [DIAL] triggers a display that scrolls continuously in the following order:

Blank H P X , * 7 A I Q Y – 0 8 B J R Z / 1 9 C K S $ = 2 D L T 1/1 @ 3 E M U < \ 4 F N V > _ 5 G O W + # 6 - Digits are set starting from the left side. Pressing [SCAN] moves the cursor’s one-digit position to the right.
- Pressing [DATA] changes control to the:
- Transmit power limit write mode (when specified diode D7 is installed)
- Memory channel selector mode (when specified diode D7 is not installed)
Transmit power limit write mode (100W)
This mode is used to write the transmit power limit to the memory channel.
- Turning the [DIAL] triggers a display that scrolls continuously in the following order:

- Press [DATA] to enable the memory channel switching mode.
Dealer Menu Mode
This mode is used to select functions the dealer sets for the user.
Selecting the dealer menu mode
Press [MENU] while in the dealer mode’s memory channel selector mode or any of its write modes.
Menu number selection
To select menu numbers, press the [DATA] or [MODE] keys.
Selecting the setting contents
To change menu settings, turn the [DIAL].
| Menu | Content |
| 00 | VFO transmit power and receive-only setting |
| 01 | MIC gain H/L setting |
| 02 | CW/selective call IF filter attachment |
| 03 | DATA (AFSK) IF filter attachment |
| 04 | AIP ON/OFF |
| 05 | AUX ON/OFF |
| 06 | Scan speed setting |
| 07 | BC AM 1/9kHz steps |
| 08 | Clarifier 10/1Hz steps |
| 09 | VOX ON/OFF |
| 10 | CW delay time setting (full/semi break-in setting) |
| 11 | CW sidetone/pitch frequency setting |
| 12 | Power settings (H, M, L) display ON/OFF |
| 13 | Channel number display ON/OFF |
| 14 | DATA mode AFSK/FSK setting |
| 15 | DATA (FSK) IF filter selection |
| 16 | FSK shift width setting |
| 17 | FSK key polarity setting |
| 18 | FSK H/L tone setting |
| 19 | FSK reverse setting |
| 20 | SCAN SW actuation enable/disable |
| 21 | MENU SW actuation enable/disable |
| 22 | MODE SW actuation enable/disable |
| 23 | DATA SW actuation enable/disable |
| 30 | Selective call ON/OFF |
| 31 | ID (own unit) code setting |
| Menu | Content |
| 32 | Squelch opening time (unmute time) setting |
| 33 | Memory code A setting (call ID) |
| 34 | Memory code B setting (call ID) |
| 35 | Memory code C setting (call ID) |
| 36 | Memory code D setting (call ID) |
| 37 | Memory code A setting (character) |
| 38 | Memory code B setting (character) |
| 39 | Memory code C setting (character) |
| 40 | Memory code D setting (character) |
| 41 | User manual memory code setting ON/OFF |
| 42 | ID delay time setting |
INSTALLATION
1. Installing the AT unit (KAT-2: Option)
Remove the case and shielding cover in advance.
- Use screws ( ➊ ) to install the Antenna tuner unit (KAT-2).
- Before inserting the connector, cut the R101 wire.
- Connect the lead with the connector like pull out to the front side to CN11 ( ➋ ) on X45-3620-21.
- Connect the coaxial cable’s white-marked line to the X45’s CN5 ( ➌ ) (AT1) and the other line to CN6 ( ➍ ) (AT2).
- Insert the flat cable from the tuner unit in CN6 ( ➎ ) of control unit X53-3570-21.
- Take care not to pinch the lead when reattaching the case.

Installing the selective call unit (KPE-1: Option)
Remove the case in advance.
- Remove the two screws ( ➊ ) on the upper left and right sides of the front panel, then loosen the two lower screws ( ➋ ) halfway and pull the front panel forward.

- As shown in the figure, set the front panel down on its face, mount the optional circuit board X52-330 (selective call) and secure it with the four (➌) screws.
- Connect the accessory flat cable ( ➍ ) to CN2 of X53- 3570-21 and CN2 on the KPE-1, then connect the accessory lead with the connector (➎) to CN1 of the KPE-1 and CN13 (➏) on the X57-4660-21 (bottom side).
- Take care not to pinch the lead when reattaching the case

Installing the optional TCXO (SO-2 or accessory of KPE-1)
- Remove the screws (➊ ) securing the shield plate, then remove the shield plate.
- Remove the screws ( ➋ ) holding the X57-466 circuit board.
- Remove the CN19 (black) ( ➌ ) and CN1 (red) ( ➍ ) connectors.
- Before installing the optional TCXO (SO-2 or accessory of KPE-1), cut the lead wires on R682 and R683.
- Install the optional TCXO (SO-2 or accessory of KPE-1) and apply solder to the soldered side.
- Take care not to pinch the lead when reattaching the case.

Installing the selective call unit (KPE-1: Option)
Remove the case in advance.
- Remove the two screws (➊ ) on the upper left and right sides of the front panel, then loosen the two lower screws (➋) halfway and pull the front panel forward.

- As shown in the figure, set the front panel down on its face, mount the optional circuit board X52-330 (selective call), and secure it with the four ( ➌ ) screws.
- Connect the accessory flat cable ( ➍ ) to CN2 of X53- 3570-21 and CN2 on the KPE-1, then connect the accessory lead with the connector ( ➎ ) to CN1 of the KPE-1 and CN13 ( ➏ ) on the X57-4660-21 (bottom side).
- Take care not to pinch the lead when reattaching the case.

Installing the optional TCXO (SO-2 or accessory of KPE-1)
- Remove the screws ( ➊ ) securing the shield plate, then remove the shield plate.
- Remove the screws ( ➋ ) holding the X57-466 circuit board.
- Remove the CN19 (black) ( ➌ ) and CN1 (red) ( ➍ ) con- nectors.
- Before installing the optional TCXO (SO-2 or accessory of KPE-1), cut the lead wires on R682 and R683.
- Install the optional TCXO (SO-2 or accessory of KPE-1) and apply solder to the soldered side.
- Take care not to pinch the lead when reattaching the case.



Installing the IF filter (YK-107C: Option)
- Install the YK-107C and apply solder to the soldered side.

Installing the IF filter (KIF-1: Option)
- Install the optional KIF-1 and apply solder to the soldered side.
- After installing the IF filter, set the unit to dealer mode.

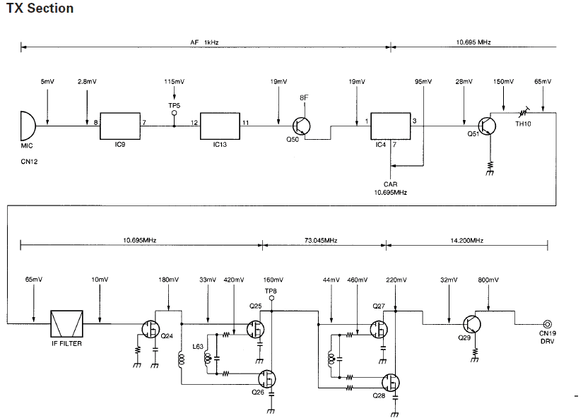
Frequency Configuration
The TK-80 uses double conversion in all modes.
| Mode | Display frequency |
| USB/LSB | Carrier point frequency |
| CW | Transmission carrier frequency |
| AM | Transmission carrier frequency |
| FSK | Mark transmission frequency |
| AFSK | Carrier point frequency |
Table 1 Display frequency in each mode
The receiver frequency in SSB mode is given by the following equation when the receiver tone produced by the input frequency (fin) from the antenna is zero beats (when an SSB signal with a carrier point of fIN is zeroed in): fIN = fLO1 – fLO2 – fCAR ……………….. (1)
CIRCUIT DESCRIPTION
IC configuration
IC configuration is as follows:
- There are two 28-bit registers for setting frequency data, one 28-bit frequency shift register in addition to the frequency registers, a 23-bit parallel signal input section for frequency modulation with parallel signals, and a data entry and selection section.
- There is a frequency-modulation section comprising 28-bit adders for adding frequency data and frequency modulation data, a phase data operation section that adds data from the frequency modulation section and 28-bit phase data register, and a SIN-ROM that converts phase data to sine waves.
Frequency/shift data setting
Using serial signals synchronized with clock pulses, 30 bits (2 bits that specify the destination for which data is set, and 28 bits of frequency data) are set in the three internal registers.
Frequency register selection
The data set in the two frequency registers is selected by the SLAB input of the DDS IC. This pin handles the ABSL signal for IC501 and the CASL signal for IC500. This function eliminates the need for the TK-80 to set frequency data for each transmission/reception with the microprocessor.
Receiver front-end
The signal input to the TX-RX unit passes through the 30 MHz low-pass filter, and the signal above 1.605MHz goes to seven band-pass filters. When AIP is off, the signal passes through each band-pass filter, D25 and D26 turn on and D23 and D24 turn off, and the signal is amplified by about 13dB by Q8, Q9, and output to the first mixer. If AIP is on, D25 and D26 turn off and D23 and D24 turn on, and the signal is output directly to the first mixer without passing through Q8 and Q9. The first mixer is quad-balanced, Q4 to Q7 (Fig. 4).
Noise blanker circuit
The 10.695MHz IF signal generated from the first IF of 73.045MHz by the second mixer is input to the IF amplifier Q19, sent through Q18 amplified by noise amplifier Q801, Q802, and Q804, sent through buffer Q80,6 and noise detected by D800. This signal switches Q805 and Q807, Q808 and controls Q19 in the TX-RX unit. Q19 controls Q20 and blanks the noise (Fig. 5).
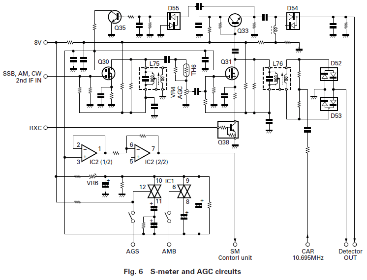
Signal strength meter circuit
In all modes, the signal strength meter circuit comprises the operational amplifier IC2. The signal level detected is input to pin 3 of IC2 (1/2) and amplified by about 8dB by IC2 (2/2), then goes to IC5 of the control unit (Fig. 6). 3-4.
AGC circuit
The time constant for the signal envelope detected by IC1 is changed in each mode by the analog switch. The effective value, not the peak value, is used in AM mode (Fig. 6).
Squelch
The squelch volume voltage is input to A/D input pin 78 of the CPU IC5. The signal strength meter voltage made by squelch volume voltage and the TX-RX unit is compared and processed in the CPU, controlling the ABK signal.
IF filter
There are two internal 10.695MHz IF filters and two optional ones, so a total of four can be installed.
| 10.695MHz filter | Part No./ name | Selection of each mode | ||||
| CW | SSB | AM | DATA (AFSK) | DATA (FSK) | ||
| AM | L71-0433-15 | – | – | – | – | |
| SSB-WIDE (Option) | L71-0457-05 /KIF-1 | – | – | – | ✳ | ✳ |
| SSB | L71-0249-05 | – | ||||
| CW (Option) | L71-0283-15 /YK-107C | ✳ | – | – | – | ✳ |

SEMICONDUCTOR DATA
Microprocessor: 37702E8LHJMHF (Control unit IC5)
| Pin No. | Pin Name | Port Name | I/O | Description |
| 1 | FSL | P66 | I | Selective call lock detect input. H: Detect, L: Normal |
| 2 | PSC | P65 | O | Power relay control. H: ON, L: OFF |
| 3 | BKC | INT2 | I | Reduced voltage input. H: Normal, L: Reduced voltage, Rise pulse: Power supply turned on |
| 4 | BOVR | INT1 | I | Excess voltage input. H: Normal, L: Excess voltage |
| 5 | PSW | INT0 | I | Power SW input. H: Input, L: No input |
| 6 | CK1 | TA4in | I | Encoder input 1 |
| 7 | CK2 | TA4out | I | Encoder input 2 |
| 8 | MU | P56 | I | Microphone UP key input. H: No input, L: Input |
| 9 | SPED | TA3out | O | AT motor drive control. H: Go, L: Stop |
| 10 | MD | P55 | I | Microphone DWN key input. H: No input, L: Input |
| 11 | SIDE | TA2out | O | Sidetone (timer output) |
| 12 | PDA | P53 | O | PLL serial data, EEPROM serial data, diode matrix selection |
| 13 | BZ | TA1out | O | System beep (timer output) |
| 14 | LDA | P51 | O | LCD driver serial data |
| 15 | LCK | P50 | O | LCD driver serial clock |
| 16 | ULK | P47 | I | PLL lock decision. H: Lock, L: Unlock |
| 17 | TOE | P46 | O | DTMF IC bus control. H: Enable, L: HighZ |
| I | Selective call unit attachment decision. H: Not attached, L: Attached | |||
| 18 | STD | P45 | I | DTMF input decision. H: Input, L: No input |
| 19 | PCK | P44 | O | For PLL/DDS, serial clock |
| 20 | SO | P43 | O | Key matrix selection. H (HighZ): Normal, L: Select |
| 21 | LBLK | P42 | O | LCD all illuminate. H: All illuminate, L: Normal |
| 22 | TXC | P41 | O | Transmission control. H: TX, L: Non-TX |
| 23 | RXC | P40 | O | Receiver control. H: RX, L: Non-RX |
| 24 | BYTE | BYTE | I | (External bus width designated) |
| 25 | CNVss | CNVss | I | CPU actuation mode designated |
| 26 | RESET | RESET | I | CPU reset |
| 27 | XIN | XIN | I | System clock |
| 28 | XOUT | XOUT | O | System clock |
| 29 | E | E | O | Not used |
| 30 | Vss | Vss | – | GND |
| 31 | CKY | P33 | O | Transmission control CKY output. H: Transmission (carrier output), L: Reception |
| 32 | MCS | P32 | O | EEPROM CS. H: CS |
| 33 | MDI | P31 | I | EEPROM data read |
| 34 | UCK | P30 | O | Common serial clock |
| 35 | UDA | P27 | O | Common serial data |
| 36 | CASL | P26 | O | Carrier DDS register selection. H: Register B, L: Register A |
| 37 | NC | P25 | I | Not used |
| 38 | A1 | P24 | O | Expansion I/O address |
| 39 | A0 | P23 | O | Expansion I/O address |
| 40 | IOS | P22 | O | Expansion I/O CS signal, H: Normal, L: CS |
| Pin No. | Pin Name | Port Name | I/O | Description |
| 41 | RD | P21 | O | Expansion I/O RD signal. H: Normal, L: RD |
| 42 | WR | P20 | O | Expansion I/O WR signal. H: Normal, L: WR |
| 43~50 | D7~D0 | P17~P10 | O | False data path |
| 51 | BSY | P07 | O | Packet busy output. H: Busy, L: Normal |
| 52 | KEY | P06 | I | Key input. H: No input, L: Input |
| 53 | KYS | P05 | I | Key plug attachment decision. H: Attached, L: Not attached |
| 54 | ODEN | P04 | O | Expansion I/O reset output. H: Reset, L: Normal |
| 55 | TSI | P03 | I | External AT control input |
| 56 | TTI | P02 | I | External AT control input |
| 57 | ATI | P01 | I | Internal AT attachment decision. H: Not attached, L: Attached |
| 58 | THP | P00 | I | Power down request during temperature protection. H: Protection actuation, L: Normal |
| 59 | TXD | TXD1 | O | Uart data output |
| 60 | RXD | RXD1 | I | Uart data input |
| 61 | RTS | P85 | O | Uart reception authorization output. H: Reception not allowed, L: Reception allowed |
| 62 | CTS | CTS1 | I | Uart transmission authorization output. H: Transmission not allowed, L: Transmission allowed |
| 63 | ABSL | TXD0 | O | Selective call code transmission uart data output |
| P83 | O | Local DDS, PLL register selection. H: Register B, latch V1, L: Register A, latch V2 | ||
| 64 | FSD | RXD0 | I | Selective call uart data input |
| 65 | P81 | P81 | I | GND |
| 66 | CTS0 | CTS0 | I | Selective call transmission authorization input. H: Transmission not allowed, L: Transmission allowed |
| 67 | Vcc | Vcc | I | Power supply |
| 68 | AVcc | AVcc | I | A/D power supply |
| 69 | Vref | Vref | I | A/D reference power supply |
| 70 | AVss | AVss | I | A/D GND |
| 71 | Vss | Vss | I | GND |
| 72 | POD1 | AN7 | I | Variable condenser 1 VR, A/D input |
| 73 | POD2 | AN6 | I | Variable condenser 2 VR, A/D input |
| 74 | VSRM | AN5 | I | Reflection wave voltage, A/D input |
| 75 | VCL | AN4 | I | Clarifier VR, A/D input |
| 76 | VSQL | AN3 | I | Squelch VR, A/D input |
| 77 | VSFM | AN2 | I | RF meter voltage (progression wave voltage), A/D input |
| 78 | SM | AN1 | I | S-meter voltage, A/D input |
| 79 | VDLY | AN0 | I | VOX delay VR, A/D input |
| 80 | SS | P67 | I | Send switch input. H: No input, L: Input |
I/O Port: UPD71055GB-3B4 (Control unit IC7)
| Pin No. | Pin Name | Port Name | I/O | Description |
| 1 | NC | NC | – | Not used |
| 2 | CS | CS | I | Chip select input |
| 3 | GND | GND | I | GND |
| Pin No. | Pin Name | Port Name | I/O | Description |
| 4 | A1 | A1 | I | Port address 1 |
| 5 | A0 | A0 | I | Port address 0 |
| 6 | NC | P27 | – | Not used |
| 7 | FEN4 | P26 | O | Serial parallel enable, final unit IC4 |
| 8 | FEN3 | P25 | O | Serial parallel enable, TX-RX unit IC16 |
| 9 | FEN2 | P24 | O | Serial parallel enable, TX-RX unit IC15 |
| 10 | FEN1 | P20 | O | Serial parallel enable, TX-RX unit IC10 |
| 11 | VEN1 | P21 | O | D/A enable, TX-RX unit IC13 |
| 12 | LEN1 | P22 | O | LCD driver enable, LCD ASSY IC1 |
| 13 | DEN2 | P23 | O | DDS enable, TX-RX unit IC501 |
| 14 | DEN1 | P10 | O | DDS enable, TX-RX unit IC500 |
| 15 | PLS | P11 | O | FSK key select. H: FSK key, L: Selective call key |
| 16 | PEN1 | P12 | O | PLL enable, TX-RX unit IC502 |
| 17 | NC | NC | – | Not used |
| 18 | VB3 | P13 | O | VCO select. H: 21.5MHz£f, L: Other |
| 19 | VB2 | P14 | O | VCO select. H: 10.5MHz£f<21.5MHz, L: Other |
| 20 | VB1 | P15 | O | VCO select. H: f<10.5MHz, L: Other |
| 21 | TSO | P16 | O | External AT control output |
| 22 | TO | P17 | O | External AT control output |
| 23 | Vcc | Vcc | I | Power supply |
| 24~31 | D7~D0 | D7~D0 | I | Data 7~0 |
| 32 | RES | RESET | I | Reset input |
| 33,34 | NC | NC | – | Not used |
| 35 | WE | WE | I | Write control input |
| 36 | PR22 | P07 | O | Motor 2 rotation direction control |
| 37 | PR21 | P06 | O | Motor 2 rotation direction control |
| 38 | PR12 | P05 | O | Motor 1 rotation direction control |
| 39 | PR11 | P04 | O | Motor 1 rotation direction control |
| 40 | APR | P03 | O | Internal AT setting. H: Microprocessor, L: Analog circuit |
| 41 | ATA | P02 | O | Internal AT setting. H: Line input, L: Cutaway |
| 42,43 | NC | P01,P00 | O | Not used |
| 44 | RD | RD | I | Readout control input |
I/O Port Expansion: UPD6345GS (TX-RX unit IC10)
| Pin No. | Pin Name | Port Name | Description |
| 5 | B4 | O8 | RX band select 4. ON: 4.5MHz£f<8.0MHz, OFF: Other |
| 6 | B3 | O7 | RX band select 3. ON: 2.5MHz£f<4.5MHz, OFF: Other |
| 7 | B2 | O6 | RX band select 2. ON: 1.605MHz£f<2.5MHz, OFF: Other |
| 8 | B1 | O5 | RX band select 1. ON: f<1.605MHz, OFF: Other |
| 9 | B8 | O4 | RX band select 8. ON: 21.5MHz£f, OFF: Other |
| Pin No. | Pin Name | Port Name | Description |
| 10 | B7 | O3 | RX band select 7. ON: 14.5MHz£f<21.5MHz, OFF: Other |
| 11 | B6 | O2 | RX band select 6. ON: 10.5MHz£f<14.5MHz, OFF: Other |
| 12 | B5 | O1 | RX band select 5. ON: 8.0MHz£f<10.5MHz, OFF: Other |
I/O Port Expansion: BU2099FV (TX-RX unit IC15)
| Pin No. | Pin Name | Port Name | Description |
| 6 | IF1 | Q0 | IF filter selection. ON: 6.0kHz selection, OFF: Other |
| 7 | IF2 | Q1 | IF filter selection. ON: 2.7kHz selection, OFF: Other (option) |
| 8 | IF3 | Q2 | IF filter selection. ON: 2.2kHz selection, OFF: Other |
| 9 | IF4 | Q3 | IF filter selection. ON: 0.5kHz selection, OFF: Other (option) |
| 10 | AGS | Q4 | Selection of constant during AGC. ON: AGC fast, OFF: AGC slow |
| 11 | NBS | Q5 | NB setting. ON: NB off, OFF: NB on |
| 12 | RBK | Q6 | RF blanking. ON: RBK on, OFF: RBK off |
| 13 | PL | Q7 | VSFM, VSRM op-amp gain selection. ON: Low gain, OFF: High gain |
| 14 | AIP | Q8 | AIP setting. ON: AIP on, OFF: AIP off |
I/O Port Expansion: BU2099FV (TX-RX unit IC16)
| Pin No. | Pin Name | Port Name | Description |
| 6 | AM | Q0 | Mode selection. ON: During AM mode, OFF: Other |
| 7 | SSB | Q1 | Mode selection. ON: During SSB mode, OFF: Other |
| 8 | SCB | Q2 | Mode selection. ON: During SSB mode or CW mode, OFF: Other |
| 9 | NC | Q3 | Not used (usually ON) |
| 10 | VOXS | Q4 | VOX setting. ON: VOX on, OFF: VOX off |
| 11 | PMU | Q5 | AF blanking during power supply OFF. ON: ABK on, OFF: ABK off |
| 12 | VCAS | Q6 | VCA selection. ON: VR, OFF: D/A |
| 13 | ABK | Q7 | AF blanking. ON: ABK on, OFF: ABK off |
| 14 | MMU1 | Q8 | Microphone mute 1 (input side). ON: Normal, OFF: During microphone mute |
| 15 | MMU2 | Q9 | Microphone mute 2 (output side). ON: During microphone mute, OFF: Normal |
Band Data Decoder: BU2099FV (Final unit IC4)
| Pin No. | Pin Name | Port Name | Description |
| 6 | 18AT | Q0 | Selected for 18AT. ON: 14.5MHz£f<19.0MHz, OFF: Other |
| 7 | LPF6 | Q1 | Selected for LPF6. ON: 21.5MHz£f, OFF: Other |
| 8 | LPF5 | Q2 | Selected for LPF5. ON: 14.5MHz£f<21.5MHz, OFF: Other |
| 9 | LPF2 | Q3 | Selected for LPF2/4AT. ON: 2.4MHz£f<4.5MHz, OFF: Other |
| 10 | LPF1 | Q4 | Selected for LPF1. ON: f<2.4MHz, OFF: Other |
| 11 | 28AT | Q5 | Selected for 28AT. ON: 27.0MHz£f, OFF: Other |
| 12 | 24AT | Q6 | Selected for 24AT. ON: 22.0MHz£f<27.0MHz, OFf: Other |
| 13 | 21AT | Q7 | Selected for 21AT. ON: 19.0MHz£f<22.0MHz, OFF: Other |
| 14 | LPF3 | Q8 | Selected for LPF3/7AT. ON: 4.5MHz£f<8.0MHz, OFF: Other |
| 15 | LPF4 | Q9 | Selected for LPF4/14AT. ON: 8.0MHz£f<14.5MHz, OFF: Other |
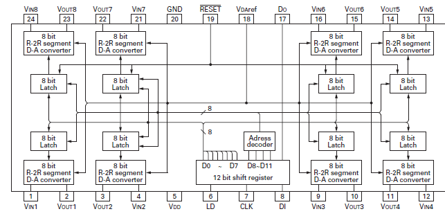
D/A Converter: M62363FP (TX-RX unit IC13)
| Pin No. | Pin Name | Port Name | Description |
| 1,2 | NC | VI1,VO1 | Not used |
| 3 | POC | VO2 | Power control |
| 4 | (5V) | VI2 | Created from 14V at zener and resistive division |
| 9 | RAF | VI3 | AF reference voltage |
| 10 | AFC | VO3 | AF voltage (VCA control voltage) |
| 11 | MICOUT | VO4 | Microphone output (audio), microphone gain |
| 12 | MICIN | VI4 | Microphone input (audio) |
| 13 | (5V) | VI5 | Vdd common |
| 14 | CAR | VO5 | CAR level |
| 15 | TGC | VO6 | TX gain control |
| 16 | (5V) | VI6 | Vdd common |
| 21 | (5V) | VI7 | Vdd common |
M62363FP Block diagram

COMPONENTS DESCRIPTION
FINAL UNIT (X45-3520-21)
| Ref. No. | Use / Function | Operation / Condition |
| IC1 | Comparator | Fan control |
| IC2 | Regulator | 14V®5V |
| IC3 | Regulator | 14V®8V |
| IC4 | Band data decoder | Serial to parallel conversion |
| Q1 | Pre-drive amplifier | HF band wide band amplification |
| Q2,3 | Drive amplifier | HF band push-pull wide band amplification |
| Q4 | Final bias supply | Final temperature compensation |
| Q5,6 | Final amplifier | HF band push-pull wide band amplification |
| Q7 | Relay drive | The relay is energized when power is turned on |
| Q8 | Switching transistor | When overvoltage occurs |
| Q9,10 | Fan motor drive | Runs the fan during transmission or when the temperature rises |
| Q12 | Switching transistor | Off when the control circuit is troubled |
| Q13 | Signal switch | Transmit/Receive changeover relay drive |
| Q14~21 | Signal switch | Low pass filter changeover relay drive |
| D1 | Temperature compensation | Pre-drive temperature detection |
| D2 | Temperature compensation | Drive temperature detection |
| D3,4 | Temperature compensation | Final temperature detection |
| D5 | Protection diode | Reverse power connection |
| D6 | Zener diode | Over-voltage detection |
| D7 | Relay surge absorption | Relay counter voltage bypass |
| D8 | Protection diode | Fan counter voltage bypass |
| D9 | Switching | OR circuit |
| D10,11 | RF detection | SWR power detection |
| D12 | Relay surge absorption | Transmit/Receive changeover relay |
| D13 | Spike surge absorption | Surge absorber |
| D14 | Switching | OR circuit |
| D15 | Surge voltage absorption | 14V line |
| Ref. No. | Use / Function | Operation / Condition |
| D701~706 | Relay surge absorption | LPF relay counter voltage bypass |
CONTROL UNIT (X53-3570-21)
| Ref. No. | Use / Function | Operation / Condition |
| IC1,2 | Inverter | Encoder shape wave |
| IC3 | Reset | |
| IC4 | Regulator | Constant voltage 6V output |
| IC5 | CPU | Microprocessor |
| IC6 | EEPROM | 4k bits |
| IC7 | I/O port | 8-bit x 3, 24 ports |
| IC8 | Buffer | Buffer of serial interface |
| Q1,2 | Signal switch | Backup judgment |
| Q3,4 | Signal switch | During AT tune |
| Q5,6 | Signal switch | During AT through |
| Q7 | Signal switch | Off in AF mute |
| D1 | Switching (reverse flow prevention) | CPU power supply OR circuit |
| D2 | Reverse flow prevention | |
| D3 | Switching | Standby switch OR circuit |
| D4 | Zener diode | Backup detection (voltage shift) |
| D5,6 | Reverse flow prevention | |
| D7,10~13 | Switching | Destination selection |
| D14 | Zener diode | AF mute detection (voltage shift) |
| D15 | Switching | Destination selection |
| D16~18 | Reverse flow prevention | Key matrix judgment |
TX-RX UNIT (X57-4660-21)
| Ref. No. | Use / Function | Operation / Condition |
| IC1 | Switching | Analog switch |
| IC2 | Amplifier | S-meter level amplification |
| IC3 | Switching | Analog switch |
| IC4 | Balanced modulation | SSB AM modulation |
| IC6 | Electrical volume |
PARTS LIST
| Ref. No. | Address | New parts | Parts No. | Description | Desti- nation |
| TK-80 | |||||
| 1 | 1A | A01-2099-02 | METALLIC CABINET (UPSIDE) | ||
| 2 | 3B | A01-2100-02 | METALLIC CABINET (BOTTOM) | ||
| 3 | 2A | ✽ | A62-0668-03 | PANEL ASSY | |
| 6 | 2A | ✽ | B38-0739-15 | LCD ASSY | |
| 7 | 1D | ✽ | B62-1012-00 | INSTRUCTION MANUAL | |
| 8 | 2B | ✽ | B72-1493-04 | MODEL NAME-PLATE | |
| 10 | 1B | E04-0167-05 | RF COAXIAL RECEPTACLE (M) | ||
| 12 | 1B | E23-0992-04 | EARTH LUG | ||
| 13 | 1C | E30-3157-15 | DC CORD ACCESSORY | ||
| 14 | 1B,3B | E37-0225-05 | LEAD WIRE WITH MINI PIN PLUG (R) | ||
| 15 | 1B,3B | E37-0497-05 | LEAD WIRE WITH MINI PIN PLUG (B) | ||
| 16 | 2A,2B | E37-0499-05 | FLAT CABLE (X57CN14-X53CN4) | ||
| 17 | 1B,2B | E37-0500-05 | FLAT CABLE (X45CN3-X53CN3) | ||
| 18 | 1B,3B | E37-0501-05 | FLAT CABLE (X45CN10-X57CN15) | ||
| 19 | 2A,2B | E37-0503-05 | LEAD WIRE WITH CONNECTOR (PHONE) | ||
| 20 | 2A,3B | E37-0505-05 | LEAD WIRE WITH CONNECTOR (MIC) | ||
| 21 | 3A,2B | E37-0508-05 | LEAD WIRE WITH CONNECTOR (SP) | ||
| 22 | 1B,2B | E37-0509-05 | LEAD WIRE WITH CONNECTOR (AT) | ||
| 24 | 1C | F05-2531-05 | FUSE (BLADE TYPE) (25A/32V) | ||
| 25 | 1B,1C | F06-4027-05 | FUSE (BLADE TYPE) (4A/32V) | ||
| 26 | 1A | F09-0438-15 | FAN MOTOR | ||
| 27 | 2A | F20-0521-04 | INSULATING BOARD (BATTERY) | ||
| – | F29-0014-05 | INSULATING BUSH (Q1) | |||
| 30 | 1B | G02-0575-04 | FLAT SPRING (TX-RX IC7) | ||
| 31 | 1B | G02-0732-14 | FLAT SPRING (FINAL IC2,3) | ||
| – | G09-0405-05 | KNOB SPRING (MAIN DIAL) | |||
| 32 | 1A | G10-0676-04 | FIBROUS SHEET (UPSIDE CASE) | ||
| 23 | 1A,2A,3B | ✽ | G10-1275-04 | FIBROUS SHEET (UPSIDE CASE) | |
| 33 | 2A | G13-1515-04 | CUSHION (SUB-PANEL) | ||
| – | G13-1549-04 | CUSHION (PANEL) | |||
| 28 | 2A | ✽ | G13-1846-04 | CUSHION (SUB-PANEL) | |
| 29 | 2B | ✽ | G13-1848-04 | CUSHION (CONTROL) | |
| 36 | 2C | H10-2787-02 | POLYSTYRENE FOAMED FIXTURE (F) | ||
| 37 | 1D | H10-2788-02 | POLYSTYRENE FOAMED FIXTURE (R) | ||
| 38 | 2C | H13-0962-04 | CARTON BOARD | ||
| 35 | 3D | ✽ | H52-1272-02 | ITEM CARTON CASE | |
| 45 | 3B | J02-0475-05 | FOOT | ||
| 46 | 2B | J19-1458-05 | HOLDER | ||
| 47 | 1A | ✽ | J21-4438-14 | MOUNTING HARDWARE (FAN) | |
| 48 | 2A | J31-0141-04 | COLLAR (MIC 8P) | ||
| 51 | 2A,3A | K29-4973-04 | KNOB (VOL, SQL, CLA) | ||
| 50 | 3A | ✽ | K29-5080-13 | KNOB (MAIN DIAL) | |
| B | 2A | ✽ | N10-2070-46 | HEXAGON NUT (ENCODER) | |
| A | 2B | N15-1040-46 | FLAT WASHER | ||
| C | 2A | N32-3006-46 | FLAT HEAD MACHINE SCREW | ||
| D | 1A,3A | N33-3006-45 | OVAL HEAD MACHINE SCREW | ||
| E | 1A | N35-3018-46 | BINDING HEAD MACHINE SCREW | ||
| F | 2B | N35-4010-46 | BINDING HEAD MACHINE SCREW | ||
| G | 3A | N67-3005-46 | PAN HEAD SEMS SCREW | ||
| H | 1B | N68-3008-46 | PAN HEAD SEMS SCREW | ||
| J | 1B,3B | N87-3006-46 | BRAZIER HEAD CAPTIVE SCREW | ||
| K | 1B | N87-3008-46 | BRAZIER HEAD CAPTIVE SCREW | ||
| Ref. No. | Address | New parts | Parts No. | Description | Desti- nation |
| M | 2A | N90-2605-45 | TP HEAD MACHINE SCREW | ||
| N | 3B | N91-3010-46 | TP HEAD TAPPING SCREW | ||
| 55 | 3A | T07-0325-05 | SPEAKER | ||
| 56 | 1C | ✽ | T91-0562-25 | MICROPHONE ACCESSORY | |
| 60 | 2A | W09-0515-05 | LITHIUM CELL | ||
| FINAL UNIT (X45-3520-21) | |||||
| C1 | CK73FB1E103K | CHIP C 0.010UF K | |||
| C2 | CK73FB1H102K | CHIP C 1000PF K | |||
| C3 | CK73FB1E104K | CHIP C 0.10UF K | |||
| C4 | CC73FSL1H821J | CHIP C 820PF J | |||
| C5 | CK73FB1E103K | CHIP C 0.010UF K | |||
| C6 | CK73FB1E104K | CHIP C 0.10UF K | |||
| C7 | CK73FB1H102K | CHIP C 1000PF K | |||
| C8 | CK73FB1E104K | CHIP C 0.10UF K | |||
| C9 | CK73FB1H102K | CHIP C 1000PF K | |||
| C10 | CK73FB1E104K | CHIP C 0.10UF K | |||
| C11 | CE04EW1C100M | ELECTRO 10UF 16WV | |||
| C12 | CK73FB1E104K | CHIP C 0.10UF K | |||
| C13,14 | CK73FB1E103K | CHIP C 0.010UF K | |||
| C15 | CK73FB1H102K | CHIP C 1000PF K | |||
| C16 | C90-2193-05 | ELECTRO 39UF 25WV | |||
| C17 | CE04EW1C100M | ELECTRO 10UF 16WV | |||
| C18 | ✽ | CC45FSL2H221JN | CERAMIC 220PF J | ||
| C19,20 | CK73FB1E104K | CHIP C 0.10UF K | |||
| C21 | CK73FB1H472K | CHIP C 4700PF K | |||
| C22 | CM73F2H102J | CHIP C 1000PF J | |||
| C23 | CK73FB1E104K | CHIP C 0.10UF K | |||
| C24,25 | C91-1004-05 | CHIP C 6800PF J | |||
| C26 | CK73FB1H102K | CHIP C 1000PF K | |||
| C27 | CM73F2H561J | CHIP C 560PF J | |||
| C28 | CK73FB1E104K | CHIP C 0.10UF K | |||
| C29 | CM73F2H122J | CHIP C 1200PF J | |||
| C30 | ✽ | CC45FSL2H151JN | CERAMIC 150PF J | ||
| C31 | CK73FB1E104K | CHIP C 0.10UF K | |||
| C32 | C90-2194-05 | ELECTRO 220UF 25WV | |||
| C33,34 | CK73FB1E103K | CHIP C 0.010UF K | |||
| C35 | CE04EW1E471M | ELECTRO 470UF 25WV | |||
| C36 | CK73FB1E103K | CHIP C 0.010UF K | |||
| C37 | CK73FB1E104K | CHIP C 0.10UF K | |||
| C38 | CK73FB1E103K | CHIP C 0.010UF K | |||
| C39 | CK73FB1H102K | CHIP C 1000PF K | |||
| C40-43 | CK73FB1E104K | CHIP C 0.10UF K | |||
| C44 | CK73FB1E103K | CHIP C 0.010UF K | |||
| C45,46 | CE04EW1E100M | ELECTRO 10UF 25WV | |||
| C47 | CE04EW1E102M | ELECTRO 1000UF 25WV | |||
| C48 | CK73FB1E104K | CHIP C 0.10UF K | |||
| C49,50 | CE04EW1E100M | ELECTRO 10UF 25WV | |||
| C51,52 | CK73FB1E104K | CHIP C 0.10UF K | |||
| C53,54 | CK73FB1E103K | CHIP C 0.010UF K | |||
| C55 | CC73FSL1H221J | CHIP C 220PF J | |||
| C56 | CC73FCH1H101J | CHIP C 100PF J | |||
| Ref. No. | Address | New parts | Parts No. | Description | Desti- nation |
| C57 | ✽ | CC45FCH2H030CN | CERAMIC 3.0PF C | ||
| C58 | CC73FCH1H560J | CHIP C 56PF J | |||
| C59 | CK73FB1E103K | CHIP C 0.010UF K | |||
| C60 | CC73FSL1H221J | CHIP C 220PF J | |||
| C62 | CK73FB1E104K | CHIP C 0.10UF K | |||
| C63 | CC73FCH1H680J | CHIP C 68PF J | |||
| C64 | CC73FCH1H121J | CHIP C 120PF J | |||
| C65 | CC73FCH1H560J | CHIP C 56PF J | |||
| C66-74 | CK73FB1H102K | CHIP C 1000PF K | |||
| C75 | CK73FB1E103K | CHIP C 0.010UF K | |||
| C76 | CK73FB1E104K | CHIP C 0.10UF K | |||
| C77 | CE04EW1E102M | ELECTRO 1000UF 25WV | |||
| C78 | CK73FB1E104K | CHIP C 0.10UF K | |||
| C79-81 | CK73FB1H102K | CHIP C 1000PF K | |||
| C84 | CK73FB1E103K | CHIP C 0.010UF K | |||
| C85-87 | CK73FB1H102K | CHIP C 1000PF K | |||
| C88, 89 | C91-2691-05 | CERAMIC 470PF 250WV | |||
| C101 | CM93D2H821J | MICA 820PF J | |||
| C102 | CC45FSL2H471JN | CERAMIC 470PF J | |||
| C103 | CM93D2H182J | MICA 1800PF J | |||
| C104 | ✽ | CC45FSL2H151JN | CERAMIC 150PF J | ||
| C105 | CM93D2H821J | MICA 820PF J | |||
| C201 | ✽ | CC45FSL2H561J | CERAMIC 560PF J | ||
| C202 | CC45FSL2H331JN | CERAMIC 330PF J | |||
| C203 | ✽ | CC45FSL2H391JN | CERAMIC 390PF J | ||
| C204 | ✽ | CC45FSL2H121JN | CERAMIC 120PF J | ||
| C205 | ✽ | CC45FSL2H151JN | CERAMIC 150PF J | ||
| C206 | ✽ | CC45FSL2H121JN | CERAMIC 120PF J | ||
| C207 | CC45FSL2H471JN | CERAMIC 470PF J | |||
| C208 | ✽ | CC45FSL2H151JN | CERAMIC 150PF J | ||
| C301 | ✽ | CC45FSL2H271JN | CERAMIC 270PF J | ||
| C302 | ✽ | CC45FSL2H151JN | CERAMIC 150PF J | ||
| C303 | ✽ | CC45FSL2H271JN | CERAMIC 270PF J | ||
| C304 | ✽ | CC45FSL2H560JN | CERAMIC 56PF J | ||
| C305 | ✽ | CC45FSL2H271JN | CERAMIC 270PF J | ||
| C307 | ✽ | CC45FSL2H221JN | CERAMIC 220PF J | ||
| C401 | CC45FSL2H181JN | CERAMIC 180PF J | |||
| C402 | ✽ | CC45FSL2H470JN | CERAMIC 47PF J | ||
| C403 | CC45FSL2H331JN | CERAMIC 330PF J | |||
| C404 | ✽ | CC45FSL2H121JN | CERAMIC 120PF J | ||
| C405 | ✽ | CC45FSL2H151JN | CERAMIC 150PF J | ||
| C501 | ✽ | CC45FSL2H121JN | CERAMIC 120PF J | ||
| C502 | ✽ | CC45FSL2H150JN | CERAMIC 15PF J | ||
| C503 | ✽ | CC45FSL2H221JN | CERAMIC 220PF J | ||
| C504 | ✽ | CC45FSL2H470JN | CERAMIC 47PF J | ||
| C505 | ✽ | CC45FSL2H101JN | CERAMIC 100PF J | ||
| C601 | CC45FSL2H680JN | CERAMIC 68PF J | |||
| C602 | ✽ | CC45FSL2H120JN | CERAMIC 12PF J | ||
| C603 | ✽ | CC45FSL2H121JN | CERAMIC 120PF J | ||
| C604 | ✽ | CC45FSL2H470JN | CERAMIC 47PF J | ||
| C605 | CC45FSL2H680JN | CERAMIC 68PF J | |||
| C607 | ✽ | CC45FSL2H100DN | CERAMIC 10PF D | ||
| C701-706 | CK73FB1H103K | CHIP C 0.010UF K | |||
| TC1 | C05-0030-15 | CERAMIC TRIMMER CAPACITOR (20PF) | |||
| CN1 | E04-0191-05 | PIN SOCKET | |||
| CN2 | E40-3246-05 | PIN ASSY | |||
| CN3 | E40-5764-05 | FLAT CABLE CONNECTOR | |||
| CN4 | E40-3249-05 | PIN ASSY | |||
| CN5,6 | E04-0154-05 | PIN SOCKET |
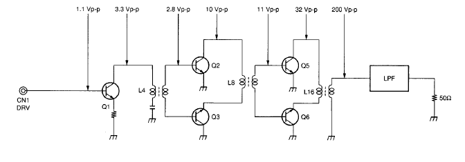
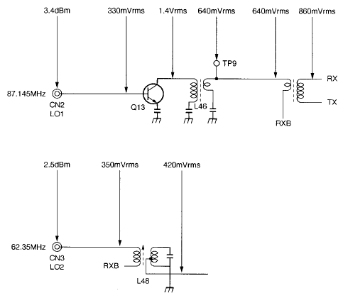
LEVEL DIAGRAM


Local Oscillator Section


Kenwood TK-80 Electric Amplifier-FAQs
For more manuals by Kenwood visit, ManualsLibraryy
What is the Kenwood TK-80 Electric Amplifier used for?
The Kenwood TK-80 amplifier is designed for audio signal amplification, providing high-quality sound output for professional and home audio systems.
How do I set up my Kenwood TK-80 amplifier?
Connect the amplifier to your audio source using the appropriate input ports, and then link the output terminals to your speakers. Ensure all connections are secure and match the specified impedance.
What is the recommended power supply for the Kenwood TK-80?
The amplifier operates on a standard AC power supply. Refer to the service manual for detailed voltage and current specifications to ensure safe operation.
How do I troubleshoot sound issues with the Kenwood TK-80?
Check the speaker connections, input cables, and power supply. Ensure the volume levels are properly adjusted and that no mute or standby mode is enabled.
What type of speakers can I use with the Kenwood TK-80?
The TK-80 is compatible with most speakers that match its power output and impedance range. Refer to the manual for specific recommendations.
How do I maintain my Kenwood TK-80 amplifier?
Keep the unit clean and free of dust, avoid overheating by ensuring proper ventilation, and regularly check all connections for wear or damage.
What should I do if the amplifier overheats?
Turn off the amplifier and allow it to cool. Ensure it is placed in a well-ventilated area, and verify that the ventilation grills are not blocked.
Can I repair the Kenwood TK-80 myself?
Basic troubleshooting like checking cables and connections is fine, but for internal repairs or replacements, consult a qualified technician or service center.
What are common signs of amplifier malfunction?
Common issues include distorted sound, no output, overheating, or the unit not powering on. These may require troubleshooting or professional servicing.
Where can I find replacement parts for the Kenwood TK-80?
Replacement parts can be sourced from authorized Kenwood service centers or verified electronics parts suppliers. Always ensure compatibility with your amplifier model.
















