Blog Post

Craftsman 917255581 Lawn Mower-featured

Craftsman 917255581 Lawn Mower User Manual

Craftsman logo

Craftsman 917255581 Lawn Mower

Craftsman 917255581 Lawn Mower-product

SAFETY RULES

  • Read, understand, and follow all instructions in the manual
    and on the machine before starting.
  • Only allow responsible adults who are familiar with the
    Instructions to operate the machine.
  • Clear the area of objects such as rocks, toys, wire, etc, which could be picked up and thrown by the blade.
  • Be sure the area is clear of other people before mowing. Stop the machine if anyone enters the area.
  • Never carry passengers.
  • Do not mow in reverse unless necessary. Always look down and behind before and while backing.
  • Be aware of the mower discharge direction and do not point it at anyone. Do not operate the mower without either the entire grass catcher or the guard in place.
  • Slow clown before turning.
  • Never leave a running machine unattended. Always turn off
    Blades set the parking brake, stop the engine, and remove the keys
    before dismounting.
  • Turn off the blades when not mowing.
  • Stop the engine before removing the grass catcher or unclogging the chute.
  • Mow only in daylight or good artificial light.
  • Do not operate the machine while under the influence of alcohol or drugs.
  • Watch for traffic when operating near or crossing roadways.
  • Use extra care when loading or unloading the machine into a trailer or truck.

ACCESSORIES AND ATTACHMENTS

These accessories and attachments were available when the tractor was purchased. They are also available at most Sears retail outlets, the catalog, and service centers. Most Sears stores can order these items for you when you provide the model number of your tractor.

ENGINE

Craftsman 917255581 Lawn Mower-1

PERFORMANCE
Sears offers a wide variety of attachments that fit your tractor. Many of these are listed below with brief explanations of how they can help
you. This list was current at the time of publication; however, it may change in future years – more attachments may be added, changes
may be made in these attachments, or some may no longer be available or fit your model. Contact your nearest Sears store for the
accessories and attachments that are available for your tractor.
Most of these attachments do not require additional hitches or conversion kits (those that were indicated) and are designed for easy attaching and detaching.

CONTENTS OF HARDWARE PACK

Craftsman 917255581 Lawn Mower-2

ASSEMBLY

Your new tractor has been assembled at the factory with the exception of those parts left unassembled for shipping purposes. To ensure the safe and proper operation of your tractor, all parts and hardware you assemble must be tightened securely. Use the correct tools as necessary to ensure their proper tightness.

TOOLS REQUIRED FOR ASSEMBLY
A socket wrench set will make assembly easier. Standard wrench sizes are listed.

  • (1) 5/16″ wrench
  • (2) 7/16″ wrenches
  • (1) 1/2″ wrench
  • (1) 9/16″ wrench
  • (1) 3/4″ wrench
  • Tire pressure gauge
  • Phillips Screwdriver
  • Utility knife

Craftsman 917255581 Lawn Mower-3

When the right and left hands are mentioned in this manual, it means when you are in the operating position (seated behind the steering wheel.

TO REMOVE THE UNIT FROM THE CARTON, UNPACK THE CARTON

  • Remove all accessible loose parts and parts cartons
    from the carton (See page 6).
  • Cut along dotted lines on the carton, from top to bottom, all four corners of the carton, and lay the panels flat.
  • Check for any additional loose parts or cartons and
    remove them.

BEFORE ROLLING THE UNIT OFF SKID, ATTACH THE STEERING WHEEL (See Fig. 1)

  • Slide the steering bushing over the steering shaft.
  • Raisethe steering shaft forward until screw holes in the dash line up with the steering bushing, install two (2) sheets of metal screws and tighten securely.
  • Position the steering boot over the steering shaft.
  • Align tabs of the steering boot over slots and holes in the dash, and push down to secure.
  • Slide the steering wheel adapter onto the upper steering shaft.
    Position the front wheels of the tractor so they are pointing
    straight forward.
  • Position the steering wheel so the cross bars are horizontal (left to right) and slide onto the adapter.
  • Assemble a large flat washer and a 3/8-24 hex locknut and tighten securely.
  • Snap the insert into the center of the steering wheel.
  • Remove protective plastic from the tractor hood and grill

Operation

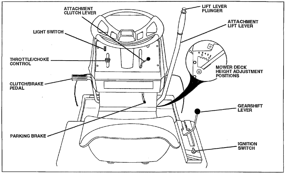
KNOW YOUR TRACTOR

READ THIS OWNER’S MANUAL AND SAFETY RULES BEFORE OPERATING YOUR TRACTOR
Compare the illustrations with your tractor to familiarize yourself with the locations of various controls and adjustments. Save this manual for future reference.

Craftsman 917255581 Lawn Mower-4

ATTACHMENT CLUTCH LEVER: Used to engage the mower blades or other attachments mounted to your tractor.
LIGHT SWITCH: Turns the headlights on and off.
THROTTLE!CHOKE CONTROL: Used for starting and controlling engine speed.
CLUTCH!BRAKE PEDAL: Used for declutching and braking the tractor and starting the engine.
PARKING BRAKE: Locks the clutch/brake pedal into the
brake position.
GEARSHIFT LEVER: Select the speed and direction of the tractor.
ATTACHMENT LIFT LEVER: Used to raise, lower, and adjust the mower deck or other attachments mounted to your tractor.
LIFT LEVER PLUNGER: Used to release the attachment lift lever when changing its position.
IGNITION SWITCH: Used for starting and stopping the engine.

TO START ENGINE (See Fig. 9)

When starting the engine for the first time or if the engine has run out of fuel, it will take extra cranking time to move fuel from the tank to the engine.

  • Depress the clutch/brake pedal and set the parking brake.
  • Place the gearshift lever in the “NEUTRAL” position:
  • Move the attachment clutch to the “DISENGAGED” position.
  • Move the throttle control lever to the “CHOKE” position for cold engine start. For a warm engine start, move the throttle control to the “FAST” position.
  • Turn the ignition key clockwise to the “START” position and release the key as soon as the engine starts. Do not run the starter continuously for more than fifteen seconds per minute. If the engine does not start after several attempts, move the throttle control to the “FAST” position, wait a few minutes, and try again.
  • When the engine starts, move the throttle control to the desired
    position.
  • Allow the engine to warm up for a few minutes before engaging the drive or attachment clutch.

MOVING TIPS
Tire chains cannot be used when the mower is ho(Jsing is attached to the unit. The mower should be properly leveled for best mowing
performance. See “TO LEVEL MOWER HOUSING” m the Service and Adjustments section of this manual.

  • The left-hand side of the mower should be used for trimming.
  • Drive so that clippings are discharged onto the area that has been cut. Have the cut area to the right of the machine. This will result in a more even distribution of clippings and more uniform cutting.
  • When mowing large areas, start by turning to the right so that clippings will discharge away from shrubs, fences, driveways, etc. After one or two rounds, mow in the opposite direction, making left-hand turns until finished(See Fig. 11).

Craftsman 917255581 Lawn Mower-5

CUSTOMER RESPONSIBILITIES

Craftsman 917255581 Lawn Mower-6

SERVICE AND ADJUSTMENTS

TO REMOVE MOWER (See Fig. 20)
The mower will be easier to remove from the right side of the unit.

  • Place the attachment clutch in the “DISENGAGED” position.
  • Move the attachment lift lever forward to lower the mower to its lowest position.
  • Roll the belt off the engine pulley.
  • Disconnect the clutch rod from the clutch lever by removing
    retainer spring.
  • Disconnect suspension arms from rear deck brackets by removing retainer springs.
  • Disconnect front links from the deck by removing the retainer springs.
  • Raise the lift lever to raise the suspension arms. Slide the mower out from under the tractor.

TO INSTALL MOWER (See Fig. 20)

Craftsman 917255581 Lawn Mower-7

TO LEVEL MOWER HOUSING
Adjust the mower while the tractor is parked on level ground or in a
driveway. Make sure tires are properly inflated (See “PRODUCT SPECIFICATIONS” on page 3). If tires are over- or under-inflated, you will not properly adjust your mower. You will need two (2) standard 2 x 4 short pieces of wood to make the following adjustment. Simi!ar blocks measuring 1-1/2″ thick may also be used.
SIDE-TO-SIDE ADJUSTMENT (See Figs 21 and 22) –

  • Raise the mower with the attachment lift control to allow two
    (2) 1-1/2″ thick blocks to be placed under the rear edge of the mower directly behind the mandrels.
  • Lower the mower deck to its lowest height of cut position (See ‘q-O ADJUST MOWER CUTTING HEIGHT’ in the operation section of this manual. o On both sides of the tractor, loosen, but do not remove, the fasteners securing the adjustable pivot brackets to the frame. Both brackets must be loose enough to move freely.
  • Pull down firmly on the suspension arm to remove any slack in the pivot bracket and hold while tightening the rear fastener first to secure. Tighten the remaining fastener.
  • Repeat the procedure on the other side of the tractor.
  • Raise the mower with the attachment lift control and remove
    blocks from under the mower.

Craftsman 917255581 Lawn Mower-8

STORAGE

TRACTOR
Remove the mower from the tractor for winter storage. When the mower is to be stored for a period of time, clean it thoroughly and remove all dirt, grease, leaves, etc. Store in a clean, dry area.

  • Clean the entire tractor (See”CLEANING” in the Customer Responsibilities section of this manual.
  • Inspect and replace belts, if necessary (See belt replacement instructions, Service and Adjustments section of this manual).
  • Lubricate as shown in the Customer Responsibilities
    section of this manual.
  • Be sure that all nuts, bolts, and screws are securely fastened. Inspect moving parts for damage, breakage, and wear. Replace if necessary.
  • Touch up all rusted or chipped paint surfaces; sand lightly before painting.

BATTERY

  • Fully charge the battery for storage.
  • After a while in storage, the battery may require recharging.
  • To help prevent corrosion and power leakage during long periods of storage, battery cables should be disconnected and the battery cleaned thoroughly (see”TO CLEAN BATTERY AND TERMINALS” in the Customer Responsibilities section of this manual).
  • After cleaning, leave cables disconnected and place cables where they cannot come in contact with battery terminals.
  • Be sure the battery drain tube is securely attached

CYLINDERS

  • Remove spark plug(s).
  • Pour one ounce of oil through the spark plug hole(s) into the cylinder(s).
  • Turn the ignition key to the “START” position for a few seconds to distribute oil.
  • Replace with new spark plug(s).

TROUBLESHOOTING

Craftsman 917255581 Lawn Mower-9

Craftsman 917255581 Lawn Mower-10

FOR MORE MANUALS BY CRAFTSMAN, VISIT MANUALSLIBRARYY

Craftsman 917255581 Lawn Mower-FAQs

How many safety switches are on a Craftsman riding mower?

Craftsman riding mowers have 4 safety interlock switches, which vary slightly between Step-Thru® and box frame models.

Where is the choke on a Craftsman lawn mower?

The choke is typically a lever or knob near the engine controls. Set it to “Choke” for cold starts and “Run” once the engine warms up.

How do I adjust the cutting height on my Craftsman mower?

Locate the height adjustment lever (usually near the wheels).
Pull the lever outward and move it to the desired setting.
Release to lock in place.

What’s the difference between high-lift and mulching blades?

High-lift blades create strong airflow for better bagging and discharge.
Mulching blades finely chop grass for nutrient-rich lawn feeding.

Why won’t my Craftsman mower start?

Common fixes:
Check fuel level & quality (old gas can clog the engine).
Inspect the spark plug (clean or replace if fouled).
Clean or replace the air filter.
Ensure the battery is charged (for electric-start models).

What is a PTO switch on a mower?

The Power Take-Off (PTO) switch engages the blades by transferring engine power to the cutting deck.

How do I manually move a Craftsman riding mower?

Locate the freewheel lever (usually near the rear axle).
Engage it to release the transmission and push the mower freely.

How do I sharpen my mower blade?

Remove the blade and sharpen at a 27–30° angle.
Balance the blade to prevent vibration damage.

Why does my electric Craftsman mower keep shutting off?

Possible causes:
Loose wiring or faulty power switch.
Overheating motor (let it cool before restarting).

Leave a comment

Your email address will not be published. Required fields are marked *