
Richmat HJC26C Ble Control box

Remark
- Up to 2 motors
- BLE control available
- Memory function
- Color: black
Dimension

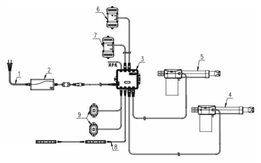
System configuration diagram

Remote control button silicone diagram

Remote control function description
| Button label | function | 
| 1 | ANTISORE (anti-screaming): Tap to run to the leisure position (there is an initial position). The customer cannot modify the location. | 
| 
 
 2 | ZG (Zero Gravity): Tap to run to zero gravity position. (With initial position) Multiplexing function: FLAT+ZG for about 3s, the backlight of the remote control flashes, the buzzer of the control box sounds “dididi”, and the current position is memorized as the ZG (zero gravity) position. The power is not cleared. Restore factory settings: FLAT+ back legs rise simultaneously for about 3s, the backlight of the remote control flashes, the buzzer of the control box sounds “di di di di”, and the memory of the previous motor position is cleared. | 
| 
 
 3 | LOUNGE (leisure): Tap to run to the leisure position. (With initial position) Multiplexing function: FLAT+LOUNGE for about 3s, the backlight of the remote control flashes, the buzzer of the control box sounds “di di di di”, and the current position is memorized as LOUNGE (leisure) position. The power is not cleared. Restore factory settings: FLAT+ back legs rise simultaneously for about 3s, the backlight of the remote control flashes, the buzzer of the control box sounds “di di di di”, and the memory of the previous motor position is cleared. | 
| 
 
 4 | M1 memory position: click to run to M1 position. (No initial value) Multiplexing function: FLAT+M1 for about 3s, the backlight of the remote control flashes, the buzzer of the control box sounds “dididi”, and the current position is memorized as the memory position of M1. The power is not cleared. Restore factory settings: FLAT+ back legs rise simultaneously for about 3s, the backlight of the remote control flashes, the buzzer of the control box sounds “di di di di”, and the memory of the previous motor position is cleared. | 
| 5 | The back and legs rise at the same time: Press the button, the back motor and the leg motor extend at the same time, release to stop. | 
| 6 | Back and legs down: press the button, the back motor and the leg motor retract at the same time, release it to stop. | 
| 7 | Press the button, the back motor extends, release it to stop. | 
| 8 | Press the button, the leg motor extends, release it to stop. | 
| 9 | Press the button, the back motor retracts, release it to stop. | 
| 10 | Press the button, the leg motor retracts, release it to stop. | 
| 11 | One-button reset: press the button, the massager is turned off, and the motor retracts to the FLAT position at the same time. (Not reset after power on) | 
| 
 
 12 | Short press the button: If the back massage motor is not activated, it will start the back massage motor and enter the first-level intensity “CONSTANT” mode. If the back massage motor is activated, the vibration intensity of the back massage motor will be increased, a total of eight intensities, if it is at the highest level Position, press the button again to turn off the massager. The default time is 15 minutes. Long press the button: every 1S, the intensity will increase by 1 level. | 
| 
 13 | Short press the button: If the leg massage motor is not activated, start the leg massage motor and enter the first-level intensity “CONSTANT” mode. If the leg massage motor is activated, the vibration intensity of the leg massage motor will be increased, a total of eight intensities. If in the highest gear, press the button again to turn off the massager. The default time is 15 minutes. Long press the button: every 1S, the intensity will increase by 1 level. | 
| 14 | The WAVE mode is: WAVE 1-WAVE 2-WAVE 3-WAVE 4-FULL BODY 1-FULL BODY 2-STOP cycle in turn; the initial intensity of WAVE is: 1 level; (default 15 min) | 
| 
 
 15 | The massager is turned off. The massager timing button is to set the working time of the massage motor to 10min, 20min, and 30min respectively, and cancel the timing (that is, restore the default time of 15min). The timing time is displayed by three indicator lights. The maximum timing time is 30min. If the massager is not working, it will directly time the next massage motor working time. If the working time is not set, the control box will be powered off and re-energized. The initial default time is 15min. | 
| 16 | Light switch under the bed. (Default 15min) | 
| 17 | Press the button, the flashlight turns on; release the button, the flashlight turns off. | 
| Coding method: Keep pressing the head-down and foot-down buttons (9, 10) until the backlight flashes to clear the remote control code matching information, and power on the control box again. The control box will be in the code matching state within 20s. Keep pressing the head up and down buttons of the remote control The backlight of the head down buttons (7, 9) flashes, and the buzzer sounds, indicating that the code matching is completed. | |
Caution:
This device complies with Part 15 of the FCC Rules. Operation is subject to the following two conditions
- (1) This device may not cause harmful interference
- (2) This device must accept any interference received, including interference that may cause undesired operation.
- Changes or modifications not expressly approved by the party responsible for compliance could void the user’s authority to operate the equipment.
- This equipment has been tested and found to comply with the limits for a Class B digital device, pursuant to part 15 of the FCC Rules. These limits are designed to provide reasonable protection against harmful interference in a residential installation. This equipment generates uses and can radiate radio frequency energy and, if not installed and used in accordance with the instructions, may cause harmful interference to radio communications. However, there is no guarantee that interference will not occur in a particular installation. If this equipment does cause harmful interference to radio or television reception, which can be determined by turning the equipment off and on, the user is encouraged to try to correct the interference by one or more of the following measures:- Reorient or relocate the receiving antenna.
- Increase the separation between the equipment and the receiver.
- Connect the equipment into an outlet on a circuit different from that to which the receiver is connected.
- Consult the dealer or an experienced radio/TV technician for help.
 
For more manuals by Richmat, visit ManualsLibraryy
Richmat HJC26C Ble Control box-FAQs
What should I do if my Richmat HJC26C BLE control box stops working?
Start by checking the power connection and resetting the device. Unplug, wait 30 seconds, then plug back in. Hold the reset button on the control box if necessary.
How do I sync the remote with my Richmat HJC26C BLE control box?
Press and hold the sync button on the control box, then press any button on the remote to re-establish the connection. This may take a few attempts.
Why won’t my Richmat adjustable bed respond to the remote?
Ensure the batteries in the remote are fresh, and try syncing the remote again. Check for interference if using other wireless devices.
Can I use my smartphone to control the Richmat HJC26C BLE control box?
While some models support Bluetooth connectivity, it depends on the specific setup. Check the user manual to confirm compatibility with mobile apps.
How can I reset the Richmat HJC26C BLE control box to factory settings?
Unplug the bed, hold the reset button, plug it back in while holding the button for 20 seconds, and then release. This process will restore factory settings.
What are the common issues with the Richmat HJC26C BLE motor and how can I fix them?
Motor issues can include loose connections or wear and tear. Tighten any loose screws and ensure all parts are properly connected. Contact support if you hear unusual noises.
Does the Richmat HJC26C BLE work with smart home integrations?
Although it has Bluetooth capability, full smart home integration is limited. Users have had mixed success with third-party devices like SwitchBot for remote control.
How do I troubleshoot if the Richmat control box is not lifting correctly?
Check the frame and bolts for any mechanical issues, and apply lubrication to moving parts if necessary. Regular maintenance can prevent these issues.
What is the range of the Bluetooth signal for the Richmat HJC26C BLE?
The range varies but typically covers a standard room size. Obstacles like walls and metal may reduce signal strength.
Can I upgrade my Richmat HJC26C BLE control box to support more advanced features?
Some users have upgraded with additional parts for greater compatibility with smart home devices, but this requires technical skills. Consult with the manufacturer or a technician before modifying the setup.
 
