
Roma Heating CT1000 Digital Touch Screen Thermostat

Roma WiFi Colour Touch Screen Thermostat
- The colour touch screen thermostat is designed for electric floor heating or water heating systems. Equipped with the latest 4.3-inch colour touch LCD, the thermostat can be easily operated and understood. The thermostat is fully programmable to automate your heating, can be used in a simple manual mode or controlled remotely on a phone or tablet using the Smart Life APP.
- With five modes, these instructions will explain how to set your system to work in accordance with your lifestyle. This is done by pre-setting your preferred temperatures into the 7-day easy programmable function.
- Simple regulation with advanced programming sends commands to the heating system according to a pre-selected temperature variation. The thermostat control algorithm also includes an anticipation function, which reduces the discrepancy between the thermostat reading and the temperature at the centre of the room. This helps save energy and make for a more even and comfortable room temperature.
- Choose from multiple sensor settings: Air temperature, Floor temperature, and ambient (a combination of both air and floor sensors working together). Air temp is controlled through the built-in air temperature sensor, and the floor is controlled via the included external floor probe.
Thermostat Features
- Advanced 4.3-inch Colour Touch Screen Operation
- Adjustable Screen Brightness For On And Sleep Modes
- Electric Heating System ( Max. 16A) or Water Heating System (Max. 3A)
- WiFi control with Smart Life APP.
- Adjustable Comfort Mode, Economy Mode, Party Mode, Holiday Mode, and Automatic Programme Mode Control
- 7 Days Programmable settings
- External and Internal Sensors
- Clock and Day Display
- Temperature Calibration
- Temperature Protection
- Fits Standard 1G Deep Back Box
Technical Data
- Voltage: 230V, 50/60Hz
- Load: (16A Max)
- Temp.Setting Range: 5 – 45 °C
- Ambient: 0 – 50°c
- Sensor: NTCIOK. 3950ohms at 25°c
- Accuracy: – 0.5 °c
- Protection Class: IP30

Screen and Display
Home Screen

- ON/OFF: Use to turn the thermostat on/off
- Mode Button: Use to select working mode
- Menu Button: Use to select menu settings
- Down Button: Down button
- Up Button: Up button
- Wi-Fi: Wi-Fi connect button
- Unregulated Temp: Shows 2nd temp not being regulated
- Regulated Temp: Shows primary temp being regulated
- Set Temp: Shows set temp (Range 5-45°C)
- Selected Mode: Show current working mode
- Time/Day: Current time & day of week
- Floor heating up: when the power is going to the heating
Menu Screen
- Out Of Limit Warning: On if floor temp over protection limit
- Lock On: when the screen is locked
- Wi-Fi Button: Use to set up Wi-Fi & Connect to the app
- Date & Time: Set Weekday and Time
- My Schedule: Set up automated heating schedule
- Pre-Set Modes: Set 4 x Pre-set working temps/modes
- Language: Select language (EL Units Only)
- Hi/Low Protection: Set Max/Min Floor Temperatures
Mode Screen

My Schedule Setting
The schedule can be set up directly on the thermostat using the touch screen (see below) or remotely using WI-FI and the Smartlife APP. Please follow the on-screen instructions when using the APP.

Press the Menu button, then press
You can then review your automated schedule. Touch any column to select it and make changes where necessary, or press >> bottom right to move on to the next 3 days.

To make changes to a selected column, use the green
on the left to select different zones for that day/column. Once the desired time zone is selected, use the green
on the right-hand side to set the time and temperature for the selected zone.
The time for each zone should be set in consecutive times throughout the day, i.e., 7 am – 8 am – 9 am – 2.30 pm, etc. The time must not skip forward, then backward, as you work down the time zones for each column. Once you have made changes, press ‘APPLY’ to save changes. Then click cancel, go back, and select another day/column or cancel again to bring up the home screen. Once set, the time and temperature in each zone will be held by the thermostat until the next time zone starts.
NOTE:
Must be selected for the thermostat to run the auto schedule.
Edit Date and Time

Press the Menu button, then press
. You can now edit the date & time with
buttons. Once set, simply press” APPLY” to save the changes.
Pre-set Mode Temperatures

Press the Menu button, then press
. You can now pre-set the 4 different mode temperatures.
= Comfort,
= Holiday,
= Party,
= Economy. By pre-setting the temperature of each mode, they can be selected quickly and easily. The thermostat will then hold the setting until another mode or temperature is set.
Max/Min Temp Protection

Press Menu and then press
. You can now set your maximum and minimum floor temperatures. These limits will turn the heating on or off should the floor probe temperature exceed these settings. NOTE: Only Low Protection will show if only an air or a floor sensor is being used. Both Air and Floor sensors need to be in operation for High Protection to show and be editable. Also, these settings should be used in conjunction with “Set Point Max” and “Set Point Min” settings; see settings page 1 for more information on these settings.
Settings Pages
Depending upon how you use your thermostat and the type of heating system installed, you may need to adjust the internal default settings on this thermostat. To access these settings,
- Make sure the unit is in the ON position.
- Press OFF in the bottom right-hand corner.
- Confirm by pressing OK in the centre of the screen.
- Within 2 seconds, press and hold on Time/Day, the top left-hand corner of the screen for 5 seconds. NOTE: You need to press and hold on the very top of the screen where Time and Day are.
Settings Page 1.

Temperature Offset/Calibration.
This allows the temperature to be calibrated, should the temperature displayed on the screen not be true to the actual air/floor temperature.
Dead Zone. This is the number of degrees above & below the set. The regulated temperature will be permitted to go before turning the heating off or on to keep the regulated temperature within these limits. We suggest setting this to 1.5, especially in quiet areas.
Set Point Max/Min (Also see MENU setting
). These are the Maximum & Minimum temperatures the thermostat can be set to.
NOTE: A yellow triangle will appear on screen if the regulated temperature on screen ever passes these set points.
Settings Page 2, NTC Select.

This setting allows the user to select between air, floor, or a combination of air & floor sensors.
- I = Internal Air Sensor Temp.
- E = External Floor Probe Temp.
- I&E = The thermostat will only regulate air temperature, but will show all 3 temperatures. If, however, the floor temp exceeds the high or low temperature protection settings, the heating will turn off or on until the floor temperature no longer exceeds these settings. During this time, a Yellow warning triangle will appear on screen.
- IorE = Only the floor temperature will be regulated and shown along with the set temp. If, however, the air temp drops below the Low Protection setting,, then the heating will turn on.
Setting Page 3: EL Units Only
Settings Page 4, Backlighting.

Backlight Time. This is the time the screen is fully illuminated before turning down in brightness. Backlight Min. is the % of maximum brightness the screen will show when not in use. Backlight Max is the % of maximum brightness the screen will show when in use. Backlight On/Off. Backlight can be set to full off when the screen is not in use.
NOTE: A low backlight or full off is best for bedrooms.
Settings Page 5, Relay.
- Relay Out Delay. The time in seconds delay between switching the heating on or off once the temp reaches or falls below the set temp.
- Relay Out. This changes the switching of the relay between normal & inverted. Electric heating should be run on Normal. When controlling water systems, please refer to the system’s specifications for clarification.
Settings Page 6, Lock.

Auto Lock. Set to enable the lock screen to automatically lock after 60 seconds of screen inactivity to prevent unwanted setting changes or tampering. To unlock the screen, touch any button once and then within 2 seconds press and hold the Time / Day on the top left-hand corner for 10 seconds, (hold VERY top of screen on Time / Day). The lock will then deactivate for a short period of time before relocking. Delay Time.
Settings Page 7, Restore.

Restore to factory defaults. This allows the user to reset the unit to the original default settings.
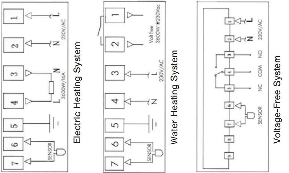
Wiring Diagrams

Installation
Using a medium-sized flat screwdriver, carefully insert it into the slots at the bottom of the thermostat and twist gently to open (See fig 1). Connect the heating, power supply, and floor probe cables to the correct terminals tightly (See Wiring/Fig 2). Once wired, fix the back plate to the wall securely through screw locations (See fig 3).

Wi-Fi Connection
Please note we are always looking to improve this thermostat and APP. To do this, we make regular updates to the APP and thermostat firmware. These instructions are a guide. For the very latest instructions, please always refer to our website and check for updated versions.

- Download the Smart Life APP from the IOS or Android Store. Create a unique account and password.

- Open Smart Life APP and on the home screen, press on the highlighted blue “+” and then, “Add Device”.

- On the next screen, please select “Small Home Appliances” on the left side of the screen and then scroll down the list of appliances on the right and select “Thermostat (Wi-fi)”.

- Select your Wi-Fi network and enter the Password for this selected network.
Note: Your phone should also be connected to the same Wi-Fi network, and the router must be set to transmit on 2.4Ghz (NOT 5Ghz).
Press Next.
- 5A: To get the thermostat ready to pair to the device/APP, press the Wi-Fi symbol
at the top of the screen (highlighted right).
- 5B: Thermostat screen will now have two Wi-Fi symbols in the bottom right-hand corner. Press on the Wi-Fi symbol with the hand symbol (NOT the symbol with AP letters, see right). The screen will say, “Wi-Fi Configure Confirm Starting.” Click “OK ” to continue.

- 5C: The thermostat is now ready to be paired to your phone/APP and will display “Waiting For Connection”. You now need to finish the app setup on your phone. Once the APP setup is completed, the thermostat screen will correctly change to say “Connected”.

- 5B: Thermostat screen will now have two Wi-Fi symbols in the bottom right-hand corner. Press on the Wi-Fi symbol with the hand symbol (NOT the symbol with AP letters, see right). The screen will say, “Wi-Fi Configure Confirm Starting.” Click “OK ” to continue.
- 6A: On the APP, it may ask to reset the thermostat. This is not required, so simply click “Next”.

- 6B: The APP will now show two blink options. Select “Blink Quickly”.

- 6B: The APP will now show two blink options. Select “Blink Quickly”.
- 7A: The APP will now try to connect. Once the device is found, click “Add”.

- 7B: The APP will now pair with the thermostat. Once paired, the APP will display “Added Successfully”. Click “Next” and then click “Done”.
Note that if the thermostat says “Connected” the screen on the APP may timeout, but the APP has in fact connected. Go to the APP home screen and check for the thermostat.
- 7B: The APP will now pair with the thermostat. Once paired, the APP will display “Added Successfully”. Click “Next” and then click “Done”.
- The thermostat screen should now say “Connected”. To revert to the home screen, simply press “Cancel”. Wi-Fi setup is now complete.
- Important.
You can connect additional phones to the thermostat, but you must send each phone an invite from the primary phone (1st phone connected). This is done within the APP. If you connect a 2nd phone directly to the thermostat, it will become the primary phone and disconnect the previous phone.
- Cannot connect/Alternative connection methods.
- Make sure your Wi-Fi band is set to 2.4Ghz and the thermostat is located in a solid & strong signal area.
- Make sure your phone is connected to the same Wi-Fi as the thermostat will be, and you are using the correct Wi-Fi password.
- If you are still unable to connect, please visit our website and download the latest instructions.
- Also, try the AP/EZ connection instructions for this thermostat that can be found on the more comprehensive website instructions.

For more manuals by Roma Heating, visit ManualsLibraryy
Roma Heating CT1000 Digital Youch Screen Thermostat-FAQs
How do I set the temperature on the Roma Heating CT1000 thermostat?
To set the temperature, tap the touchscreen to wake the display, then use the up and down arrows to adjust your desired temperature. Make sure the system is in heating mode before setting. The thermostat will automatically maintain the selected temperature once configured.
How do I use the touchscreen controls on this thermostat?
The touchscreen works with simple taps and swipes. Tap the screen to activate it, then navigate through menus using icons. You can adjust temperature, switch modes, and access settings easily. Always ensure your fingers are clean and dry for smooth responsiveness.
How do I switch the thermostat to heating mode?
Access the main menu and look for the mode or system option. Select “Heat” to activate heating mode. Once enabled, adjust the temperature above the current room temperature to start heating. The system will automatically turn on when heat is required.
Can I control the thermostat remotely from my phone?
This depends on your installation setup. If the thermostat is connected to a compatible smart system or Wi-Fi module, you may control it through a mobile app. Otherwise, it functions as a standalone device and must be adjusted directly from the touchscreen.
Is the CT1000 suitable for underfloor heating systems?
Yes, the CT1000 is often compatible with electric underfloor heating systems, but compatibility depends on wiring and system type. It’s important to check specifications or consult an electrician to ensure proper installation and safe operation with your heating setup.
How can I check if the thermostat is working properly?
Turn the thermostat to heating mode and increase the temperature above room level. If the heating system starts, it is working correctly. If nothing happens, check power supply, wiring, or settings. A professional inspection may be needed for persistent issues.
How do I reset the Roma Heating CT1000 thermostat?
To reset the thermostat, open the settings menu and look for a reset or reboot option. Confirm the action to restore default settings. Resetting can fix minor glitches but will erase custom settings, so you may need to reconfigure your preferences afterward.
Will the thermostat work without Wi-Fi or internet?
Yes, the thermostat can operate normally without Wi-Fi. You can still control temperature and modes manually using the touchscreen. However, remote access and smart features (if available) will not function without an internet connection.
What are common issues with touchscreen thermostats and how to fix them?
Common issues include unresponsive screens, incorrect temperature readings, or system delays. Try cleaning the screen, restarting the device, or checking power connections. If the problem continues, inspect wiring or consult a technician for proper diagnosis and repair.
What is the recommended temperature setting for efficient heating?
For comfort and energy efficiency, a temperature between 18°C and 21°C is generally recommended. Lower settings can save energy while maintaining comfort. Adjust based on room usage, weather, and personal preference for the best balance between warmth and efficiency.












