
Aqara T1 Single Switch Module-with Neutral

Product Introduction
Aqara Single Switch Module T1 (With Neutral) is a relay control module based on Zigbee 3.0 wireless communication protocol, which can control the on/off status of the light, fan, and other devices. With the Aqara Hub, it can realize remote control through the app, timing control, power detection, power consumption statistics, etc., and can match other smart devices to realize more smart scenes.
- This device requires a compatible Zigbee 3.0 hub.
- To work with HomeKit, a specific hub is required. Visit www.aqara.com/support for more details.
- This product is for indoor use only.

- Single Press: Turn on/off
- Long Press for 8s: Reset/Connect to Network
- Triple Press: Effective Range Test
When the external switch is connected, please turn it on and off 5 times, and then it will enter the networking status.
Warnings
- Do not cover it when the device is working.
- Make sure that the main switch of the power supply is off before removing the device.
- Do not connect in series.
- This product is NOT a toy. Please keep children away from this product.
- This product is designed for indoor use only.
- Do NOT use in humid environments or outdoors.
- Beware of moisture; do NOT spill water or other liquids onto the product.
- Do NOT place this product near a heat source. Do NOT place it in an enclosure unless there is normal ventilation. Do NOT attempt to repair this product by yourself. All repairs should be performed by an authorized professional.
- This product is only suitable for improving the quality of your home life and reminding you about the device status. If a user violates the product use instructions, the manufacturer will NOT be liable for any risks and property losses.
Installation
Please make sure that the main switch of the power supply is off before installation!
After the device powers on, all the conductors (including the antenna) of the device may be connected to strong electricity. Please make sure that the product is firmly installed in a protective environment that cannot be reached by hand, such as the switch panel and protective cover of the bulb.
Please do not overload it. Please make sure that the 10A over-current protection circuit breaker on the front end of this product works normally before it powers on.
Recommended stripping length for terminal wiring: 6~8 mm.
- According to the requirements, please connect the wires through any of the following methods;
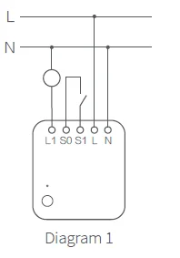
Method 1: L1 is connected to the load wire. S0 and S1 are connected to the two ends of the external switch, respectively. L is connected to the live wire, and N is connected to the neutral wire (Diagram 1)
Method 2: L1 is connected to the load wire. One end of the external switch is connected to S0, and the other end is connected to the live wire. L is connected to the live wire, and N is connected to the neutral wire (Diagram 2). If the external switch is a dual-control switch, the end of the original switch, which is connected to the load wire, can be connected to S0 to realize an external dual control
(Diagram 3).
- The maximum cross-sectional area of the conductor is 2.5mm².
- If no external switch is connected, S0 and S1 can be left in idle, and the device can be controlled by automation or the app.
- The single switch module is fixedly embedded in the device (such as the pendant lamp and the switch plate) to avoid the danger of accidental touch;
- Paste the fixed antenna;
- The inner conductor of the antenna is connected to strong electricity. Please do not put it in an environment that could be touched in your daily life; if it is damaged, please do not touch it, and replace or repair it in time.
- When the control module is installed in the switch panel, it is recommended to paste the antenna on the side wall of the plastic partition and keep it parallel to the wall; if the switch panel bracket is made of plastic, it is recommended that the antenna be no more than 10mm away from the wall; if the switch panel bracket is made of metal, it is recommended that the antenna be more than 15mm away from the wall (metal bracket).
- If it is installed in a metal panel, it is recommended to paste the antenna inside the plastic switch panel, but sufficient space is required for the panel.
- The pasting position should try to avoid the metal, wire, and module itself; if it is installed on the ceiling or inside the lights, the antenna should avoid too much shielding.
- Please do not squeeze, bend, or pull the antenna with force; otherwise, the antenna may be damaged.
- Turn on the main power switch, and press the button on the module or on the external switch. If you can turn on/off the device normally, this indicates that it works normally.
Quick Setup
- Before activating the accessory, please make sure you have the Aqara Home app downloaded and the Aqara hub installed.
- Please open the app, tap “Home”, and then tap “+” in the top right corner to enter the “Add Device (Accessory)” page. Select “Single Switch Module T1 (With Neutral)”, and add it according to instructions.
If the connection fails, please move the accessory closer to the Hub and try again.
Effective Range Test: Quickly press the push button on the accessory 3 times. If the Hub makes voice prompts, it indicates that the accessory can communicate effectively with the Hub.
Indicator Light Description
Specifications
- Model: SSM-U01
- Dimensions: 42.9 × 40 × 19.9 mm( 1.69 × 1.57 × 0.84 in.)
- Wireless Protocol: Zigbee 3.0
- Electrical Rating: 100-250VAC, Max.10A,50/60Hz,Max 2500W(Resistive Load), μ
- Operating Temperature: 0 – 35°C(32°F – 95°F)
- Zigbee Operation Frequency: 2405-2480 MHz
- Zigbee Maximum Output Power ≤ 13 dBm
- Online Customer Service: www.aqara.com/support
- Manufacturer: Lumi United Technology Co., Ltd.
- Address: 8th Floor, JinQi Wisdom Valley, No.1 Tangling Road, Liuxian Ave, Taoyuan Residential District, Nanshan District, Shenzhen, China.
Under normal use conditions, this equipment should be kept at a separation distance of at least 20cm between the antenna and the body of the user.
For more Manuals by Aqara, visit ManualsLibraryy
Aqara T1 Single Switch Module-with Neutral-FAQs
How do I pair my Aqara Single Switch Module T1?
To pair the Aqara T1, press and hold its button for about 8 seconds until the indicator blinks, entering pairing mode. You can also turn the connected external switch on and off five times quickly to start pairing. Keep it in this state for about 30 seconds until pairing completes.
How do I reset the Aqara Single Switch Module T1?
Press and hold the button on the device for 8 seconds until the indicator light flashes, or toggle the external switch on and off five times to enter reset mode. This will restore the device to its factory settings.
Does the Aqara T1 Single Switch Module require a hub?
Yes. The module needs an Aqara Hub to function properly. The hub acts as a bridge between your switch and your smart home network, enabling remote control and automation.
What wireless protocol does the Aqara T1 use?
The Aqara T1 uses the Zigbee 3.0 protocol. This ensures fast, stable, and energy-efficient communication between your Aqara devices and the hub.
What is the difference between the Aqara Mini Switch and the T1 version?
The Aqara T1 supports OTA (Over-the-Air) firmware updates, offering improved stability and new features over the original Mini Switch. The Mini Switch is wireless, while the T1 is designed for in-wall installation with direct wiring.
Does the Aqara T1 work with Wi-Fi?
The T1 itself does not use Wi-Fi directly. It connects through Zigbee to an Aqara Hub, which can then be controlled via Wi-Fi using the Aqara Home app or compatible smart home platforms.
Is the Aqara T1 compatible with other smart home systems?
Yes. The Aqara T1 works with major ecosystems such as Apple HomeKit, Amazon Alexa, Google Home, and Matter (via supported hubs), allowing flexible integration with other smart devices.
How do I use the Aqara Single Switch Module T1?
Once paired, you can use the connected physical switch or the Aqara Home app to turn your lights or appliances on/off. You can also automate functions, set schedules, and control the device remotely through your smartphone.


