
Breckwell Big E Pellet Stove

SAFETY PRECAUTIONS
- Do not operate the stove if you smell smoke coming from it.
- Turn it off, monitor it, and call your dealer.
- Never use gasoline, gasoline-type lantern fuel, kerosene, charcoal lighter fluid, or similar liquids to start or “freshen up” a fire in this heater. Keep all such liquids well away from the stove while in use.
- Never block free airflow through the open vents of the stove.
- Keep foreign objects out of the hopper.
- The stove will not operate during a power outage. If an outage does occur, check the stove for smoke spillage and open a window if any smoke spills into the room.
- Disconnect the power cord before performing any maintenance or repairs on the stove.
NOTE: Turning the stove “off” does not disconnect all power from the stove. - During the start-up period, 1) DO NOT open the viewing door, 2) DO NOT open the damper more than 1/4,” 3)
- DO NOT add pellets to the burnpot by hand. 4) DO NOT use the Fuel Feed button (unless you are priming the auger after running out of pellets) as a dangerous condition could result.
- Do not unplug the stove if you suspect a malfunction.
- Turn the stove off, periodically inspect it, and call your dealer.
- Contact your local building officials to obtain a permit and information on any installation restrictions or inspection requirements in your area. Notify your insurance company of this stove, as well.
- This unit must be properly installed to prevent the possibility of a house fire. The instructions must be strictly adhered to. Do not use makeshift methods or compromise in the installation.
- Your stove requires periodic maintenance and cleaning.
- Failure to maintain your stove may lead to smoke spillage.
- This stove must be connected to a standard 120V, 60Hz grounded electrical outlet. Do not use an adapter plug or sever the grounding plug. Do not route the electrical cord underneath, in front of, or over the stove.
- The exhaust system should be checked, at a minimum, at least twice a year for any build up of soot or creosote.
- Never try to repair or replace any part of the stove unless instructions are given in this manual. All other work should be done by a trained technician.
- Do not throw this manual away. This manual has important operating and maintenance instructions that you will need at a later time. Always follow the instructions in this manual.
- Do not place clothing or other flammable items on or near the stove.
- The viewing door must be closed and latched during operation.
- Do not operate the stove if the flame becomes dark and sooty or if the burnpot overfills with pellets. Turn the stove off, periodically inspect it, and call your dealer.
- Hot while in operation. Keep children, clothing, and furniture away. Contact may cause skin burns. Educate all children about the danger of a high-temperature stove. Young children should be supervised when they are in the same room as the stove.
- Do not use abrasive cleaners and NEVER clean the heater when hot.
- If the stove is installed in a room without air conditioning or in an area where direct sunlight can shine on the unit, this could possibly cause the temperature of the stove to rise to operational levels. One of the sensors could, then, make the stove start on its own. It is recommended that the stove be unplugged when not in use for extended amounts of time (i.e., during summer months.)
- The exhaust system must be completely airtight and properly installed. The pellet vent joints must be sealed with RTV 500°F (260 °C) silicone sealant and with UL-181-AP foil tape.
- Allow the stove to cool before carrying out any maintenance or cleaning. Ashes must be disposed in a steel container with a tight lid and placed on a non-combustible surface well away from the home structure.
- This stove is designed and approved for pelletized wood fuel only. Any other type of fuel burned in this heater will void the warranty and safety listing.
- When installed in a mobile home, the stove must be bolted to the floor, have outside air, and NOT BE INSTALLED IN A BEDROOM (Per HUD requirements). Check with local building officials.
INSTALLATION
SPECIFICATIONS
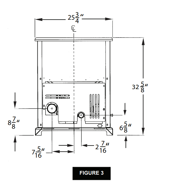
- Width: 25 3/4”
- Height: 32 5/8”
- Depth: 23 7/8”
- Weight: 275 lbs.
- Flue Size: 3” or 4”
- Hopper Capacity: Up to 140 lbs. (This can vary widely depending on pellet size, length, and diameter.)
- EPA status: exempt
- Burn Time: 1lb to 5.5 lbs. per hour
- BTU range: 8,200 to 55,000
- Approved installations: mobile home, conventional
PREPARATION
Factory packaging must be removed, and some minor assembly work is required before installation. Access to the rear of the stove is necessary.
NOTE: Normally, your dealer will perform these functions.
CLEARANCES
The Big E has been tested and listed for installation in residential and mobile homes.
FLOOR PROTECTION: Freestanding installations, minimum 30” wide by 32” deep. The stove must be placed on a continuous (grouted joints) noncombustible material such as ceramic tile, cement board, brick, 3/8” millboard or equivalent, or other approved or listed material suited for floor protection. THE MATERIAL(S) USED MUST HAVE, OR COMBINE
TO HAVE A MINIMUM INSULATIVE RATING OF ‘R1.’
NOTE: ceramic tile, or any tile, requires a continuous sheet beneath to prevent the possibility of embers falling through to the combustible if cracks or separation should occur in the finished surface. This would include floor protection for Built-in raised hearths. Check local codes for approved alternatives. Clearances are measured from the sides, back and face (door opening) or stove body (refer to Fig. 2). Clearances may only be reduced by means approved by the regulatory authority having jurisdiction.
DO NOT USE MAKESHIFT MATERIALS OR COMPROMISES IN THE INSTALLATION OF THIS UNIT. INSTALL VENT AT CLEARANCES SPECIFIED BY THE VENT MANUFACTURER.
CAUTION: DO NOT CONNECT TO OR USE IN CONJUNCTION WITH ANY AIR DISTRIBUTION DUCTWORK UNLESS SPECIFICALLY APPROVED FOR SUCH INSTALLATIONS.
COMBUSTION AIR SUPPLY
For a mobile home installation, the stove must be connected to an outside source of combustion air. A 2” inside diameter metallic pipe, either flexible or rigid, may be attached to the inlet at the stove’s rear (refer to Figure 3). A rodent guard (minimum 1/4” wire mesh) wind hood must be used at the terminus (refer to Figure 4). All connections must be secured and airtight by either using the appropriately sized hose clamp and/or UL-181- AP foil tape. For mobile home installations only: 2” inside diameter pipe may be used for the first 5 feet of combustion air supply run. From 5 to 10 feet, use 2 3/4” inside diameter pipe. No combustion air supply may exceed 10 feet. Sources of Outside Combustion Air
- In the fire replaces
- Chimney top.
- Ash clean out the door.
- For freestanding installations
- A hole in the floor near the stove rear, terminating only a ventilated crawl space.
- A hole in the wall behind the stove.


WHEN OUTSIDE AIR IS NOT USED
If outside air is not used, combustion air must be easily available to the air inlet. A closeable outside air register. It can be used in tightly insulated homes.
VENTING
The Big E is certified for use with listed TYPE L-Vent, 3” or 4” diameter in size. The stove was tested with the Simpson Duravent brand. Class “A” chimney is not required. Refer to the instructions provided by the vent manufacturer, especially when passing through a wall, ceiling or roof. This is a pressurized exhaust system. All vent connector joints must be sealed with 500°F (260 °C) RTV silicone sealant to ensure consistent performance and avoid smoke spillage. All horizontal connector joints must be sealed with UL-181-AP foil tape. All vertical vent connector joints are required to be secured with a minimum of 3 screws.
DO NOT CONNECT THIS UNIT TO A CHIMNEY FLUE SERVING ANOTHER APPLIANCE. DO NOT INSTALL A FLUE DAMPER IN THE EXHAUST VENTING SYSTEM OF THIS UNIT. INSTALL VENT AT CLEARANCES SPECIFIED BY THE
VENT MANUFACTURER.
The chimney connector shall not pass through an attic or roof space, closet, or similar concealed space, or a floor or ceiling. Where passage through a wall, or a partition of combustible construction, is desired, the installation shall conform to CAN/CSA-B365, Installation Code for Solid-Fuel-Burning Appliances and Equipment.
Equivalent Vent Length (EVL)
The longer the run of pipe in your installation, the more restrictions there is in the system. Therefore, larger diameter pipe should be used.
- Use 4” pipe if you have more than 15 feet of equivalent vent length.
- Horizontal runs shall not exceed 10’ of EVL
- Recommended vertical runs to be a minimum of 8’. To calculate EVL, use the following conversions:
90° elbow or “T” = 5 equivalent feet
45° elbow = 3 equivalent feet
Horizontal Pipe Run = 1 equivalent foot per actual foot
Vertical Pipe Run = 0.5 equivalent foot per actual foot
NOTE: At altitudes above 3,000 feet, we suggest the use of 4” diameter vent at an EVL of 7 feet or more.
BIG E INSTALLATION
A. HORIZONTALLY THROUGH WALL (refer to Figure 5)
NOTE: Follow the L-Vent chimney manufacturer’s instructions.
- Position the stove, adhering to the clearances shown in Figure 1.
- Locate the position of the hole in the wall, directly behind the stove exhaust vent (refer to Figure 3).
- Always maintain 3” clearance from combustible materials.
- Install L-Vent wall thimble per L-Vent manufacturer’s instructions.
- Attach enough piping to penetrate and extend at least 6” beyond exterior walls. An 8-foot vertical pipe run is suggested, where possible, to reduce the possibility of smoke spillage in the event of a loss of negative pressure.
- Attach cap and seal outside wall thimbles with nonhardening waterproof mastic.
- Terminations should not be located so that hot exhaust gases can ignite trees, shrubs, or grass or be a hazard to children. Exhaust gases can reach temperatures of 500°F and cause serious burns if touched.

B. VERTICALLY WITH NEW CHIMNEY SYSTEM (Refer to Figure 6)
NOTE: Follow the L-Vent chimney manufacturer’s instructions.
OPTION: To achieve a center vertical installation, a 45 ° elbow and a clean-out tee can be used to offset the pipe from the exhaust outlet to the rear center of the stove.
OPTION: Install L-Vent elbow in place of clean-out tee. Locate the stove. Drop the plumb bob to the center of the tee outlet, mark a point on the ceiling. Install ceiling support and L-Vent pipe per L-Vent manufacturer’s instructions.
- Always maintain 3” clearance from combustible materials. When passing through additional floors or ceilings, always install a firestop spacer.
- After lining up for a hole in the roof, cut either a round or square hole in the roof, always 3” larger around the pipe. Install the upper edge and sides of flashing under roofing materials, and nail to the roof along the upper edge. Do not nail the lower edge. Seal nail heads with non-hardening waterproof mastic.
- Apply non-hardening, waterproof mastic where the storm collar will meet the vent and flashing. Slide the storm collar down until it sits on the flashing. Seal and install the cap. Mobile home installations must use a spark arrester.

C. VERTICALLY INTO EXISTING CHIMNEY SYSTEM
Adapters are available to adapt from 3” L-Vent to 6” or 8” Class-A chimney. (Figure 7) As an alternative, 3” or 4” L-Vent can be run inside an existing chimney to termination. (Figure 8) This is the preferred method. Follow guidelines for equivalent vent length.
D. VERTICALLY INTO EXISTING MASONRY FIREPLACE
NOTE: Follow the L-Vent chimney manufacturer’s instructions.
- Have the masonry chimney inspected by a qualified chimney sweep or installer to determine its structural condition.
- You will need a pipe length equal to the chimney height from the hearth. If outside combustion air is to be used, you will need a pipe length equal to the chimney height plus 18 inches.
- Install a blanking plate and the chimney pipe, and if used, the outside air pipe, as shown in Figure 9
- Attach the L-Vent adapter, a section of pipe, and a clean-out tee, making sure the clean-out tee is centered in the chimney flue area. Use RTV, metallic tape, and a minimum of three self-taping screw at all joint connections to ensure a tight seal.
- Position the stove, adhering to the clearances in Figure 1.
- Measure and build the chimney top plate. Cut out holes for the chimney pipe, and if used, the outside air pipe. Install and seal with non-hardening mastic to prevent water leakage. Install vent cap.

OPERATION
SPECIAL MOBILE HOME REQUIREMENTS
WARNING: DO NOT INSTALL IN A SLEEPING ROOM.
NOTE: Installation should be per the Manufactured Home and Safety Standard (HUD), CFR 3200, Part 24. For installation in a mobile home, an outside source of combustion air must be used. (See “COMBUSTION AIR SUPPLY”). The Breckwell Big E must be grounded to the steel chassis with 8 Ga. copper wire using a serrated or star washer to penetrate paint or protection coating to ensure grounding. The Breckwell Big E must be securely fastened to the floor of the mobile home through the two holes in the rear of the stove using 2 1/4” lag bolts that are long enough to go through both a hearth pad, if used, and the floor of the home. (See figure 11) Refer to “VENTING” for proper exhaust configurations.
CAUTION: THE STRUCTURAL INTEGRITY OF THE MANUFACTURED HOME FLOOR, WALL, AND CEILING/ROOF MUST BE MAINTAINED.
When installing in a mobile home, ensure that the vapor barrier is at the location where the chimney or other component
penetrates to the exterior of the structure. Never operate the fire doors open. A smoke detector should be installed in the room where the heater is installed. The smoke detector should be installed at least 10 feet away from the heater to prevent accidentally setting the detector off.
PANEL CONTROLS (See Figure 12)
The blowers and automatic fuel supply are controlled from a panel on the left-hand side of the BIG E. The control panel functions are a follows.
- ON/OFF SWITCH
- When pushed, the stove will automatically ignite. No other fire starter is necessary. The igniter will stay on for at least 10 and up to 15 minutes, depending on when Proof of Fire is reached. The fire should start in about 5 minutes.
- The green light located above the ON/OFF button (in the ON/OFF box) will flash during the ignition start-up period. (See Figure 12)
- The Heat Level Advance is inoperable during the ignition start-up period. When the green light continuously stays on, the Heat Level Advance can be adjusted to achieve the desired heat output.
NOTE: If the stove has been shut off, and you want to restart it while it is still warm, the “On/Off” button must be held down for 2 seconds.
- FUEL FEED SWITCH
- When the “Fuel Feed” button is pushed and held down, the stove will feed pellets continuously into the burnpot.
- While the stove’s auger system is feeding pellets, the green light (in the “Fuel Feed” box) will be on. (See Figure 12)
CAUTION: DO NOT USE THIS CONTROL DURING NORMAL OPERATION BECAUSE IT COULD SMOTHER THE FIRE AND LEAD TO A DANGEROUS SITUATION.
- HIGH FAN SWITCH
- The room air fan speed varies directly with the feed rate. The “High Fan” switch overrides this variable speed function. It will set the room air blower speed to high at any feed rate setting.
- When the “High Fan” button is pushed, the room air fan will switch to its highest setting.
- When this button is pushed again, the room air fan will return to its original setting based on the Heat Level Advance setting.
RESET TRIM
Different sizes and quality pellet fuel may require adjustment of the “1” feed setting on the Heat Level Advance bar graph. This is usually a one-time adjustment based on the fuel you are using. The “Reset Trim” button, when adjusted, will allow for 3 different feed rate settings for the #1 feed setting only. To adjust, simply push the “Reset Trim” button while the stove is operating at setting “1” and watch the bar graph. When the “1” & “3” lights are illuminated on the bar graph, the low feed rate is at its “lowest” setting. (approx. 0.9 pounds per hour) When the “1” light is illuminated on the bar graph, the low feed rate is at its “normal” setting. When the “1” & “4” lights are illuminated on the bar graph, the low feed rate is at its “highest” setting.
NOTE: When the stove is set on “,1” the “Reset Trim” values will be shown in the Heat Level Advance bar graph.
For example, if the “Reset Trim” is set to its lowest setting every time the stove is set to low, the “1” and “3” lights will be illuminated on the bar graph.
- HEAT LEVEL ADVANCE
- This button, when pushed, will set the pellet feed rate, hence the heat output of your stove. The levels of heat output will incrementally change on the bar graph starting from level “1” to “5.”
NOTE: When dropping 3 or more heat level settings (4 to 1, or 5 to 2 or 1), push the “High Fan” button and allow the room air fan to run at that setting for at least 5 minutes to prevent the stove from tripping the high temp thermodisc. If the high temp thermodisc does trip, see “SAFETY FEATURES.”
CAUTION: THE “5” SETTING IS DESIGNED FOR TEMPORARY USE ONLY. IF USED FOR EXTENDED PERIODS, IT CAN SHORTEN THE LIFE EXPECTANCY OF THE UNITS’ COMPONENTS. AVOID USE AT THIS SETTING FOR MORE THAN ONE OR TWO HOURS AT A TIME.
- This button, when pushed, will set the pellet feed rate, hence the heat output of your stove. The levels of heat output will incrementally change on the bar graph starting from level “1” to “5.”
MAINTENANCE
FAILURE TO CLEAN AND MAINTAIN THIS UNIT AS INDICATED CAN RESULT IN POOR PERFORMANCE AND SAFETY HAZARDS. NEVER CLEAN WHEN HOT.
NOTE: Inspect the burn pot periodically to see that holes have not become plugged; if so, clean thoroughly.
ASH REMOVAL
Disposal Of Ashes – Ashes Should Be Placed In A Metal Container With A Tight-Fitting Lid. The Closed Container Of Ashes Should Be Placed On A Noncombustible Floor Or On The Ground, Well Away From All Combustible Materials, Pending Final Disposal. If The Ashes Are Disposed Of By Burial In Soil Or Otherwise Locally Dispersed, They Should Be Retained In The Closed Container Until All Cinders Have Been Thoroughly Cooled. Soot and flyash: Formation and Need for Removal – The products of combustion will contain small particles of flyash. The fly ash will collect in the exhaust venting system and restrict the flow of the flue gases. Incomplete combustion, such as occurs during startup, shutdown, or incorrect operation of the room heater ,will lead to some soot formation which will collect in the exhaust venting system,. The exhaust venting system should be inspected at least once every year to determine if cleaning is necessary.
ASH DISPOSAL
To remove ashes:
- Make sure the fire is out and the firebox is cool.
- Clean heat exchanger tubes (see “CLEANING” and Figure 15).
- Remove the burnpot’s inner section by grasping it and pulling straight up (see Figure 16).

- Empty ashes from the inner section and scrape with a cleaning tool; make sure holes are not plugged.
- Vacuum to remove ashes from the burn chamber interior and the burnpot shell.
WARNING: Make sure ashes are cool to the touch before using a vacuum (see “VACUUM USE” - Dispose of ashes properly (see “ASH REMOVAL” above).
- Replace the inner section into the burnpot; make sure it is level and pushed all the way back down and that the igniter hole is to the rear when it is reinstalled (see Figure 17).
- Make sure the burnpot is level and pushed all the way in. If the collar on the burnpot, attached to the fresh air tube, is not pushed back to meet the firebox wall. The Hot Rod will not work properly.

TROUBLESHOOTING GUIDE
When your stove acts out of the ordinary, the first reaction is to call for help. This guide may save time and money by enabling you to solve simple problems yourself. Problems encountered are often the result of only five factors: 1) poor fuel; 2) poor operation or maintenance; 3) poor installation; 4) component failure; 5) factory defect. You can usually solve those problems related to 1 and 2. Your dealer can solve problems relating to 3, 4, and 5. Refer to the diagrams on page 17 to help locate the indicated parts. For the sake of troubleshooting and using this guide to assist you should look at your heat level setting to see which light is flashing.
***CAUTION – UNPLUG THE STOVE FROM ALL POWER BEFORE ATTEMPTING TO SERVICE THE UNIT!***

SMOKE SMELL OR SOOT BUILD-UP
Because it is a wood-burning device, your Breckwell may emit a faint wood-burning odor. If this increases beyond normal or is you notice an unusual soot buildup on walls or furniture, check your exhaust system carefully for leaks. All joints should be properly sealed. Also, clean your stove following the instructions in “MAINTENANCE.” If the problem persists, contact your dealer.
For more manuals by Breckwell, visit ManualsLibraryy
Breckwell Big E Pellet Stove-FAQs
What type of fuel does the Breckwell Big E Pellet Stove use?
It burns renewable wood pellets—an efficient and eco-friendly biomass fuel.
Why does my pellet stove keep shutting off?
Common reasons include faulty wiring, power supply issues, or a dirty stove. Regular cleaning and inspection are key.
Can I use corn in the Breckwell Big E Pellet Stove?
Yes, this model supports burning dry shelled corn, wood pellets, and other approved pellet fuels.
How do I start the stove manually with gel?
Apply starter gel to the pellets in the burn pot, then light it safely. Always follow the user manual’s safety instructions.
How do I control the heat output?
Adjust the pellet feed rate. Slower feed means less heat; a faster feed increases warmth.
Is floor protection required for this stove?
Yes, use a hearth pad or floor protector to comply with safety guidelines.
Can I leave the stove on overnight?
Yes, it’s safe for overnight use. Built-in safety features help prevent overheating or malfunctions.
What happens if the power goes out while it’s running?
The stove shuts off and the fire gradually burns out. Keep the door closed to contain smoke.
How long do pellets last in the stove?
A full hopper can burn for up to 24 hours, depending on heat settings and pellet quality.
How do I clean the pellet stove and flue?
Turn off and unplug the unit, then use a vent brush to clean the flue. Regular maintenance prevents buildup and ensures efficiency.









