
Carvin DCM2000 Amplifier


FRONT PANEL
- MOUNTING: Sturdy one-piece 12-gauge steel face plate accommodates standard 19” rack installation. The rack mounting holes are designed on ISO standard spacing. Four 10-32 x .5” phillip machine screws are normally used to secure the amp. Rear support brackets are not required.
- POWER SWITCH: Check the power amp connections and verify the AC line power source before engaging the POWER
switch. The yellow LED unmistakably indicates that all circuits are properly powered up. Yellow is used so the operator can see the red indicators (clipping or protect) from a distance. - CHANNEL LEVEL CONTROL: A precision input LEVEL attenuator is used to adjust the volume levels. To deliver the amp’s maximum power without reducing the headroom of the signal source, the level controls should be turned full on.
- CHANNEL SIGNAL INDICATOR: The green SIGNAL LED indicators will start to flash when there is a signal passing to your speakers (-30dBµ). This lets you know when the amp is passing a signal to your speaker connectors.
- CHANNEL CLIP INDICATOR: The red CLIP LED indicators will start to flash when each channel has reached its maximum output. Occasional flashing caused by lower bass frequencies is OK. However, consistent flashing caused by higher frequencies may damage high-frequency drivers (excessive distortion). This does not cause damage to the amp.
- COOLING VENTS/FAN: Upon rack installation, the rear of the amp must be fully exposed to room temperature air. The surrounding air should not be warmer than 120°F, or the thermal protection could activate the PROTECT LED. The front cooling vents are not to be restricted from exhausting the warm air.
- PROTECT LED INDICATOR: The red PROTECT LED provides the operator with information about the status of the amplifier. The PROTECT LED can come on under 3 different conditions (when this happens, both channels are muted by disconnecting the output speaker relays, protecting your speakers).
- During power-up, the amplifier stays muted for approximately. 3 sec until it determines that Everything is functioning normally (no output shorts or over-temperature conditions).
- When the output load draws excessive current or a direct short is detected, caused by a shorted speaker cable or speaker system, the RED PROTECT LED will illuminate. Reset this condition by turning the amp off for two seconds and then on again. Check for shorted cables and the total speaker system impedance connected to each channel.
- Overheating is usually determined when the amp stops in the middle of a performance, and the PROTECT LED comes on. If this is the cause, leave the amp on for the fan to cool the amp down. The amp will automatically reset within 1 to 3 minutes. The PROTECT LED will turn off when ready. Check for the following conditions: a) The rear intake air is restricted, b) The intake air is extremely
warm, c) The front exhaust vents are restricted, or d) Excessive speaker load (try other speakers or remove speakers if you have more than one connected to each channel). The minimum impedance is 2 ohms per channel or 4 ohms BRIDGED. DCM2570 minimum load is 4 ohms per channel or 8 ohms BRIDGED. REAR PANEL
- CHANNEL INPUTS AND THROUGH Balanced or Unbalanced 1/4” TRS inputs can be used along with the balanced XLRs. The male “THROUGH” XLR connector carries the same signal as the female XLR to daisy chain channels or additional amps. XLR pin configuration: Pin 1: Grounded through the GROUND LIFT switch, Pin 2: positive Bal. Signal and Pin 3: negative Bal. Signal.
- PARALLEL OR “Y” INPUTS: The rear PARALLEL switch “IN” allows you to drive both channels from either input, in which a signal entering any input will be available on both channels, eliminating Y adapters.
- INPUT GROUND LIFT: Many times, sound systems are connected in such a manner to cause a grounded loop with the inputs, which results in audible hum. The input GND LIFT (1/4” & XLR) switch on the rear panel will help eliminate
this problem. If not, another way to eliminate ground loops is to install Carvin’s MTF55 “Ground Lifter” between the amplifier input and the signal source. This isolates the input ground from the AC power ground. - LO CUT (DCM2500, DCM2570): The LO CUT switch inserts a 40Hz, 3rd-order, high-pass filter. This will remove sub-audio frequencies from damaging speakers and wasting inaudible power. It is active when the switch is pushed “IN”.
- LIMITERS: To activate the LIMITERS, engage the rear limiter switch to the “IN” position. The built-in “optio” limiters are recommended to hold down peaks that could cause early distortion. This will help to raise the average power so that you can get more output from each channel. To check the effectiveness of the limiters when the channel starts to distort (under full output), engage the limiters, and hear the reduction of the distortion. If the distortion stops, you can try to turn the channel up for more power. The lower bass frequencies are
most affected. WARNING: Do not check in an environment where the sound level could damage your ears! - SPEAKER 1/4” AND SPEAKON™ OUTPUTS: The standard 1/4” SPEAKER jacks are offered for low power applications. Speakon™ connectors are provided for high-power applications. Secure the Speakon™ connection by turning to the right. The center Speakon™ is for the Bridge only. Turn the amp off before connecting your speakers. DCM 2570 minimum load 4 ohms
- BINDING POST OUTPUTS: For other high-power speaker connections, use the rear BINDING POSTS to connect your speakers. Wire sizes up to 7 gauge (50 amps) can be inserted into the binding post “side holes”. A larger cable can be used
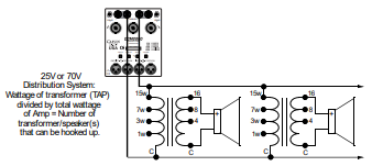
with “banana” plugs, which plug into the end of the binding posts (remove colored caps from the top of the binding posts). Binding posts are spaced according to ISO standards. Use the two center RED binding posts to BRIDGE both power amps (see 15 BRIDGE MODE). - BRIDGE MODE—25V/70V DISTRIBUTION SYSTEMS The “DCM” Series can be operated in bridge mode if you require a 25V / 70V distribution speaker system or a high-powered mono (single channel) amp, which can double your power into a single load. With your amp off, push “IN” the rear (recessed) BRIDGE switch after you have made your connections to either the center bridge Speakon™ or the rear center RED binding posts (ch 1 is + and ch 2 is -). Select carefully or damage may result to your speakers. This is why the switch has been recessed. No other speaker connectors or binding posts can be used at the same time! The INPUT and LEVEL are handled by channel 1. Channel 2 is non-operational. The minimum speaker impedance is 4 ohms. CAUTION: The power developed by
bridging your amp can destroy most speaker systems! DCM2570 minimum load is 8 ohms in BRIDGE - AC POWER: Your amp is designed to run on either 120V 60 Hz or 240V 50Hz, depending on the model purchased. The voltage range for the 120V model is 95V to 132V, and for the 230V model it is 195V to 255V. The rear heavy-duty AC receptacle will accept a standard grounded AC cord that is designed for your country. Be sure to check your power source before plugging into a grounded (3-prong) outlet. Never defeat the grounded connection, or electrocution may result! Firmly push the power cord into its receptacle. In the case of a blown fuse, unplug the amp, remove the lid, and replace the fuse located in the back corner above where the AC cord connects to the circuit board.
FUSE: The fuse is located within the main chassis above the AC connector mounted on the rear, inside the PC card. Normally, if the fuse fails, the amp will require service. See spec. Chart for fuse values.
NOTE: Each amp will require a dedicated circuit if you are driving the amp to its full output. There will be a sustained loss of power if the AC voltage falls below the rated 120V or 230/240V. Use a heavy-gauge power cable and power source.
TYPICAL STEREO SETUP

MONO MAINS & MONITORS


25V OR 70V DISTRIBUTION SYSTEM

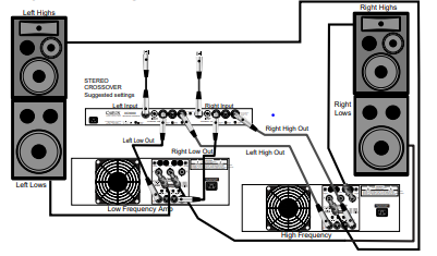
STEREO BIAMPING

HELPFUL HINTS
- NO SOUND FROM CH 2: The rear (recessed) BRIDGE switch has been inadvertently pushed in.
- STEREO CHANNELS SOUND THE SAME: The rear PARALLEL switch has been inadvertently pushed in.
- NO HIGH FREQUENCIES: Tweeters or midrange drivers have
been damaged or blown from feedback or too much power. - SYSTEM HUM: Switch the rear GND LIFT switch IN or OUT. If the hum is not eliminated, then install Carvin’s MTF55 “Ground Lifter” between the amplifier input and signal source. This isolates the input ground from the AC power ground.
- POOR SOUND (BASS): The speaker systems are wired out of phase with each other. To correct, reverse the wires on one speaker connector only, and your sound, especially the bassThe
response will improve. - DEDICATED CIRCUIT BREAKER: Each amp will require a
dedicated circuit breaker for its full output. There will be a
sustained loss of power if the AC voltage falls below the rated 120V or 230/240V input.
FOR MORE MANUALS BY CARVIN AUDIO, VISIT MANUALSLIBRARYY
Carvin DCM2000 Amplifier-FAQs
How do I set the gain correctly on my amplifier?
Turn gain to minimum before powering on.
Play a test tone (50Hz–1kHz) at ¾ volume from the source.
Slowly increase gain until distortion is heard.
Back off slightly to eliminate distortion.
How many watts do I need for my speakers?
Light use (home/studio): 50W–200W per channel.
Live sound/PA: 200W–500W per channel.
Subwoofers: Match amp RMS to speaker RMS (e.g., 500W amp for 500W sub).
What does the “PFC” in Carvin LT2000 mean?
Power Factor Correction (PFC) improves efficiency, reduces power consumption, and provides stable voltage under heavy loads.
How do I reset my amplifier?
Power cycle (turn off, unplug, wait 1 minute, restart).
If issues persist, check for internal faults (burnt components, bad capacitors).
Can the Carvin DCM2000 run at 2 ohms?
Yes, it supports 2Ω per channel in stereo mode and 4Ω bridged.
Why is my amplifier overheating?
Poor ventilation – Ensure proper airflow.
Low impedance load – Check speaker wiring (avoid below 2Ω stereo/4Ω bridged).
High volume for extended periods – Allow cooling breaks.
How do I connect the DCM2000 to a PA system?
Use balanced XLR or ¼” TRS cables from the mixer.
Connect speakers via SpeakON or binding posts.
Set input sensitivity to match mixer output levels.
What’s the difference between Class AB and Class D amplifiers?
Class AB: More linear sound, higher heat, less efficient.
Class D (like DCM2000): Compact, energy-efficient, runs cooler, ideal for live sound.
How long do Carvin amplifiers typically last?
With proper care:
10–20 years for home/studio use.
5–10 years for heavy touring (depends on maintenance).
Can I bridge the DCM2000 for more power?
Yes, bridging combines both channels:
Output: 2,500W @ 4Ω (use only 4Ω or higher speakers).
