
Ciarra 736F-736H Cooker Hood

Safety
WARNING: TO REDUCE THE RISK OF FIRE, ELECTRIC SHOCK, OR INJURY TO PERSONS, OBSERVE THE FOLLOWING:
- Use this unit only in the manner intended by the manufacturer. If you have questions, contact the manufacturer at the address or telephone number listed in the warranty.
- Before servicing or cleaning the unit, unplug or disconnect the cooker hood from the power supply.
- This appliance is not intended for use by persons (including children) with reduced physical, sensory, or mental capabilities, or a lack of experience and knowledge, unless they have been given supervision or instruction concerning use of the appliance by a person responsible for their safety.
- Installation work and electrical wiring must be done by a qualified person(s) in accordance with all applicable codes and standards, including fire-rated construction.
- Sufficient air is needed for proper combustion and exhausting of gases through the flue (chimney) of fuel-burning equipment to prevent back-drafting.
- When cutting or drilling into a wall or ceiling, do not damage electrical wiring and other hidden utilities.
- Ducted fans must always be vented to the outdoors.
- Ensure the requirements of the local authorities are adhered to concerning the discharge of exhaust air.
- This unit must be grounded.
- When applicable local regulations comprise more restrictive installation and/or certification requirements, the aforementioned requirements prevail over those of this document, and the installer agrees to conform to these at his own expense.
- Clean the cooker hood frequently. Grease should not be allowed to accumulate on fans, filters, or in exhaust ducts.
Warning: Failure to install the screws or fixing device in accordance with these instructions may result in electrical hazards.
TO REDUCE THE RISK OF INJURY TO PERSONS IN THE EVENT OF A RANGE TOP GREASE FIRE, OBSERVE THE FOLLOWING*:
- SMOTHER FLAMES with a close-fitting lid, cookie sheet, or metal tray, then turn off the burner. BE CAREFUL TO PREVENT BURNS. IF THE FLAMES DO NOT GO OUT IMMEDIATELY, EVACUATE AND CALL THE FIRE DEPARTMENT.
- NEVER PICK UP A FLAMING PAN — You may be burned.
- DO NOT USE WATER, including wet dishcloths or towels — This could cause a violent steam explosion.
- Use an extinguisher ONLY if:
- You own a Class ABC extinguisher, and you know how to operate it.
- The fire is small and contained in the area where it started.
- The fire department has been called.
- You can fight the fire with your back to an exit.
CAUTION
- For indoor use only.
- For general ventilating use only. Do not use to exhaust hazardous orexplosive materials and vapors.
- To avoid motor bearing damage and noisy and/or unbalanced fan blades, keep drywall spray, construction dust, etc., off the cooker hood.
- Your hood motor has a thermal overload, which will automatically shut off the motor if it becomes overheated. The motor will restart when it cools down. If the motor continues to shut off and restart, have the hood serviced.
- Always follow the cooking equipment manufacturer’s requirements regarding the ventilation needs.
- To reduce the risk of fire and to properly exhaust air, be sure to duct air outside. Do not exhaust air into spaces within walls or ceilings or into attics, crawl spaces, or garages.
- When installing, servicing, or cleaning the unit, it is recommended to wear safety glasses and gloves.
- Please read the specification label on the product for further information and requirements.
Specifications

Before Using the Cooker Hood
CAUTION: Before proceeding to the installation, check if items are missing or damaged, and contact the manufacturer. Observe all governing codes and ordinances. Have a qualified technician install the cooker hood. It is the installer’s responsibility to comply with installation clearances specified on the model/serial rating plate. The manufacturer declines all responsibility for improper installation and does not accept
Responsibility for appliance warranty in the event of damage caused by incorrect installation.
COMPONENTS:

YOU WILL NEED THESE TOOLS FOR INSTALLATION

Prepare for Installation
Prepare for Installation:
- Ventilation Mode
- Recirculation Mode: Recirculating with a carbon filter (required), the smells and odors can be filtered and vented through the top vented hole, and the exhaust pipe is not required.
- Extraction Mode: You can install the 1.5m long and 150mm diameter aluminum exhaust pipe for extracting, which is included in the installation kit.

- When possible, use at least 60cm straight runs before any turns. Larger ductwork may be required for best performance with longer duct runs.

- Before installation, don’t connect the power.
Installation
Install the Hood (Extraction):
- Remove all protective poly film from the hood and/or parts.
- Recommend installation height: 65~75cm above the cooktop for best extraction.
- Required height over gas hob: 750mm;
- Required height over the electric hob: 650mm.

- First, use a pencil to mark the installation position on the wall, then use a Measuring Tape to measure the height from the stove surface to the hood (the center point of the aluminum grease filter), and use a Spirit Level Ruler to maintain the level, then use a pencil to draw a horizontal line along the level.

- Poke the 7 perforated positions on the 1:1 Installation Diagram, then align with the center point of the aluminum grease filter on the Installation Diagram with the horizontal line on the wall, then tape the Installation Diagram to the wall, and use a pencil to mark the perforated positions on the wall in the corresponding positions.

- Determine the maximum chimney installation height according to the actual scenario and mark the chimney installation locations along the center line of the Installation Diagram.

- Remove the Installation Diagram, drill the holes that have been marked on the wall with an Electric Drill (8mm drill), and hammer the Wall Plug into the wall.

- Use three 4*30mm Screws to fasten the Wall Bracket on the wall.

- Remove the aluminum grease filter and hang the hood on the corresponding hook of the Wall Bracket.

- Use a Spirit Level Ruler to measure whether the hood is in a horizontal level, and use two 4*30mm Screws to lock into the safety hole position of the hood (not mandatory, according to user’s wishes to choose whether to lock).

- Tear off the tape from the air outlet.
NOTE:- Make sure you remove the tape on the damper and check if the damper opens and closes freely, it makes noises, and the cooker hood will be shaking.

- Make sure you remove the tape on the damper and check if the damper opens and closes freely, it makes noises, and the cooker hood will be shaking.
- Install the Aluminum Exhaust Pipe into the air outlet and lock it with a Cable Tie; the other end of the Aluminum Exhaust Pipe will be pulled upward to the outdoors and lock it with a Cable Tie (Note: This step can be ignored if used as a recirculation mode with a carbon filter).

- Use two 4*8mm Screws to fasten the Lower Chimney Bracket on the Lower Chimney.

- Insert the Lower Chimney into the hood and fix it to the corresponding positioning hole with two 4*8mm Screws. (Note: The power cord needs to go through the chimney and connect the power).

- Use two 4*30mm Screws to lock the Lower Chimney Bracket into the corresponding positioning holes on the wall.

- Use two 4*30mm Screws to lock the Upper Chimney Bracket to the corresponding positioning holes on the wall.

- Put the Upper Chimney into the Lower Chimney, and then pulled to the height of the Upper Chimney Bracket.

- Use two 4*8mm Screws to assemble the Upper Chimney on the Upper Chimney Bracket.

- Turn the LED lights on/off, and test whether the functions are working properly.

Carbon Filter Installation(Recirculation)

- A carbon filter can be used to trap odors.
In order to install the carbon filter, the grease filter should be detached first. Press the lock and pull it down.
- Place the carbon filter into the unit and turn it clockwise to lock it in place.
- If the carbon filter needs to be replaced, please turn it in an anticlockwise direction.
NOTE:- Make sure the carbon filter is securely locked.
- When the carbon filter is installed, the suction of the cooker hood will be reduced.
- The carbon filter should be changed every 2-4 months, depending on the conditions of use.
Operation
Always turn your hood on before you begin cooking to establish an airflow in the kitchen.
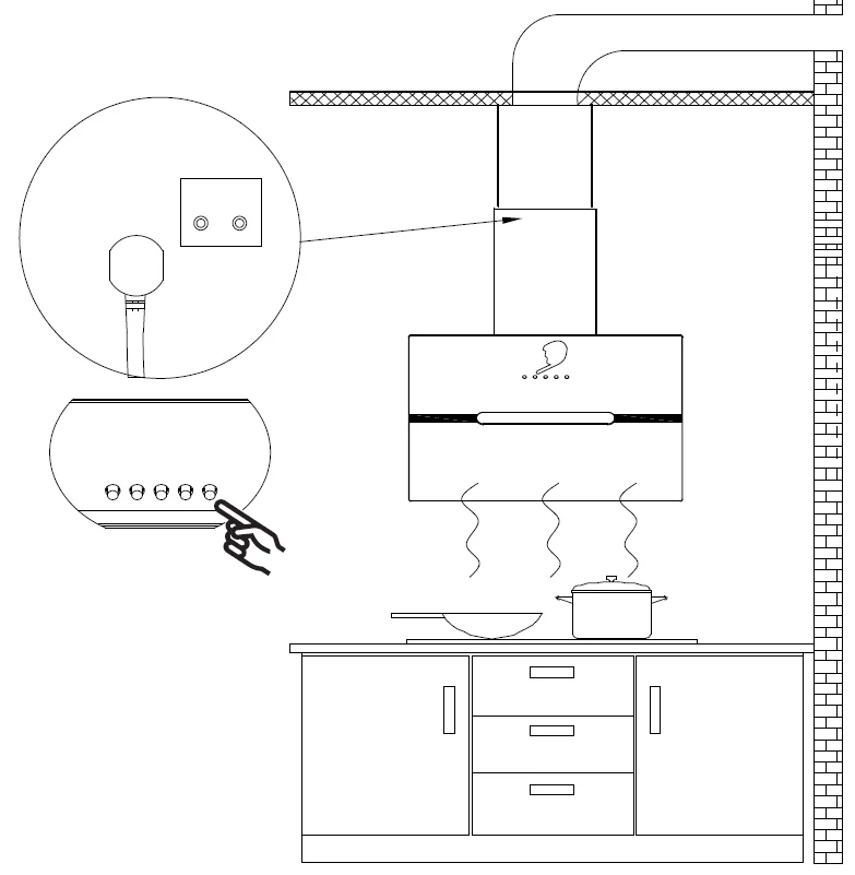
Electronic button
Operate the hood as follows:

STANDBY MODE
After plugging in, when the buzzer makes a sound, and all the indicator lights are turned on for 1S then go out, the cooker hood will enter the standby mode. The [1] button indicator light continues to flash
regularly. If there is no operation for 60s, the hood will go into sleep mode; If you need to operate, press any button briefly to start up the cooker hood. When your cooker hood is in standby mode, you can easily switch on 1.2.3 speed levels by pressing the corresponding speed level button for 2 seconds, pressing the corresponding speed level button again, the cooker hood will go back to standby mode.
- 1 Low Speed button
For air ventilation with barely any noise, or simmering with very little smoke and steam. - 2 Medium Speed button
For your everyday cooking purposes. - 3 High Speed button
High-Speed for stir-fry or cooking with lots of smoke and grease produced. - B Booster button
Instant access to maximum suction power, jump to 3 speeds after 10 minutes.
Light button
Press once, turn on the LED light in level 1. Press for the second time, turn on the LED light in level 2, increase brightness; Press for the third time, turn off the LED light.
Smart Life APP
Download and Installation of Smart Life APP
- You must use an Android phone or an iPhone to download and use this APP.
- Search “Smart Life” in the Google Play store for Android or IOS App Store to download and install the APP.

Cooker Hood and Smart Life APP pairing
- When you log in to Smart Life APP for the first time, you need to create a new account. When creating a new account, follow the app’s instructions to register.
- If you already have an account, you can use the existing account to log in.
- After logging in, follow the steps below to connect the cooker hood (the operating procedures of Android and IOS systems are the same)

- Open the Smart Life app, click Add Device.
Choose kitchen appliances from the menu bar on the left.
- Choose a kitchen hood.

- Connect your home Wi-Fi and enter the password, then click Confirm.

- Click “Next” to go to the next step.

- Press the “Light” button for 5 seconds, you will hear the beeping sound, and all button lights will be flashing. Enter Wi-Fi pairing mode.

- Click “Confirm the indicator is blinking rapidly” and click “Next.

- Adding device…

- When you see this interface, it means you have successfully connected your device.

- Click “Me” and select “Message Center.

- You can create a home or join a home in this area. Click “my family management”.

- Select “Add members” and share to members. After members have successfully joined the same family, they can remotely control the “Cooker Hood” through WiFi.
About the operation interface:
ON/Off Button
Light Button
When the lights are off, press once to turn them on. Press this button again to turn OFF the lights.
Fan Speed Button
You can control the corresponding gears of 1-2-3-P on the cooker hood.
Quick Delay Setting
When the cooker hood is working, you can set the delay timer through the delay function. Push this button, and the cooker hood will stop working in 5 minutes.
Cleaning and Maintenance
Proper maintenance of the Cooker Hood will assure proper performance of the unit. Before cleaning the unit, unplug or disconnect the cooker hood from the power supply.
GREASE FILTERS
The grease filters should be cleaned frequently. Can be cleaned in a dishwasher under high temperatures without using any detergent.
CARBON FILTER
The carbon filter should be changed every 2-4 months, depending on the conditions of use. Replace more often if your cooking style generates lots of grease, such as stir-frying. These filters are not washable and cannot be reused. Refer to the installation instructions included with the carbon filter.
STAINLESS STEEL CLEANING
Do:
- Regularly clean it with a cloth or rag soaked with warm water and mild soap or liquid dish detergent.
- You may also use a specialized household stainless steel cleaner.
Don’t:
- Use any steel or stainless-steel wool or any other scrapers to remove stubborn dirt.
- Use any harsh or abrasive cleansers.
- Let plaster dust or any other construction residue reach the hood. During construction/ renovation, cover the cooker hood to make sure no dust sticks to the stainless-steel surface.
Avoid when choosing a detergent:
- Any cleaners that contain bleach will attack stainless steel.
- Any products containing: chloride, fluoride, iodide, or bromide will deteriorate surfaces rapidly.
- Any combustible products used for cleaning, such as acetone, alcohol, ether, benzol, etc., are highly explosive and should never be used close to a range.
PAINTED FINISH CLEANING:
Clean with warm water and mild detergent only. If discoloration occurs, use a finish polish such as automotive polish. (DO NOT use a rough abrasive cleaner or porcelain cleaner.)
LED REPLACEMENT
- Rectangle LED lamp:

CAUTION:
Before cleaning or repairing and replacing accessories, please make sure to shut down the power before operation, so as to avoid electric shock, damage to the human body, and even endanger life safety!

- Turn off the hood and unplug the power outlet. Detach the grease filter so that you can replace the LED lamp.

- Push the LED lamp holder out from the cabinet by hand, or use a screwdriver to pry up the LED lamp around the edges, pull out the LED lamp and the wire together.

- Open the power protection cover, pull out the plug, and replace the corresponding model of the LED lamp.

- Turn the power on and test all blower and light functions to ensure they are operating properly. Insert the new LED light gently into the light socket. Please make sure you aim at the grooves on the lighting panel when installing. Push the LED light in until it is flush with the light panel.

- Put the grease filter back on, you are good to go.
LED REPLACEMENT
- Rectangle LED lamp:

CAUTION:
Before cleaning or repairing and replacing accessories, please make sure to shut down the power before operation, so as to avoid electric shock, damage to the human body, and even endanger life safety!
- Turn off the hood and unplug the power outlet. Detach the grease filter so that you can replace the LED lamp.

- Push the LED lamp holder out from the cabinet by hand, or use a screwdriver to pry up the LED lamp around the edges, pull out the LED lamp and the wire together.

- Open the power protection cover, pull out the plug, and replace the corresponding model of the LED lamp.

- Turn the power on and test all blower and light functions to ensure they are operating properly. Insert the new LED light gently into the light socket. Please make sure you aim at the grooves on the lighting panel when installing. Push the LED light in until it is flush with the light panel.

- Put the grease filter back on, you are good to go.

Troubleshooting

Environmental Protection
Waste electrical products should not be disposed of with household waste. Please recycle where facilities exist. Check with your Local Authority or retailer for recycling advice. This appliance is marked according to the European directive 2012/19/EU on Waste Electrical and Electronic Equipment (WEEE). By ensuring this product is disposed of correctly, you will help prevent potential negative consequences for the environment and human health, which could otherwise be caused by inappropriate waste handling of this product. The symbol on the product indicates that this product may not be treated as household waste. Instead, it shall be handed over to the applicable collection point for the recycling of electrical and electronic equipment. Disposal must be carried out in accordance with local environmental regulations for waste disposal. For more detailed information about treatment, recovery and recycling of this product, please contact your local city office, your household waste disposal service or the shop where you purchased the product.
For more manuals by Ciarra Appliances, visit ManualsLibraryy
Ciarra 736F-736H Cooker Hood-FAQs
Does the Ciarra 736F-736H cooker hood need an isolator switch?
Yes, an isolator switch is recommended and often required by safety regulations. It allows the cooker hood to be safely disconnected from power during maintenance or emergencies.
What is the correct height to install the cooker hood above the hob?
The hood should be installed 650mm above electric or induction hobs and 750mm above gas hobs for safe and efficient operation.
What is the minimum distance between an induction hob and the extractor hood?
For induction hobs, a minimum clearance of 500mm is required, though 650mm is commonly recommended for better performance.
Are chimney cooker hoods like the Ciarra 736F-736H adjustable in height?
Yes, most chimney cooker hoods are height-adjustable and come with telescopic chimney sections to fit different ceiling heights.
What happens if a cooker hood is installed too low?
Installing the hood too low can restrict airflow, reduce extraction efficiency, cause overheating, and increase fire risk—especially with gas hobs.
What is the maximum distance allowed between the hood and the cooktop?
The distance should not exceed 36 inches (about 915mm). Beyond this, the hood may not effectively capture smoke and steam.
How can I tell if my cooker hood is ducted or recirculating?
A ducted hood vents air outside through ducting, while a recirculating hood filters the air and releases it back into the kitchen.
Can the Ciarra 736F-736H be used as a recirculating hood?
Yes, if external ducting is not possible, it can operate in recirculation mode using carbon filters to clean and return air to the kitchen.
What is the difference between a chimney hood and a slim hood?
Chimney hoods offer stronger suction and better airflow, making them more effective at removing smoke and odors. Slim hoods usually have lower extraction power.






















Choose kitchen appliances from the menu bar on the left.


















