
Dual Electronics XDVD179BT LED Touch Screen

Safety Information
Please read all instructions carefully before attempting to install or operate. Due to its technical nature, it is highly recommended that your DUAL XDVD179BT is installed by a professional installer or an authorized dealer. This product is only for use in vehicles with 12VDC negative ground only. To prevent damage or injury:
- Make sure to ground the unit securely to the vehicle chassis ground.
- Do not remove the top or bottom covers of the unit.
- Do not install the unit in a spot exposed to direct sunlight or excessive heat or the possibility of water splashing.
- Do not subject the unit to excessive shock.
- When replacing a fuse, only use a new one with the prescribed rating. Using a fuse with the wrong rating may cause the unit to malfunction.
- To prevent short circuits when replacing a fuse, disconnect the wiring harness first.
- Use only the provided hardware and wire harness.
- You cannot view video while the vehicle is moving. Find a safe place to park and engage the parking brake.
- If you experience problems during installation, consult your nearest DUAL dealer.
- If the unit malfunctions, reset the unit as described on page 10 first. If the problem still persists, consult your nearest DUAL dealer or call tech assistance @ 1-866-382-5476.
- To clean the monitor, wipe only with a dry silicone cloth or soft cloth. Do not use a stiff cloth, or volatile solvents such as paint thinner and alcohol. They can scratch the surface of the panel and/or remove the printing.
- When the temperature of the unit falls (as in winter), the liquid crystal inside the screen will become darker than usual. Normal brightness will return after using the monitor for a while.
- When extending the ignition, battery or ground cables, make sure to use automotive-grade cables or other cables with an area of 0.75mm (AWG 18) or more to prevent voltage drops.
- Do not touch the liquid crystal fluid if the LCD is damaged or broken. The liquid crystal fluid may be hazardous to your health or fatal. If the liquid crystal fluid from the LCD contacts your body or clothing, wash it off with soap immediately.
FCC Compliance
This device complies with Part 15 of the FCC Rules. Operation is subject to the following two conditions:
- this device may not cause harmful interference, and
- this device must accept any interference received, including interference that may cause undesired operation.
Warning: Changes or modifications to this unit not expressly approved by the party responsible for compliance could void the user’s authority to operate the equipment.
Note: This equipment has been tested and found to comply with the limits for a Class B digital device, pursuant to Part 15 of the FCC Rules. These limits are designed to provide reasonable protection against harmful interference in a residential installation. This equipment generates, uses, and can radiate radio frequency energy and, if not installed and used in accordance with the instructions, may cause harmful interference to radio communications. However, there is no guarantee that interference will not occur in a particular installation. If this equipment does cause harmful interference to radio or television reception, which can be determined by turning the equipment off and on, the user is encouraged to try to correct the interference by one or more of the following measures:
- Reorient or relocate the receiving antenna.
- Increase the separation between the equipment and receiver.
- Connect the equipment to an outlet on a circuit different from that to which the receiver is connected.
- Consult the dealer or an experienced radio/TV technician for help.
Preparation
Before You Start
- Disconnect negative battery terminal. Consult a qualified technician for instructions.
- Avoid installing the unit where it would be subject to high temperatures, such as from direct sunlight, or where it would be subject to dust, dirt or excessive vibration.
Getting Started
- Insert the supplied keys into the slots as shown, and slide the unit out of the mounting sleeve.
- Install mounting sleeve into opening, bending tabs to secure.
- Connect wiring harness as shown on page 6. Consult a qualified technician if you are unsure.
- Certain vehicles may require an installation kit and/or wiring harness adapter (sold separately).
- Reconnect negative battery terminal, and test for correct operation.
- Snap trim ring into place (if required).
- Slide unit into mounting sleeve to secure

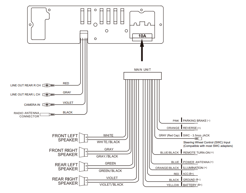
Wiring Diagram – Inputs/Outputs
Note: When replacing a fuse, make sure to use the correct type and amperage. Using an incorrect fuse could cause damage. The unit uses (1) 10 amp ATM mini style fuse located on the power connector.
Wiring Notes: Rear camera input
A rear view camera (not included) can be used with the Camera input.
Control Locations

- Eject
- Auxiliary Input
- USB Port
- Microphone
- Tune/Track Down
- Mute / End Call
- Volume Up/Down / Talk
- Band
- Voice Control
- Open / Power
- Mode
- Tune/Track Up
Touch Screen Controls
The touch screen controls on the bottom of each screen allow direct access to important features during any mode of operation.
- Standby Mode or Dimmer
- Voice Control
- Tilt Screen Up
- Tilt Screen Down
- Navigation Hot Button
- Eject
General Operation
- Power On/Off: Momentarily press to
turn the unit on or off. - Volume: Rotate the volume knob to increase or decrease the volume level.
- Mute: Momentarily press MUTE to silence the audio. Momentarily press MUTE again to return to the previously selected volume. Rotating the volume knob while the volume is muted will also cancel the mute function.
- Mode: Press MODE to step through all available input modes: Radio, Disc, Settings, Rear Camera, USB, Bluetooth Phone, Bluetooth Audio, and Auxiliary Input. Modes of operation are indicated on the display and/ or the monitor. An optional USB device must be inserted to appear in the mode selection string.
- Auxiliary Input: Connect external audio devices to the 3.5mm auxiliary input on the front panel.
- USB: Insert a USB device to play MP3 files or view JPG photos.
- Opening the LCD: Press OPEN to open or close the LCD screen.
- Screen Angle: Press UP or DOWN to adjust the screen angle up or down.
- Main Menu: When the monitor is open, press the house icon in the top left corner to access the Main Menu screen.

- Setup Menu: From the Main Menu screen, press SETTINGS to access the Setup menu and adjust the following options.

- General:
- OSD Language – Select English Only.
- Wallpaper – Select between three available wallpaper options.
- Screen Calibration – Select to calibrate the touch screen.
- Radio Area – Select your current geographic area: Europe, USA, South America, Russia, and Asia.
- Time Setting – Adjust the current time (hours and minutes) and choose between a 12-hour and 24-hour clock.
- Beep – Select to turn the audible beep On or Off.
- Camera – Select to turn the rear camera On or Off.
- Version – Select to view information about the unit.
- Restore Default – Select to restore the unit to default settings.
- Audio:
- Sound Effect – Select to access three sound effect sub-menus.
- EQ – Select from any preset equalization curve (Classic, Rock, Pop, Jazz, Beat, Flat) or use custom settings (User).
- Loudness – Turn the Loudness setting On or Off.
- Video:
- Aspect Ratio – Select desired aspect ratio: 4:3PS, 4:3LB or 16:9.
- Adjust – Select to adjust levels of Brightness, Contrast, Hue, Saturation and Sharpness.
- Panel – Select to choose backlight settings: 10s, 20s, 30s or Off.
- Bluetooth:
- Auto Connect – Turn the auto connect feature On or Off.
- Auto Answer – Turn the auto answer feature On or Off.
- General:
AM/FM Tuner Operation

- Radio Operation: Select the Radio icon from the Main Menu screen.
- Main Menu 1: Press to return to the Main Menu screen.
- Current Mode Indicator 2: Displays current mode of operation.
- Tune Frequency Down 3: Press << to tune radio to a lower frequency. Press < to tune the unit down one step at a time.
- Band 4: Press between 2 AM and 3 FM bands.
- Local / Distance 5: Press to toggle between Local and DIstance tuning.
- Tune Frequency Up 6: Press >> to tune the radio to a higher frequency. Press > to tune the unit up one step at a time.
- AS/PS 7: Press to scan presets and listen to the first 10 seconds of each. Press again to stop scanning and listen to the station. Press and hold to automatically find and store the strongest stations as presets.
- Stereo 8: Press to toggle between Stereo and Mono tuning.
- Preset Stations 9: Press and hold to set the current station in that preset spot. Press momentarily to recall the desired preset and begin playback.
CD/USB Operation

- CD/USB: To play audio files or MP3 files from a disc or USB device.
- Operation: insert disc or device and playback will begin automatically. To return to disc or USB playback from another mode of operation, select the corresponding icon from the Main Menu.
- Disc Playback – Insert the disc into the slot, and playback will begin automatically.
- USB Playback – Insert a USB device into the USB slot on the side of the unit.
- Main Menu 1: Press to return to the Main Menu screen.
- Current Mode Indicator 2: Displays current mode of operation.
- Repeat 3: Press to selecta repeat option: Repeat 1, Repeat Folder or Repeat Off.
- Random 4: Press to enable or disable random playback.
- Previous File / Track 5: Press to go back to the previous file or track.
- Play / Pause 6: Press to pause or resume playback.
- Next File / Track 7: Press to advance to the next file or track.
- Folder Access 8: Press to access all folders on device.
Media Compatibility – CD/DVD
Notes:
- It is not possible to view JPG files on the in-dash monitor while the vehicle is moving. This is a safety feature to prevent driver distraction.
The JPG image viewer function will only operate when vehicle is in park and the parking brake is engaged as described on page 26.
Notes:
- For USB mode, it is not possible to view JPG files on the in-dash monitor while the vehicle is moving. This is a safety feature to prevent driver distraction.
- The JPG image viewer function will only operate when vehicle is in park and the parking brake is engaged.
- Due to ongoing technological advancement, some USB flash drives may be incompatible with this unit.
Media Compatibility
- Media Compatibility: The following types of discs/files are compatible:
- CD-DA, CD-ROM (150). CD-R. CD-RW.
- DVD Video, DVD+R/RW, DVD-R/RW.
The following types of discs/files are not compatible:
- WMA files that are protected by DRM (Digital Rights Management)
- WMA lossless format
- Discs recorded with Track At Once or packet writing
- MP3 PRO format, MP3 playlists
- RMP format
- WAV format
- WMV format
- AAC. protected AAC, MAA format
‘Some recordable DVD’s and CD’s may be incompatible with this unit, depending on media type and recording method.
- Playback Order: MP3 playback sequence begins in the root folder of the disc or USB flash drive. Any empty folders or folders that do not include MP3/JPG files are skipped.
- Compatible Recording Formats: 1509640 standards:
- Maximum nested folder depth is 8 (including the root folder).
- Valid characters for folder/file names are letters A-Z (all caps). numbers 0-9, and” (underscore). Some characters may not be displayed correctly. depending on the character type.
- This device can play back discs in Joliet and other standards that conform 101509660. MP3 written in the formats other than the above may not play and/or their file names or folder names may not be displayed properly.
Notes: Some files may not play or be displayed correctly. depending on sampling rates and bit rates. For best results, use the following settings when ripping MP3 files: 128kbps or higher constant bit rate 4. KHz or higher sampling frequency
DVD Operation

- Inserting a Disc: Insert disc into the slot. and playback will begin automatically. Sub- menus may have to be pressed to access the DVD content. Read the directions of your specific DVD disc for other features.
- Ejecting the Disc: Press
eject the disc. - Touchscreen Controls: Press anywhere on the LCD to display touch screen controls.
- Main Menu 1: Press to return to Main Menu screen.
- Elapsed Time 2: Displays elapsed time and time remaining on the DVD.
- Repeat 3: Press to select from the following repeat options: Repeat Chapter.Repeat Title, Repeat All or Repeat Off
- Previous Chapter 4: Press to return to the previous chapter on the DVD.
- Play / Pause 5: Press to play or pause DVD playback.
- Next Chapter 6: Press to advance to the next chapter.
- Random 7: Press Random to play chapters in random order or Random Off to play disc in order.
- Audio 8: Press to adjust audio language settings.
Bluetooth Operation

- Preparation: Before you can use a Bluetooth device, it must be paired and connected. Make sure that Bluetooth is activated on your device before you begin the pairing process.
- Pairing a New Device: The unit broadcasts the pairing signal constantly when no devices are currently connected. omplete the pairing Sequence from your Bluetooth device. Refer to the owner’s manual for your device for more details. The device name is “XDVD179BT”. The Bluetooth passcode is “0000”. The unit can be in any mode of operation when pairing is performed. On certain phones, pairing may need to be done more than once.
- Connecting a Paired Device: Most Bluetooth devices support the auto-connect feature and will connect automatically if the device is in range when the unit is powered-on. If your device was previously paired but does not connect, enter the Bluetooth setup menu and ensure that Auto Connect is On.
- Bluetooth Phone: To access the phone. select Bluetooth Phone from the Main Menu or press the phone icon from any operational mode.
- Main Menu (1): Press to return to the Main Menu screen.
- Current Mode Indicator (2): Displays current mode of operation.
- Phone Keypad (3): Use the phone keypad to dial the desired phone number. Alternately, numbers can be dialed directly from the phone.
- Bluetooth Phone (4): Press to access Bluetooth phone.
- Bluetooth Music (5): Press to access Bluetooth music.
- Available Devices (6): Press to view a list of available devices.
- Talk (7): Press to connect a call.

- Play / Pause 14: Press to go back to the previous file or track.
- Next File/Track 15: Press to pause or resume playback.
- Bluetooth Phone 16: Press to advance to the next file or track.
PAC SWI-RC Installation Hints
- Set “Radio Select Switch”. Set the SWI-RC to position 7 – “Pioneer/Other/Sony”.
- To program, use the Pioneer/Sony/Other radio function mapping order for Dual units.
- When programming the SWI-RC, if a function is not supported (or not desired), then the function MUST be skipped as per the PAC SWI-RC instructions.
- The SWC function MUST be programmed in the correct order per the PAC SWI-RC radio function mapping order instructions.
| Function Order | Function Mapping | SWI-RC (3.3VDC Reference) | |
| Center Pin (Ring) Voltage (Function Select) | Tip Pin Voltage | ||
| 1 | Volume + | H 5.0v | 2.07 |
| 2 | Volume – | H 5.0v | 2.32 |
| 3 | Mute | H 5.0v | 1.01 |
| 4 | Preset + | L 0.0V | 1.54 |
| 5 | Preset – | L 0.0V | 1.81 |
| 6 | Source | H 5.0v | 0.60 |
| 7 | Seek + / Track + | H 5.0v | 1.54 |
| 8 | Seek – / Track – | H 5.0v | 1.81 |
| 9 | Band | H 5.0v | 2.73 |
| 10 | BT Talk | L 0.0V | 0.60 |
| 11 | BT End | L 0.0V | 1.01 |
Troubleshooting
| General | ||
| Problem | Cause | Action |
| Unit will not turn on (no power) | Yellow wire not connected or incorrect voltage Red wire not connected or incorrect voltage | Check connections for proper voltage (11~16VDC) |
| Black wire not connected | Check connection to ground | |
| Fuse blown | Replace fuse(s) | |
| Unit has power (but no sound) | Speaker wires not connected | Check connections at speakers |
| One or more speaker wires touching each other or touching chassis ground | Insulate all bare speaker wires from each other and chassis ground | |
| Unit blows fuse(s) | Yellow or red wire touching chassis ground | Check for pinched wire |
| Speaker wires touching chassis ground | Check for pinched wire | |
| Incorrect fuse rating | Use fuses with correct rating | |
| Unit has audio (but no video) | Parking brake safety circuit not connected Parking brake not applied | Check connections at parking brake Apply parking brake as described on page 26 |
| No video display (when in reverse) | Reverse circuit not connected Vehicle is not in reverse | Check connections at reverse lamp Select reverse gear |
| DVD does not start playback | Physical defect in media Wrong region | Check media for scratches Use discs labeled “Region 1” or “All” only |
| IR remote does not work | Dead battery | Replace battery |
| Excessive skipping | Unit is not mounted correctly | Check mounting sleeve |
| Physical defect in media | Check media for scratches | |
| Disc Region Incorrect appears on display | Region code error | Use discs labeled “Region 1” or “All” only |
Specifications:
- Disc:
- Frequency response: 20Hz-20kHz
- Channel separation @ 1kHz: >80dB
- D/A converter: 24-bit
- FM Tuner:
- Tuning range: 87.5MHz-107.9MHz
- Usable sensitivity: 10dBf
- 50dB quieting sensitivity: 20dBf
- Stereo separation @ 1kHz: 38dB
- Frequency response: 30Hz-13kHz
- AM Tuner:
- Tuning range: 530kHz-1710kHz
- Usable sensitivity: 24uV
- Frequency response: 30Hz-2.3kHz
- Front USB:
- Compatibility: High-Speed USB 2.0
- USB Class: Mass storage class
- Monitor:
- Panel size: 7″ diagonal measurement
- View angle (up/down/left/right): 50/70/70/70
- Resolution: 800 (H) x 480 (V)
- Brightness (cd/m?) 250
- Contrast ratio: 500:1
- Pixels: 1,152,000
- General:
- Speaker output impedance: 4 ohms
- Line output voltage: 1.2 volt RMS
- Line output impedance: 200 ohms
- Chassis dimensions: 7x 7″ x2″ (Wx D x H)
Design and specifications are subject to change without notice.
For more manuals by Dual Electronics, visit ManualsLibraryy
Dual Electronics XDVD179BT LED Touch Screen-FAQs
Does the Dual XDVD179BT support navigation?
While the unit does not have built-in navigation, you can access navigation apps when it’s connected to your smartphone.
How do I put the Dual XDM27BT in pairing mode?
Press the voice activation button to switch the receiver into Bluetooth pairing mode. This will also activate Siri® or Google Assistant™ on your connected smartphone.
How does Dual GPS blending work?
GPS blending combines data from two GPS devices to improve accuracy and reduce the chances of glitches affecting the system.
What app should I use for Dual Bluetooth radios?
Use the “Dual iPlug S” app to control certain Dual brand radios. It allows you to switch between Radio, USB, Bluetooth music, and AUX modes directly from your smartphone.
What is Bluetooth pairing mode?
Pairing mode is the process of registering two Bluetooth devices so they can connect wirelessly. Pairing must be completed before establishing a Bluetooth connection.
How do I reset the Dual XDM17BT?
Press the RESET button on the front panel to restore the unit to factory settings. If abnormal operation occurs, this should resolve the issue.
Does GPS work without an internet connection?
Yes, GPS works offline by using satellite signals to estimate your location. Internet is not required for GPS tracking, as it relies on Global Positioning System signals.
How does GPS synchronize time?
GPS satellites use atomic clocks to provide precise time data. GPS receivers decode these signals to synchronize with the satellite’s accurate timing.
How can I connect four Bluetooth speakers together?
Use a Bluetooth transmitter to connect multiple speakers. Some transmitters support pairing two speakers at once, and with an auxiliary splitter and dual transmitters, you can connect up to four speakers.

