
Harbor Freight TailGator 63024 Gas Generator

Using an engine indoors CAN KILL YOU IN MINUTES Gnerate exhaust contains carbon monoxide. This is a poison you cannot see or smell.

NEVER use inside windows are open.a home or garage, EVEN IF doors and windows are open.

Only use OUTSIDE far away from windows, doors, and vents.
When unpacking, make sure that the product is intact and undamaged. If any parts are missing or broken, please call 1-888-866-5797 as soon as possible.
WARNING! Read this material before using this product. Failure to do so can result in serious injury. SAVE THIS MANUAL.
Specifications
Generator | Output | 120VAC, 60Hz, Single Phase 700W Rated 900W Maximum |
| Receptacles | NEMA #5-20 (3-prong, 120VAC) | |
| Displacement | 63cc | |
| Engine Type | Horizontal Single Cylinder 2-stroke | |
| Cooling System | Forced air cooled | |
Fuel | Type | 87+ octane stabilizer-treated unleaded gasoline mixed with 2-cycle oil (see below) |
| Capacity | 1.1 Gallon | |
Oil | Type | 2-cycle oil (designed specifically for mixing with gasoline) |
| Ratio | 50:1 gasoline-to-oil ratio 2.5 oz oil per gallon of gasoline | |
| Run Time @ 50% Load with full tank | 5 hr. | |
| Sound Level at # feet | 82 dB | |
| Rotation viewed from PTO (power takeoff – the output shaft) | Counterclockwise | |
| Spark Plug | Type | BONON® F5TC |
| Gap | .023″ – .027″ (0.6 – 0.7mm) | |
The emissions control system for this Engine is warranted for standards set by the U.S. Environmental Protection Agency and by the California Air Resources Board (also known as CARB). For warranty information, refer to the last pages of this manual.
| WARNING SYMBOLS AND DEFINITIONS | |
DANGER | This is the safety alert symbol. It is used to alert you to potential personal injury hazards. Obey all safety messages that follow this symbol to avoid possible injury or death. |
DANGER | Indicates a hazardous situation which, if not avoided, will result in death or serious injury. |
WARNING | Indicates a hazardous situation which, if not avoided, could result in death or serious injury. |
CAUTION | Indicates a hazardous situation which, if not avoided, could result in minor or moderate injury. |
NOTICE CAUTION | Addresses practices not related to personal injury. |
Symbol Definitions

IMPORTANT SAFETY INSTRUCTIONS
WARNING! Read all instructions.
Failure to follow all instructions listed below may result in fire, serious injury and/or DEATH. The warnings and precautions discussed in this manual cannot cover all possible conditions and situations that may occur. It must be understood by the operator that common sense and caution are factors which cannot be built into this product, but must be supplied by the operator.
SAVE THESE INSTRUCTIONS
Set up precautions
- Gasoline fuel and fumes are flammable, and potentially explosive. Use proper fuel storage and handling procedures. Do not store fuel or other flammable materials nearby.
- Have multiple ABC class fire extinguishers nearby.
- Operation of this equipment may create sparks that can start fires around dry vegetation. A spark arrestor may be required. The operator should contact local fire agencies for laws or regulations relating to fire prevention requirements.
- Set up and use only on a flat, level, well-ventilated surface.
- All connections and conduits from the Generator to the load must only be installed by trained and licensed electricians, and in compliance with all relevant local, state, and federal electrical codes and standards, and other regulations where applicable.
- Connections for standby power to a building electrical system must be made by a qualified electrician. The connection must isolate the generator power from utility power, and must comply with all applicable laws and electrical codes.
- Wear ANSI-approved safety goggles, heavy-duty work gloves, and dust mask/respirator during set up.
- Use only lubricants and fuel recommended in the Specifications chart of this manual.
- Improper connections to a building electrical system can allow electrical current from the generator to backfeed into the utility lines. Such backfeed may electrocute utility company workers or others who contact the lines during a power outage, and the generator may explode, burn, or cause fires when utility power is restored. Consult the utility company and a qualified electrician if intending to use the generator for back up power.
- Do not operate the Generator before grounding. The Generator must be earth-grounded in accordance with all relevant electrical codes and standards before operation.
Operating precautions
- CARBON MONOXIDE HAZARD Using a generator indoors CAN KILL YOU IN MINUTES. Generator exhaust contains carbon monoxide. This is a poison you cannot see or smell.
NEVER use inside a home or garage, EVEN IF doors and windows are open.
Only use OUTSIDE and far away from windows, doors, and vents. - Never use a generator indoors, including in garages, basements, crawl spaces and sheds. Opening doors and windows or using fans will NOT prevent carbon monoxide build up in the home.
- When using generators, keep them outdoors and far away from open doors, windows, and vents to avoid toxic levels of carbon monoxide from building up indoors.
- If you start to feel sick, dizzy, or weak while using a generator, get to fresh air right away. The carbon monoxide from generators can quickly lead to full incapacitation and death.
- Keep children away from the equipment, especially while it is operating.
- Keep all spectators at least six feet from the Engine during operation.
- Fire Hazard! Do not fill fuel tank while engine is running. Do not operate if gasoline has been spilled. Clean spilled gasoline before starting engine. Do not operate near pilot light or open flame.
- Do not touch engine during use. Let engine cool down after use.
- Never store fuel or other flammable materials near the engine.
- If the plugged in product operates abnormally or unusually slow, immediately stop using the generator as a power source. Read and adhere to the instruction manual of the product to be powered to make sure that it can be safely and efficiently powered by a portable generator.
- Before connecting an appliance or power cord to the generator: Make sure that it is in good working order. Faulty appliances or power cords can create a potential for electrical shock.
- Do not exceed the maximum power rating of the generator. Make sure that the total electrical rating of the all of the tools or appliances plugged into the generator at the same time does not exceed that of the generator. Check that the startup surge will not be beyond the limit of the Generator.
- Avoid substantially overloading which will trip the circuit breaker. Slightly overloading the generator may not trip the circuit breaker, but will lead to premature generator failure.
- Do not attempt to connect or disconnect load connections while standing in water,
or on wet or soggy ground. - Do not touch electrically energized parts of the Generator and interconnecting cables
or conductors with any part of the body, or with any non-insulated conductive object. - Connect the Generator only to a load that is compatible with the electrical characteristics and rated capacities of the Generator.
- Insulate all connections and disconnected wires.
- Guard against electric shock. Prevent body contact with grounded surfaces such as pipes, radiators, ranges, and refrigerators.
- Only use a suitable means of transport and lifting devices with sufficient weight bearing capacity when transporting the generator.
- Secure the generator on transport vehicles to prevent it from rolling, slipping, and tilting.
- Industrial applications must follow OSHA requirements.
- Do not leave the generator unattended when it is running. Turn off the generator (and remove safety keys, if available) before leaving the work area.
- The generator can produce high noise levels. Prolonged exposure to noise levels above 85 dBA is hazardous to hearing. Wear ear protection when operating the generator or when working nearby while it is operating.
- Wear ANSI-approved safety glasses and hearing protection during use.
- People with pacemakers should consult their physician(s) before use. Electromagnetic fields in close proximity to a heart pacemaker could cause pacemaker interference or pacemaker failure. Caution is necessary when near the engine’s magneto or recoil starter.
- Use only accessories that are recommended by Harbor Freight Tools for your model. Accessories that may be suitable for one piece of equipment may become hazardous when used on another piece of equipment.
- Do not operate in explosive atmospheres, such as in the presence of flammable liquids, gases, or dust. Gasoline-powered engines may ignite the dust or fumes.
- Stay alert, watch what you are doing and use common sense when operating this generator. Do not use while tired or under the influence of drugs, alcohol or medication.
- Dress properly. Do not wear loose clothing or jewelry. Keep hair, clothing and gloves away from moving parts. Loose clothes, jewelry or long hair can be caught in moving parts.
- Parts, especially exhaust system components, get very hot during use. Stay clear of hot parts.
- Do not cover the generator during operation.
- Keep the generator and surrounding area clean at all times.
- Use the equipment, accessories, etc., in accordance with these instructions and in the manner intended for the particular type of equipment, taking into account the working conditions and the work to be performed. Use of the equipment for operations different from those intended could result in a hazardous situation.
- Do not operate the equipment with known leaks in the engine’s fuel system.
- When spills of fuel or oil occur, they must be cleaned up immediately. Dispose of fluids and cleaning materials as per any local, state, or federal codes and regulations. Store oil rags in a bottom-ventilated, covered, metal container.
- Keep hands and feet away from moving parts. Do not reach over or across equipment while operating.
- Before use, check for misalignment or binding of moving parts, breakage of parts, and any other condition that may affect the equipment’s operation. If damaged, have the equipment serviced before using. Many accidents are caused by poorly maintained equipment.
- Use the correct equipment for the application. Do not modify the equipment and do not use the equipment for a purpose for which it is not intended.
- Unconditioned electrical output can damage sensitive equipment. Do not use to power sensitive electronic equipment without appropriate line conditioner (sold separately).
Service precautions
- Before service, maintenance, or cleaning:
- Unplug all devices from the generator.
- Turn the engine switch to its “OFF” position.
- Allow the engine to completely cool.
- Then, remove the spark plug cap from the spark plug.
- Keep all safety guards in place and in proper working order. Safety guards include muffler, air cleaner, mechanical guards, and heat shields, among other guards.
- Keep all electrical equipment clean and dry. Replace any wiring where the insulation is cracked, cut, abraded, or otherwise degraded. Replace terminals that are worn, discolored, or corroded. Keep terminals clean and tight.
- Do not alter or adjust any part of the equipment or its engine that is sealed by the manufacturer or distributor. Only a qualified service technician may adjust parts that may increase or decrease governed engine speed.
- Wear ANSI-approved safety goggles, heavy-duty work gloves, and dust mask/respirator during service.
- Maintain labels and nameplates on the equipment. These carry important information. If unreadable or missing, contact Harbor Freight Tools for a replacement.
- Have the equipment serviced by a qualified repair person using only identical replacement parts. This will ensure that the safety of the equipment is maintained. Do not attempt any service or maintenance procedures not explained in this manual or any procedures that you are uncertain about your ability to perform safely or correctly.
- Store equipment out of the reach of children.
- Follow scheduled engine and equipment maintenance.
Refueling:
- Do not smoke, or allow sparks, flames, or other sources of ignition around the equipment, especially when refuelling.
- Do not refill the fuel tank while the engine is running or hot.
- Do not fill fuel tank to the top. Leave a little room for the fuel to expand as needed. TO PREVENT FUEL LEAKAGE AND FIRE HAZARD, do not fill fuel above the bottom of fuel strainer.

- Refuel in a well-ventilated area only.
- Wipe up any spilled fuel and allow excess to evaporate before starting engine. To prevent FIRE, do not start the engine while the smell of fuel hangs in the air.
Set Up
WARNING! TO pREVENT SERIOUS INJURY: Operate only with proper spark arrestor installed.
DANGER! Operation of this equipment may create sparks that can start fires around dry vegetation. A spark arrestor may be required. The operator should contact local fire agencies for laws or regulations
relating to fire prevention requirements.
Grounding
- The Generator must be properly grounded in accordance with all relevant electrical codes and standards before operation. Have the unit grounded by a qualified electrician if you are not qualified to do so.
- To ground the Generator, connect a #10 AWG grounding wire (not included) from the Grounding Terminal on the side of the unit to a grounding rod (not included). The grounding rod must be an earth-driven copper or brass rod (electrode) which can adequately ground the Generator.
- Refer to local regulations for ground source information.
Components and Controls

pre-Start Checks
Inspect engine and equipment looking for damaged, loose, and missing parts before set up and starting. If any problems are found, do not use equipment until fixed properly.
Checking and Filling Fuel
WARNING! TO pREVENT SERIOUS INJURY FROM FIRE: Fill the fuel tank in a well-ventilated area away from ignition sources. If the engine is hot from use, shut the engine off and wait for it to cool before adding fuel. Do not smoke.
- Clean the Fuel Cap and the area around it.
- Unscrew and remove the Fuel Cap.
- Remove the Strainer and remove any dirt and debris. Then replace the Strainer.
Note: Do not use gasoline containing more than 10% ethanol (E10). Do not use E85 ethanol. Add fuel stabilizer to the gasoline or the Warranty is VOID.
Note: Do not use gasoline that has been stored in a metal fuel container or a dirty fuel container. It can cause particles to enter the carburetor, affecting engine performance and/or causing damage.
IMpORTANT: Your Warranty is VOID if the Engine’s Fuel Tank is not filled with the proper mixture (50:1) of stabilizer-treated unleaded gasoline and 2-cycle oil before each use. Before each use, check the fuel level. Do not run the Engine with an improper unleaded gasoline/2-cycle oil mixture. Running the Engine with an improper mixture WILL permanently damage the Engine.
Starting the Engine
To obtain the proper gasoline and 2-cycle oil mixture, mix 2.5 fluid ounces of 2- cycle oil with 1 gallon of 87 octane or higher unleaded gasoline that has been treated with a fuel stabilizer additive into an approved container. Then gently agitate the container
to thoroughly mix the gasoline/2-cycle oil.- If needed, fill the Fuel Tank to about 1 inch under the fill neck of the Fuel Tank with the pre-mixed stabilizer-treated unleaded gasoline/2-cycle oil mixture.
- Then replace the Fuel Cap.
- Wipe up any spilled fuel and allow excess to evaporate before starting engine. To prevent FIRE, do not start the engine while the smell of fuel hangs in the air.
Before Starting the Engine
Before starting the engine:
- Inspect the generator and engine.
- Disconnect all electrical loads from the generator.
- Fill the engine with the proper amount and type of stabilizer-treated unleaded gasoline and 2-cycle oil mixture.
Manual Start
- Open the Fuel Valve.

- To start a cold engine, move the Choke to the START position. To restart a warm engine, leave the Choke in the RUN position.

- Turn the Engine Switch on.

- Grip the Starter Handle of the Engine loosely and pull it slowly several times to allow the gasoline to flow into the Engine’s carburetor. Then pull the Starter Handle gently until resistance is felt. Allow Cable to retract fully and then pull it quickly. Repeat until the engine starts. Note: Do not let the Starter Handle snap back against the engine. Hold it as it recoils so it doesn’t hit the engine.

- Allow the Engine to run for several seconds. Then, if the Choke lever is in the START position, move the Choke Lever very slowly to its RUN position. Note: Moving the Choke Lever too fast could stall the engine.

IMpORTANT: Allow the engine to run at no load for three minutes after each start-up so that the engine can stabilize.
Break-in period:
- Breaking-in the engine will help to ensure proper equipment and engine operation.
- The break-in period will last about 25 hours of use. DO NOT exceed 75% of the Generator’s rated capacity during this period.
- Change the engine fuel/oil mixture after this period.
- Under normal operating conditions subsequent maintenance follows the schedule explained in the MAINTENANCE section.
Connecting Loads to the Generator
Load And Circuit Breaker:
- The total combined load through the outlet on the Generator must not exceed the
rated maximum power of the unit. - Reduce the load if the AC Circuit Breaker turns off. Once the load is reduced, press the Circuit Breaker Button to reset the Generator and continue operation.
Calculate power Draw:
Power draw can be calculated by multiplying volts and amps. The resulting number is wattage.
- Never exceed the rated maximum wattage for the Generator or any outlet amperage rating.
- Refer to appliance/tool owner’s manuals to determine the wattage of electrical load devices.
- Long power cords and extension cords draw additional power. Keep cord length at a minimum.
Wattage Estimates
Wattages listed below are estimates for that type of equipment only. Check nameplate wattages on all loads before connecting to Generator.
| This Unit Can power Any One of the Following Items: | Running Watts | Max. Starting Watts |
| Camping | 50-700 | |
| Tailgating | 50-700 | |
| Radio | 50-200 | |
| Table/Box Fan | 200 | |
| 15 Amp Battery Charger | 380 | |
| Outdoor Power Equipment | 500 | |
| Mini Refrigerator | 400 | 700 |
| Ten 60 Watt Light Bulbs | 600 |
Stopping the Engine
- To stop the engine in an emergency, turn the Engine Switch off.
- Under normal conditions, use the following procedure:
- Remove all electrical load devices from the Generator.
- Turn the Engine Switch off.
- Close the Fuel Valve.
- Allow the Engine to run at no load for five minutes after each start-up to allow the Engine to stabilize.

- Plug the power cord of the 120 volt appliance/ tool into the 120 volt AC Outlet on the Generator. Note: Do not allow the generator to completely run out of fuel with devices attached. A generator’s output may sharply spike as it runs out of fuel, causing damage to attached devices.

- When finished using the appliance/tool, turn it off and unplug it from the AC Outlet on the Generator.


Maintenance
WARNING TO pREVENT SERIOUS INJURY FROM ACCIDENTAL STARTING:
- Turn the power Switch of the equipment to its “OFF” position, wait for the engine to cool, and disconnect the spark plug cap before performing any inspection, maintenance, or cleaning procedures.
TO pREVENT SERIOUS INJURY FROM EQUIpMENT FAILURE:
- Do not use damaged equipment. If abnormal noise, vibration, or excess smoking occurs, have the problem corrected before further use.
- Follow all service instructions in this manual. The engine may fail critically if not serviced properly.
DANGER Many maintenance procedures, including any not detailed in this manual, will need to be performed by a qualified technician for safety. If you have any doubts about your ability to safely service the equipment or engine, have a qualified technician service the equipment instead.
Cleaning, Maintenance, and Lubrication Schedule
Note: This maintenance schedule is intended solely as a general guide. If performance decreases or if equipment operates unusually, check systems immediately. The maintenance needs of each piece of equipment will differ depending on factors such as duty cycle, temperature, air quality, fuel quality, and other factors.
Note: The following procedures are in addition to the regular checks and maintenance explained as part of the regular operation of the engine and equipment.
procedure | Before Each Use | Monthly or every 20 hr. of use | Every 3 mo. or 50 hr. of use | Every 6 mo. or 100 hr. of use | Yearly or every 300 hr. of use | Every 2 Years |
| Brush off outside of engine | ||||||
| Check engine fuel/oil mixture level | ||||||
| Check air cleaner | ||||||
| Check sediment cup | ||||||
| Change engine oil | ||||||
| Clean air filter | * | |||||
| Check and clean spark plug | ||||||
| 1. Check/adjust idle speed 2. Check/adjust valve clearance 3. Clean fuel tank, strainer and carburetor 4. Clean carbon build-up from combustion chamber | ** | ** | ||||
| Replace fuel line if necessary | ** |
Checking and Filling Fuel
WARNING! TO pREVENT SERIOUS INJURY FROM FIRE:
- Fill the fuel tank in a well-ventilated area away from ignition sources. If the engine is hot from use, shut the engine off and wait for it to cool before adding fuel. Do not smoke.
- Clean the Fuel Cap and the area around it.
- Unscrew and remove the Fuel Cap.
- Remove the Strainer and remove any dirt and debris. Then replace the Strainer.
Note: Do not use gasoline containing more than 10% ethanol (E10). Do not use E85 ethanol. Add fuel stabilizer to the gasoline or the Warranty is VOID.
Note: Do not use gasoline that has been stored in a metal fuel container or a dirty fuel container. It can cause particles to enter the carburetor, affecting engine performance and/or causing damage.
IMpORTANT: Your Warranty is VOID if the Engine’s Fuel Tank is not filled with the proper mixture (50:1) of stabilizer-treated unleaded gasoline and 2-cycle oil before each use. Before each use, check the fuel level. Do not run the Engine with an improper unleaded gasoline/2-cycle oil mixture. Running the Engine with an improper mixture WILL permanently damage the Engine.
- To obtain the proper gasoline and 2-cycle oil mixture, mix 2.5 fluid ounces of 2- cycle oil with 1 gallon of 87 octane or higher unleaded gasoline that has been treated with a fuel stabilizer additive into an approved container. Then gently agitate the container to thoroughly mix the gasoline/2-cycle oil.
- If needed, fill the Fuel Tank to about 1 inch under the fill neck of the Fuel Tank with the pre-mixed stabilizer-treated unleaded gasoline/2-cycle oil mixture.
- Then replace the Fuel Cap.
- Wipe up any spilled fuel and allow excess to evaporate before starting engine. To prevent FIRE, do not start the engine while the smell of fuel hangs in the air.
Air Filter Maintenance
- Remove the Air Cleaner Cover and the air filter(s) and check for dirt. Clean as described below.
- Cleaning:
- For paper filters:
To prevent injury from dust and debris, wear ANSI-approved safety goggles, NIOSH approved dust mask/respirator, and heavy-duty work gloves. In a well-ventilated area away from bystanders, use pressurized air to blow dust out of the filter. - For foam filters:
Wash the filter in warm water and mild detergent several times. Rinse. Squeeze out excess water and allow it to dry completely. Soak the filter in lightweight oil briefly, then squeeze out the excess oil.
- For paper filters:
- Install the cleaned filter(s). Secure the Air Cleaner Cover before use.
Spark plug Maintenance

- Disconnect spark plug cap from end of plug. Clean out debris from around spark plug.
- Using a spark plug wrench, remove the spark plug.
- Inspect the spark plug: If the electrode is oily, clean it using a clean, dry rag. If the electrode has deposits on it, polish it using emery paper. If the white insulator is cracked or chipped, the spark plug needs to be replaced.
Recommended Spark plugs BONON® F5TC NOTICE: Using an incorrect spark plug may damage the engine.
- When installing a new spark plug, adjust the plug’s gap to the specification on the Specifications chart. Do not pry against the electrode, the spark plug can be damaged.
- Install the new spark plug or the cleaned spark plug into the engine.
- Gasket-style:
Finger-tighten until the gasket contacts the cylinder head, then tighten about 1/2-2/3 turn more. - Non-gasket-style:
Finger-tighten until the plug contacts the cylinder head, then tighten about 1/16 turn more. NOTICE: Tighten the spark plug properly. If loose, the spark plug will cause the engine to overheat. If overtightened, the threads in the engine block will be damaged.
- Gasket-style:
- Apply dielectric spark plug boot protector (not included) to the end of the spark plug and reattach the wire securely.
Long-Term Storage
When the equipment is to remain idle for longer than 20 days, prepare the Engine for storage as follows:
- CLEANING:
Wait for Engine to cool, then clean Engine with dry cloth. NOTICE: Do not clean using water. The water will gradually enter the Engine and cause rust damage. Apply a thin coat of rust preventive oil to all metal parts. - FUEL:
To protect the fuel tank during storage, fill the tank with with the proper mixture (50:1) of stabilizer-treated unleaded gasoline and 2-cycle oil Refer to Checking and Filling Fuel on page 11. - LUBRICATION:
- Clean out area around spark plug. Remove spark plug and pour one tablespoon of engine oil into cylinder through spark plug hole.
- Replace spark plug, but leave spark plug cap disconnected.
- Pull Starter Handle to distribute oil in cylinder. Stop after one or two revolutions when you feel the piston start the compression stroke (when you start to feel resistance).
- STORAGE AREA: Cover and store in a dry, level, well-ventilated area out of reach of children. Storage area should also be away from ignition sources, such as water heaters, clothes dryers, and furnaces. NOTICE: During extended storage periods the Engine must be started every 3 months and allowed to run for 15 – 20 minutes or the Warranty is VOID.
- AFTER STORAGE: Before starting the Engine during or after storage, keep in mind that untreated gasoline will deteriorate quickly. Drain the fuel
tank and change to fresh fuel if untreated gasoline has been sitting for a month, if treated gasoline has been sitting beyond the fuel stabilizer’s recommended time period, or if the Engine does not start.
Troubleshooting
| problem | possible Causes | probable Solutions |
| Engine will not start | FUEL RELATED: 1. No fuel in tank or fuel valve closed.
2. Choke not in START position, cold engine. 3. Gasoline with more than 10% ethanol used. (E15, E20, E85, etc.)
4. Low quality or deteriorated, old gasoline/ oil mixture.
5. Carburetor not primed. 6. Dirty fuel passageways.
7. Carburetor needle stuck. Fuel can be smelled in the air. 8. Too much fuel in chamber. This can be caused by the carburetor needle sticking.
9. Clogged Fuel Filter. | FUEL RELATED: 1. Fill fuel tank with 87+ octane stabilizer-treated unleaded gasoline/ oil mixture and open fuel valve. 2. Move Choke to START position. 3. Clean out ethanol rich gasoline from fuel system. Replace components damaged by ethanol. Use fresh 87+ octane stabilizer- treated unleaded gasoline/oil mixture only. Do not use gasoline with more than 10% ethanol (E15, E20, E85, etc.). 4. Use fresh 87+ octane stabilizer-treated unleaded gasoline/oil mixture. Do not use gasoline with more than 10% ethanol (E15, E20, E85, etc.). 5. Pull on Starter Handle to prime. 6. Clean out passageways using fuel additive. Heavy deposits may require further cleaning. 7. Gently tap side of carburetor float chamber with screwdriver handle. 8. Turn Choke to RUN position. Remove spark plug and pull the start handle several times to air out the chamber. Reinstall spark plug and set Choke to START position. 9. Replace Fuel Filter. |
| IGNITION (SPARK) RELATED: 1. Spark plug cap not connected securely. 2. Spark plug electrode wet or dirty. 3. Incorrect spark plug gap. 4. Spark plug cap broken. 5. Incorrect spark timing or faulty ignition system. | IGNITION (SPARK) RELATED: 1. Connect spark plug cap properly. 2. Clean spark plug. 3. Correct spark plug gap. 4. Replace spark plug cap. 5. Have qualified technician diagnose/ repair ignition system. | |
| COMPRESSION RELATED: 1. Cylinder not lubricated. Problem after long storage periods.
2. Loose or broken spark plug. (Hissing noise will occur when trying to start.)
3. Loose cylinder head or damaged head gasket. (Hissing noise will occur when trying to start.) 4. Engine valves or tappets mis-adjusted or stuck. | COMPRESSION RELATED: 1. Pour tablespoon of oil into spark plug hole. Crank engine a few times and try to start again. 2. Tighten spark plug. If that does not work, replace spark plug. If problem persists, may have head gasket problem, see #3. 3. Tighten head. If that does not remedy problem, replace head gasket. 4. Have qualified technician adjust/ repair valves and tappets. |
| problem | possible Causes | probable Solutions |
| Engine misfires | 1. Spark plug cap loose. 2. Incorrect spark plug gap or damaged spark plug. 3. Defective spark plug cap. 4. Old or low quality gasoline/oil mixture.
5. Incorrect compression. | 1. Check wire connections. 2. Re-gap or replace spark plug.
3. Replace spark plug cap. 4. Use only fresh 87+ octane stabilizer-treated unleaded gasoline/oil mixture. Do not use gasoline with more than 10% ethanol (E15, E20, E85, etc.). 5. Diagnose and repair compression. (Use Engine will not start: COMpRESSION RELATED section.) |
| Engine stops suddenly | 1. Fuel tank empty or full of impure or low quality gasoline/oil mixture.
2. Defective fuel tank cap creating vacuum, preventing proper fuel flow. 3. Faulty magneto. 4. Disconnected or improperly connected spark plug cap. | 1. Fill fuel tank with fresh 87+ octane stabilizer-treated unleaded gasoline/oil mixture. Do not use gasoline with more than 10% ethanol (E15, E20, E85, etc.). 2. Test/replace fuel tank cap.
3. Have qualified technician service magneto. 4. Secure spark plug cap. |
| Engine stops when under heavy load | 1. Dirty air filter 2. Engine running cold. | 1. Clean element. 2. Allow engine to warm up prior to operating equipment. |
| Engine knocks | 1. Old or low quality gasoline/oil mixture.
2. Engine overloaded. 3. Incorrect spark timing, deposit buildup, worn engine, or other mechanical problems. | 1. Fill fuel tank with fresh 87+ octane stabilizer-treated unleaded gasoline/oil mixture. Do not use gasoline with more than 10% ethanol (E15, E20, E85, etc.). 2. Do not exceed equipment’s load rating. 3. Have qualified technician diagnose and service engine. |
| Engine backfires | 1. Impure or low quality gasoline/oil mixture.
2. Engine too cold.
3. Intake valve stuck or overheated engine.
4. Incorrect timing. | 1. Fill fuel tank with fresh 87+ octane stabilizer-treated unleaded gasoline/oil mixture. Do not use gasoline with more than 10% ethanol (E15, E20, E85, etc.). 2. Use cold weather fuel additives to prevent backfiring. 3. Have qualified technician diagnose and service engine. 4. Check engine timing. |
| Attached device doesn’t have power | 1. Device not plugged in properly.
2. Circuit Breaker tripped.
3. Product needs service. | 1. Turn off and unplug the device, then plug it back in again and turn on. 2. Turn off and unplug device, reset Circuit Breaker, plug in device and turn on. 3. Have product repaired. |
| Attached device begins to operate abnormally | 1. Problem with device.
2. Rated load capacity exceeded. | 1. Immediately unplug device. Have device repaired by a qualified technician, or replace device. 2. Lower the number of items plugged into the generator to stay within the rated capacity, or use a more powerful generator. |
Follow all safety precautions whenever diagnosing or servicing the generator or engine.
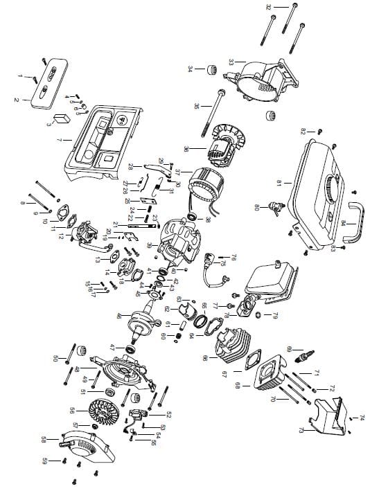
parts Lists and Diagrams
| part | Description | Qty. |
| 1 | Bolt 6 x 16 | 2 |
| 2 | Filter Covering | 1 |
| 3 | Filter Block | 1 |
| 4 | Bolt Rivet 6 x 20 | 1 |
| 5 | Flat Washer | 2 |
| 6 | Steel Set | 1 |
| 7 | Control Panel | 1 |
| 8 | Bolt 6 x 65 | 2 |
| 9 | Spring Washer | 4 |
| 10 | Filter Flange | 1 |
| 11 | Carburetor Cushion I | 1 |
| 12 | Carburetor Assembly | 1 |
| 13 | Carburetor Cushion II | 1 |
| 14 | Valve | 1 |
| 15 | Bolt 6 x 20 | 4 |
| 16 | Spring Washer | 4 |
| 17 | Flat Washer | 4 |
| 18 | Seal Ring | 1 |
| 19 | Bolt 3 x 8 | 2 |
| 20 | Adjustable Speed Fork | 1 |
| 21 | Adjustable Speed Lever | 1 |
| 22 | Bolt 6 x 40 | 1 |
| 23 | Seal Ring | 1 |
| 24 | Press Spring | 1 |
| 25 | Adjustable Speed Piece | 1 |
| 26 | Adjustable Speed Pull Lever | 1 |
| 27 | Adjustable Sprind Spring | 1 |
| 28 | Adjustable Speed Arm | 1 |
| 29 | Square Bolt | 1 |
| 30 | Nut | 1 |
| 31 | Pull Spring | 1 |
| 32 | Flange Bolt 6 x 80 | 3 |
| 33 | Back Cover | 1 |
| 34 | Shock Absorber Foot | 4 |
| 35 | Flange Bolt 8 x 154 | 1 |
| 36 | Rotor | 1 |
| 37 | Stator | 1 |
| 38 | Big Oil Sealing | 1 |
| 39 | Ringt Tank | 1 |
| 40 | Fixing Pin Sheath | 2 |
| 41 | Bearing 6004 | 1 |
| 42 | Fender Ring Ø47 | 1 |
| 43 | Slide Block | 1 |
| 44 | Bolt 6 x 12 | 2 |
| part | Description | Qty. |
| 45 | Shelf | 1 |
| 46 | Bent Axle | 1 |
| 47 | Bearing 6004 | 1 |
| 48 | Left Tank | 1 |
| 49 | Flange Bolt 6 x 45 | 4 |
| 50 | Flange Bolt 6 x 55 | 2 |
| 51 | Big Oil Sealing | 1 |
| 52 | Magnetic Motor | 1 |
| 53 | Bolt 6 x 16 | 2 |
| 54 | Press Board | 1 |
| 55 | Flange Bolt | 1 |
| 56 | Flywheel | 1 |
| 57 | Flange Bolt 10 x 1.25 | 1 |
| 58 | Start Cover | 1 |
| 59 | Flange Bolt 6 x 12 | 4 |
| 60 | Needle Bearing | 1 |
| 61 | Piston Pin | 1 |
| 62 | Piston | 1 |
| 63 | Piston Pin Fender Ring | 2 |
| 64 | Cylinder Seal Cushion | 1 |
| 65 | Piston Ring | 1 |
| 66 | Cylinder Block | 1 |
| 67 | Cylinder Head Gasket | 1 |
| 68 | Cylinder Head | 1 |
| 69 | Spark Plug | 1 |
| 70 | Flange Bolt 6 x 100 | 2 |
| 71 | Double Head Bolt 6 x 113 | 2 |
| 72 | Long Shape Nut 6 x 20 | 2 |
| 73 | Cylinder Head Cover | 1 |
| 74 | Flange Bolt 6 x 12 | 2 |
| 75 | High Tension Line | 1 |
| 76 | Bolt 6 x 20 | 1 |
| 77 | Flange Bolt 6 x 16 | 2 |
| 78 | Muffler | 1 |
| 79 | Washer | 1 |
| 80 | Gasoline Switch Assembly | 1 |
| 81 | Fuel Tank | 1 |
| 82 | Flange Bolt 6 x 12 | 4 |
| 83 | Round Head Bolt 6 x 30 | 2 |
| 84 | Handle | 1 |
| 85 | Capacitor (not shown) | 1 |
| 86 | Self-Tapping Screw (not shown) | 1 |
| 87 | Rubber Pad (not shown) | 1 |
Assembly Diagram

Warranties
Limited 90 Day Warranty (Retail)
Harbor Freight Tools Co. makes every effort to assure that its products meet high quality and durability standards, and warrants to the original purchaser that this product is free from defects in materials and workmanship for the period of 90 days from the date of purchase. This warranty does not apply to damage due directly or indirectly, to misuse, abuse, negligence or accidents, repairs or alterations outside our facilities, criminal activity, improper installation, normal wear and tear, or to lack of maintenance. We shall in no event be liable for death, injuries
to persons or property, or for incidental, contingent, special or consequential damages arising from the use of our product. Some states do not allow the exclusion or limitation of incidental or consequential damages, so the above limitation of exclusion may not apply to you.
THIS WARRANTY IS EXPRESSLYIN LIEU OF ALL OTHER WARRANTIES, EXPRESS OR IMPLIED, INCLUDING THE WARRANTIES OF MERCHANTABILITY AND FITNESS, EXCEPT FOR THE EMISSIONS CONTROL SYSTEM WARRANTY BELOW.
To take advantage of this warranty, the product or part must be returned to us with transportation charges prepaid. Proof of purchase date and an explanation of the complaint must accompany the merchandise. If our inspection verifies the defect, we will either repair or replace the product at our election or we may elect to refund the purchase price if we cannot readily and quickly provide you with a replacement. We will return repaired products at our expense, but if we determine there is no defect, or that the defect resulted from causes not within the scope of our warranty, then you must bear the cost of returning the product.
This warranty gives you specific legal rights and you may also have other rights which vary from state to state.
Emissions Control System Warranty
The California Air Resources Board and Harbor Freight Tools (HFT) are pleased to explain the emissions control system warranty on your 2016 Small Off-Road Engine, in addition to the Retail Warranty above. In California, new equipment that uses small off-road engines must be designed, built, and equipped to meet the State’s stringent anti-smog standards. HFT must warrant that the emissions control system on your engine will be free from defects in material and workmanship for two (2) years, provided there has been no abuse, neglect, or improper maintenance of your engine.
Your emissions control system may include parts such as the carburetor or fuel-injection system, the ignition system, catalytic converter, fuel tanks, fuel lines, fuel caps, valves, canisters, vapor hoses, clamps, connectors, and other emissions-related assemblies. Where a warrantable condition exists, HFT will repair or replace, at our option, your engine if at no cost to you, including diagnosis, parts and labor.
MANUFACTURER’S WARRANTY COVERAGE
This emissions control system is warranted for two years. If any emission-related part on your engine is defective, the part will be repaired or replaced by HFT.
OWNER’S WARRANTY RESPONSIBILITIES
As the engine owner, you are responsible for the performance of the required maintenance listed in your Owner’s Manual. As the engine owner, you should however be aware that HFT may deny you warranty coverage if your engine or a part has failed due to abuse (including failure to follow the fuel use instructions contained in this manual), neglect, improper maintenance, or unapproved modifications.
You are responsible for contacting HFT as soon as the problem exists in order to obtain warranty repair
or replacement, by doing either of the following:
- contact HFT product support at 1-888-866-5797 or [email protected]; or
- bring the to your nearest Harbor Freight Tools retail store. The nearest Harbor Freight Tools retail store can be found on the internet at http://www.harborfreight.com. The warranty repairs or replacement should be completed in a reasonable amount of time, not to exceed 30 days. If you have a question regarding your warranty coverage, you should contact HFT product support at 1-888-866-5797 or [email protected].
GENERAL EMISSIONS WARRANTY COVERAGE
- The warranty period begins on the date the engine or equipment is delivered to an ultimate purchaser. The warranty period is two years.
- HFT warrants to the initial owner and each subsequent owner that the engine is:
- Designed, built, and equipped so as to conform with all applicable regulations adopted by the Air Resources Board; and
- Free from defects in materials and workmanship that causes the failure of a warranted part for a period of two years.
- The warranty on emissions-related parts is as follows:
- Any warranted part that is not scheduled for replacement as required maintenance in the written instructions provided, is warranted for the warranty period stated above. If any such part fails during the period of warranty coverage, it will be repaired or replaced HFT. Any such part repaired or replaced under the warranty will be warranted for the remaining warranty period.
- Any warranted part that is scheduled only for regular inspection in the written instructions is warranted for the warranty period stated above. A statement in the written instructions to the effect of “repair or replace as necessary” does not reduce the period of warranty coverage. Any such part repaired or replaced under warranty will be warranted for the remaining warranty period.
- Any warranted part that is scheduled for replacement as required maintenance in the written instructions will be warranted for the period of time prior to the first scheduled replacement point for that part. If the part fails prior to the first scheduled replacement, the part will be repaired or replaced by HFT. Any such part repaired or replaced under warranty will be warranted for the remainder of the period prior to the first scheduled replacement point for the part.
- Repair or replacement of any warranted part under the warranty will be performed at no charge to the owner at a retail store or by HFT paying for shipping the product for repair.
- Notwithstanding the provisions herein, warranty services or repairs will be provided at all retail stores or by contacting HFT product support at 1-888-866-5797 or [email protected].
- The owner will not be charged for diagnostic labor that leads to the determination that a warranted part is in fact defective, provided that such diagnostic work is performed at a retail store.
- HFT is liable for damages to other engine components proximately caused by a failure under warranty of any warranted part.
- Throughout the emissions warranty period stated above, HFT will maintain a supply of warranted parts sufficient to meet the expected demand for such parts.
- Any replacement part may be used in the performance of any warranty maintenance or repairs and will be provided without charge to the owner. Such use will not reduce the warranty obligations of HFT.
- Add-on or modified parts that are not approved by HFT may not be used. The use of any non-exempted add-on or modified parts will be grounds for disallowing a warranty claim. HFT is not liable to warrant failures of warranted parts caused by the use of a non-exempted add-on or modified part.
- Emission Warranty Parts List.
- Fuel Metering System
- Carburetor and its internal parts (and/or pressure regulator or fuel injection system).
- Fuel tank.
- Cold start enrichment system.
- Air/fuel ratio feedback and control system.
- Air Induction System
- Controlled hot air intake system.
- Intake manifold.
- Air filter.
- Ignition System
- Spark plugs.
- Magneto ignition system.
- Spark advance/retard system.
- Catalyst System (if so equipped)
- Exhaust pipe stud/exhaust manifold.
- Thermal reactor.
- Catalytic converter (if so equipped).
- Particulate Controls
- Traps, filters, precipitators, and any other device used to capture particulate emissions
- Miscellaneous Items Used in Above Systems
- Vacuum, temperature and time sensitive valves and switches.
- Hoses, belts, connectors, and assemblies.
- Evaporative Emission Control System
- Fuel tank.
- Fuel caps, valves, canisters, filters, vapor hoses, clamps, connectors, belts, and assemblies.
pLEASE READ THE FOLLOWING CAREFULLY
THE MANUFACTURER AND/OR DISTRIBUTOR HAS PROVIDED THE PARTS LIST AND ASSEMBLY DIAGRAM IN THIS MANUAL AS A REFERENCE TOOL ONLY. NEITHER THE MANUFACTURER OR DISTRIBUTOR MAKES ANY REPRESENTATION OR WARRANTY OF ANY KIND TO THE BUYER THAT HE OR SHE IS QUALIFIED TO MAKE ANY REPAIRS TO THE PRODUCT, OR THAT HE OR SHE IS QUALIFIED TO REPLACE ANY PARTS OF THE PRODUCT. IN FACT, THE MANUFACTURER AND/OR DISTRIBUTOR EXPRESSLY STATES THAT ALL REPAIRS AND PARTS REPLACEMENTS SHOULD BE UNDERTAKEN BY CERTIFIED AND LICENSED TECHNICIANS, AND NOT BY THE BUYER. THE BUYER ASSUMES ALL RISK AND LIABILITY ARISING OUT OF HIS OR HER REPAIRS TO THE ORIGINAL PRODUCT OR REPLACEMENT PARTS THERETO, OR ARISING OUT OF HIS OR HER INSTALLATION OF REPLACEMENT PARTS THERETO.
For more manuals about Harbor Freight, visit MnaualsLibraryy
Harbor Freight TailGator 63024 Gas Generator-FAQs
What kind of oil does a Harbor Freight generator take?
The generator uses SAE 10W-30 oil with a capacity of 20 fl. oz.
How many hours can a generator run on a tank of gas?
Run time depends on size. For example, a 5,000-watt generator runs up to 10 hours, while a 10,000-watt generator can last up to 20 hours on a full tank.
How do you remove gas from a portable generator?
Open the screw at the bottom of the carburetor bowl to drain the gas into a container. Disconnect the fuel line to empty the tank into a gas can.
How much oil does a generator need?
Most generators require between 1 to 2 quarts of oil. Check your owner’s manual for specific recommendations.
How do you use fuel stabilizer in a generator?
Add fuel stabilizer to a full gas tank, then start the generator to circulate the stabilizer through the fuel system.
What is the safe distance between a generator and a fuel tank?
Keep electrical equipment at least 5 feet away from the perimeter of a fuel tank.
How much natural gas does a generator use?
Natural gas consumption varies. A generator may use 1.86 cubic feet per hour for 1,000W at 25% load or 222.9 cubic feet per hour for 30,000W at full load.
What is the working principle of a gas generator?
A gas generator uses an internal combustion engine to spin a shaft, which rotates an armature inside a magnetic field, generating electricity.
Can you start a generator without the key?
Yes, you can bypass the ignition switch to turn the generator on if the key is lost.
How do you run a generator in the rain?
Cover the generator, keep it dry, ensure proper ventilation, and avoid using it during extreme weather.


To obtain the proper gasoline and 2-cycle oil mixture, mix 2.5 fluid ounces of 2- cycle oil with 1 gallon of 87 octane or higher unleaded gasoline that has been treated with a fuel stabilizer additive into an approved container. Then gently agitate the container





