![]()
Honeywell HM750 Electrode Steam Humidifier

INTRODUCTION
The HM750 is the most advanced residential steam humidifier available and provides steady and reliable humidification for a home. The humidifier is designed for connection directly to a supply air duct for humidity on demand. The humidifier may be directly mounted to the air duct, or remotely from the air duct, with a steam hose connecting the humidifier to a distributor nozzle installed at the air duct.
Included in the Box
- HM750 steam humidifier
- H6062 Humidify PRO
- Steam distributor nozzle
- Rubber drain hose
- LOPE water hose
- Baffle (duct mount only)
- Foam gasket (duct mount only)
- Steam hose (wall mount only)
- Fittings, hardware, and mounting template
- Installation Instructions, 33-00289 (this document)
- Annual Operation and Maintenance Reminder
Tools Needed
- Flat-head screwdriver
- Phillips screwdriver
- Wrench
- Copper pipe (optional)
- Level
- Hole saw
Humidifier Configuration
The HM750 is configured at the factory to operate under most conditions without the need to change its configuration.
Before Installation
- Ensure that available voltage and phase corresponds with humidifier voltage and phase as indicated on humidifier’s specification label.
- Ensure that the dedicated external fuse disconnect is of sufficient size to handle the rated amps as indicated on the specification label. Refer to local codes.
- Ensure sufficient clearances will be available as described in the Location section on page 6.
- If the humidifier will be wall mounted, ensure steam lines can be routed to duct as described in the Steam Line Instructions on page 7.
Table 1.Specifications


Parts and Accessories
The following parts and accessories are available and may have been included with your HM750 humidifier. The cylinder is the only item that will need periodic replacement to maintain proper humidifier operation.
Table 2. Parts and accessories

How the Humidifier Works
The HM750 is an atmospheric steam generator that uses heat generated by electrical current flowing between submerged electrodes to generate steam. The HM750 is designed for on-demand air humidification via a steam distributor nozzle.
STEAM GENERATION
- Once the humidistat terminals and the air proving terminals are closed (AP on the control board), the humidifier closes the power relay and measures the electrical current.
- If current is lower than full load amperage, after a brief delay the water fill valve will be activated and water will flow into the fill cup. Water from the fill cup flows into the bottom of the cylinder through a hose connected to the drain valve housing.
- As soon as the water in the cylinder comes in contact with the energized electrodes, current flows through the water. The resistance of the water to the electrical current generates heat and in turn steam. The electrical current (and steam output) increases as the level of water increases, as more of the electrode becomes submerged. The unit continues to fill until the current reaches full load amperage, or the high water sensor detects a high water level.
- The water level and current draw in the cylinder decreases from evaporation (through steam generation).
- If the high water sensor was activated before full load amperage is achieved, the water will boil down until the high water sensor is no longer activated. If full load amperage was achieved, the water will boil down to a predefined amperage.
- The HM750 repeats the fill and boil down cycle repeatedly to provide a constant steam output. Over time, minerals in the water will adhere to the cylinder electrodes. The humidifier will automatically fill to a higher water level to maintain full capacity during the life of the cylinder. Eventually, because of scale formation, it will no longer be possible for the humidifier to reach its full capacity. The HM750 software monitors this condition and, when detected, will stop operating and the Cylinder LED will be illuminated.
DRAINS
- As steam is produced, minerals are left behind, increasing the conductivity of the water. The HM750 auto-adaptive cycle will monitor the water conductivity and perform drains to maintain the water at optimal conductivity for peak performance.
- The auto-adaptive cycle ensures cylinder life is maximized. It does this by keeping the tightest control and most efficient use of water during the entire cylinder life.
STEAM DISTRIBUTION
Steam generated by the humidifier may be introduced into the air in two different ways. The humidifier may be mounted directly onto the duct, to allow the steam distributor nozzle to enter into the supply air duct. Alternatively, the humidifier may be located remotely from the air supply duct. It may be connected to the distributor nozzle at the duct using a steam hose.
STEAM LINE
The steam line between the cylinder steam outlet and the distributor nozzle serves two purposes: it is used as a conduit to transfer the atmospheric steam from the humidifier to the distributor nozzle, as well as providing a means to remove condensate. See “Steam Line Instructions” on page 7 for information on selecting steam lines.
Whenever steam is distributed, condensate is formed in the distribution system. Insulating steam lines is one important way to reduce the amount of condensate formed. Steam lines must also be sloped so that condensate does not collect in the lines and create a restriction to steam flow. As shown in the Plumbing section, steam lines should maintain a slope back to the humidifier of, as a minimum, 4 in. (10 cm) RISE per 12 in. (30 cm) of RUN.
SIZING
IMPORTANT
The HM750 should only be installed if it has been sized properly. Do not use square feet when sizing a humidifier installation. Instead, cubic feet must be used, since the humidity is filling a volume of space (width x length x height). Also, take into consideration the “tightness ” of a home’s construction.
The HM750 produces 11 gallons per day (GPO) when run on 120 V and 22 GPO when run on 240 V. See Figure 20 for details on configuring the HM750 to run on a different voltage. Table 3 contains AHRI recommendations for humidity requirements and Table 4 shows what humidifiers and output configuration will satisfy the humidification requirements.


Fig. 2. Typical HM750 Installation. Measurements in inches (mm).
LOCATION
Mount on a suitable wall or vertical surface. Do not sit the unit on the floor. Allow clearances required for plumbing and electrical connections. Clearance dimensions shown are for reference only and are the minimum required for maintenance of the humidifier.

Fig. 3. Clearances for the HM750
Consult local and national codes before final location and installation. Honeywell does not accept responsibility for installation code violations.
- Install only in areas with ambient temperature 41 to 104 OF (5 to 40 OC) and relative humidity 5 to 95 %, non-condensing.
- Humidifier must be installed below the steam distributor nozzle. Take care to provide proper steam line routing.
- DO NOT locate the humidifier any further than absolutely necessary from the steam distributor nozzle location as net output will be reduced as a result of heat loss through the steam line.
- When possible, mount the HM750 humidifier at a height convenient for servicing.

Fig. 4. Distributor nozzle installed vertically in a horizontal duct. (Remote mount)
Steam Nozzle Location
Whether the humidifier is being installed directly on the air duct or remotely, the location of the distributor nozzle in the air duct should follow the subsequent rules:

Fig. 5. Distributor installed horizontally (side mount) in a horizontal duct. (Remote mount) Measurements in inches (mm).

Fig. 6. Distributor nozzle installed horizontally in a vertical duct. (Remote mount)
Steam Line Instructions
The following instructions must be followed for installation of steam lines for the HM750. Failure to use recommended material (see Table 5), or failure to follow any other steam line installation instructions will result in improper operation and could void the warranty.
Table 5. Recommended Steam Line Material for HM750 Duct

Main Rules for Atmospheric Steam Lines
- Steam lines must not have any restrictions which could result in back pressure.
- Maximum recommended steam line length: 15 ft. (4.6 m)
- use only Honeywell supplied hose and follow recommended lengths.
- Install steam line in a vertical (upwards) fashion from the HM 750 to the distribution nozzle, with a minimum slope of 4 in. (10 cm) RISE for every 12 in. (30 cm) RUN.
- Insulate with 1.5 in. (3.8 cm) pipe insulation on steam hose (recommended).
- Do not over tighten hose clamp at cylinder steam outlet.
- If the 15 ft. steam hose is used, support the hose to maintain proper slope and avoid excess weight on the humidifier and nozzle.

Steam Distributor Nozzle
Remote-Mount — The HM750 must be connected with a steam hose to a steam distributor nozzle installed in the supply-side of ductwork As shipped, the HM750 is configured with a steam guide for remote mounting. The steam outlet points upwards and is only used when the humidifier is installed remote to the air supply duct.
The steam distributor nozzle should be installed as close as possible to the humidifier — to a maximum of 15 ft. (4.6 m). The HM750 is supplied with a 5 Ft. steam hose. A 15 Ft. hose is available as an accessory. Short steam distribution lines minimize condensate loss and the possibility of generating backpressure in the steam distribution line. It is important that the steam line have a constant slope of, as a minimum, 4 in. (10 cm) RISE for every 12 in. (30cm) of RUN. See Fig. B.

Steam Line Installation Examples

Fig. 9. Steam distributor above humidifier (hose). Measurements in inches (mm).

Fig. 10. Steam distributor below humidifier with obstruction (hose). Measurements in inches (mm).

Fig. 11. Common steam line installation errors.
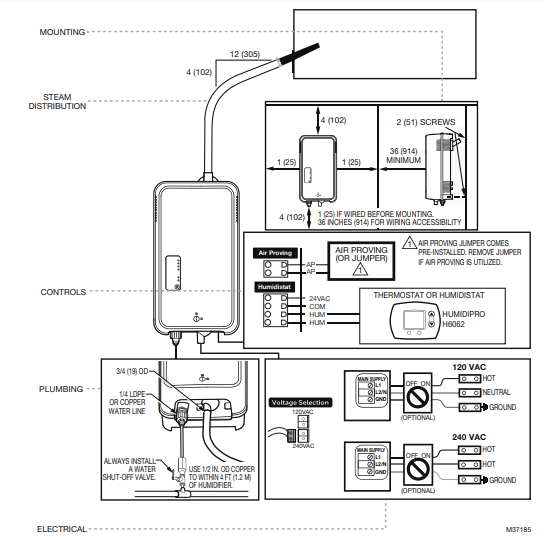
MOUNTING THE HUMIDIFIER
The HM750 can be mounted either directly on a supply air duct or remotely mounted on a wall. When remotely mounted the steam nozzle is mounted on a duct and connected to the HM750 with a steam hose. The HM750 has a keyhole and three additional mounting holes as shown in Fig. 12.
Fig. 12. Mounting locations. (Rear view)
Mounting to a Wall
The HM750 comes in wall-mount configuration. In this configuration, the humidifier can be mounted to a 2×4 stud and the steam distributor nozzle, located at the end of a 5 ft. (1.5 m) steam hose, is inserted through the air supply duct (Fig. 13).
- Remove the humidifier cover and pull out the cylinder. Insert the top screw until 1/4 in. (6 mm) is exposed. Hang the humidifier via its keyhole on the screw head (see Fig. 12).
- After making sure the humidifier is level, affix it to the stud with another screw at the lower stud-mount location (Fig. 12).
- Drill a 1-3/4″ hole in the duct for the steam distributor nozzle. Attach the steam hose to the distributor nozzle and the remote adapter on the humidifier. Then insert the steam distributor nozzle and secure it with screws.

Fig. 13. Wall mount.

Fig. 14. Mounting with keyholes.
PLUMBING

Fig. 18. Water supply and drain connection.
Connecting the Drain Line
Connect drain hose (supplied with equipment) to the drain connection (Fig. 18). Note that there is an internal air gap in the drain, so no air gap is required external of the humidifier. The drain line may be connected directly to the
red drain spigot using a gear clamp or similar.

Fig. 19. Proper drain hose routing (anchors not included).
Wiring Procedure
- Install a disconnect switch between the humidifier and the circuit breaker as shown in Fig. 21 and Fig. 22 (optional).
- Route the power supply wire through the strain relief located at the top of the red electrical box.
- Connect the power wires to MAIN SUPPLY terminals (LI, L2/N, and GND) on the humidifier control board.
Fig. 21.120 VAC (1 Phase) primary power connection.
Fig. 22.240 VAC (1 Phase) primary power connection.

Fig. 23. Wiring the steam humidifier with a digital thermostat.

Fig. 24. Wiring the steam humidifier with a mechanical thermostat.
OPERATION
LED Status Lights
The HM750 user interface includes a series of LEDs that provide information about the humidifier status.
Fig. 25. Humidifier User Interface.

Fig. 26. Humidifier components.

Table 6. General troubleshooting

Table 7. Troubleshooting HM750 Faults


For more manuals by Honeywell visit, ManualsLibraryy
Honeywell HM750 Electrode Steam Humidifier-FAQs
How does an electrode humidifier work?
An electrode humidifier uses metal electrodes immersed in water to create an electric current. This current heats the water (via the Joule effect) until it boils, producing steam. The steam is then released into the air to increase humidity levels.
How does a Honeywell humidifier work?
The Honeywell Cool Moisture humidifier is an evaporative type. It pulls dry air through a wicking filter saturated with water. As the air passes through, moisture evaporates and is then blown into the room by the fan, helping to humidify the air.
How does a hot steam humidifier work?
A hot steam humidifier boils water in the tank, producing vapor. The vapor is released into your home’s air system, increasing humidity. You can adjust the amount of vapor released using the settings on the humidifier.
Where should I place my Honeywell humidifier?
Place your Honeywell humidifier on a firm, level, water-resistant surface at least 12 inches (30 cm) away from walls. Ensure the unit is plugged into a 120V outlet for proper operation.
How do humidifier settings work?
Humidifier settings control the amount of moisture added to the air. In winter, settings are adjusted based on how dry the air feels, while in summer, it’s best not to add moisture since the air is already humid.
What happens when my Honeywell humidifier runs out of water?
If your humidifier runs out of water and doesn’t have an automatic shutoff feature, it may continue blowing air without adding moisture. This can overheat the unit, potentially damaging the circuitry or motor.
How does a humidifier thermostat work?
A humidifier thermostat, or humidistat, automatically adjusts the humidity levels based on your desired settings. It operates on a “set it and forget it” basis, ensuring consistent humidity in your home without manual adjustments.
Does a humidifier reduce heat?
Yes, humidifiers can help reduce heating costs. The moisture in the air traps heat, allowing you to maintain comfort in your home with lower heating levels. This moisture helps keep the air warmer for longer periods.
Where is the best place to use a humidifier?
Humidifiers work best when placed on stable, elevated surfaces like tables or dressers, about 2–3 feet off the floor. This ensures even mist distribution and prevents damage to floors or carpets.
Where should a humidifier be installed in a home?
The ideal location for a humidifier is the warm air supply duct. If space is limited, it can also be installed on the return duct, where air pressure is lower, allowing for effective humidification.
How long does it take for the humidifier to start steaming?
Your Honeywell humidifier should begin producing steam within 5 minutes of starting.
What is an electrode humidifier?
An electrode steam humidifier is an isothermal humidifier that generates steam by applying electrical resistance to water. The water’s conductivity allows the creation of an electric current that heats the water to the boiling point, producing steam.
How do I troubleshoot a Honeywell humidifier?
If your humidifier isn’t producing mist, check the following:
Ensure the unit is plugged in and turned on, and that the outlet has power.
Confirm the humidifier has water in it.
Make sure the unit is on a level surface.
Check for mineral deposits on the nebulizer that may need cleaning.




Fig. 21.120 VAC (1 Phase) primary power connection.
Fig. 22.240 VAC (1 Phase) primary power connection.
