
Honeywell T8000-T8001C

APPLICATION
The T8000, T8001 Thermostats provide single-stage, programmable temperature control for 24 Vac heating-cooling systems with manual changeover from heat to cool. Heating cycle rate is selectable at 1, 3, 4, 5, 6, 9, or 12 cph. Cooling cycle rate is fixed at 3 cph. Temperature indication can be set for °F or °C.
The T8001 Thermostat is powered directly from the system transformer. The T8000 Thermostat is powered through the heating/cooling system controls. Batteries are not required because setpoints are held permanently by non-volatile memory.
The T8000 and T8001 include a thermostat, wallplate, and owner’s guide. A 7 3/8 in. (188 mm) x 5 3/4 in. (146 mm) decorator cover plate (for covering wall marks) is available separately. Order Honeywell part no. 209649A (taupe) or part no. 209649B (white).
MERCURY NOTICE

If this control is replacing a control that contains mercury in a sealed tube, do not place your old control in the trash. Dispose of it properly. Contact your local waste management authority for instructions regarding recycling and the proper disposal of a control.
INSTALLATION
When Installing this Product…
- Read these instructions carefully. Failure to follow them could damage the product or cause a hazardous condition.
- Check the ratings given in the instructions and on the product to make sure the product is suitable for your application.

- The installer must be a trained, experienced service technician.
- After installation is complete, check out the product operation as provided in these instructions.
CAUTION
Hazardous Voltage.
Can damage the heating/cooling system. Disconnect power at the furnace or main breaker/ fuse box.
Location

Install the thermostat about 5 ft (1.5m) above the floor in an area with good air circulation at an average temperature. See Fig. 1. Do not install the thermostat where it can be affected by:
- Drafts or dead spots behind doors and in corners.
- Hot or cold air from ducts.
- Radiant heat from the sun or appliances.
- Concealed pipes and chimneys.
- Unheated (uncooled) areas, such as an outside wall behind the thermostat.
Mounting Wallplate to Wall

IMPORTANT
Level only for appearance. The thermostat functions normally even when not level.
Mount the wallplate and the thermostat with the screws provided (see Fig. 2) as follows:
- Place the wallplate at the desired location on the wall.
- Pull the thermostat wire through the wallplate entrance hole.
- Fasten the wallplate to the wall using the anchors and screws provided.
- After wiring the wallplate, plug the hole with nonflammable insulation to prevent drafts from affecting the thermostat; see Wiring section.
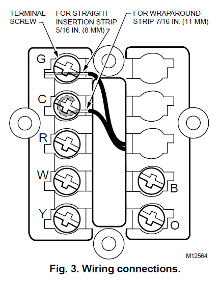
Wiring

IMPORTANT
Use an 18-gauge maximum wire for wiring the thermostat.
All wiring must comply with local electrical codes and ordinances. Disconnect the power supply to prevent electrical shock or equipment damage.
The shape of the terminals permits insertion of straight or wraparound wiring connections; either method is acceptable. A letter code is located near each terminal for identification. See Fig. 3.
NOTE: To ensure proper mounting of the hermostat, restrict all wiring to the shaded area in the center of the terminals. See Fig. 4.

The T8001 Thermostat is powered directly from the system transformer and is adaptable to most 18 to 30 Vac heating-cooling systems. All T8001 Thermostats require a common wire to supply power. Refer to Fig. 5 – 8 for typical wiring hookups.




Setting Fan Operation (Fuel) Switch
The fan operation (fuel) switch is preset at the factory in the F position. See Fig. 9. This is the correct setting for most systems. If this system is an electric heat system, set the switch to the E position. The E setting allows the fan to turn on immediately with the heating or cooling equipment in a system where the G terminal is connected.

Mounting Thermostat to Wallplate
- Slide the SYSTEM switch to the Off position.
- Engage the tabs at the top of the thermostat and wallplate.
- Swing down the thermostat and press the lower edge of the thermostat onto the wallplate to latch. See Fig. 9.


INSTALLER SETUP
Setting °F/°C Indication and Heat Cycle Rate
The following instructions provide the information necessary to change the heating cycle rate to match the heating equipment and to choose either Fahrenheit (°F) or Celsius (°C) display.
NOTE: All four steps must be completed to save changes to the °F/°C indication and the heat cycle rate.
- Enter Installer Setup.
- Use ▲ or ▼ keys to set the temperature setpoint to 52°F (11°C).

- Press the ▲ and ▼ keys simultaneously for more than two seconds to enter the installer setup.
- When released, the three-digit software revision code is displayed.

- Press the ▲ key. Factory configuration (FC) is displayed (A typical example is shown, but information displayed varies by model. This information is for factory use only).

- Use ▲ or ▼ keys to set the temperature setpoint to 52°F (11°C).
Optional System Checkout
When in steps 1c and 1d only, pressing the ▼ key can be used to turn the heat or cool outputs on and off. Change the SYSTEM switch setting to test heat or cool outputs. No action takes place if the system switch is in the Off position.
Examples
System setting at HEAT: If heat is on,
- pressing the ▼ key turns it off; if the heat is off,
- Pressing the ▼ key turns it on.
System setting at COOL: If cool is on,
- pressing the ▼ key turns it off; if cool is off,
- pressing the ▼ key turns it on. The 5-minute minimum off time is bypassed.
NOTE: In the installer setup only, each press of the ▲ key momentarily displays 1. Each press of the ▼ key momentarily displays 2. When the keys are released, these one-digit codes are no longer displayed.
- Setting °C or °F.
- Press the ▲ key again to display the current setting.

- Press the ▼ key to change the °C or °F indication.

- Press the ▲ key again to display the current setting.
- Setting Heat Cycle Rate (see Table 2 for the cycle rate options and equipment).
- Press the ▲ key to display the current heat cycle rate setting of 1, 3, 4, 5, 6, 9, or 12 cph.

- If the desired cycle rate is displayed, press the ▲ key to exit the installer setup.

- To change the heat cycle rate, press the ▼ key until your choice of 1, 3, 4, 5, 6, 9, or 12 is displayed.
- Press the ▲ key to display the cooling algorithm configuration default.

- Press the ▲ key again to change the cooling algorithm to C1 or C3.
C1 = Standard cooling algorithm.
C3 = Aggressive cooling algorithm (can cause overshooting). - Press the ▲ key again. Current configuration (CC) is displayed. A typical example is shown, but CC varies by model. (This information is for factory use only.)

- Press the ▲ key to display the current heat cycle rate setting of 1, 3, 4, 5, 6, 9, or 12 cph.
- Exit Installer Setup.
- Press the ▲ key to save all changes and return to normal operation.

- Press the ▲ key to save all changes and return to normal operation.

OPERATION
Setting FAN and SYSTEM Switches

Fan and system settings are controlled manually by using the switches located at the bottom of the thermostat case. See Fig. 11.
FAN Switch
Fan switch settings are:
- On: The fan runs continuously. Use for improved air circulation and air quality.
- Auto: Normal setting for most homes. In cooling, the fan starts and stops with the cooling equipment. In heating, the fan is controlled directly by the heating equipment and may start a few minutes after the heating equipment turns on (most systems). When the fan operation (fuel) switch is in the E position, the fan starts and stops with the heating equipment.
Slide the FAN switch in the lower left corner of the thermostat to select the desired fan setting.
SYSTEM Switch
System switch settings control thermostat operation as follows:
- Cool: The thermostat controls the cooling system.
- Off: Both heating and cooling are off.
- Heat: The thermostat controls the heating system.
Slide the SYSTEM switch in the lower right corner of the thermostat to select the desired system setting.
Setting Current Time and Day
- To Set Current Time.
- Press Select twice.

- Press ▲ or ▼ to set the current time.

- Press Select twice.
- To Set Day of Week.
- Press Select again.

- Press ▲ or ▼ to set the current day.

- Press Select again.
To use the preprogrammed time and temperature (see Table 3), press Hold to exit the programming mode.
Setting Time and Temperature
The T8001C is preprogrammed with the time and temperature settings shown in Table 3. For instructions on programming the thermostat, refer to the Owner’s Guide, Form No. 69-1143.

CHECKOUT
Heating
- Slide the SYSTEM switch to Heat and the FAN switch to Auto.
- Press and hold the ▲ key to raise the temperature setting several degrees above the room temperature; the heating equipment should start. In conventional systems, the system turns on the fan through the use of a time delay relay or through a limit control. When the fan operation (fuel) switch is in the E position, the fan starts immediately.
- Press the ▼ key to lower the temperature setting below the room ttemperatureheatingng equipment should stop.
Cooling
CAUTION
Damage to the compressor is possible. Operating at too low an outdoor temperature may cause compressor damage.
Do not operate the cooling if the outdoor temperature is below 50°F (10°C).
Allow the compressor to remain off for five minutes before restarting.
- Refer to the manufacturer’s recommendations. Slide the SYSTEM switch to Cool and the FAN switch to Auto.
- Press the ▼ key to lower the temperature setting several degrees below the room temperature; the cooling equipment should start. The fan starts and stops with the cooling equipment.
NOTE: If the unit doesn’t start immediately, remember, the thermostat has a built-in minimum off-time of five minutes to protect the compressor. - Press the ▲ key to raise the temperature setting above the room temperature. The cooling system should shut down.
Fan
- Slide the SYSTEM switch to Off and the FAN switch to On. The fan should run continuously.
- Slide the FAN switch to Auto. In heating, the fan is controlled directly by the heating equipment and may start a few minutes after the heating equipment turns on (on most systems). When the fan operation (fuel) switch is in the E position, the fan starts and stops with the heating equipment. In cooling, the fan starts and stops with the cooling equipment.
Make certain all equipment responds correctly to the thermostat.
For more manuals by Honeywell, visit ManualsLibraryy
Honeywell T8000-T8001C- FAQs
How do I use the Honeywell T8000 thermostat?
Simply press the up or down arrows to adjust the temperature. You can also program daily or weekly schedules for automatic heating and cooling control.
How do I troubleshoot my Honeywell thermostat if it’s not working?
Check the power source, replace the batteries if needed, inspect wiring connections, and try resetting the thermostat to restore normal function.
Can the Honeywell 8000 series control humidity?
Yes, the VisionPRO® 8000 models can manage humidity, ventilation, and zoning systems for better indoor comfort and energy efficiency.
How do I reset my Honeywell T8000 thermostat?
Press and hold the Menu button, scroll to Reset, and select Factory Reset. After that, reconfigure your settings.
What is a C-wire on the Honeywell thermostat?
A C-wire (common wire) provides continuous 24V power from your HVAC system, allowing advanced features like Wi-Fi and smart control.
How do I know if the battery is low on my Honeywell thermostat?
If the screen is blank, unresponsive, or frozen, it may indicate low battery. Replace the batteries and restart the device.
How long does a Honeywell thermostat usually last?
With proper maintenance, most Honeywell thermostats last around 10 years. Manual models may last longer due to fewer electronic parts.
What temperature should I set my thermostat to?
A comfortable home temperature is usually between 68–72°F (20–22°C), though you can adjust based on personal preference.















