
Jimi IoT VL103 LTE Vehicle Terminal

Product Overview


- Real-time tracking
- Driving behavior analysis (4 types)
- Serial port (optional)
- Over-speed alert
- SOS alert
- Tamper alert
- Removal alert
- Power-supply-cut alert
- Low power alert
- Vibration alert
- Geo-fence
Standard Parts List

Specification

Product Setup
- Prepare a micro SIM card that supports the same network as this device.

- Remove the shell of the device.

- Insert the SIM card into the slot and toggle the switch to ON.

LED Indication

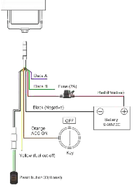
Interfaces
8 Pin Standard Version

Wiring of Standard Version
Tips for finding the right wires:
- Use a multimeter to find out the positive and negative sides of the vehicle battery.
- Note: No matter whether the ignition key is switched to ON or OFF, the current battery voltage can be shown in the multimeter.
- The way to find the ACC wire: Connect the multimeter’s black probe to the negative side, and connect the red probe to a random wire, at this moment, the voltage shown in the multimeter is 0V; turn the key to ON, if the supply voltage is shown, that’s the correct ACC wire.
- Connect the two connectors together, if the vehicle has no connector, please connect the device’s wires to the corresponding vehicle wires

Installation recommendation
- Please install the device under the guidance of professional personnel


- Note:
- 1. The device should face up to the sky.
- 2. The metal thermal barrier or heating layer, which is always installed on the windshield, may affect the signal, please avoid installing the device under these objects
Platform & APP
- Login service platform Please login to the designated service platform to set up and operate the device.
- Download APP Please download and install the APP in the designated website, APP store, or Google Play store.
SMS Commands


Troubleshooting

Warranty instructions
- The warranty is valid only when the warranty card is properly completed and upon presentation of the proof of purchase consisting of the original invoice indicating the date of purchase, model, and serial No.of the product. We reserve the right to refuse the warranty if this information has been removed or changed after the dealer has purchased the product.
- Our obligations are limited to repair of the defect or replacement of the defective part or at its discretion replacement of the product itself.
- Warranty repairs must be carried out by our Authorized Service Centre. Warranty cover will be void, even if a repair has been attempted by any unauthorized service center.
- Repair or replacement under the terms of this warranty does not provide the right to extension or renewal of the warranty period.
- The warranty is not applicable to cases other than defects in material, design, and workmanship
Battery Notes
- replacement of a battery with an incorrect type that can defeat a safeguard (for example, in the case of some lithium battery types);
- disposal of a battery into a fire or a hot oven, or mechanically crushing or cutting of a battery, which can result in an explosion;
- leaving a battery in an extremely high temperature surrounding environment that can result in an explosion or the leakage of flammable liquid or gas; and
- a battery subjected to extremely low air pressure that may result in an explosion or the leakage of flammable liquid or gas.
FCC compliance statement
- This device complies with Part 15 of the FCC Rules. Operation is subject to the following two conditions:
- (1) this device may not cause harmful interference, and
- (2) this device must accept any interference received, including interference that may cause undesired operation. changes or modifications not expressly approved by the party responsible for compliance could void the user’s authority to operate the equipment.
- This equipment has been tested and found to comply with the limits for a Class B digital device, pursuant to Part 15 of the FCC Rules. These limits are designed to provide reasonable protection against harmful interference in a residential installation. This equipment generates, uses, and can radiate radio frequency energy and, if not installed and used in accordance with the instructions, may cause harmful interference to radio communications. However, there is no guarantee that interference will not occur in a particular installation.
- If this equipment does cause harmful interference to radio or television reception, which can be determined by turning the equipment off and on, the user is encouraged to try to correct the interference by one or more of the following measures:
- Reorient or relocate the receiving antenna.
- Increase the separation between the equipment and the receiver.
- Connect the equipment to an outlet on a circuit different from that to which the receiver is connected.
- Consult the dealer or an experienced radio/TV technician for help.
- Radiation Exposure Statement
- This equipment complies with FCC radiation exposure limits set forth for an uncontrolled environment. This equipment should be installed and operated with a minimum distance of 20 cm between the radiator and your body.
For more manuals by Jimi IoT visit, ManualsLibraryy
Jimi IoT VL103 LTE Vehicle Terminal-FAQs
What is the Jimi IoT VL103 LTE Vehicle Terminal?
The Jimi IoT VL103 is a GPS tracking device that uses LTE connectivity to provide real-time location tracking and vehicle monitoring.
How do I install the VL103 LTE Vehicle Terminal?
Installation involves connecting the device to the vehicle’s power source and following the wiring diagram provided in the manual. It is recommended to seek professional assistance if unsure.
What types of vehicles are compatible with this device?
The VL103 LTE is designed for a wide range of vehicles, including cars, trucks, and fleet vehicles, making it suitable for both personal and commercial use.
How do I activate and set up the device?
After installation, insert a compatible SIM card, power on the device, and configure it using the recommended tracking platform or mobile app. Follow the setup instructions in the manual.
What mobile network does the device support?
The VL103 LTE supports LTE networks for fast and reliable data transmission. It may also be compatible with 2G or 3G networks, depending on availability.
Can I monitor my vehicle remotely?
Yes, you can track your vehicle’s location and status in real time through a web platform or mobile app linked to the device.
What features does the VL103 LTE offer?
It provides GPS tracking, geo-fencing, real-time alerts, historical route playback, remote engine cut-off (if supported), and more.
How do I reset the device?
To reset the VL103 LTE, follow the reset instructions in the manual, which typically involve sending an SMS command or pressing a reset button.






