
KitchenAid Hobart KD-18 Automatic DishWasher

GENERAL INFORMATION
MODEL EXPLANATION
This service manual provides service information for the KD-18 series dishwashers. This includes the
basic KD-18 dishwasher, designed to be “Built-in”; for which panels (with various finishes) and kits
may be ordered and added to suit various installations (Fig. 1). Installation instructions are provided with each of these options.

In addition, there is a KD-38 model (Fig. 2), which is the same KD-18 dishwasher installed in a cabinet-sink combination.
There are also KD-58 models (Fig. 3), which are “‘convertible-portable” dishwashers. These may be
built in at a later date, using KD-18 conversion instructions.
All KD-18 series dishwashers have automatic detergent dispensers, pump-out drain systems, and “Sanitized Flo-Thru Drying” systems (Fig. 4). A separate fan and heating element outside the wash
chamber circulates heated air during the “Dry” phase of each cycle.

The KDS “Superba” model has a sixteen-position upper rack, with “stay-put” flex-o-dividers and
both a rinse agent dispenser and a Soak’n Scrub Cycle as standard equipment.
A rinse agent dispenser may be added to both the KDI “Imperial” and KDC “Custom” models, as an
optional feature. The KDI “Imperial” models are also equipped with a Soak’n Wash Cycle and have
a one-position upper rack with “‘stay-put” flex-o-dividers. The KDC “Custom” has a one-position
upper rack with fixed dividers.
A small items basket is standard with the KDS “Superba” and KDP “Patrician”. It is optional on
the Imperial and Custom models. All KD-18 models are equipped with energy-saving feature.
AUTOMATIC PROTECTION FEATURES
All KD-18 series dishwashers are equipped with KitchenAid designed motors, featuring overload
protection with automatic reset. Should the motor become overheated or overloaded, it will stop
automatically . . . . starting again when this condition has been relieved.
The “Sanitized Flo-Thru Drying” system (Fig. 4) is equipped with a thermal safety protector to prevent overheating. The sheath heater, (1, Fig. 4) KDS “Superba” model, has automatic overheat protection (a thermal protector that will temporarily open and cut off all voltage to the heater when the temperature reaches a preset limit).
NOTE: The sheath heater is NOT a substitute for a hot water heater. Hot water, from 140° to 160°
F., must be supplied to the dishwasher for best dishwashing results.
A built-in door interlock switch prevents the operation of the dishwasher until the door is closed and
latched and a cycle is activated. The dishwasher will not operate when the door is open.
Protection against overfilling is provided by an overfill control switch that shuts off the current to the
water fil valve when the water in the wash chamber exceeds a predetermined level.
STARTING
INSTANT START – in all KD-I8 series KitchenAid front-loading dishwashers the cycle is selected and the unit is started by:
- Closing the door.
- Latching the door by pushing the handle down.
- Pushing the desired Cycle Selector Button.
All built-in models start instantly. The SUPERBA and PATRICIAN models have Action Indicator
Lights (1, Fig. 5) (KDS) and (4, Fig. 5) (KDP) are located on the left side of the Control Panel. As
the dishwasher progresses through a cycle, a light will appear above the word indicating the part of
the cycle in which the dishwasher is then operating. If the cycle is interrupted for any reason, such as adding an additional item, the dishwasher action may be resumed at this point by closing and latching the door, and then re-pushing the originally selected Cycle Selector Button. In addition, the SUPERBA and PATRICIAN models have a “Rinsed Only” light, located on the right side of the Control Panel (2, Fig. 5) (KDS) and (3.Fig. 5) (KDP). Once the “Rinse-Hold” cycle has been selected, this light will come on whenever the door is unlatched until another cycle is selected. This light shows the operator that the dishes have NOT ‘been washed but only rinsed and held. Latching the handle, following the “Rinse-Hold” operation will tum “Off” the light, off as long as the handle remains in the latched position.
The IMPERIAL model has an Indicator Light located on the right side of the Control Panel (not shown) that glows to indicate “Power On”. On both the IMPERIAL and CUSTOM models, the Action Indicator knob rotates as the cycle progresses and points to the part of the cycle in which the dishwasher is then operating.
STARTING CONVERTIBLE-PORTABLE MODELS
- Load the dishwasher, close and latch the door.
- Connect hoses to sink faucet and power cord to a grounded outlet. (See electrical instructions for detailed description). Allow a few seconds after plugging in the power cord (for the timer to reset itself).

- Turn on the water.
- Then push the desired Cycle Selector Button and the dishwasher will start instantly.
CONVERTIBLE-PORTABLES
KD-58 convertible-portable models are essentially built-in dishwashers with portability features added. They must be connected to the sink faucet and an electrical outlet before they can “do the dishes”.
Connecting to Sink Faucet
An adapter kit, furnished with the dishwasher has an aerator faucet adapter with all parts necessary to connect the coupler to most faucets with external or internal threads. If the adapter cannot be used on the faucet, use other adapters as required.
Faucets with External Threads (Fig. 6)
- Remove the faucet aerator.
- Screw adapter (A, Fig. 6) furnished in kit, to faucet.
- Pull hoses and coupler from a hideaway compartment at the back of the dishwasher and attach the coupler (B, Fig. 7) to the adapter (A, Fig.7) by depressing the outer ring (C, Fig. 7). When the adapter and coupler are joined, release outer ring which snaps upward for a snug fit

Faucets with Internal Threads (Fig. 8)
- Remove the faucet aerator.
- Screw the faucet adapter (E, Fig. 8) with washers (D & F, Fig. 8) to the adapter (G, Fig. 8) and then to the faucet.
- Connect hoses and coupler as described for faucet with external threads,CAUTION: IF THE SINK HAS A SPRAY ATTACHMENT, TT MAY BURST AS A RESULT OF BACK PRESSURE, PARTICULARLY IF IT IS OLD,
There is no need to pre-rinse dishes before placing them in the dishwasher. It is suggested, therefore, that” this spray attachment hose be disconnected and the hole closed with a chrome plug or cap, obtained locally. Or replace it with a new and stronger hose that will withstand the back pressure

Use Hot Water Only
Turn the hot water tap on full. DO NOT USE ANY COLD WATER. Water temperature should be 140° to 160° F. Flow pressure should be between 20 and 120 pounds per square inch.
NOTE: If hot water is needed while the dishwasher is connected press the red release button (A, Fig. 9) — but NOT when the dishwasher is filling or draining.
Connecting to Electricity
“The KitchenAid convertible-portable dishwasher operates on regular 120 volt, 60 hertz AC. electrical service to be supplied By an APPROVED 3-PRONG GROUNDING RECEPTACLE. The supply circuit should be protected by a 15 amp. fuse, or circuit breaker.
To make the electrical connection:
- Be sure the action indicator is in the “OFF position.
- Insert the 3-pronged plug into a 3-prong receptacle. If the wall receptacle is not of the proper 3-prong grounding type an electrician should be consulted.
CAUTION: The use of an extension cord is not recommended.
‘The Receptacle Outlet Must be Grounded
“The power cord on the portable dishwasher is equipped with a 3-pronged grounding plug. The third prong is designed to ground the cabinet electrically thus eliminating the possibility of shocking the operator if an internal electrical malfunction should occur.
The electrical outlet into which the 3-pronged power cord is inserted must be properly grounded. If this is in doubt a competent electrician should be contacted to check the outlet.
Fill and Drain Hoses (Fig. 10)
CAUTION: INCORRECT REPLACEMENT OF EITHER FILL OR DRAIN HOSE ASSEMBLIES ON CONVERTIBLE-PORTABLE KITCHENAID DISHWASHERS CAN CAUSE SERIOUS DAMAGE. To prevent this, always replace hose assemblies in the exact same manner as the original. It is imperative that each new replacement hose be routed correctly and the retaining clamps installed properly at the correct locations on the hose. NO PART OF THE HOSES must BE PERMITTED TO MAKE CONTACT WITH ANY EXPOSED ELECTRICAL COMPONENTS OR TERMINALS, as the hose material can act as an electrical conductor. Re-check each hose installation, upon completion, then extend and retract the hoses several times to make certain that they operate and locate properly.
Disconnecting
When disconnecting the convertible-portable:
- Remove the power cord from the outlet and return to the compartment.
- Turn off the hot water.
- Press the red button on the coupler (A, Fig. 9) to release water pressure and prevent splashing back.
- Depress the coupler ring (C, Fig. 7) and remove the coupler from the faucet adapter. Return hoses to the compartment.
GENERAL SERVICING INSTRUCTIONS
All models of the KD-18 series dishwashers are specially designed to be serviced from the front. By removing the lower front panel, the outer door panel, and the control panel, practically all parts are accessible without moving the dishwasher from its installed position. These instructions cover all models of the KD-18 series dishwashers, however, all the components that are listed, may or may not be used for each model.
NOTE: (1) CAUTION: ALWAYS DISCONNECT ELECTRICAL POWER SUPPLY BEFORE REMOVING ELECTRICAL COMPONENTS.
(2) NEVER reuse gaskets or sealing washers.
CYCLE DESCRIPTION
The following cycle descriptions (KDC-18 and KD-38 (CUSTOM), the KDI-18 and KDI-58 (IMPERIAL), KDP-18 (PATRICIAN) and the KDS-18, KDS-38 and KDS-58 (SUPERBA) model dishwasher) are for the KD-18 series dishwashers. All models have energy-saving features. Selection of the Energy Saver button, along with any of the “wash and dry” cycles, will shut off the heating element during the dry portion of the cycle. The fan in the drying system will continue to operate. This will reduce the amount of energy used during the cycle. Under certain conditions, you may find a few drops of water on dishes and silverware at the end of the cycle. Every time you raise the door handle, the Energy Saver button will pop out. Any time you start a new cycle or restart an interrupted cycle, you must again push the Energy Saver button to save energy.
NORMAL WASH CYCLE—Used to wash and dry daily loads including china and crystal with over-age soil. This cycle provides three pre-rinses, one main wash, two after-rinses, and dry. For more heavily soiled loads, the first pre-rinse can be turned into a pre-wash by adding detergent to both compartments of the detergent dispenser. Total: Time – 59 minutes plus automatic timer advance – 2 minutes; Water – 11.8 gallons.
RINSE/HOLD CYCLE-Used to rinse partial loads of dishes which are to be held until the dishwasher is filled. Keeps dishes moist until they are washed and dried. This cycle provides one rinse. Do not use detergent with this cycle. Total: Time – 3 minutes; Automatic timer advance – 58 minutes; Water – 1.4 gallons.
NORMAL WASH CYCLE—Used to wash and dry daily loads including china and crystal with average soil. This cycle provides three pre-rinses, one main wash, two after-rinses, and one dry. For more heavily soiled loads, one of the pre-rinses can be turned into a pre-wash by adding detergent to both compartments of the detergent dispenser. Total: Time – 72 minutes plus automatic timer advance – 2 minutes; Water – 11.9 gallons.
SOAK’’N WASH CYCLE-Used to wash and dry hard-to-clean pots, pans, and casseroles along with regular tableware. This cycle provides one pre-rinse, one wash with a soak period, one rinse, one wash, and three after rinses and dry. This cycle soaks and washes the ware approximately 22 minutes prior to complete wash and dry of the load. Detergent should be added to both compartments of the detergent dispenser. Some encrusted food soils may not be completely removed as a more abrasive action is necessary. Total: Time – 72 minutes plus automatic timer advance – 2 minutes; Water – 13.7 gallons.
RINSE/HOLD CYCLE-Used to rinse partial loads of dishes which are to be held until the dishwasher is filled. Keeps dishes moist until they are washed and dried. Do not use detergent with this cycle. Total: Time – 1 rinse – 3 minutes; Automatic timer advance – 71 minutes; Water – 1.5 gallons.
SHORT WASH CYCLE-Used to wash and dry lightly soiled loads of glasses or plates, fine china, and crystal. This cycle has one pre-rinse, one short wash, and two after rinses, and dry. Use detergent only on the right side of the MAIN WASH compartment of the detergent dispenser. Total: Time – 58 minutes; Water – 8.4 gallons.
CANCEL/DRAIN CYCLE Used to cancel out any cycle in progress. When this button is pushed, the
dishwasher will drain and automatically turn itself off. To start a new cycle, wait until all indicator
lights have gone off, unlatch the door momentarily, relatch, and select the desired new cycle. The water in the sump may not be completely drained because of the location of the timer when the cancel button is pushed. If there is too much water, lift the latch, wait 3 to S seconds, close the latch and again press the cancel/drain button.

CANCEL/DRAIN CYCLE Used to cancel out any wash cycle in progress. When this button is pushed, the dishwasher will drain and automatically turn itself off. To start a new cycle, wait until all indicator lights have gone off, unlatch the door momentarily, re-latch, and select the desired new cycle. The water in the sump may not be completely drained because of the location of the timer when the cancel button is pushed. If there is too much water, lift the latch, wait 3 to 5 seconds, close the latch, and again press the cancel/drain button.
SERVICING INSTRUCTIONS

Lower Front Panel (1, Fig. 11)
- Remove two screws from the lower flange of the panel. For KD-58 models only, remove the slotted hex head mounting screws (1, Fig. 12) from the bottom of the lower front panel, RH. & L.H. sides. For all other models, remove screws (2, Fig. 13) and lock the washer.
- Disengage tabs (1, Fig. 13) by pushing panel toward the top of the dishwasher, then pulling the panel forward and down to remove them. When reassembling the panel, insert the panel flange under the evaporation channel support ends (3, Fig. 13) and reverse the above procedure.

Outer Door Panel Assy. (2, Fig. 11)
- Open the door and remove the four retaining screws while holding the panel in place.
CAUTION: Do not permit the panel to drop and become marked. - Close the door and remove the panel by pulling out at the lower edge of the door, lowering and withdrawing the panel.

Control Panel (3, Fig. 11)
- Open the door and remove the six control panel retaining screws (four along the top edge and two on the inside face of the door). Close door.
- Remove the indicator knob on KDC & KDI.
- Lift the door handle, remove the retaining screw and remove the door handle.
- Lift off the control panel.
TIMERS
All KDC, KDI, KDP & KDS dishwashers have the timers located behind the control panel (3,Fig. 11).
Timers are sometimes needlessly replaced, when another component is at fault, due to an incorrect diagnosis. Thoroughly check the timer before making replacement. If, after making a timer replacement
the problem was not corrected, remove this replacement and reuse the original timer.
If a timer-operated component is inoperative, first check to make sure voltage is reaching the component. For this check use a test lamp across component contacts at the time it should be energized.
If voltage is reaching the inoperative component at the correct time, the component should then be
checked mechanically and electrically. If voltage is not reaching the component, the continuity
between this component and the timer must be checked. If continuity exists, the timer should
then be checked and replaced, as necessary.
TIMER (KDS-18, “SUPERBA”) (Fig. 14)
KDS-18 timers operate on a unique principle:
although each interval is of 90<econd duration, the angular movement of each interval will vary in
a predetermined pattern. In addition, they utilize multiple connector plugs to connect the dish-
washer electrical harness with the timer.The multiple connector plugs not only eliminate potential service problems, but also make the service technician’s job easier by making the timer readily available for connecting or disconnecting from the wiring harness(es) and to test equipment or a test timer.
With the KDS-18 (SUPERBA) dishwasher, the timer has a dial face printed around the timer socket (4, Fig. 14). The notch on the socket points to the part of the cycle in which the timer is then operating. Check timer operation by comparing it with the operation of the components programmed for each part of that cycle.
If the KDS-18 timer is erratic, malfunctioning or inoperative, check as follows:
- Disconnect power supply.
- Remove four timer bracket retaining screws (3, Fig. 14).
- Remove timer and disconnect electrical plugs (1, Fig. 14) (white) and (2, Fig. 14) (black).
- Disconnect the black leads on timer motors that connect to “C” leads on Action Indicator lights.
- Connect the two plugs into a test timer of assured proper operating condition.
- Reconnect power supply to dishwasher and operate dishwasher through cycles.
- 1f replacement does NOT correct problem, reconnect the plugs into the original timer and check other areas for malfunction.
- Reverse the disassembly procedure to replace a new timer.
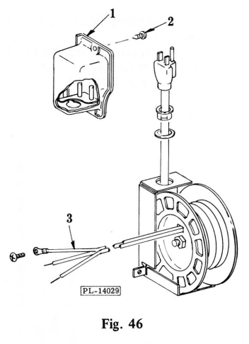
To reassemble cord reel on dishwasher (KDI-58 & KDS-58 Only)
- Replace the reel on the frame with one mounting screw (1, Fig. 44).
- Extend the power cord up through the left rear corner of the dishwasher cabinet.
- Pull the power cord through the opening in the top left corner of the cabinet. Replace the cord in the power cord housing. Install cord housing with two mounting screws (1, Fig. 45).
- Using wire nuts connect electrical leads and reconnect ground lead.
- Make sure there is proper tension on the reel.
- Replace the lower panel.

Electrical Power Cord (KDC-58)
- Remove two mounting screws (2, Fig. 47) from cord housing.
- Remove the power cord housing (1, Fig. 47) from the cabinet and push the end of the cord through the cord to the housing slot.
- Locate the cord clamp at the top corner of the dishwasher and disassemble the clamp by removing one screw.
- Disconnect the power cord electrical leads and frame ground. To reassemble, reverse removal procedure
NOTE: Make sure the power cord is properly positioned in the cabinet for ease of operation and harness wire does not interfere with cord operation.
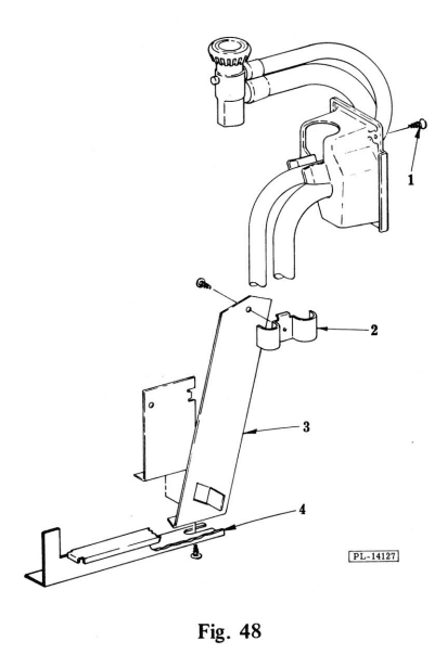
WATER (FILL AND DRAIN) CONNECTIONS (Fig. 48)
To remove:
- See “DRAINING CONVERTIBLE PORTABLE DISHWASHER”.
- Remove the anchor bracket (3, Fig. 48) and hose guard (4, Fig. 48).
- Remove the hose clamp bracket (2, Fig. 48) holding the hoses to the frame.

- Stand the dishwasher upright and pull hoses through the hose coupler housing in the top, right rear of the dishwasher.
To reassemble, reverse the above procedures
NOTE: Be especially careful that hoses are dressed properly in loop-in cabinets and that hoses do not touch electrical components or terminals, as hoses may act as conductors under some conditions.
CONVERSION OF KD-58 MODELS
Conversion of the KD-58 Convertible-Portable models to under-counter installation requires special instructions. Complete instructions for both the conversion and the under-counter installation are provided.
REMOVAL OF TOP (Fig. 49)
- Remove retaining screws (1, Fig. 49) from the top anchor mounting brackets and front of the wraparound housing.

- Remove upper retaining screws (1, Fig. 48) from the hose coupler housing.
- Slide top forward and lift off.
Service Tips
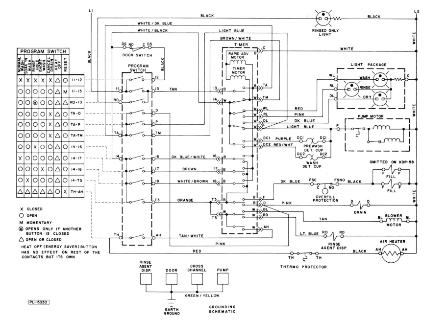
KDC-18 SERIES SCHEMATIC WIRING DIAGRAM

KDC TIMER SEQUENCE CHARTS
KDC NORMAL WASH CYCLE PROGRAM 
These charts show which components are energized and should be functioning during each period of the
program cycle.
REMEMBER: In addition to the timer, certain other switches also control the electrical power supply.
These are: (1) the door interlock switch, (2) the overfill control switch, (3) the program switch, and (4) the thermal protectors.
NOTE: The timer may be advanced manually by turning the timer indicator knob clockwise to the desired position.
These timers may vary approximately 7 to 10 seconds. The total time may vary for different timer manufacturers.
KDP NORMAL WASH CYCLE PROGRAM 
These charts show which components are energized and should be functioning during each period of the
program cycle.
REMEMBER: In addition to the timer, certain other switches also control the electrical power supply. These are: (1) the door interlock switch, (2) the overfill control switch, (3) the program switch, and, (4) the various thermostats and thermal protectors.
NOTE: On the KDP model, the timer should be manually advanced ONLY by removing the dial from the tool (TL-72139) and placing the pointer like a hub on the timer shaft, then rotating the hub slowly clockwise to the desired position. The pointer on the hub will indicate the cycle phase in which the timer is operated by pointing to that portion of the dial which is already printed on the surface of the timer.
For more manuals by KitchenAid, visit ManualsLibraryy
KitchenAid Hobart KD-18 Automatic DishWasher-FAQs
How long does a KitchenAid dishwasher take to wash dishes?
The wash cycle duration depends on the selected setting. A Quick Wash can take around 30 minutes, while a Heavy-Duty cycle may last up to 4 hours. The rinse phase uses warm water to remove leftover detergent.
How does a dishwasher work?
Hot water and detergent are sprayed onto the dishes, cleaning off dirt. Dirty water is drained, followed by a fresh water rinse. Finally, the rinse water is drained and dishes are dried using residual heat.
Do KitchenAid dishwashers need hot water?
Yes, the water entering the dishwasher should be around 120°F for optimal performance. If the water is too cold, dishes may not wash as effectively.
How much water does my KitchenAid dishwasher use?
Modern dishwashers typically use about 3–4 gallons of water per cycle.
What is the temperature of a dishwashing machine?
Dishwashers usually operate at a temperature of 130-140°F during the main wash cycle.
Do dishwashers use a lot of electricity?
On average, dishwashers use about 1,800 watts. A typical 1-hour load will consume around 1.8 kilowatt-hours (kWh) of electricity, making it relatively inexpensive to operate.
Does KitchenAid get hot during use?
Yes, the mixer head may feel warm if used for extended periods, such as when mixing multiple batches of dough or pasta.
Does an 18-inch dishwasher use less water?
Yes, 18-inch dishwashers typically use less water than larger 24-inch models, though both types use less water than washing dishes by hand.
Is it OK to leave water in the dishwasher?
It’s normal for moisture to remain after a cycle, due to condensation drying. The moisture condenses on the walls, runs off, and is pumped out.
Is a dishwasher really useful?
Yes, dishwashers save time and energy compared to hand washing. They provide hygienic cleaning with less water and energy consumption.
Can I use my dishwasher without hot water?
While it is possible to use the dishwasher without hot water, it’s not ideal. The cycle will take longer, and the heating element may wear out faster if cold water is used consistently.








KDC-18 SERIES SCHEMATIC WIRING DIAGRAM


KDP NORMAL WASH CYCLE PROGRAM 