
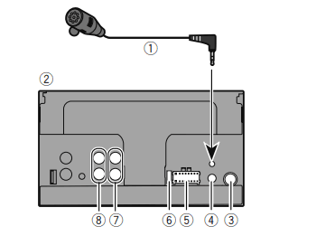
Pioneer AVH-280BT AV Receiver

Connection
This product

- Microphone 4 m (AVH-2BOBT)
- This product
- Aerial jack
- Wired remote input Hard-wired remote control adapter can be connected (sold separately)
- Power supply
- Fuse (10A)
- Front output
- Rear output or subwoofer output
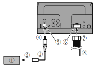
Power cord

- To power supply
- Depending on the kind of vehicle, the function of and may be different. In this case. be sure to connect 1 to and t02.
- Yellow(2)
Back-up (or accessory) - Yellow (1)
Connect to the constant 12 V supply terminal. - Red (4)
Accessory (or back-up) - Red (3)
Connect to terminal controlled by ignition switch (12 V DC). - Connect leads of the same color to each other.
- Orange/white
To lighting switch terminal. - Black (earth)
To vehicle (metal) body. - Blue/white (5*)
The pin position of the ISO connector will differ depending on the type of vehicle. Connect and when Pin S is an aerial control type. In another type of vehicle, never connect and 6. - Blue/white (6*)
Connect to auto-aerial relay control terminal (max. 300 mA 12V DC). - Blue/white
Connect to system control terminal of the power amp (max. 300 mA 12 V DC). - Violet/white
Of the two lead wires connected to the back lamp. connect the one in which the voltage changes when the gear shift is in the REVERSE (R) position. This connection enables the unit to sense whether the car is moving forwards or backwards. - Light green
used to detect the ON/OFF status of the handbrake. This lead must be connected to the power supply side of the handbrake switch. - Connection method
1 Clamp the lead.
2 Clamp firmly with needle-nosed pliers. - Power supply side
- Handbrake switch
- Earth side
- Speaker leads
White: Front left -+
White/black: Front left
Grey. Front right -e
Grey/black: Front right—
Green: Rear left +
Green/black: Rear left
Violet: Rear right 4
Violet/black: Rear right — - ISO connector
In some vehicles, the ISO connector may be divided into two. In this case. be sure to connect to both connectors.- The position of the handbrake switch depends on the vehicle model. For details, consult the vehicle Owner’s Manual or dealer.
- When a subwoofer is connected to this product instead of a rear speaker, change the rear output setting in the initial setting. The subwoofer output of this product is monaural.
- When using a subwoofer of 70 W (2 Q), be sure to connect the subwoofer to the violet and violet/black leads of this unit. Do not connect anything to the green and green/black leads.
Parking Brake
- If “Light green” cable is connected to hand- brake switch, video image on the display will be controlled by this function.
- The monitor displays the black screen with warning information to prevent the driver watching video contents during driving.
Power amp (sold separately)
Without internal amp

With internal amp
Important
Front speaker and Rear speaker signals are output from the speaker leads when this connection is in use.
- System remote control
Connect to Blue/white cable. - Power amp (sold separately)
- Connect with RCA cable (sold separately)
- To Rear or subwoofer output
Connect a cable according to the pre out setting. - Rear speaker or subwoofer
- To Front output
- Front speaker
- Subwoofer
- You can change the RCA output of the subwoofer depending on your subwoofer system,
- The subwoofer output of this product is monaural.
IPOD/iPhone
- For details on how to connect an external device using a separately sold cable, refer to the manual for the cable.
- For details concerning the connection, operations and compatibility of iPhone, refer to Operation Manual.
iPod / iPhone with Lightning connector
Connecting via the USB port
The USB interface cable for iPod / iPhone (CD-IU52) (sold separately) is required for the connection.
- USB port
- cable 1.5 m
- USB interface cable for iPod / iPhone (CD-IU52) (sold separately)
- iPhone with Lightning connector
iPod I iPhone with 30-pin connector
Connecting via the AUX input
The USB interface cable for iPod / iPhone (CD-IU1201V) (sold separately) is required for the connection.
- USB port
- ALIX input
- cable 1.5 m
- USB interface cable for iPod / iPhone (CD-IU201V) (sold separately)
- iPhone with 30-pin connector
Camera
About rear view camera
When you use the rear view camera, the rear view image is automatically switched from the video by moving the gearstick to REVERSE (R). Camera View mode also allows you to check what is behind you while driving.
CAUTION
- The screen image may appear reversed.
- With the rear view camera you can keep an eye on trailers. or back into a tight parking spot. Do not use for entertainment purposes.
- Objects in rear view may appear closer or more distant than in reality.
- The image area of full-screen images displayed while backing or checking the rear of the vehicle may differ slightly.

- Rear view camera (ND-BC8) (sold separately)
- To video output
- RCA cable (supplied with ND-BC8)
- This product
- Brown (R.C IN)
- Power supply
- Power cord
- Violet’ white (REVERSE-GEAR SIGNAL INPUT)
- Connect only the rear view camera to R.C IN. Do not connect any other equipment.
- Some appropriate settings are required to use rear view cameras.
External video component and the display

- Rear display with RCA input jacks
- To video input
- RCA cables (sold separately)
- This product
- Yellow (V OUT)
- AUX input
- Mini-jack AV cable (CD-RMIO) (sold separately)
- Yellow
- Red, white
- To Yellow
- To Red, white
- To video output
- To audio outputs
- External video component (sold separately). The appropriate setting is required to use the external video component.
Installation
Precautions before installation
CAUTION
Never install this product in places where, or in a manner that:
- Could injure the driver or passengers if the vehicle stops suddenly.
- May interfere with the driver’s operation of the vehicle, such as on the floor in front of the driver’s seat, or close to the steering wheel or gearstick.
- To ensure proper installation, be sure to use the supplied parts in the manner specified. If any parts are not supplied with this product, use compatible parts in the manner specified after you have the parts’ compatibility checked by your dealer. If parts other than supplied or compatible ones are used, they may damage internal parts of this product or they may work loose and the product may become detached.
- Do not install this product where it may (i) obstruct the driver’s vision, (ii) impair the performance of any of the vehicle’s operating systems or safety features, including airbags, hazard lamp buttons or (iii) impair the driver’s ability to safely operate the vehicle.
- Never install this product in front of or next to the place in the dashboard, door, or pillar from which one of your vehicle’s airbags would deploy. Please refer to your vehicle’s owner’s manual for reference to the deployment area of the frontal airbags.
Before installing
- Consult with your nearest dealer if installation requires drilling holes or other modifications of the vehicle.
- Before making a final installation of this product. temporarily connect the wiring to confirm that the connections are correct and the system works properly.
Installation notes
- Do not install this product in places subject to high temperatures or humidity. such as:
- Places close to a heater, vent or air conditioner.
- Places exposed to direct sunlight, such as on top of the dashboard.
- Places that may be exposed to rain, such as close to the door or on the vehicle’s floor.
- Install this product horizontally on a surface within O to 30 degrees tolerance (within 5 degrees to the left or right). Improper installation of the unit with the surface tilted more than these tolerances increases the potential for errors in the vehicle’s location display, and might otherwise cause reduced display performance.

- When installing, to ensure proper heat dispersal when using this unit. make sure you leave ample space behind the rear panel and wrap any loose cables so they are not blocking the vents.

Before installing this product
- Remove the trim ring.
Extend top and bottom of the trim ring outwards to remove the trim ring.
(1)Trim ring - Insert the supplied extraction keys into both sides of the unit until they click into place.
- Pull the unit out of the holder.

(1)Extraction key
Installation with the holder
- Install the holder into the dashboard.
- Secure the mounting sleeve by using a screw- driver to bend the metal tabs (900) into place.

(1)Dashboard
(2)Holder - Install this product into the holder.

(1)Dashboard - Attach the trim ring.
(1)Trim ring
(2)Groove
Attach the trim ring With the side With a groove facing downward
Installation using the screw holes on the side of this product
- Fastening this product to the factory radio-mounting bracket.
Position this product so that its screw holes are aligned with the screw holes Of the bracket. and tighten the screws at three locations on each side. Use either the truss head screws (5 mm x g mm) or flush surface screws (5 mm x g mm). depending on the shape Of the bracket’s screw holes.

- Factory radio-mounting bracket
- If the pawl interferes with installation. you may bend it down Out Of the way.
- Dashboard or console
- Truss head screw or flush surface screw Be sure to use the screws supplied with this product.
Installing the microphone
- Install the microphone in a place where its direction and distance from the driver make it easiest to pick up the driver’s voice.
- Be sure to turn Off (ACC OFF) the product before connecting the microphone.
Mounting on the sun visor
- Fit the microphone lead into the groove.

(1)Microphone lead
(2)Groove - Attach the microphone clip to the sun visor.
(1)Microphone clip
(2)Clamps
Use separately sold clamps to secure the lead where necessary inside the vehicle.
Install the microphone on the Sun visor when it is in the up position. It cannot recognize the driver’s voice if the Sun visor in the down position.
Installation on the steering column
- Detach the microphone base from the micro- phone clip by sliding the microphone base while pressing the tab.

(1)Tab
(2)Microphone base - Mount the microphone on the steering column.

(1)Double-sided tape
(2)Clamps
use separately sold clamps to secure the lead where necessary inside the vehicle - Keeping it away from the steering wheel.
Adjusting the microphone angle

For more manuals by Pioneer visit, ManualsLibraryy
Pioneer AVH-280BT AV Receiver-FAQs
How do I reset Pioneer AVH-280BT?
To reset, turn the ignition switch OFF, then press the RESET button using a pen tip or any pointed object.
What does BSM mean on Pioneer?
BSM stands for Best Station Memory, which helps travelers find the best available radio channels in their area.
What is SLA on a Pioneer radio?
SLA stands for Source Level Adjustment, which allows you to adjust the audio level for each source or input device.
What is OSD on Pioneer receiver?
OSD stands for On-Screen Display. It allows you to access a menu on your TV screen to adjust various settings for your Pioneer receiver.
What is a BSM fuse?
The BSM fuse refers to the engine bay fuse box (also called PSF1 or BM34 on wiring diagrams), which contains the fuses for various car systems.
Does a Pioneer radio have a fuse?
Yes, Pioneer radios typically have a mini blade fuse on the back of the headunit and an additional fuse in the main car fuse box if connected to factory wiring.
How do I pair my music speakers?
Turn on Bluetooth on your device. Your phone will search for nearby Bluetooth devices. Select your speaker from the list, and if prompted, enter the speaker’s PIN or passcode to complete pairing.
Do Pioneer DJ speakers have Bluetooth?
Yes, the Pioneer DJ DM-50D-BT Bluetooth Monitor Speakers have built-in Bluetooth for wireless connection.
Can Bluetooth play stereo?
Yes, Bluetooth can connect your mobile devices to stereo systems, enabling wireless audio playback.
Can I play radio via Bluetooth?
Yes, digital radios with DAB+ technology can play both digital and analog radio stations, and also stream music and content via Bluetooth.








(1)Trim ring


(1)Microphone clip
