Pioneer DMH-130BT RDS AV Receiver

Important safety information
WARNING! Rear visibility systems (backup cameras) are required in certain new vehicles sold in the U.S. and Canada. U.S. regulations began according to a two-year phase-in on May 1, 2016, and both the U.S. and Canada require that all such vehicles manufactured on or after May 1, 2018, have rear visibility systems. Owners of vehicles equipped with compliant rear visibility systems should not install or use this product in a way that alters or disables that system’s compliance with applicable regulations. If you are unsure whether your vehicle has a rear visibility system subject to the U.S. or Canadian regulations, please contact the vehicle manufacturer or dealer.
If your vehicle has a compliant backup camera that displays the backup view through the factory receiver, do not use the Pioneer receiver unless it is connected to and displays the same view as the factory backup camera. Connection to the factory backup camera will require an adaptor, sold separately. Not all vehicles may be able to connect. Please check with a qualified professional installer for installation options specific to your vehicle.
Connection
Precautions
Your new product and this manual
- Do not operate this product, any applications, or the rear view camera option (if purchased) if doing so will divert your attention in any way from the safe operation of your vehicle. Always observe safe driving rules and follow all existing traffic regulations. If you experience difficulty in operating this product, pull over, park your vehicle in a safe location and apply the parking brake before making the necessary adjustments.
- Do not install this product where it may
- obstruct the driver’s vision,
- impair the performance of any of the vehicle’s operating systems of safety features, including airbags, hazard lamp buttons, or
- impair the driver’s ability to safely operate the vehicle. In some cases, it may not be possible to install this product because of the vehicle type or the shape of the vehicle interior.
Important safeguards
WARNING
Pioneer does not recommend that you install this product yourself. This product is designed for professional installation only. We recommend that only authorized Pioneer service personnel, who have special training and experience in mobile electronics, set up and install this product. NEVER SERVICE THIS PRODUCT YOURSELF. Installing or servicing this product and its connecting cables may expose you to the risk of electric shock or other hazards, and can cause damage to this product that is not covered by warranty.
Precautions before connecting the system
WARNING
Do not take any steps to tamper with or disable the parking brake interlock system which is in place for your protection. Tampering with or disabling the parking brake interlock system could result in serious injury or death.
CAUTION
- Secure all wiring with cable clamps or electrical tape. Do not allow any bare wiring to remain exposed.
- Do not directly connect the yellow lead of this product to the vehicle battery. If the lead is directly connected to the battery, engine vibration may eventually cause the insulation to fail at the point where the wire passes from the passenger compartment into the engine compartment. If the yellow lead’s insulation tears as a result of contact with metal parts, short-circuiting can occur, resulting in considerable danger.
- It is extremely dangerous to allow cables to become wound around the steering column or shift lever. Be sure to install this product, its cables, and wiring away in such so that they will not obstruct or hinder driving.
- Make sure that the cables and wires will not interfere with or become caught in any of the vehicle’s moving parts, especially the steering wheel, shift lever, parking brake, sliding seat tracks, doors, or any of the vehicle’s controls.
- Do not route wires where they will be exposed to high temperatures. If the insulation heats up, wires may become damaged, resulting in a short circuit or malfunction and permanent damage to the product.
- Do not shorten any leads. If you do, the protection circuit (fuse holder, fuse resistor or filter, etc.) may fail to work properly.
- Never feed power to other electronic products by cutting the insulation of the power supply lead of this product and tapping into the lead. The current capacity of the lead will be exceeded, causing overheating.
Before installing this product
- Use this unit with a 12-volt battery and negative grounding only. Failure to do so may result in a fire or malfunction.
- To avoid shorts in the electrical system, be sure to disconnect the (–) battery cable before installation.
To prevent damage
WARNING
- When speaker output is used by 4 channels , use speakers over 50 W (Maximum input power) and between 4 Ω to 8 Ω (impedance value). Do not use 1 Ω to 3 Ω speakers for this unit.
- The black cable is ground. When installing this unit or power amp (sold separately), make sure to connect the ground wire first. Ensure that the ground wire is properly connected to metal parts of the car’s body. The ground wire of the power amp and the one of this unit or any other device must be connected to the car separately with different screws. If the screw for the ground wire loosens or falls out, it could result in fire generation of smoke or malfunction.

- When replacing the fuse, be sure to only use a fuse of the rating prescribed on this product.
- This product cannot be installed in a vehicle without ACC (accessory) position on the ignition switch.

- To avoid short-circuiting, cover the disconnected lead with insulating tape. It is especially important to insulate all unused speaker leads, which if left uncovered may cause a short circuit.
- For connecting a power amp or other devices to this product, refer to the manual for the product to be connected.
- The graphical symbol
placed on the product means direct current.
Notice for the blue/white lead
- When the ignition switch is turned on (ACC ON), a control signal is output through the blue/white lead. Connect to an external power amp’s system remote control terminal, the auto-antenna relay control terminal, or the antenna booster power control terminal (max. 300 mA 12 V DC). The control signal is output through the blue/white lead, even if the audio source is switched off.
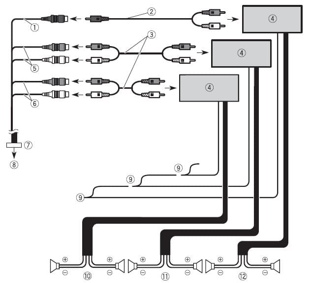
This product

- Microphone 3 m (9 ft. 10-1/8 in.)
- This product
- Antenna jack
- Wired remote input (SWC) Hard-wired remote control adapter can be connected (sold separately).
- Pre out supply (REAR VIEW CAMERA IN)
- Fuse (10 A)
- Power supply
Power cord

- To power supply
- Power cord
- Yellow
To terminal supplied with power regardless of ignition switch position. - Red
To electric terminal controlled by ignition switch (12 V DC) ON/OFF - Orange/white
To lighting switch terminal. - Black (ground)
To vehicle (metal) body. - Violet/white
Of the two lead wires connected to the back lamp, connect the one in which the voltage changes when the gear shift is in the REVERSE (R) position. This connection enables the unit to sense whether the car is moving forward or backward. - Yellow/black
If you use an equipment with Mute function, wire this lead to the Audio Mute lead on that equipment. If not, keep the Audio Mute lead free of any connections. - Blue/white
Connect to system control terminal of the power amp (max. 300 mA 12 V DC). - Light green
Used to detect the ON/OFF status of theparking brake. This lead must beconnected to the power supply side ofthe parking brake switch. If this connection is made incorrectly or omitted, certain functions of this product will be unusable. - Power supply side
- Parking brake switch
- Ground side
Speaker leads

- To power supply
- Power cord
- Left
- Right
- Front speaker
- Rear speaker
- White
- White/black
- Gray
- Gray/black
- Green
- Green/black
- Violet
- Violet/black
NOTE
With a two-speaker system, do not connect anything to the speaker leads that are not connected to speakers.
Power amp (sold separately)
Important
The speaker leads are not used when this connection is in use.

- Subwoofer output (SUBWOOFER OUT)
- RCA conversion cable (sold separately)
- RCA cable (sold separately)
- Power amp
- Front output (FRONT OUT)
- Rear output (REAR OUT)
- Pre out cord
- To pre out supply
- System remote control Connect to Blue/white cable (max. 300 mA 12 V DC).
- Rear speaker
- Front speaker
- Subwoofer
iPhone and smartphone
Notes:
- For details on how to connect an external device using a separately sold cable, refer to the manual for the cable.
- For details concerning the connection and operations of iPhone or smartphone, refer to the Operation Manual or the Owner’s Manual.
iPhone with Lightning connector
Connecting via the USB port
- DMH-342EX/DMH-341EX/DMH-340EX/DMH-130BT

- DMH-241EX/DMH-240EX/AVH- 241EX/AVH-240EX

- USB port
- USB cable 1.5 m (4 ft. 11 in.)
- USB interface cable for iPhone (sold separately)
- iPhone with Lightning connector
Smartphone (Android™ device)
Connecting via the USB port
- DMH-342EX/DMH-341EX/DMH- 340EX/DMH-130BT

- DMH-241EX/DMH-240EX/AVH- 241EX/AVH-240EX

- USB port
- USB cable 1.5 m (4 ft. 11 in.)
- USB – micro USB cable (Type USB A – micro USB B) (sold separately) USB Type-C cable (Type USB A – USB C) (sold separately)
- Smartphone
NOTES
- The length of Type USB A – micro USB B cable cannot exceed 2 m (6 ft. 6 in.) and Type USB A – USB C cannot exceed 4 m (13 ft. 1 in.) according to the USB cable standard. When using a cable other than the above conditions, the main unit function may not operate properly.
- Android is a trademark of Google LLC.
Camera
About rear view camera
When you use the rear view camera, the rear view image is automatically switchedfrom the video by moving the shift lever toREVERSE (R). Camera View mode alsoallows you to check what is behind you while driving.
WARNING
USE INPUT ONLY FOR REVERSE OR MIRROR IMAGE REAR VIEW CAMERA. OTHER USE MAY RESULT IN INJURY OR DAMAGE.
CAUTION
- The screen image may appear reversed.
- With the rear view camera you can keep an eye on trailers, or back into a tight parking spot. Do not use for entertainment purposes.
- Objects in rear view may appear closer or more distant than in reality.
- The image area of full-screen images displayed while backing or checking the rear of the vehicle may differ slightly.

- This product
- Pre out supply
- Power supply
- To pre out supply
- To power supply
- Power cord
- Brown (REAR VIEW CAMERA IN)
- Violet/white (REVERSE-GEAR SIGNAL INPUT) Refer to Power cord on page 3.
- RCA cable (sold separately)
- To video output
- Rear view camera (sold separately)
NOTES
- Connect only the rear view camera to REAR VIEW CAMERA IN. Do not connect any other equipment.
- When the camera image is not displayed on screen, check the camera setting in the setting menu. For details, refer to the Operation Manual or the Owner’s Manual.
External video component and the display

- This product
- Pre out supply
- AUX input
- Mini-jack AV cable (sold separately)
- To pre out supply
- Pre out cord
- Yellow
- Red, white
- Yellow (REAR MONITOR OUT)
- RCA cables (sold separately)
- To video output
- To audio outputs
- External video component (sold separately)
- To video input
- Rear display with RCA input jack
WARNING
NEVER install the rear display in a location that enables the driver to watch the video source while driving. This product’s rear video output is for connection of a display to enable passengers in the rear seats to watch the video source.
CAUTION
Be sure to use a mini-jack AV cable (sold separately) for wiring. If you use other cables, the wiring position might differ resulting in disturbed images and sounds.

- L: Left audio (White)
- R: Right audio (Red)
- V: Video (Yellow)
- G: Ground
Installation
Precautions before installation
CAUTION
- Never install this product in places where, or in a manner that:
- Could injure the driver or passengers if the vehicle stops suddenly.
- May interfere with the driver’s operation of the vehicle, such as on the floor in front of the driver’s seat, or close to the steering wheel or shift lever.
- To ensure proper installation, be sure to use the supplied parts in the manner specified. If any parts are not supplied with this product, use compatible parts in the manner specified after you have the part compatibility checked by your dealer. If parts other than supplied or compatible ones are used, they may damage internal parts of this product or they may work loose and the product may become detached.
- Do not install this product where it may
- obstruct the driver’s vision,
- impair the performance of any of the vehicle’s operating systems or safety features, including airbags, hazard lamp buttons or
- impair the driver’s ability to safely operate the vehicle.
- Never install this product in front of or next to the place in the dashboard, door, or pillar from which one of your vehicle’s airbags would deploy. Please refer to your vehicle’s owner’s manual for reference to the deployment area of the frontal airbags.
Before installing
- Consult with your nearest dealer if installation requires drilling holes or other modifications of the vehicle.
- Before making a final installation of this product, temporarily connect the wiring to confirm that the connections are correct and the system works properly.
Installation notes
- Do not install this product in places subject to high temperatures or humidity, such as:
- Places close to a heater, vent or air conditioner.
- Places exposed to direct sunlight, such as on top of the dashboard.
- Places that may be exposed to rain, such as close to the door or on the vehicle’s floor.
- Install this product horizontally on a surface within 0 to 30 degrees tolerance (AVH) or 0 to 60 degrees tolerance (DMH).
- When installing, to ensure proper heat dispersal when using this unit, make sure you leave ample space behind the rear panel and wrap any loose cables so they are not blocking the vents.

Before installing this product
AVH-241EX/AVH-240EX
Remove the transport screws from the top of the unit.
Important
Remove these two transport screws before installation. Otherwise, the disc player will not work.
- Transport screw
Installation using the screw holes on the side of this product
- Fastening this product to the factory radio-mounting bracket. Position this product so that its screw holes are aligned with the screw holes of the bracket, and tighten the screws at three locations on each side. Use either the truss head screws (5 mm × 9 mm) or flush surface screws (5 mm × 9 mm), depending on the shape of the bracket’s screw holes.

- Factory radio-mounting bracket
- If the pawl interferes with installation, you may bend it down out of the way.
- Dashboard or console
- Truss head screw or flush surface screw Be sure to use the screws supplied with this product.
Installing the microphone
- Install the microphone in a place where its direction and distance from the driver make it easiest to pick up the driver’s voice.
- Be sure to turn off (ACC OFF) the product before connecting the microphone.
- Depending on the vehicle model, the microphone cable length may be too short when you mount the microphone on the sun visor. In such cases, install the microphone on the steering column.
Mounting on the sun visor
- Fit the microphone lead into the groove.

- Microphone lead
- Groove
- Attach the microphone clip to the sun visor.

- Microphone clip
- Clamps
Use separately sold clamps to secure the lead where necessary inside the vehicle.
Install the microphone on the sun visor when it is in the up position. It cannot recognize the driver’s voice if the sun visor is in the down position.
Installation on the steering column
- Detach the microphone base from the microphone clip by sliding the microphone base while pressing the tab.

- Tab
- Microphone base
- Mount the microphone on the steering column.

- Double-sided tape
- Clamps
Use separately sold clamps to secure the lead where necessary inside the vehicle.
NOTE
Install the microphone on the steering column, keeping it away from the steering wheel.
Adjusting the microphone angle
The microphone angle can be adjusted.

For more manuals by Pioneer visit, ManualsLibraryy
Pioneer DMH-130BT RDS AV Receiver-FAQs
Does the Pioneer DMH-130BT support Apple CarPlay?
No, the DMH-130BT does not support Apple CarPlay. For this feature, consider upgrading to the Pioneer 160 model.
Is CarPlay automatic?
Yes, on some vehicles, CarPlay starts automatically when you connect your iPhone. If not, select the CarPlay logo on your vehicle’s display.
What is AUX on a stereo?
The AUX connector is an audio input that allows you to connect devices like smartphones or MP3 players to the stereo using a 3.5mm jack.
How does AUX Bluetooth work?
A Bluetooth car adapter plugs into the AUX port of your stereo and pairs with your phone via Bluetooth, enabling hands-free calls and music streaming.
How do I play music through AUX?
Connect one end of the AUX cable to your car stereo and the other to your phone. Press the AUX button on the stereo to activate the connection.
Does Pioneer have an app?
Yes, download the Pioneer Smart Sync app to control and display your phone’s data, as well as data from select car sensors, through your stereo.
Can you connect a phone to a stereo?
Yes, plug one end of an AUX cable into your phone’s headphone jack and the other into the AUX port on your stereo.
What does CarPlay do?
Apple CarPlay mirrors your iPhone on the car’s infotainment screen, providing access to navigation, calls, messages, and music.
How do I use AUX in my Pioneer stereo?
Press the ‘Source’ button on your Pioneer stereo until ‘AUX’ appears on the display, then push the cursor key to activate it.
How is CarPlay used?
Connect your iPhone via USB or wireless pairing, then press and hold the voice command button on your steering wheel to activate CarPlay.






