Blog Post

Weider pro 4850 Weight System-featured

Weider pro 4850 Weight System User Manual

Weider logo

Weider pro 4850 Weight System

Weider pro 4850 Weight System-product

ASSEMBLY

Make Assembly Easier

Everything in this manual is designed to ensure that the weight system can be assem- bled successfully by anyone.

Before beginning assembly, make sure to read the information on this page. This brief introduction will save you much more time than it takes to read it.

Assembly Requires Two Persons

For your convenience and safety, assemble the weight system with the help of another person.

Set Aside Enough Time

Due to the many features of the weight system, the assembly process will require several hours. By setting aside plenty of time and by deciding to make the task enjoyable, assembly will go smoothly.

Select a Location for the Weight System

Because of its weight and size, the weight system should be assembled in the location where it will be used. Make sure that there is enough room to walk around the weight system as you assemble it.

How to Unpack the Box

To make assembly easier, we have divided the assembly process into four stages. The small hard- ware needed for each stage is packaged in sepa- rate bags. Important: Wait until you begin each stage to open the parts bag(s) for that stage. Place all parts of the weight system in a cleared area and remove the packing materials. Do not dis- pose of the packing materials until assembly is com- pleted.

Make sure that you have the following tools:

  • Two adjustable wrenches
  • One standard screwdriver
  • One phillips screwdriver
  • One rubber mallet
  • You will also need grease or petroleum jelly, a small amount of soapy water, and masking tape.
    Note: Assembly will be more convenient if you have a socket set, a set of open-end or closed-end wrenches, or a set of ratchet wrenches.

How to Identify Parts

To help you identify the small parts used in assembly, a PART IDENTIFICATION CHART is included in the center of this manual. Lay the chart on the floor and use it to easily identify parts during each assembly tep. Note: Some small parts may have been pre- ttached. If a part is not in the parts bag, check to see if it has been pre-attached.

How to Orient Parts

As you assemble the weight system, make sure that all parts are oriented exactly as shown in the drawing..

Tightening Parts

Tighten all parts as you assemble them, unless instructed to do otherwise.

Questions?

If you have questions after reading the assembly instructions, please call 1-800-4-MY-HOME® (1-800-469-4663).

The Four Stages of the Assembly Process

Frame Assembly

You will begin by assembling the base and the uprights that form the skeleton of the weight system.

Arm Assembly

During this stage, you will assemble the arms and the leg lever.

Cable Assembly

During this stage, you will attach the cables and pulleys that connect the weight stations to the weight stacks.

Seat Assembly

During the final stage, you will assemble the seat and the backrests.

FRAME ASSEMBLY

  1. Make sure that you understand all of the information on page 5 before you begin assembling the weight system. Locate and open the parts bags labeled “FRAME ASSEMBLY 1” and “FRAME ASSEMBLY 2.” See the inset drawing. Attach the Base Cap (24) to the Short Base (2) with two M4 x 20mm Self-tapping Screws (14) and two M4 Washer (98). Press a 50mm Square Inner Cap (105) into the open end of the Long Base (106). Insert eight M10 x 65mm Carriage Bolts (110) up through the Long Base (106) and the Short Base (2) as shown. Note: It may be helpful to place tape over the heads of the Carriage Bolts to hold them in place. Attach the Short Base (2) to the Long Base (106) with two M10 x 70mm Bolts (85), the Long Frame Plate (71), and two M10 Nylon Locknuts (87).Weider pro 4850 Weight System-5
  2. Press two 50mm x 75mm Inner Caps (58) into the Foot Plate (53). Attach the Foot Plate to the Long Base (106) with two M10 x 65mm Carriage Bolts (110) and two M10 Nylon Locknuts (87).Weider pro 4850 Weight System-6
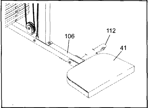
  3. Attach the tether on the Pin w/Tether (112) to the Long Base (106) with an M4 x 20ram SeLf-tapping Screw (14). Attach the four Knee Rest Bumpers (30) to the Squat Knee Rest (41) with four M4 x 20mm Selftapping Screws (14). Attach the Squat Knee Rest (41) to the Long Base (106) with an M10 x 85mm Bolt (96) and an M10 Nylon Locknut (87). Do not overtighten the Nylon Locknut; the Squat Knee Rest must be able to pivot.Weider pro 4850 Weight System-7
  4. Press a 38mm Square Inner Cap (67) into the square tube on the Butterfly Upright (3). Slide the Butterfly Upright (3) onto the two indicated M10 x 65ram Carriage Bolts (110) in the Short Base (2). Finger-tighten an M10 Nylon Locknut (87) onto each Carriage Bolt. Do not tighten the Locknuts yet.Weider pro 4850 Weight System-8
  5. Press a 50mm x 75mm Inner Cap (58) halfway into the top of the Seat Upright (9); it will need to be removed later. Attach the Leg Lever Bumper (77) to the Seat Upright with an M4 x 20ram Self-tapping Screw (14) and an M4 Washer (98). Slide the SeatUpright (9) onto the two indicated M10 x 65mm Carriage Bolts (110) in the Short Base (2). Finger tighten an M10 Nylon Locknut {87) onto each Carriage Bolt. Do not tighten the Locknuts yet.Weider pro 4850 Weight System-9
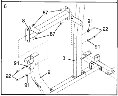
  6. Hold the Seat Frame (8) between the Seat Upright (9) and the Butterfly Upright (3). Attach the Seat Frame to the Seat Upright with two M10 x 95ram Bolts (92), two M10 Washers (91), and two M10 Nylon Locknuts (87). Do not tighten the Lecknuts yet, Attach the Seat Frame (8) to the Butterfly Upright (3) with two M10 x 95mm Bolts (92), two M10 Washers (91), and two M10 Nylon Locknuts (87). Do not tighten the Lecknuts yet.Weider pro 4850 Weight System-10
  7. Press a 50mm x 75mm Inner Cap (58) into the top of the Squat Upright (4). Press two 25mm Round Outer Caps (120) onto the Upright. Slide the Squat Upright onto the two indicated M10 x 65mm Carriage Bolts (110) in the Long Base (106). Finger-tighten an M10 Nylon Locknut (87) onto each Carriage Bolt. Do not tighten the Locknuts yet. Press a 50mm x 75mm Inner Cap (58) into the top of the Swivel Upright (5). Slide the Swivel Upright onto the two indicated M10 x 65mm Carriage Bolts (110) in the Long Base (106). Finger-tighten an M10 Nylon Locknut (87) onto each Carriage Bolt. Do not tighten the Locknuts yet. Weider pro 4850 Weight System-11
  8. Press two Swivel Bushings (66) into the Swivel Carriage (46). Tighten an Adjustment Handle (65) into the Swivel Carriage (46). Orient the Swivel Carriage as shown. Slide the Carriage onto the Swivel Upright (5) and engage the Adjustment Handle into an adjustment hole in the Swivel Upright.Weider pro 4850 Weight System-12
  9. Attach a Roller (39) between the indicated set of holes in the Squat Slider (38) with an M8 x 85mm Bolt (94) and an M8 Nylon Locknut (86) as shown. Do not overtighten the Locknut. Assemble the other three Rollers (39) to the Squat Slider (38) in the same manner.Weider pro 4850 Weight System-13
  10. Slide the Squat Slider (38) down onto the Squat Upright (4).Weider pro 4850 Weight System-14
  11. Orient the Weight Guides (42) with the indicated holes on top. Insert the ends of two Weight Guides into the indicated bracket on the Long Base (106). Slide two Weight Bumpers (49) onto the Weight Guides. Next, slide ten Weights (44) onto the Weight Guides. Make sure that the Weights are turned so the grooved sides of the Weights are facing downward.
    Press a Weight Tube Bumper (48) into the lower end of a Weight Tube (43). into the lower end of a Weight Tube (43). Insert the Weight Tube into the centers of the Weights (44). Make sure that the Weight Tube is turned as shown. Lubricate the two outer holes in a Top Weight (45). Slide the Top Weight onto the Weight Guides (42). Make sure that the Top Weight is turned so the grooved side is facing downward.
    Apply a number “10” decal to the Top Weight (45) in the location shown. Apply decals with the numbers 20 through 110 to the ten Weights (44). Assemble the other weight stack in the same way.Weider pro 4850 Weight System-15
  12. Attach the Top Frame (6) between the Squat Upright (4) and the Swivel Upright (5) with four M10 x 95mm Bolts (92), the two Short Frame Plates (52), and two M10 Nylon Locknuts (87) as shown. Do not tighten the Bolts and Locknuts yet. Attach the four Weight Guides (42) to the Top Frame (6) with two M10 x 165mm Bolts (95), four M10 Washers (91), and two M10 Nylon Locknuts (87).Weider pro 4850 Weight System-31
  13. Press two 50mm x 75mm Inner Caps (58) into the Top Frame (6) and the Butterfly Top Frame (7). Attach the Butterfly Top Frame (7) to the Top Frame (6) with two M10 x 70mm Bolts (85), two M10 Washers (91), and two M10 Nylon Locknuts (87). Do not tighten the Locknuts yet.
    Attach the Butterfly Top Frame (7) to the Butterfly Upright (3) with two M10 x 95mm Bolts (92), two M10 Washers (91), and two M10 Nylon Locknuts (87).
    Tighten all of the M10 Nylon Locknuts (87) used in steps 2-13.Weider pro 4850 Weight System-32

ADJUSTMENTS

The instructions below describe how each part of the weight system can be adjusted. Refer to the exercise guide accompanying this manual to see how the weight system should be set up for various exercises. IMPORTANT: When attaching the lat bar, row bar, or handle, make sure that the attachments are in the correct starting position for the exercise to be performed. If there is any slack in the cables or chain as an exercise is performed, the effectiveness of the exercise will be reduced.

CHANGING THE WEIGHT SETTING

To change the weight setting of either weight stack, insert a Weight Pin (50) under the desired Weight (44) until the bent end of the Weight Pin is touching the Weights. Turn the bent end downward. The weight setting of each weight stack can be changed from 10 pounds to 110 pounds, in 10-pound increments. Note: Due to the cables and pulleys, the amount of resistance at each exercise station may vary from the weight setting. Use the WEIGHT RESISTANCE CHART on page 24 to find the approximate amount of resistance at each weight station.

Weider pro 4850 Weight System-16

ATTACHING THE ACCESSORIES TO THE HIGH PULLEY STATION OR THE LOW PULLEY STATION

Attach the Lat Bar (79) to the Lat Cable (88) with a Cable Clip (83). For some exercises, the Chain (81) should be attached between the Lat Bar and the Lat Cable with two Cable Clips. Adjust the length of the Chain between the Lat Bar and the Lat Cable so the Lat Bar is in the correct starting position for the exercise to be performed.

The Lat Bar (79) can be attached to the Swivel Low Cable (not shown) in the same way. The Row Bar (not shown), the Handle (not shown), or the Ab Strap (not shown) can be attached to the Lat Cable (88) or the Swivel Low Cable (not shown) in the same way.

Weider pro 4850 Weight System-17

CONVERTING THE BUTTERFLY ARMS

To use the Butterfly Arms (25, 26) as butterfly arms, insert the “L”-pins with w/Tethers (60) into the butterfly holes in the Butterfly Upright (3). To use the Butterfly Arms (25, 26) as press arms, insert the “L”-pins with w/Tethers (60) into the press holes in the Butterfly Frame (47). Make sure that both “L” pins with w/Tethers (60) are fully inserted into the same set of holes before performing any exercise.

Weider pro 4850 Weight System-18

ADJUSTING THE SQUAT ARM OR SWIVEL CARRIAGE

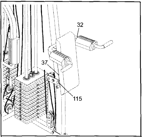
To adjust the height of the Squat Arm (32), first turn the Adjustment Knob (115) on the Squat Bracket (37) counterclockwise several turns to loosen it. Next, pull the Handle and slide the Squat Bracket up or down to the desired position. Engage the Handle into one of the holes in the Squat Slider (not shown), and then turn the Handle clockwise until it is tight.

The height of the Swivel Carriage (not shown) can be adjusted in the same way using the Adjustment Handle (not shown).

Weider pro 4850 Weight System-19

ADJUSTING THE SQUAT KNEE REST

To use the Squat Knee Rest (41), pivot it down to the position shown and insert the Pin w/Tether (112) into the holes in the Squat Knee Rest and the Long Base (106). When the Squat Knee Rest (41) is not in use, pivot it up to a vertical position and then insert the Pin w/Tether (112) into the hole in the Long Base (106).Weider pro 4850 Weight System-20

ATTACHING THE CURL PAD

To use the Curl Pad (11), remove the 50mm x 75mm Inner Cap (58) from the Seat Upright (9). Insert the Curl Post (12) into the Seat Upright and secure it with the M10 x 20mm Knob (117). Replace the 50mm x 75mm Inner Cap (58) when the Curl Post (12) is removed. Do not press the Cap all the way into the Seat Upright (9).Weider pro 4850 Weight System-21

WEIGHT RESISTANCE CHART

The chart below shows the approximate weight resistance at each weight station. “Top” refers to the 10-pound top weight. The other numbers refer to the 10-pound weight plates. The butterfly arm resistance listed is the resistance for each butterfly arm. Note: The actual resistance at each weight station may vary due to differences in individual weight plates as well as friction between the cables, pulleys, and weight guides.

Weider pro 4850 Weight System-22

TROUBLESHOOTING

Make sure all parts are properly tightened each time the weight system is used. Replace any worn parts immedi y. The weight system can be cleaned using a damp cloth and mild non-abrasive detergent. Do not use solvents.

TIGHTENING THE CABLES

Woven cable, the type of cable used on the weight system, can stretch slightly when it is first used. If there is slack in the cables, resistance is felt before. The cables should be tightened. To tighten the cables. First, insert the weight pins into the centers of the weight stacks. Slack can be removed from the cables in several ways:

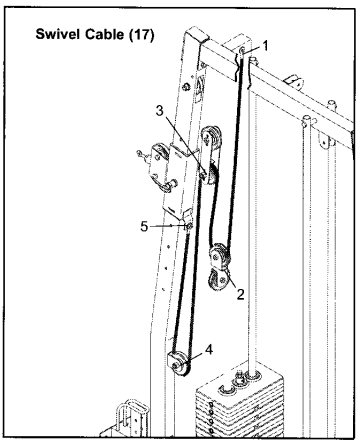
See drawing 1. To tighten the Squat Cable (73) or the Swivel High Cable (not shown), first loosen the M12 Nut (118) on the end of the Cable, away from the 50mm Washer (1). Screw the end of the Cable farther into the Weight Tube (43). Then, retighten the Nut against the Washer.Weider pro 4850 Weight System-23

See drawing 2. To further tighten the Squat Cable (73), first remove the M10 Nylon Locknut (87), the M10 x 50mm Bolt (100), Cable Trap (68), and 90mm Pulley (78) from the indicated bracket on the Long Base (106). Reattach the Pulley and Cable Trap between a lower set of holes with the Bolt and Nylon Locknut.Weider pro 4850 Weight System-24

See drawing 3. To tighten the other five cables, first remove the upper or lower M10 Nylon Locknut (87), M10 x 50mm Bolt (100), 90mm Pulley (78), and Cable Trap (68) from the Pulley Plates (63) or Small Pulley Plates (not shown). Reattach the Pulley and the Cable Trap between a set of holes closer to the center of the Pulley Plates with the Bolt and Locknut.Weider pro 4850 Weight System-25

See drawing 4. To remove additional slack, first remove the M10 Nylon Locknut (87), M10 x 50mm Bolt (100), 90mm Pulley (78), and Cable Trap (68) from the “U”-bracket (64). Reattach the Pulley and the Cable Trap between the higher set of holes in the “U’-bracket with the Bolt and Nylon Locknut.

Slack can also be removed from the cables by tightening the M8 Nylon Locknut (86) at the end of the Leg Lever Cable (75). To do this, you may need to remove the 90mm Pulley (78) from the “U”-Bracket (64).Weider pro 4850 Weight System-26

Do not overtighten the cables. If the cables are overtightened, the top weights will be lifted off the weight stacks.

If a cable slips off the pulleys repeatedly, it may have become twisted. Remove the cable and reinstall it. if the cables need to be replaced, see ORDERING REPLACEMENT PARTS on the back cover of this manual.

CABLE DIAGRAMS

The cable identification chart below shows the ends of each cable and the lengths of the cables. The cable diagrams on this page and the following page show the proper routing of the cables. The numbers in the diagrams show the routes of the cables. Use the diagrams to make sure that the cables have been assembled correctly.

IMPORTANT: If the cables have not been correctly routed, the weight system will not function properly, and damage may occur.

Weider pro 4850 Weight System-27

Weider pro 4850 Weight System-28Weider pro 4850 Weight System-29Weider pro 4850 Weight System-30

Get it fixed, at your home or ours!

Your Home

For repair – in your home – of all major brand appliances, lawn and garden equipment, or heating and cooling systems, no matter who made it, no matter who sold it!

For the replacement parts, accessories, and user manuals that you need to do it yourself.

For Sears, professional installation of home appliances and items like garage door openers and water heaters.

1-800-4-MY-HOME ®                          Anytime, day or night
(1-800-469-4663)                                   (U.S.A. and Canada)
www.eears.com                                           www.seara.ca

Our Home

For repair of carry-in products like vacuums, lawn equipment, and electronics, call or go online for the location of your nearest Sears Parts and Repair Center. 1-800-488-1222 Anytime, day or night (U.S.A. only) www.sears.com

FULL 90 DAY WARRANTY

For 90 days from the date of purchase, if failure occurs due to a defect in material or workmanship in this Sears Weight System Exerciser, contact the nearest Sears Service Center throughout the United States, and Sears will repair or replace the Weight System Exerciser, free of charge.

This warranty does not apply when the Weight System Exerciser is used commercially or for rental purposes.

This warranty gives you specific legal rights, and you may also have other rights which vary from state to state.

For more manuals by Weider, visit ManualsLibraryy

Weider Pro 4850 Weight System-FAQs

How much does the Weider Pro 4850 system weigh?

The total system weight can vary depending on attachments and configurations, but similar equipment typically weighs several hundred pounds. For accurate shipping or setup details, refer to the product manual or manufacturer’s specifications.

What is the maximum weight capacity of a Weider bar?

The included bar in many Weider home gyms is tested to hold up to 310 pounds, making it suitable for most home strength training routines.

How do I choose the right weight on a gym machine?

Select a weight that allows you to perform 10–12 reps with good form, but feels challenging by the last few reps. If it feels too easy, gradually increase the resistance.

How is total weight calculated in weightlifting?

To calculate the total load:
1. Add the weight of all plates on one side of the bar.
2. Multiply that by 2 (for both sides).
3. Add the weight of the bar itself.
Example: Two 25 lb plates on each side + 45 lb bar = 145 lbs total.

How much do individual weight plates on machines weigh?

Cable machine weight plates typically weigh between 5 and 20 pounds each. Some machines also offer 2.5-pound increments for finer adjustments.

What is the weight of a John Deere 4850 tractor?

The John Deere 4850 farm tractor has an operating weight of around 18,000 lbs, though this may vary with attachments.

How much does an IDEAL 4850 95 EP paper cutter weigh?

The IDEAL 4850 95 EP weighs approximately 215 kg (474 lbs) and features motorized cutting and backgauge systems.

What’s the maximum weight a standard barbell can hold?

A standard barbell typically supports up to 120 kg (265 lbs). For heavier lifting, consider switching to an Olympic barbell, which offers higher capacity.

Leave a comment

Your email address will not be published. Required fields are marked *