![]()
Yaesu FTDX101D HF King Radio Operation

Accessories & Options
Supplied Accessories

- Operation Manual
- World Map
- Sticker
- Circuit Diagrams
Available options
- Hand Microphone (equivalent to the supplied microphone): SSM-75G
- Reference Microphone: M-1
- Dual Element Microphone: M-100
- Ultra-High-Fidelity Desktop Microphone: MD-200A8X
- Desktop Microphone: MD-100A8X
- Lightweight Stereo Headphones: YH-77STA
- External Speaker: SP-101
- External Automatic Antenna Tuner: FC-40
- Remote Control Keypad: FH-2
- Linear Amplifier/AC Power Supply: VL-1000/VP-1000
- VL-1000Linear Amplifier Connection Cable: CT-178
Please contact YAESU for the following options.
- VC-Tuning Unit (for SUB Band) VCT-101
- CW Narrow Filter (C/F: 9.005MHz, B/W: 300Hz, for MAIN Band) XF-128CN
- CW Narrow Filter (C/F: 8.900MHz, B/W: 300Hz, for SUB Band) XF-129CN
- SSB Narrow Filter (9.005MHz, B/W: 1.2kHz, for MAIN Band) XF-128SN
- SSB Narrow Filter (8.900MHz, B/W: 1.2kHz, for SUB Band) XF-129SN
Installation and Interconnections
Antenna Considerations
The FTDX101D is designed to connect to a 50 Ohm resistive impedance antenna at the Amateur operating frequencies. Select an appropriate antenna (dipole antenna, YAGI antenna, cubical quad antenna, etc.) that is suitable for the chosen operation and bands.
Construct the antenna and coaxial cable, or use a suitable antenna tuner, to maintain the impedance presented to the FTDX101D antenna connector for an SWR of 1.5 or less. Careful preparation of the antenna and/or tuner will permit maximum performance, and protect the transceiver from damage. High transmitter RF voltages may be present on the antenna; install it so it will not be easily touched when in operation.
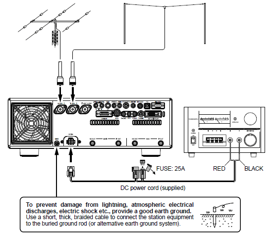
Antenna and Power Cable Connections
Carefully follow the illustration regarding the proper connection of antennas and coaxial cables, as well as the DC power cable.
Microphone, Headphone, Key, Keyer, and FH-2 Connections

Rear Panel

- Cooling FAN
- ANT 1, 2, 3/RX
Connect the main antenna(s) here, using type-M (PL-259) connectors and coaxial feed lines. The internal antenna tuner affects only the antenna(s) connected here, and only during transmission. - EXT SPKR
These 3.5-mm, 2-contact, jacks provide audio output for external loudspeakers. The impedances at the jacks are 4 – 8 Ohms, and the volume varies according to the setting of the front panel [AF] knob. - KEY
This 1/4-inch 3-contact jack accepts a CW key or keyer paddle. A two-contact plug cannot be used in this jack. Key-up voltage is +5.0 V DC, and the key-down current is 3 mA.
- AF-OUT
This 3.5-mm, 3-contact jack provides dual-channel low-level receiver output, for recording or external amplification.
- REM
By plugging the FH-2 Remote Control Keypad into this jack, direct access to the FTDX101D CPU is provided for control functions of the contest memo- ry keying, and also frequency and function control. - RTTY/DATA
This 6-pin input/output jack accepts AFSK input from a Terminal Node Controller (TNC); it also provides fixed-level receiver audio output and FSK keying line.
- METER
This 3.5-mm jack is to connect an external meter.
- EXT ALC
This RCA input jack accepts negative-going external ALC (Automatic Level Control) voltage from a linear amplifier to prevent over-excitation by the transceiver. The acceptable input voltage range is 0 to -4 VDC. - USB
Connecting to a computer from this jack with a commercially available USB cable allows remote control by CAT commands from the computer. The jack can also be used for input and output of audio signals and transmitter control. A USB driver is required for remote control from a computer. - RS-232C
This 9-pin serial DB-9 jack permits external computer control of the FTDX101D. Connect a serial cable here and to the RS-232C COM port on your personal computer (no external interface is required).
- GND
Use this terminal to connect the transceiver to a good earth ground, for safety and optimal performance. Use a large-diameter, short braided cable to make ground connections. - DC IN
This is the DC power supply connection for the transceiver. Use the supplied DC cable to connect directly to a DC power supply, which must be capable of supplying at least 23 A @13.8 VDC.
- RX OUT (MAIN)
This RCA jack provides an output of the RF signal. For connecting an external receiver and the like. - LINEAR
This 15-pin output jack provides band selection data, which may be used for control of optional accessories such as the VL-1000 Solid-state Linear Amplifier. - ACC
This 13-pin jack may be connected to an external device.
- Power ON
- GND DATA1
- DATA2
- CLOCK
- CS
- 3.3V
- 13.8V
- Reserve
- Reserve
- CNT RX
- CNT TX
- Reserve
- IF OUT (MAIN)
This RCA jack outputs the receiver a 9.005 MHz IF signal. This signal does not pass through the roofing filter. - TX-GND
This RCA jack’s center pin is closed to the ground while the transceiver’s transmitter is engaged. The transistor open collector circuit used for this jack is capable of switching a DC voltage of 60 V at 200 mA, or DC 30 V at up to 1Amp. - PTT
This RCA input jack may be used to provide manual transmitter activation using a foot switch or other switching device. Its function is identical to the [MOX] key on the front panel. Open-circuit voltage is 5 VDC, and closed-circuit current is 3 mA. - RX OUT (SUB)
This RCA jack provides an output of the RF signal. For connecting an external receiver and the like. - +13.8V
This RCA output jack provides regulated, separately fused 13.8 VDC at up to 200 mA, to power an external device such as a packet TNC. Make sure your device does not require more current (if it does, use a separate power source). - TUNER
This 8-pin output jack is used for connection to the FC-40 External Automatic Antenna Tuner.
- EXT-DISPLAY
DVI-I connector for connecting an external monitor. When using an external monitor, set the setting menu item “EXT DISPLAY” (page 105) to “ON”. - IF OUT (SUB)
This RCA jack outputs the receiver an 8.900 MHz IF signal. This signal does not pass through the roofing filter.
SSM-75G Microphone Switches

- PTT Switch
Switches Transmit/Receive. Press to transmit and release to receive. - DWN / UP Key
The [UP]/[DWN] keys may also be used to manually scan the frequency upward or downward.- Pressing the [FAST] key engages the “Fast” tuning selection.
- The amount of frequency change depends on the operation mode (default setting: see table below).
Operating Mode UP DWN CW / SSB / RTTY DATA-L / DATA-U / PSK +10Hz [+100Hz] -10Hz [-100Hz]
AM / FM DATA-FM +5kHz [+50kHz] -5kHz [-50kHz]
Numbers in parentheses indicate steps when the [FAST] key is On.
- The frequency change can be changed in the settings menu.
Operating Mode Memu Item Step SSB / CW RTTY / PSK DATA-L DATA-U SSB/CW DIAL STEP
(page 103)
5/10 (Hz)
AM AM CH STEP (page 103)
2.5/5/9/10/ 12.5/25 (kHz)
FM DATA-FM FM CH STEP (page 103)
5/6.25/10/ 12.5/20/25
(kHz)
- MUTE Key
While pressing the MUTE key, the receiver audio from the speaker will be muted. - Microphone
Speak into the microphone in a normal tone of voice with the microphone 5 cm away from the mouth. - P1 key
Switches the operation to the MAIN band. It has the same function as the [MAIN] key on the front panel of the transceiver. - P2 key
Switches the operation to the SUB band. It has the same function as the [SUB] key on the front panel of the transceiver. - P3 key
Switches transmission to the MAIN band. It has the same function as the MAIN band [TX] key on the front panel of the transceiver. - P4 key
Switches transmission to the SUB band. It has the same function as the SUB band [TX] key on the front panel of the transceiver.
Display Indications

Meter Display

AMC gain control display
(Displays compression level during speech processor operation) Make adjustments with the [PROC / PITCH] control.
Filter Function Display
Displays the passband status of the DSP filter. The operation of WIDTH, SHIFT, NOTCH, CONTOUR, etc. can be observed. The current roofing filter bandwidth is displayed as a blue line below the filter function display. The roofing filter is selected by touching [R. FIL].

- Display only DSP filter bandwidth information
To display only the DSP filter bandwidth information, press and hold the spectrum area of the filter function display to clear the spectrum view. To display it, press and hold again.
Frequency Display
The transmit and receive frequencies of the MAIN Band are shown on the left and the transmit and receive frequencies of the SUB Band are shown on the right. In split operation, the transmit frequency is displayed in red.
- Keyboard Frequency Entry
- Touch the “Hz” area of the frequency display.

- Enter the frequency using the numeric keys.

- If there is no operation within 10 seconds, the input will be canceled.
- Touch [ENT] to confirm.
- A shortcut for frequencies ending in zero – Press the [ENT] key after the last non-zero digit.
Example
To enter 7.00.000MHz
[0]→ [7]→ [ENT] or [7]→ [.]→ [ENT]
To enter 7.03.000MHz
[7]→ [.]→ [0]→ [3]→ [ENT]
- A shortcut for frequencies ending in zero – Press the [ENT] key after the last non-zero digit.
- Tuning in 1 MHz or 1 kHz Steps
To temporarily set the dial knob to 1MHz or 1kHz steps, touch the “MHz” or “kHz” area of the frequency display.
Touch the “MHz” or “kHz” area of the frequency display to confirm. If there is no operation within 3 seconds, the frequency will be fixed.
Important Receiver Settings
The status of various operations that are important during receive are shown at the bottom of the display. To change a setting, touch the appropriate location on the display.
ANT (Switching the Antenna)
The currently used antenna terminal number (“ANT 1” “ANT 2” “ANT 3 / RX”) is displayed. After touching ANT, touch the desired number. The antenna can be set separately for each operation band.
ATT (Attenuator)
Displays the current ATT (Amount of received input signal attenuation). When the desired signal is extremely strong or the noise level is high on a low-frequency band, activate the attenuator to reduce the incoming signal or noise from the antenna. After touching [ATT], touch the desired attenuation amount. The attenuator is set independently for each operation band.
| OFF | Attenuator is Off |
| 6dB | The incoming signal power is reduced by 6dB (Signal voltage reduced to 1/2) |
| 12dB | The incoming signal power is reduced by 12dB (Signal voltage reduced to 1/4) |
| 18dB | The incoming signal power is reduced by 18dB (Signal voltage reduced to 1/8) |
IPO
The IPO (Intercept Point Optimization) function can establish the gain of the RF amplifier section to accommodate the connected antenna and the received signal conditions. IPO can be selected from three operating conditions.
- AMP1: One stage RF amplifier is connected. This is a well-balanced operation of the receiver sensitivity and characteristics (Approximately 10 dB gain).
- AMP2: Two RF amplifiers are connected in series to give top priority to sensitivity (Approximately 20 dB gain).
- IPO: The received signal is input to the IF mixer without passing through the RF amplifier. This can greatly improve receiving, especially in the harsh low-band signal environment. After touching [IPO], touch the desired operating condition.
Scope Display Setting
In addition to the conventional two-dimensional waterfall spectrum display, Yaesu has added the 3-Dimension Spectrum Stream (3DSS) color display. The constantly changing band conditions and signals are depicted in real time and color. The frequency span is shown on the horizontal X axis, the vertical Y axis depicts the signals and their strengths, and the time is represented on the receding Z axis. The FTDX101D operator can intuitively grasp the band and signal conditions at any instant.
Voice Communications (SSB and AM)
When transmitting in SSB or AM mode
The FTDX101D transmit audio circuit can be set to the optimum operating level by individually adjusting the input and output gains of the microphone amplifier.
- Adjust Microphone gain Touch the Meter Display on the right and then touch “ALC” to select the ACL Meter. Key TX and adjust the [MIC/SPEED] knob to set the input level of the Microphone Amplifier to the position where the ALC Meter needle does not exceed the ALC zone on the audio peaks.

- Adjust the AMC gain
Press the [MIC/SPEED] control to activate the AMC function. While the AMC function is active, the indicator on the left side of the [MIC/SPEED] knob will light. Touch the left side of the Meter Display, and then touch “COMP” to select the COMP meter. Activate the transmit and speak into the microphone while adjusting the AMC level with the [PROC/PITCH] control.- Adjust the AMC to a point where the COMP Meter deflection does not exceed “10 dB” on the audio peaks.
Verify AMC Function operation
- Press the [FUNC] key.
- Select [OPERATION SETTING] → [TX AUDIO] → [PROC TYPE].
- Confirm that [AMC] is selected.
- Press the [FUNC] key to save the new setting and exit the Setting Menu.
- Press the [FUNC] key to exit to normal operation.
Optional FH-2 Control
With the optional remote-control keypad FH-2 voice messages may be recorded and transmitted (Voice Memory). The FH-2 is also the control of the Contest Memory Keyer during CW operation.
- SSB / AM / FM modes have five voice memory channels (20 seconds each) for storage and playback, of voice recordings (page 50).
- The CW Memory Keyer has 5 channels each for the MESSAGE and TEXT Memory (page 57).

Specifications
- Tx Frequency Ranges: 1.8 MHz – 54 MHz (Amateur bands only) 70 MHz – 70.5 MHz (UK Amateur bands only)
- Rx Frequency Range: 30 kHz – 75 MHz (operating): 1.8 MHz – 29.699999 MHz (Specified performance, Amateur bands only) 50 MHz – 53.999999 MHz (Specified performance, Amateur bands only) 70 MHz – 70.499999 MHz (Specified performance, UK Amateur bands only)
- Emission Modes: A1A (CW), A3E (AM), J3E (LSB, USB), F3E (FM), F1B (RTTY), G1B (PSK31)
- Frequency Steps: 1/5/10 Hz (SSB, CW), 10/100 Hz (AM, FM)
- Antenna Impedance: 50 ohms, unbalanced (Antenna Tuner OFF) 16.7 – 150 ohms, unbalanced (Tuner ON, 1.8 MHz – 29.7 MHz Amateur bands) 25 – 100 ohms, unbalanced (Tuner ON, 50 MHz Amateur band)
- Operating Temperature Range: +32 °F to +122 °F (0 °C to +50 °C)
- Frequency Stability: ±0.1 ppm (after 1 minute @+14 °F to +140 °F [–10 °C to +60 °C])
- Supply Voltage: DC 13.8 V ± 10% (Negative Ground)
- Power Consumption (Approx.): Rx (no signal) 3.5 A Rx (signal present) 4A Tx 23 A (100 W)
- Dimensions (WxHxD): 16.6” x 5.1” x 12.7” (420 x 130 x 322 mm)
- Weight (Approx.): 26.5 lbs (12 kg)
For more manuals by Yaesu visit, ManualsLibraryy
Yaesu FTDX101D HF King Radio Operation-FAQs
What is the Yaesu FTDX101D HF King Radio?
The Yaesu FTDX101D is a high-performance HF/50 MHz transceiver designed for amateur radio enthusiasts. It offers advanced features, including high-speed DSP (Digital Signal Processing), a wide frequency coverage range, and exceptional transmission quality.
How do I set up the Yaesu FTDX101D?
To set up the Yaesu FTDX101D, connect the antenna to the antenna port, plug in the power supply, and ensure the power switch is in the “ON” position. Follow the setup instructions in the manual for connecting accessories like a microphone, headphones, or external speakers.
How do I operate the Yaesu FTDX101D HF radio?
To operate the Yaesu FTDX101D, first turn the power on. Use the touchscreen interface to adjust frequency, mode (SSB, CW, AM, etc.), and power output. The large display provides easy access to tuning and settings. Consult the manual for specific step-by-step instructions for each mode.
What modes can I use on the Yaesu FTDX101D?
The Yaesu FTDX101D supports multiple operating modes, including Single Sideband (SSB), Continuous Wave (CW), Amplitude Modulation (AM), and Digital modes like FT8 and RTTY. Select the mode using the touchscreen interface or physical buttons.
How do I tune my Yaesu FTDX101D?
Tuning the Yaesu FTDX101D is easy using the VFO (Variable Frequency Oscillator) dial or the tuning knob. Use the display to monitor the frequency, and adjust for the best signal reception. You can also use the auto-tuning feature for a more convenient setup.
What is the maximum output power of the Yaesu FTDX101D?
The Yaesu FTDX101D provides a maximum output power of 100 watts. However, you can adjust the power output depending on the requirements of your communication, especially when operating in different modes.
Can I use the Yaesu FTDX101D for digital modes?
Yes, the Yaesu FTDX101D is compatible with digital modes such as FT8, RTTY, and others. You can connect a computer to the radio using the USB interface for seamless operation in digital mode. Ensure that the correct software is installed for the desired digital mode.
How do I adjust the settings for optimal signal reception?
To optimize signal reception, adjust settings like the RF gain, IF bandwidth, and DSP filters based on the conditions of the signals you’re receiving. The manual provides detailed steps on fine-tuning these settings for different types of transmissions.
What is the DSP feature on the Yaesu FTDX101D?
The Yaesu FTDX101D features advanced Digital Signal Processing (DSP), which enhances the quality of the received signals and reduces interference. You can adjust the DSP settings for noise reduction, audio clarity, and better overall performance.
Is the Yaesu FTDX101D suitable for beginners?
While the Yaesu FTDX101D offers advanced features and capabilities, it is user-friendly and can be used by beginners with basic knowledge of radio operation. The manual provides step-by-step instructions for setting up and operating the radio, making it accessible for newcomers. However, some advanced modes may require additional learning and practice.
How do I perform a firmware update on the Yaesu FTDX101D?
To update the firmware on the Yaesu FTDX101D, download the latest version from the Yaesu website, then connect the radio to your computer via USB. Follow the update procedure outlined in the manual, which includes selecting the firmware file and initiating the update process.












Touch the “MHz” or “kHz” area of the frequency display to confirm. If there is no operation within 3 seconds, the frequency will be fixed.
