
Asus ROG Strix B550-F Gaming WiFi II AMD AM4 Motherboard

Installation tools and components



The tools and components in the table above are not included in the motherboard package.
Product Introduction
Before you proceed
Take note of the following precautions before you install motherboard components or change any motherboard settings.
- Unplug the power cord from the wall socket before touching any component.
- Before handling components, use a grounded wrist strap or touch a safely grounded object or a metal object, such as the power supply case, to avoid damaging them due to static electricity.
- Hold components by the edges to avoid touching the ICs on them.
- Whenever you uninstall any component, place it on a grounded antistatic pad or in the bag that came with the component.
- Before you install or remove any component, ensure that the ATX power supply is switched off or the power cord is detached from the power supply. Failure to do so may cause severe damage to the motherboard, peripherals, or components.
Motherboard layout

Layout contents Page
- CPU socket
- DIMM slots
- Expansion slots
- Fan and Pump headers
- Power connectors
- M.2 slots (SOCKET 3)
- SATA 6Gb/s ports
- USB 3.2 Gen 1 header
- USB 2.0 headers
- Addressable Gen 2 header
- AURA RGB headers
- Clear CMOS header
- Front Panel Audio header
- System Panel header
- Thermal Sensor header
- Thunderbolt™ header
- BIOS FlashBack™ LED
- Q-LED
CPU socket
The motherboard has an AMD Socket AM4 designed for AMD Ryzen™ 5000 and 3000 Series/ 5000 and 4000 G-Series Desktop Processors.

The AM4 socket has a different pinout design. Ensure that you use a CPU designed for the AM4 socket. The CPU fits in only one correct orientation. DO NOT force the CPU into the socket to prevent bending the connectors on the socket and damaging the CPU!
Ensure that all power cables are unplugged before installing the CPU.
DIMM slots
The motherboard comes with Dual Inline Memory Modules (DIMM) slots designed for DDR4 (Double Data Rate 4) memory modules.
A DDR4 memory module is notched differently from a DDR, DDR2, or DDR3 module. DO NOT install a DDR, DDR2, or DDR3 memory module in the DDR4 slot.

Recommended memory configurations

Memory configurations
You may install 4 GB, 8 GB, 16 GB, and 32 GB unbuffered ECC and non‑ECC DDR4 DIMMs into the DIMM sockets.
You may install varying memory sizes in Channel A and Channel B. The system maps the total size of the lower-sized channel for the dual-channel configuration. Any excess memory from the higher-sized channel is then mapped for single-channel operation.
- The default memory operation frequency is dependent on its Serial Presence Detect (SPD), which is the standard way of accessing information from a memory module. Under the default state, some memory modules for overclocking may operate at a lower frequency than the vendor-marked value.
- For system stability, a more efficient memory cooling system can be used to support a full memory load or overclocking conditions.
- Always install the DIMMS with the same CAS Latency. For optimum compatibility, we recommend that you install memory modules of the same version or data code (D/C) from the same vendor. Check with the vendor to get the correct memory modules.
- Visit the ASUS website for the latest QVL.
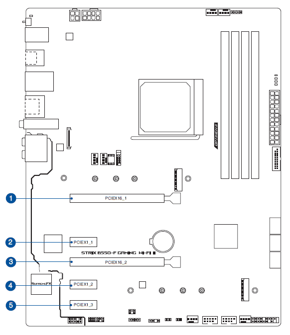
Expansion slots
Unplug the power cord before adding or removing expansion cards. Failure to do so may cause you physical injury and damage motherboard components.

Please refer to the following table for the recommended VGA configuration.
Recommended VGA configuration

- We recommend that you provide sufficient power when running CrossFireX™ mode.
- Ensure to connect the 8-pin and 4-pin power plugs when running CrossFireX™ mode.
- Connect a chassis fan to the chassis fan connectors when using multiple graphics cards for a better thermal environment.
Hyper M.2 X16 series card configuration

- Hyper M.2 X16 series card is purchased separately.
- When using AMD Ryzen™ 5000 and 3000 Series/ 5000 and 4000 G-Series Desktop Processors and a Hyper M.2 X16 series card with 4 M.2 SSDs, if you wish to connect a display, we suggest installing a VGA card to PCIe X16_2, which will run at x4.
- Set PCIEX16_1 to [PCIe RAID Mode] under BIOS settings to enable the Hyper M.2 X16 series card.
Fan and Pump headers
The Fan and Pump headers allow you to connect fans or pumps to cool the system.

- DO NOT forget to connect the fan cables to the fan headers. Insufficient air flow inside the system may damage the motherboard components. These are not jumpers! Do not place jumper caps on the fan headers!
- Ensure the cable is fully inserted into the header.
Tip:
For water cooling kits, connect the pump connector to the AIO_PUMP header.

Power connectors
These Power connectors allow you to connect your motherboard to a power supply. The power supply plugs are designed to fit in only one orientation. Find the proper orientation and push down firmly until the power supply plugs are fully inserted.

- DO NOT connect the 4-pin power plug only. The motherboard may overheat under heavy usage.
- Ensure to connect the 8-pin power plug, or connect both the 8-pin and 4-pin power plugs.
Tips:
- For a fully configured system, we recommend that you use a power supply unit (PSU) that complies with ATX 12V Specification 2.0 (or later version) and provides a minimum power of 350W.
- We recommend that you use a PSU with a higher power output when configuring a system with more power-consuming devices. The system may become unstable or may not boot up if the power is inadequate.
- If you want to use two or more high-end PCI Express x16 cards, use a PSU with 1000W power or above to ensure system stability.
M.2 slots
The M.2 slots allow you to install M.2 devices such as M.2 SSD modules.

- M.2_1 slot supports PCIe 4.0 x4 and SATA modes. Key M design and type 2242/2260 /2280/22110 storage devices.
- M.2_2 slot supports PCIe 3.0 x4 and SATA mode. Key M design and type 2242/2260/2280/ 22110 storage devices.
- When the M.2_2 slot is populated, SATA6G_5/6 will be disabled.
SATA 6Gb/s ports
The SATA 6Gb/s ports allow you to connect SATA devices such as optical disc drives and hard disk drives via a SATA cable.


NOTE: Connect the right-angle side of the SATA signal cable to the SATA device. You may also connect the right-angle side of the SATA cable to the onboard SATA port to avoid mechanical conflict with huge graphics cards.
- These connectors are set to [AHCI] by default. If you intend to create a Serial ATA RAID set using these connectors, set the SATA Mode Selection item in the BIOS to [RAID].
- Before creating a RAID set, refer to the RAID Configuration Guide. You can download the RAID Configuration Guide from the ASUS website.
- When the M.2_2 Slot is populated, SATA6G_5/6 ports will be disabled.
USB 3.2 Gen 1 header
The USB 3.2 Gen 1 header allows you to connect a USB 3.2 Gen 1 module for additional USB 3.2 Gen 1 ports. The USB 3.2 Gen 1 header provides data transfer speeds of up to 5 Gb/s.

The USB 3.2 Gen 1 module is purchased separately.
USB 2.0 headers
The USB 2.0 headers allow you to connect USB modules for additional USB 2.0 ports.
The USB 2.0 headers provide data transfer speeds of up to 480 Mb/s.

DO NOT connect a 1394 cable to the USB connectors. Doing so will damage the motherboard!
The USB 2.0 module is purchased separately.
Addressable Gen 2 header
The Addressable Gen 2 header allows you to connect individually addressable RGB WS2812B LED strips or WS2812B B-based LED strips.

The Addressable Gen 2 header supports WS2812B addressable RGB LED strips (5V/ Data/Ground), with a maximum power rating of 3A (5V), and the addressable header on this board can handle a combined maximum of 500 LEDs.
Warning
Before you install or remove any component, ensure that the power supply is switched off or the power cord is detached from the power supply. Failure to do so may cause severe damage to the motherboard, peripherals, or components.
Tips:
- Actual lighting and color will vary with the LED strip.
- If your LED strip does not light up, check if the addressable RGB LED strip is connected in the correct orientation, and the 5V connector is aligned with the 5V header on the motherboard.
- The addressable RGB LED strip will only light up when the system is powered on.
- The addressable RGB LED strip is purchased separately.
AURA RGB headers
The RGB headers allow you to connect RGB LED strips.

The RGB headers support 5050 RGB multi-color LED strips (12V/G/R/B), with a maximum power rating of 3A (12V).
Warning
Before you install or remove any component, ensure that the power supply is switched off or the power cord is detached from the power supply. Failure to do so may cause severe damage to the motherboard, peripherals, or components.
Tips:
- Actual lighting and color will vary with the LED strip.
- If your LED strip does not light up, check if the RGB LED extension cable and the RGB LED strip are connected in the correct orientation, and the 12V connector is aligned with the 12V header on the motherboard.
- The LED strip will only light up when the system is powered on.
- The LED strip is purchased separately.
Clear CMOS header
This header allows you to clear the Real Time Clock (RTC) RAM in CMOS. You can clear the CMOS memory of date, time, and system setup parameters by erasing the CMOS RTC RAM data. The onboard button cell battery powers the RAM data in CMOS, which includes system setup information such as system passwords.

To erase the RTC RAM:
- Turn OFF the computer and unplug the power cord.
- Use a metal object such as a screwdriver to short the two pins.
- Plug the power cord and turn on the computer.
- Hold down the <Del> key during the boot process and enter BIOS setup to reenter data.
Warning
DO NOT short-circuit the pins except when clearing the RTC RAM. Short-circuiting or placing a jumper cap will cause system boot failure!
Tips:
If the steps above do not help, remove the onboard battery and short the two pins again to clear the CMOS RTC RAM data. After clearing the CMOS, reinstall the battery.
Front Panel Audio header
The front panel audio header is for a chassis-mounted front panel audio I/O module that supports HD Audio. Connect one end of the front panel audio I/O module cable to this header.

We recommend that you connect a high-definition front panel audio module to this connector to avail of the motherboard’s high-definition audio capability.
System Panel header
The System Panel header supports several chassis-mounted functions.

- System power LED (2-pin PLED)
This 2-pin header is for the system power LED. Connect the chassis power LED cable to this header. The system power LED lights up when you turn on the system power, and blinks when the system is in sleep mode. - Hard disk drive activity LED (2-pin HDD_LED)
This 2-pin header is for the HDD Activity LED. Connect the HDD Activity LED cable to this header. The HDD LED lights up or flashes when data is read from or written to the HDD. - System warning speaker (4-pin SPEAKER)
This 4-pin header is for the chassis-mounted system warning speaker. The speaker allows you to hear system beeps and warnings. - ATX power button/soft-off button (2-pin PWRSW)
This header is for the system power button. Pressing the power button turns the system on or puts the system in sleep or soft-off mode, depending on the operating system settings. Pressing the power switch for more than four seconds while the system is ON turns the system OFF. - Reset button (2-pin RESET)
This 2-pin header is for the chassis-mounted reset button for system reboot without turning off the system power.
Thermal Sensor header
The Thermal Sensor header allows you to connect a sensor to monitor the temperature of the devices and the critical components inside the motherboard. Connect the thermal sensor and place it on the device or the motherboard’s component to detect its temperature.

Tip:
The thermal sensor is purchased separately.
ThunderboltTM header
The Thunderbolt™ header allows you to connect an add-on Thunderbolt™ I/O card that supports Intel®’s Thunderbolt™ Technology, allowing you to connect Thunderbolt™-enabled devices to form a daisy chain configuration.

Tips:
- The add-on Thunderbolt™ I/O card and Thunderbolt™ cables are purchased separately.
- Please visit the official website of your purchased Thunderbolt™ card for more details on compatibility.
BIOS FlashBack™ LED
The FlashBack™ LED lights up or blinks to indicate the status of the BIOS FlashBack™.

Q-LEDs
The Q-LEDs check key components (CPU, DRAM, VGA, and booting devices) during the motherboard booting process. If an error is found, the critical component’s LED stays lit up until the problem is solved.

Tips:
The Q-LEDs provide the most probable cause of an error code as a starting point for troubleshooting. The actual cause may vary from case to case.
FCC Compliance Information
- Responsible Party: Asus Computer International
- Address: 48720 Kato Rd., Fremont, CA 94538, USA
- Phone / Fax No: (510)739-3777 / (510)608-4555
This device complies with part 15 of the FCC Rules. Operation is subject to the following two conditions: (1) This device may not cause harmful interference, and (2) this device must accept any interference received, including interference that may cause undesired operation. This equipment has been tested and found to comply with the limits for a Class B digital device, under part 15 of the FCC Rules.
These limits are designed to provide reasonable protection against harmful interference in a residential installation. This equipment generates, uses, and can radiate radio frequency energy and, if not installed and used according to the instructions, may cause harmful interference to radio communications.
However, there is no guarantee that interference will not occur in a particular installation. If this equipment does cause harmful interference to radio or television reception, which can be determined by turning the equipment off and on, the user is encouraged to try to correct the interference by one or more of the following measures:
- Reorient or relocate the receiving antenna.
- Increase the separation between the equipment and receiver.
- Connect the equipment to an outlet on a circuit different from that to which the receiver is connected.
- Consult the dealer or an experienced radio/TV technician for help.
RF exposure warning
This equipment must be installed and operated according to the provided instructions, and the antenna(s) used for this transmitter must be installed to provide a separation distance of at least 20 cm from all persons and must not be co-located or operating in conjunction with any other antenna or transmitter. End-users and installers must be provided with antenna installation instructions and transmitter operating conditions for satisfying RF exposure compliance.
HDMI Compliance Statement
The terms HDMI, HDMI High-Definition Multimedia Interface, and the HDMI Logo are trademarks or registered trademarks of HDMI Licensing Administrator, Inc.
Compliance Statement of Innovation, Science and Economic Development Canada (ISED)
This device complies with Innovation, Science and Economic Development Canada licence-exempt RSS standard(s). Operation is subject to the following two conditions: (1) this device may not cause interference, and (2) this device must accept any interference, including interference that may cause undesired operation of the device.
Operation in the band 5150–5250 MHz is only for indoor use to reduce the potential for harmful interference to co-channel mobile satellite systems.
CAN ICES-003(B)/NMB-003(B)
For more manuals by Asus, visit ManualsLibrary
Asus ROG Strix B550-F Gaming WiFi II AMD AM4 Motherboard- FAQs
What are the main features of the ASUS ROG Strix B550-F Gaming WiFi II motherboard?
This motherboard supports AMD Ryzen AM4 processors and includes PCIe 4.0, 12+2 power stages, Intel 2.5Gb Ethernet, WiFi 6E, Bluetooth 5.2, Two-Way AI Noise Cancelation, dual M.2 slots with heatsinks, SATA 6Gbps, USB 3.2 Gen 2, and Aura Sync RGB lighting.
What is the maximum RAM speed and capacity supported?
The motherboard supports up to 128GB of dual-channel DDR4 RAM, with speeds reaching 4400 MHz when overclocked.
Does the ASUS ROG Strix B550-F Gaming WiFi II have Bluetooth?
Yes, it includes Bluetooth 5.2 for seamless wireless device connectivity.
Is WiFi built into the ROG Strix B550-F Gaming WiFi II?
Yes, it comes with integrated WiFi 6E for fast and reliable wireless networking.
How much memory can a B550 motherboard support?
The B550 chipset, including this board, can handle up to 128GB of DDR4 memory, using four DIMM slots.
Does the ASUS ROG Strix B550-F Gaming WiFi II support DDR4 RAM?
Yes, it supports DDR4 memory modules, including ECC and non-ECC un-buffered RAM.
Does a B550 motherboard support Bluetooth by default?
Some B550 motherboards, including the ROG Strix B550-F Gaming WiFi II, come with built-in Bluetooth support as part of their wireless module.
How long does a power supply unit (PSU) typically last?
A quality PSU generally lasts between 5 to 10 years, depending on usage, brand, and maintenance. Many models come with long warranties for peace of mind.
