
Blueworks BLH Series Saltwater Pool Chlorinator System

OPERATION
- The BLH is an automatic chlorine generation system for pool & spa sanitation. The operation requires a low concentration of salt (sodium chloride) in the pool water at levels low enough that it normally cannot be tasted. The BLH automatically sanitizes your pool by converting the salt into free chlorine, which kills bacteria and algae in the pool through a process called electrolysis.
- The BLH is designed to handle the purification needs of the average residential swimming pool up to 40,000 gallons (150,000 liters). The actual amount of chlorination required to properly sanitize a pool varies depending upon the bather load, rainfall, air temperature, water temperature, pool’s exposure to sunlight, pool’s surface, and cleanliness.
WATER CHEMISTRY
- As with any pool, you must maintain proper water chemistry of the pool water. Proper water chemistry will include pH, alkaline content, and calcium levels. The only special requirement for the BLH is to maintain proper levels of salt and stabilizer. It is important to maintain these levels to prevent corrosion or scaling and to ensure maximum enjoyment of the pool, by testing your water periodically. It is recommended that pool water is professionally tested a minimum of twice per season. Your local pool store can provide you with the chemicals and procedures to adjust the water chemistry. Be sure to tell the pool store that you are using a salt-chlorine generator
IDEAL CHEMICAL LEVELS
| Salt | 3000 to 4000 ppm |
| Free chlorine | 1.0 to 3.0 ppm |
| pH | 7.2 to 7.6 |
| Cyanuric Acid (Stabilizer) | 50 to 100 ppm |
| Total Alkalinity | 80 to 120 ppm |
| Calcium Hardness | 200 to 400 ppm |
| Metals | 0 ppm |
| Saturation Index | -.2 to .2 |
Saturation index
- The saturation index (Si) relates to the calcium and alkalinity in the water and is an indicator of the pool water “balance”. Your water is properly balanced if the Si is 0 ±.2. If the Si is below -0.2, the water is corrosive and plaster pool walls will be dissolved into the water. If the Si is above +0.2, scaling and staining will occur. Use the chart below to determine the saturation index
- Si = pH + Ti + Ci + Ai – 12.1
℃
℉
Ti Calcium Hardness
Ci Total Alkalinity
Ai 12 53 .3 75 100
125
150
200
250
300
400
600
800
1.5 1.6
1.7
1.8
1.9
2.0
2.1
2.2
2.4
2.5
75 100
125
150
200
250
300
400
600
800
1.9 2.0
2.1
2.2
2.3
2.4
2.5
2.6
2.8
2.9
16 60 .4 19 66 .5 24 76 .6 29 84 .7 34 94 .8 39 103 .9 - How to use: Measure pool pH, temperature, calcium hardness, and total alkalinity. Use the chart above to determine Ti, Ci, and Ai from your measurements. Insert values of pH, Ti, Ci, and Ai into the above equation. If Si equals .2 or more, scaling and staining may occur. If Si equals -.2 or less corrosion or irritation may occur.

SALT LEVEL
- Use the chart below to determine the amount of salt that needs to be added to reach the recommended levels. Use the equations below to determine the size of your pool.
| Gallons (pool-size feet) | Liters (pool size in meters) | |
| Rectangular | Length×Width×Average Depth×7.5 | Length×Width×Average Depth×1000 |
| Round | Diameter×Diameter×Average Depth×5.9 | Diameter×Diameter×Average Depth×785 |
| Oval | Length×Width×Average Depth×6.7 | Length×Width×Average Depth×893 |
- The ideal salt level is between 3000-4000 ppm. (parts per million) with 3400 ppm being the optimal level. Calculate the number of gallons in the pool and add salt according to the chart on page 10
How to Add or Remove Salt
- IN-GROUND POOLS: Turn the filter pump on and add the salt directly into the pool at the shallow end.
- ABOVE GROUND POOLS WITH MAIN DRAINS: Add directly in front of the return jet to the pool. Run the filter pump for 24 hours with the suction coming from the main drain (use the pool vacuum if there is no main drain) to allow the salt to evenly disperse throughout the pool.
- ABOVE GROUND POOLS WITHOUT MAIN DRAINS: Add directly into the pool. Brush the salt to speed up the dissolving process do not allow the salt to sit in a pile at the bottom of the pool. ELIMINATE THE FOLLOWING–(Run the filter pump for 24 hours with the suction coming from the main drain (use the pool vacuum if there is no main drain) to allow the salt to evenly disperse throughout the pool).
SALT DOES NOT EVAPORATE FROM POOL
- The only way to lower the salt concentration is to partially drain the pool and refill it with fresh water.
- POUNDS and (Kg) OF SALT NEEDED FOR 3400 PPM
- Gallons and (Liters) of Pool/Spa water
- STABILIZER (CYANURIC ACID)
Always test for stabilizer (cyanuric acid) level, when testing for salt. This test should be done at least once per month. Use the chart below to determine how much stabilizer must be added to raise the level to 80 ppm
CONTROLS
MAIN SWITCH
- AUTO: For normal operation, the main switch should be left in the AUTO position. In this position, the BLH will produce chlorine according to the “Desired Level %” adjustment setting for the entire filtering/pumping cycle.
- SUPER CHLORINATE: When you have an abnormally high bather load, heavy rainfall, cloudy water conditions, or any other condition that requires that a large amount of purification be introduced, set the Main Switch in the SUPER CHLORINATE position. This electronically “super chlorinates” (shocks) the water for 24 hours (the filter pump must be on during this time) or until the power has been turned off, whichever comes first. At the end of the super chlorination period, be sure to put the switch back into the AUTO position.
- OFF: The OFF position, prevents the BLH from energizing the electrolytic cell. In this position, there is no chlorine generation.
INDICATOR LED
- POWER: When illuminated solid, the BLH has input power.
- GENERATING: This LED is illuminated solid during normal operation. When flashing, the pool water is too hot or cold to operate.
- SUPER CHLORINATE: Illuminates solid during Super Chlorination. See the description above for more information.
- REMOTE CONTROLLED: This part is controlled by a remote-control system.
- NO FLOW: When illuminated, the flow switch has detected no flow and the BLH is NOT generating chlorine. A flashing LED indicates that the flow has been restored, but there will be a 60-second delay before the generation is re-established.
- CHECK SALT: When flashing, the salt level is low (below 2500ppm) and the BLH is generating at low efficiency. When illuminated solid, the salt level is too low and the BLH has shut down.
- Note: Before adding large quantities of salt, it is advisable to have your salt level professionally checked.
- HIGH SALT: When illuminated, the salt level is too high and the BLH has shut down. The pool water must be diluted with fresh water before the system’s operation is restored.
- INSPECT CELL: If flashing, either the cell efficiency is reduced, or it is time for regularly scheduled cell inspection. In either case, inspect the cell and clean it if necessary. Pressing the “diagnostic” button next to the display for 3 seconds will stop the flashing LED. When illuminated steadily, cell efficiency is greatly reduced and the BLH has stopped producing chlorine. Inspect, clean, or replace if necessary
SALT DISPLAY
- The Salt Display shows the current salt concentration of the pool water. Readings are in ppm (parts per million). If Metric units (grams per liter) are preferred, push the “diagnostic” button next to the display once. The display will now show the pool water temperature in degrees Fahrenheit. With the temperature displayed, move the main switch from AUTO to SUPER CHLORINATE to AUTO. The temperature display will instantly change to degrees Celsius. Repeat this process to switch back to USA units (Fahrenheit).
Diagnostic Displays
Sequential pushes of the small “diagnostic” button next to the LCD display will cause the system to display the following information:
- Pool temperature (xx degrees Fahrenheit or Celsius)
- Cell voltage (typically 21.0 to 27.0 volts when chlorine is being generated, otherwise 16-25V)
- Cell current (typically 2.50 to 7.80 amps when chlorine is being generated, otherwise 0 amps)
- Desired Output % (“0%” — “100%” depending on knob position or input from remote pool automation controller)
- Instant salinity (-XXXX ppm) or (-X.XX grams/Liter)
- Product name sent to the pool automation control display
- Software revision level
- Cell type.
- On the 8th push of the button, the display will revert to the original default salt display. Also, if the button is not pushed for 30 seconds, the display will revert to the original default salt display.
OPERATION
By familiarizing yourself with the operation of the BLH generator, you can achieve maximum performance for your pool. When chemical levels are in the recommended range, there are FOUR factors that you can control. These factors will directly impact the amount of chlorine the BLH will generate.
- Filter time each day (hours)
- The amount of salt in the pool
- The “Desired Output Level %” setting
- Stabilizer level in the water.
Maintaining the System
- To maintain maximum performance, it is recommended that you remove and visually inspect the cell every 3 months. The BLH will remind you to do this by flashing the “Inspect Cell” LED after approximately 500 hours of operation. After you inspect the cell (and clean it, if necessary) press the small “diagnostic” button next to the display for 3 seconds to stop the flashing “Inspect Cell” LED and start the timer for the next 500-hour inspection period
Servicing and Cleaning the cell
- Turn off the power to the BLH before removing the CELL.
- Once removed, look inside the cell and inspect for scale formation (light-colored crusty or flaky deposits) on the plates and for any debris that has passed through the filter and gotten caught on the plates.
- If no deposits are visible, reinstall. If deposits are still visible, use a high-pressure garden hose and try to flush the scale off. If this is not successful, use a plastic or wood tool to scrape deposits off and remove them from the plates. DO NOT USE A METAL SCRAPER AS THIS WILL SCRATCH THE FINISH AND DAMAGE THE PLATES. Note that any buildup on the cell indicates that there is an unusually high calcium level in the pool (old pool water is usually the cause). If this is not corrected, you will need to clean the cell more frequently. The simplest way to avoid this is to bring the pool chemistry to recommended levels, as specified.
RESISTANT GLOVES
- The level of the solution in the container should just reach the top of the cell so that the wire harness compartment is NOT submerged. It may be helpful to coil the wiring before immersing the cell.
- The cell should soak for FIVE minutes, then rinse with a high-pressure garden hose.
- If any deposits are still visible, repeat soaking and rinsing.
- Replace the cell and inspect it again periodically.
- Winterizing
- The BLH electrolytic cell and flow detection switch will be damaged by freezing water, similar to other pool components that require proper winterization. In areas of the country that experience severe or extended periods of freezing temperatures, be sure to drain all water from the pump, filter, and supply and return lines before any freezing conditions occur. The electronic control can withstand any winter weather and should not be removed.
INSTALLATION
- Installation must be performed in accordance with and by following the Local NEC codes.
- Preparing Pool Water:
The pool’s chemistry must be balanced BEFORE activating the BLH. It is recommended that you consult a pool professional for the initial balancing each season.- NOTE: At the beginning of each season, add metal remover and polymer-based algaecide to the pool, per the manufacturer’s instructions. This ensures a quick, trouble-free transfer to the BLH system.
Mounting the BLH Control
- The BLH is contained in a rain tight enclosure that is suitable for outdoor mounting. The control box must be mounted a minimum of 5 ft. (2 meters) the horizontal distance (or more if local codes require) from the pool/spa.
- The control box is designed to be mounted vertically on a flat surface with the knockouts facing downward. Since the enclosure also acts as a heat sink (disperses heat from inside the box), it is important not to block the four sides of the control unit. Do not mount the BLH in a panel or tightly enclosed space.
Plumbing
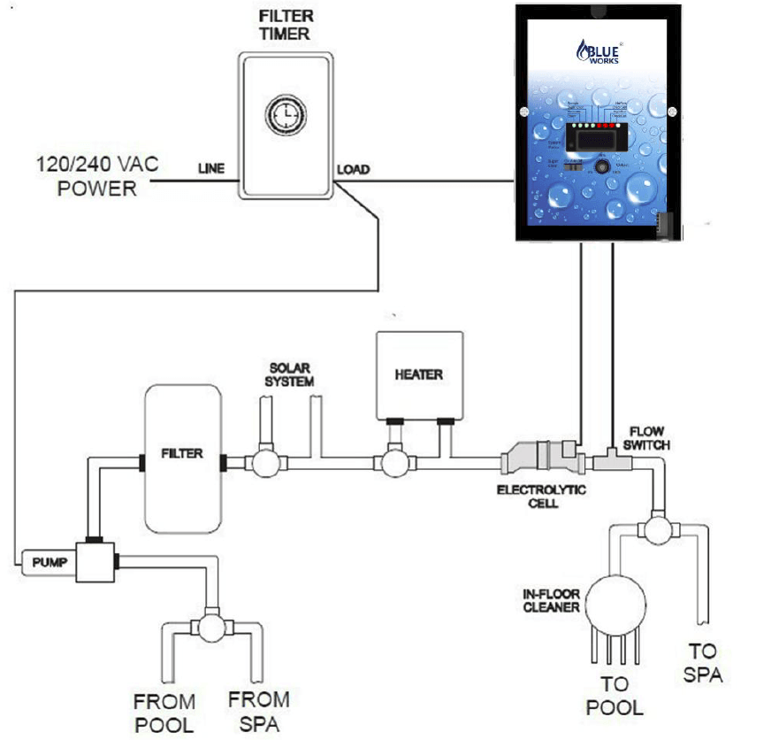
Ensure that the BLH installation does not constitute a cross-connection with the local potable water supply, by consulting local plumbing codes. The cell and flow switch are plumbed in the return line to the pool. Install after (downstream) all the pool equipment (filter, heater, solar, etc.). The kit included in the BLH provides the necessary plumbing components for:
- 2” (51mm) rigid PVC piping installation for in-ground pools
- 1 1/2-1 1/4〞 (38-32mm) flexible hose connections for above-ground pools
Electrolytic Cell:
- Install using the unions provided. Tighten these by HAND for a watertight seal. For pool/spa combination systems with spillover, use configurations #2 or #3 below to allow chlorination for both the pool and spa during spillover but prevent over-chlorination when operating the spa only.


Input Power for stand-alone operation:
- Wire the BLH to the LOAD SIDE of the filter pump timer. The BLH being powered only when the pump is running is extremely important. Refer to the wiring label on the BLH as well as the diagram below, to determine correct wiring connections. The BLH is shipped from the factory with the configuration jumpers in a separate bag. Until the jumpers are installed for the desired voltage, the unit should NOT be turned on

Electrolytic Cell and Flow Switch:
- The electrolytic cell and flow switch cables are complete with connectors that plug into the BLH for easy attachment and removal. The door of the BLH must be open to access the cell cable connector. The flow switch plugs into a connector (like a telephone jack) located on the outer bottom of the enclosure. Refer to the diagram below for the location of these connections.

Input power for use with Goldline, Pentair, and Polaris controllers:
- Wire the BLH® DIRECTLY TO 120/240vac POWER (not through timer or relay). Optional Goldline, Pentair, and Polaris controllers: The Goldline, Pentair, and Polaris controls use a 4-wire connection to communicate to the BLH and can be wired up to 500’ apart. Any outdoor rated 4 conductor cable can be used. Refer to each manufacturer’s instructions and the wiring diagrams below for proper wiring connection to the BLH
TROUBLESHOOTING
Common Problems and Solutions
- “Power” LED not on
Check to make sure 120 / 240 VAC input power is connected to the control. Be sure the jumpers are set properly. Verify the input voltage with a voltmeter. If there is input power, the fuse may have blown. The board is protected by a 20-amp mini ATO fuse located on the circuit board above the cell connector. - “Generating” LED flashing
The temperature of the pool water is too high or low to operate. You can override this by switching the main switch to SUPER CHLORINATE. The BLH will run at maximum output for the remainder of the current pump cycle or 24 hours, whichever comes first. - “No Flow” LED solid or flashing
The BLH has sensed a no-flow condition and has stopped generating chlorine. Check that the flow switch is plugged into the connector on the bottom of the control unit and that the wire is not cut or damaged. Make sure you have at least 12″ of straight pipe before the flow switch. If there is adequate flow and the LED is still on, check that the arrows on the flow switch (on top of the hex) are pointing in the direction of flow. If the light is flashing, the flow is established and the BLH will turn on within 1 minute. - “Check Salt” LED illuminated or flashing
Check the salt level in the pool/spa. If the salt level is low, add salt according to the chart on the page Before adding large quantities of salt, it is advisable to have your salt level professionally checked. - “High Salt” LED illuminated
Check the salt level in the pool/spa. If the salt level is too high, lower the salt level by draining some of the pool water out of the pool and replace with fresh water. Continue until the salt concentration is at the recommended levels. - “Inspect Cell” LED flashing
Inspect and clean cells according to the directions and guidelines. When done, press the “diagnostic” button for 3 seconds to stop the “Inspect Cell” LED flashing.
For more manuals by Blueworks visit, ManualsLibraryy
Blueworks BLH Series Saltwater Pool Chlorinator System-FAQs
What should my saltwater chlorinator be set at?
The optimal salt level for your pool is around 3200 ppm. Always check the manual for the recommended setting based on your pool’s water capacity.
What is the best salt level for a pool?
The ideal range is 2700-3400 ppm, with 3200 ppm being optimal. Before adding salt, test your water to determine the current level and adjust accordingly.
At what temperature does a salt chlorinator work?
Salt chlorinators operate when water temperatures are above 60°F. If the temperature falls below this, the system automatically shuts down.
How many hours should I run my salt chlorinator daily?
Typically, a salt chlorinator should run for 8-12 hours per day, depending on your pool size and usage.
What is the output voltage of a salt chlorinator?
Most chlorinators operate between 6.2V DC and 9.2V AC, with a current range of 10-30 amps to ensure efficient chlorine production.
Should I turn off the chlorinator when adding salt?
Yes, always turn off your system when adding salt. Wait at least 12 hours before turning it back on for an accurate salt reading.
How much power does a salt chlorinator use?
A salt-to-chlorine generator uses approximately 500-1500 watts of AC power for a 20,000-gallon pool, operating 8-12 hours a day.
Is it better to run a saltwater generator during the day or night?
Running your generator at night for six hours is equivalent to nine hours during the day, helping to reduce energy costs while ensuring effective chlorine production.
Can I run my pool pump at night?
Yes, running your pump at night reduces chlorine loss due to evaporation and helps maximize the efficiency of shock treatments.
How do I check if my saltwater chlorinator is working?
Check the needle gauge or production lights on the chlorinator. Ensure the salt level is adequate, and look for an indicator light or dial on the unit confirming proper operation.

Always test for stabilizer (cyanuric acid) level, when testing for salt. This test should be done at least once per month. Use the chart below to determine how much stabilizer must be added to raise the level to 80 ppm


