
MSI B850 Gaming Plus WIFI Motherboard

Quick Start
This Quick Start provides clear diagrams to help you install the motherboard. Video demonstrations are also available for some installations. Visit these videos by clicking the provided URL on your phone or tablet’s web browser. Alternatively, you can scan the QR code to access the video directly.
Preparing Tools and Components

Case stand-off notification
To prevent damage to the motherboard, any unnecessary mounting stand-off between the motherboard circuits and the computer case is prohibited. The Case standoff keep out zone signs will be marked on the backside of motherboard (as shown below) to serve as a warning to user.
Avoid collision notification
Protective paint is printed around each screw hole to prevent parts from being scratched.


If you are installing the screw-type CPU heatsink, please follow the figure below to remove the retention module first and then install the heatsink.

Installing DDR5 memory

Connecting the Front Panel Header

Installing the Motherboard

Connecting the Power Connectors


Installing a Graphics Card

Connecting Peripheral Devices

Power On

Specification
| M.2 SSD Slots | 4x M.2 slots (Key M) M2_1 slot (From CPU) S70u0p0pSoerrtiseuspprtocPeCssIeor5s.0) x4 (For Ryzen™ 9000/ Spuropcpeosrstosrus)p to PCIe 4.0 x4 (For Ryzen™ 8000 Series Supports 2280/ 22110 storage devices M2_2 slot (From CPU) pports up to PCIe 5.0 x4 (For Ryzen™ 9000/ 7000 Series) S84u0p0poSertrsieuspptroocPeCsIseo4r.s0) x4 (For Ryzen™ 8700/ 8600/ pports up to PCIe 4.0 x2 (For Ryzen™ 8500/ 8300 Series processors) Supports 2260/ 2280 storage devices M2_3* slot (From Chipset) Supports up to PCIe 4.0 x2 Supports 2260/2280 storage devices M2_4 slot (From Chipset) Supports up to PCIe 4.0 x4 * ● Ssuloptpwoillrrtusn2a2t 6x20s/p2e2e8d 0whsetnoirnasgtaellidngedveicviecesin the M2_3 slot. PCI_E3 |
| RAID | Sduevpipcoesrts RAID 0, RAID 1 and RAID 10* for M.2 NVMe storage *90R0A0I/D71000fosreMrie.2s NCVPMU.e storage devices is only supported by AMD Ryzen™ |
| Audio | Realtek® ALC4080 Codec 7.1-Channel USB High Performance Audio Supports up to 32-Bit/384 kHz playback on front panel Supports S/PDIF output |
| LAN | 1x Realtek® 8126 5Gbps LAN controller |
| Wi-Fi & Bluetooth® | Wi-Fi 7 The Wireless module is pre-installed in the M.2 (Key-E)slot Suupptopo5r.t8sGMbUps-MIMO TX/RX, 2.4GHz/ 5GHz/ 6GHz* (320MHz) Supports 802.11 a/ b/ g/ n/ ac/ ax/ be ●* 6SGHuzpbpaodrtssupBplourtemtoaoy tdhep®e5n.d4o*n*e, vMerLyOco,u4nKtrQy’As Mregulations and Wi-Fi 7 will b* e ready in tWindows 1i 1 version 24Hd2. ted, please refer to the Wi-Fi chipset v*enTdhoerB’sluweeobostihtevfeorrsdoentamilsa.yBblueeutpooath 5.4 will be ready in Windows 11 version 24H2. |
| Power Connectors | 1x 24-pin ATX main power connector 2x 8-pin +12V power connectors 1x 8-pin PCIe power connector |
| ICnotnenrneacltoUrSsB | 1chxiUpSseBt)20Gbps Type-C front panel port (From B850 2x USB 5Gbps connectors (From Hub GL3523) Supports additional 4 USB 5Gbps ports 2x USB 2.0 connectors (From B850 chipset) Supports additional 4 USB 2.0 ports |
| Fan Connectors | 1x 4-pin CPU fan connector 1x 4-pin water-pump/ system fan connector 6x 4-pin system fan connectors |
| System Connectors | 1x Front panel audio connector 2x System panel connectors 1x Chassis Intrusion connector 1x TPM module connector 1x EZ Conn-Header V2 (JAF_2) |
| Jumpers | 1x Clear CMOS jumper 1x OC safe boot jumper |
| LED Features | 1x 4-pin RGB LED connector 3x 3-pin A-RAINBOW V2 (ARGB Gen2) LED connectors 4x EZ Debug LED 1x EZ Memory Detection LED 1x EZ Digi-Debug LED |
| BoacnknePcatnoerls & Others | 1x Clear CMOS Button 1x Flash BIOS Button 1x HDMI™ port 3x USB 10Gbps Type-C ports (From CPU) 2x USB 10Gbps Type A port (From CPU & B850 Chipset) 1x USB 5Gbps Type A (From B850 Chipset) 4x USB 2.0 connectors (From HUBGL850) 1x 5G LAN (RJ45) port 2x Wi-Fi antenna connectors 2x audio jacks 1x Optical S/PDIF Out connector |
| I/O Controller | NUVOTON NCT6687-R Controller Chip |
| Hardware Monitor | CPU/ System/ Chipset temperature detection CPU/ System/ Pump fan speed detection CPU/ System/ Pump fan speed control |
| Form Factor | ATX Form Factor 9.6 in. x 12 in. (244 mm x 305 mm) |
| BIOS Features | 1x 256 Mb flash UEFI AMI BIOS ACPI 6.5, SMBIOS 3.7 Multi-language |
| Software | Drivers MSI Center Acrobat Adobe Creative Cloud AIDA64 Extreme – MSI Edition CPU-Z MSI GAMING Dropbox MSI App Player(BlueStacks) Norton 360 |
Special Features
MSI Center
- MSI AI Engine
- Game Highlights
- Cooling Wizard
- Mystic Light
- Ambient Link
- Frozr AI Cooling
- Hardware Monitoring
- Live Update
- MSI Companion
- System Diagnosis
- True Color
- User Scenario
- AI LAN Manager
Performance
- Core Boost
- VRM Design
- Dual CPU Power
- Lightning Gen 5 PCI-E Slot
- Lightning Gen 5 M.2 Slot
- Lightning Gen 4 PCI-E Slot
- Lightning Gen 4 M.2 Slot
- Front USB Type-C
- Supplemental PCIe Power Connector
- Server Grade PCB
- 2oz Copper thickened PCB
Package Contents
Please check the contents of your motherboard package. It should contain:
Board
- 1x Motherboard
Documentation - 1x Quick installation guide
- 1x European Union Regulatory Notices
Cables - 1x SATA cable
- 1x 1 to 3 EZ Conn-Cable (V2)
- 1x EZ Front panel cable
Accessories - 1x EZ Wi-Fi Antenna
- 1x Cable sticker
- 3x EZ M.2 Clip II
- 1x EZ M.2 Clip II Remover
Back Panel Connectors

LAN Port LED Status Table

Audio Jacks Connection
Audio jacks to headphone and microphone diagram

Audio jacks to stereo speakers diagram

Audio jacks to 4-channel speakers diagram

Installing Antenna
- Connect two antenna cables tight to the Wi-Fi antenna connectors as shown.

- Place the antenna as high as possible for a better signal

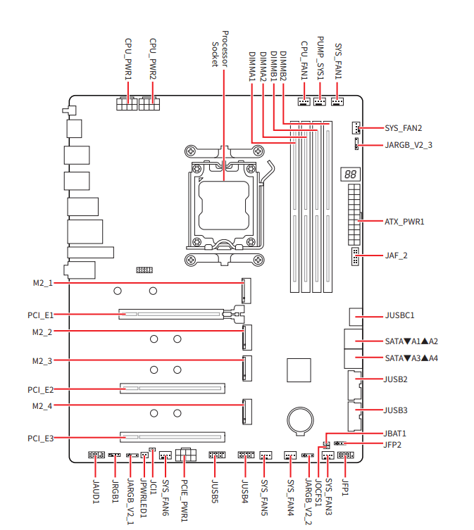
Overview of Components

CPU Socket
The AM5 socket is a modern CPU socket designed for AMD processors. It is a key component in contemporary computing systems, providing the foundation for powerful and efficient CPUs.

Installing the CPU to the AM5 socket
The surface of the AM5 CPU has two notches and a golden triangle to assist in correctly lining up the CPU for motherboard placement. The golden triangle is the Pin 1 indicator. To install the CPU, align the two notches on the AM5 socket with the two corresponding notches on the CPU. Please ensure that the gold triangle on the CPU serves as the PIN 1 indicator during the installation process.

Important
- When changing the processor, the system configuration could be cleared and reset BIOS to default values, due to the AM5 processor’s architecture.
- Please ensure that the motherboard and power supply are turned off and always disconnect the power cord from the power outlet before installing or removing the CPU.
- Please retain the CPU protective cap after installing the processor. MSI will deal with Return Merchandise Authorization (RMA) requests if only the motherboard comes with the protective cap on the CPU socket.
- Whenever the CPU is not installed, always protect the CPU socket pins by covering the socket with the protective cap.
- The CPU should only fit in one orientation, so do not force it. Gently place the CPU into the socket without applying excessive pressure.
- Please handle the CPU by the edges only; avoid touching the pins or the surface of the CPU. Any damage to the pins can result in a malfunctioning CPU.
- When installing a CPU, always remember to install a CPU heatsink. A CPU heatsink is necessary to prevent overheating and maintain system stability.
- Please install the CPU cooler according to the manufacturer’s instructions. Make sure it is securely a tight seal with the CPU and attached to the motherboard to ensure proper heat dissipation.
- Overheating can seriously damage the CPU and motherboard. Always make sure the cooling fans work properly to protect the CPU from overheating. Be sure to apply an even layer of thermal paste (or thermal tape) between the CPU and the heatsink to enhance heat dissipation.
- This motherboard is designed to support overclocking. Before attempting to overclock, please make sure that all other system components can tolerate overclocking. Any attempt to operate beyond product specifications is not
recommended. MSI® does not guarantee the damages or risks caused by inadequate operation beyond product specifications.
DDR5 DIMM Slots
The DDR5 DIMM slot is a dedicated connector designed to accommodate DDR5 (Double Data Rate 5) memory modules. It represents the latest standard in computer memory, providing enhanced data transfer speeds and efficiency.

Memory module installation recommendation


Important
- The DIMM slots on this motherboard only have a single latch. Please be careful when installing or removing memory modules to avoid damaging the slots.
- Align the notch on the DDR5 module with the notch on the memory slot to ensure proper orientation. Do not force the module into the slot; it should slide in easily if properly aligned.
- To ensure system stability for Dual channel mode, memory modules must be of the same type, number and density.
- Some memory modules may operate at a lower frequency than the marked value when overclocking due to the memory frequency operates dependent on its Serial Presence Detect (SPD). Go to BIOS and find the DRAM Speed to set the memory frequency if you want to operate the memory at the marked or at a higher frequency.
- It is recommended to use a more efficient memory cooling system for full DIMMs installation or overclocking.
- The stability and compatibility of installed memory module depend on installed CPU and devices when overclocking.
- Please refer to www.msi.com for more information on compatible memory.
PCIe Expansion Slots
PCI Express (PCIe) expansion slots are used to connect add-on cards to the motherboard. These cards can provide additional functionality to your computer, such as graphics, networking, or storage.

Important
- If you install a large and heavy graphics card, you need to use a tool such as MSI Graphics Card Bolster to support its weight to prevent deformation of the slot.
- For a single PCIe x16 expansion card installation with optimum performance, using the PCI_E1 slot is recommended.
- When adding or removing expansion cards, always turn off the power supply and unplug the power supply power cable from the power outlet. Read the expansion card’s documentation to check for any necessary additional hardware or software changes.
Front Panel Connectors
The JFP1 connector controls the power on, power reset, and the LEDs on your PC case/chassis. Power Switch/ Reset Switch headers allow you to connect power button/ reset button. Power LED header connects to LED light on the PC case, and HDD LED header indicates the activity of the hard disk. The JFP2 connector is for Buzzer and Speaker. For connecting the cables from your PC case to the correct pins on the motherboard, please refer to the following images.

Important
Make sure to connect the Power LED and HDD LED cables to the corresponding positive and negative pins on the motherboard. Otherwise, the LEDs will not function properly.
Using EZ Front Panel Cable
The EZ Front Panel Cable allows you to first connect and integrate the PC case’s front panel connectors, making it easier to install into the JFP1 connector. Attach Power SW, Reset SW, Power LED (+ to +, – to -), and HDD LED (+ to +, – to -) to the matching pins on the EZ Front Panel Cable, then plug the EZ Front Panel Cable into the JFP1 connector.

Installing Drivers with MSI Driver Utility Installer
⚠ Important
- Some new network chips have not been natively supported by Windows 11. It is recommended that the LAN driver be installed before installing drivers with MSI Driver Utility Installer. Please refer to www.msi.com to install the LAN driver for your motherboard.
- The MSI Driver Utility Installer will only pop up once. If you cancel or close it during the process, please refer to the Live Update chapter of the MSI Center manual to install the drivers. You can also go to www.msi.com to search your motherboard and download the drivers.
- MSI Driver Utility Installer needs to be installed over the internet.
- Start up your computer in Windows 11.
- Select Start > Settings > Windows Update, and then select Check for updates.
- MSI Driver Utility Installer will pop up automatically

- Please select the I have read and agree to the MSI Terms of Use check box, and then click Next
FOR MORE MANUALS BY MSI, VISIT ManualsLibraryy
MSI B850 Gaming Plus WIFI Motherboard-FAQ’s
Is the MSI B850 a good motherboard for gaming?
Yes, the B850 is ideal for building mid-to-high-end gaming PCs, offering support for DDR5 memory, PCIe 5.0 storage, and robust VRMs—ensuring smooth gameplay and fast load times.
Is the MSI B850 motherboard future-proof?
Yes, the B850 is considered future-proof with support for DDR5 RAM and PCIe 5.0, making it compatible with upcoming hardware upgrades.
Does the MSI B850 support PCIe 5.0 graphics cards?
Yes, the B850 motherboard supports PCIe 5.0 on the main x16 GPU slot, which is reinforced with a SafeSlot to support the weight of high-end graphics cards.
How many SSDs can I install on the MSI B650 Gaming Plus WiFi?
You can install 2 PCIe 4.0 x4 NVMe SSDs along with up to four SATA III drives for additional storage.
Does the MSI B650 Gaming Plus WiFi have integrated graphics?
Integrated graphics are only available if your CPU supports it. The motherboard doesn’t include a GPU, so graphics capability depends on the processor used.
What is the boot menu key for the MSI B650 Gaming Plus WiFi?
Press F11 during startup to access the boot menu—no need to change the boot device in BIOS manually.
Is it worth upgrading from B650 to B850?
The main difference is PCIe Gen 5 support on the B850, making it more future-ready. If you plan to use next-gen SSDs or GPUs, the B850 is a better option.
Which MSI motherboards come with built-in Wi-Fi?
Models like the MSI MAG X870E TOMAHAWK WIFI come with Wi-Fi 7 support. The B650 Gaming Plus WiFi also features Wi-Fi 6E and Bluetooth 5.3.
Does the MSI B650 Gaming Plus WiFi have onboard audio?
Yes, it supports 7.1-channel high-definition audio with Audio Boost for clearer, immersive sound quality.



