Presenza QR025 654OVSN016STS Kitchen Under Cabinet

Warranty
ONE-YEAR LIMITED WARRANTY
A thorough inspection must be made before installation, and any damage must be promptly reported. We will not be liable for failures or damage that could have been discovered or avoided by proper inspection and testing before installation. Conglom Kitchen & Bath warrants this product to be free from defects in materials or workmanship for one (1) year from the date of purchase. Proof of purchase (original sales receipt) from the original consumer purchaser must be made available to Conglom Kitchen & Bath for all warranty claims.
This warranty is non-transferable and shall be voided if the unit is removed from its original installation or is not installed in accordance with the manufacturer’s instructions. It does not apply in the event of product damage due to the use of other than genuine Conglom Kitchen & Bath replacement parts (replacement parts may be obtained by e-mail at [email protected] or by calling 1-877-333-0098 between 8:30 am – 5:00 pm EST), installation error, abuse, misuse, or improper care and maintenance (whether performed by a plumber, contractor, service provider, or member of the purchaser’s household).
The warranty excludes damage caused by aggressive air or water conditions, harsh or abrasive cleaners, or materials. Under no circumstances shall we be held liable for personal injury or property damage resulting from improper installation or use of this product. We will not be held liable for inconvenience caused by loss of use of this product, costs incurred for labour or materials, removal and installation of replacement units, or any other incidental or consequential damages. Costs relating to obtaining access for repair or replacement are the responsibility of the user.
Our obligation shall be limited to the repair or replacement of a unit (at our discretion) that may prove, by our sole examination, to be defective under normal use and service during the warranty period. Any failure of this product that is not traceable to a defect in material or workmanship is not covered by this warranty. These non-warrantable items include, but are not limited to:
- Improper installation not in accordance with the manufacturer’s instructions.
- Dents and/or scratches incurred during shipping, handling, or installation.
- Change in colour or finish due to chemical usage.
- Damage caused by failure to follow care and cleaning guidelines, including damage caused by the use of abrasive cleaners.
- Alterations made to the unit by the purchaser or installer.
- Damage caused by accidental impact, fire, flood, freezing, and normal wear.
- Bends and warping are caused by forced connections, over-tightened fittings, and inadequate support during installation.
- Any defects or damage to light bulbs.
This warranty does not extend to commercial and institutional installation or use.
WARRANTY CLAIM PROCEDURE
If a claimable defect occurs or replacement parts are needed, please contact our customer service team at [email protected] or 1-877-333-0098 (8:30 am – 5 pm, EST, Monday – Friday). Before you make your call, please ensure that you have:
- Model number or description.
- Proof of sale.
- Details regarding the defect and/or part number.
- Name(s) and address(es) of the owner and/or installer.
Pre-Installation
TOOLS REQUIRED

HARDWARE INCLUDED

PACKAGE CONTENTS

PLANNING INSTALLATION
Number of people required: 2 or more. Carefully check the range hood for damage and for missing parts before installation. If there is any damage or if you are missing parts, do not proceed with the installation. Report damage and missing parts immediately. Do not dispose of packaging before you are satisfied with your new range hood.
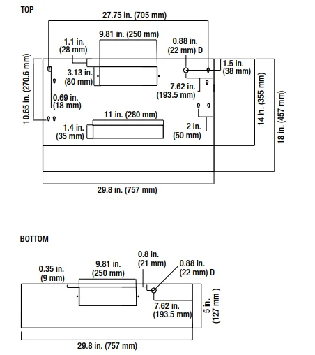
- Before installation, measure all distances to ensure the proper position of the range hood (A).
- The distance (1) from the cooking surface to the range hood must be at least 18 in. (458 mm). For the best performance, do not install the range hood more than 28 in. (710 mm) above the cooking surface.
- Dimension (3) should be at least 30 in. (762 mm). The range hood should be approximately the same size as the cooktop.
- If the bottom of the cabinet (6) above the location where the range hood is to be installed is recessed, attach appropriately sized wood filler strips (7) on each side using wood screws.
- Screws are provided to secure the range hood to most types of cabinets, but consult a qualified installer to verify that the supplied screws are suitable for your cabinets.
- Put a thick, protective covering over your counter, cooktop, or range to protect it from damage and dirt during installation. Remove any hazardous objects from the area.

WARNING: Always wear safety goggles and gloves during installation.
Venting Options:
- Determine if your existing venting system is top venting or back venting, and ensure that the openings in the cabinet or wall for the damper and for power access are in appropriate locations and are of appropriate sizes, as per Fig. 3 if it is top vent or Fig. 4 if it is back vent.
- If this is a new installation, choose the venting method that suits your needs. Cut out openings for the damper and for power access in the cabinet bottom or exterior wall, depending on the direction of venting chosen.

Follow these guidelines when installing ductwork:
- Your venting system must vent to the outdoors either horizontally through the back wall (13) or vertically through the roof (14) (refer to Fig. 5/Fig. 6/Fig. 7).

- Use round metal ductwork with a uniform diameter of 6 in. (152 mm). The total duct run in the venting system should not be more than 10.7 m (35 ft).
- Calculate the total effective length of the ductwork by adding the equivalent lengths in the table shown (Fig. 9).
For each fitting used, add the length of the equivalent straight duct used in the system. - Fasten all connections between pieces of duct with sheet metal screws and tape all joints with certified duct tape.
- If you must turn the path of the ductwork using elbows, keep the number of elbows to a minimum for effective performance and use no more than three 90° elbows. Ensure that there is a minimum of 18 in. (458 mm) of straight vent between each elbow. Elbow as far away from the range hood’s exhaust opening as possible.
- Cap the exterior of the duct with a wall cap (15) or roof cap (16). Never use 4 in. (102 mm) laundry-type wall caps. Use caulking to seal the exterior wall or roof opening around the cap.
- The venting system must have a damper. If the roof or wall cap has a damper, do not use the damper supplied with the range hood.
For the inside venting system (air does not exhaust to outdoors) (Fig. 8): Please refer to the Installation section. The cover on the top plate will be removed, and air will be exhausted through the charcoal filter and out through 17.
WIRING CONNECTION REQUIREMENTS
Installation work and electrical wiring must be done by a qualified person(s) in accordance with all applicable codes and standards, including fire-rated construction.
OBSERVE ALL GOVERNING CODES AND ORDINANCES WARNINGS
- Electrical grounding is required for this range hood. Check with a qualified electrician if you are not sure whether the range hood is properly grounded.
- Failure to follow electrical requirements may result in a fire.
- A fuse in the neutral or grounding circuit could result in electrical shock.
- If the hot/cold water pipe is interrupted by plastic non-metallic gaskets or other materials, DO NOT use it for grounding.
- DO NOT GROUND TO A GAS PIPE.
IMPORTANT: It is the customer’s responsibility to contact a qualified electrical installer and ensure that the electrical installation is adequate and complies with the National Electrical Code, or CSA standards, as well as all local codes and ordinances.
- Save installation instructions for the electrical inspector’s use.
- If codes permit and a separate ground wire is used, it is recommended that a qualified electrician determine if the ground path is adequate.
- DO NOT use an extension cord or adapter plug with this appliance.
- The range hood must be connected with copper wire only.
- The range hood should be connected directly to the junction (or circuit breaker) box through flexible, armoured, or non-metallic sheathed copper cable. Allow some slack in the cable so the appliance can be moved if servicing is ever necessary.
- A UL-listed or CSA-approved conduit connector must be provided at each end of the power supply cable (at the range hood and at the junction box).
- When making the electrical connection, cut a 3.2 cm (1-1/4 in.) hole in the wall. A hole cut through wood must be sanded until smooth. A hole through metal must have a grommet.
- When cutting or drilling into the wall or ceiling, do not damage electrical wiring and other hidden utilities.
- Wire size must conform to all local codes and ordinances. The latest edition requirements of the National Electrical Code, ANSI/NFPA 70, or the latest edition of CSA Standards C22.1-94, Canadian Electrical Code Part 1, and C22.2 No. 0-M91.
NOTE: Temporarily wire the range hood to test it for proper operation. If the range hood does not operate correctly, do not proceed with the installation.
- Use the power supply cable to connect the range hood (A) directly to the junction box or circuit breaker box. Use a flexible, armoured, or non-metallic sheathed copper cable only. Never use an extension cord or adapter plug.
- Connect a UL-listed or CSA-approved conduit connector to each end of the power supply cable (at the range hood and at the junction box). Connect the three colored wires (3) from the range hood (A) to the corresponding wires (4) from the electrical source: black to black (live), white to white (neutral), and green/yellow to green/yellow (ground). Use either the top hole (1) or the back hole (2) of the range hood, depending on your installation type.
- Turn the power on and ensure that the lights and the fan are operating correctly.
- Once you have tested the electrical connection, disconnect the power supply cable and wires from the electrical source before proceeding with the rest of the installation.

Installation
REMOVING THE ELECTRICAL KNOCK-OUT HOLE
WARNING: Always wear safety goggles and gloves during installation.
- Choose the appropriate electrical knock-out hole to remove for your installation type. Use the top hole (1) if your electrical supply is in the cabinet and the back hole (2) if your electrical supply is on the wall below the cabinet (refer to Fig. 10).

- Use a hammer and a flathead screwdriver to gently punch out the electrical knock-out hole.
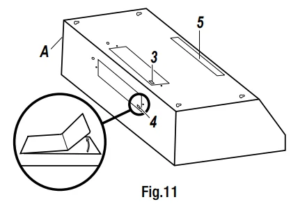
REMOVING THE VENTING HOLE
- Choose the venting hole to remove for your installation type. Use the top hole (3) for a top venting installation and the back hole (4) for a back venting installation.
- Carefully remove the cover (3 or 4) of the appropriate venting hole using a flat head screwdriver or needle nose pliers (refer to Fig. 11). Be careful not to leave any debris inside the range hood (A).

- If you are venting indoors, unscrew the 2 screws holding the cover (5) in place and remove the cover as per Fig. 12. DO NOT REMOVE ANY OTHER VENTING HOLE COVER.

INSTALLING THE DAMPER (SKIP THIS STEP IF YOU ARE USING INTERIOR VENTING)
NOTE: Only install the damper if you are using a venting system that does not already have a damper. If this hood replaces an existing unit, the location of the air exhaust can vary from one manufacturer to another. Ensure that the damper fits in the existing opening before installing.
- Choose to install the damper (C) either in the top position (3) for top venting or in the back position (4) for back venting.
- Insert the damper (C) into the chosen hole in the range hood (A), ensuring that the central flap (6) goes into the hole while the two side flaps (7) remain above it.
- Lift the lid (8) of the damper and screw the damper (C) to the range hood (A) with the two short tapping screws (BB).
- Seal the damper (C) to the range hood (A) on all four sides with duct tape.

INSTALLING THE CHARCOAL FILTER (SKIP THIS STEP IF YOU ARE USING EXTERIOR VENTING)
NOTE: The charcoal filter should only be installed if you are not using a venting system.
- Turn over the range hood (A) and place its top on a protective surface.
- Unhook the charcoal filter support (9) from the support hook (10) and pull the charcoal filter support up.
- Place the charcoal filter (B) under the charcoal filter support (9). Ensure that the filter is placed horizontally, or the charcoal filter support (9) will not close properly.
- Slide the charcoal filter support (9) to the left or right in its braces (11) until you can re-hook it on its support hook (10).

INSTALLING THE RANGE HOOD
DANGER: Turn off the power circuit breaker or the power switch on the junction box before installing this unit. Touching circuitry inside the range hood while it is energized will result in death or serious injury.
DANGER: If installing this unit over a gas range, turn off the gas at the source before installing or servicing this unit.
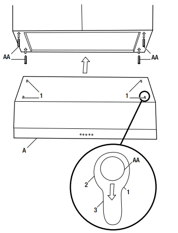
- Lift the range hood (A) under the cabinet to determine its final position. Mark the location of the four keyhole mounting slots (1) on the underside of the cabinet.
- Set the range hood (A) aside on a protective surface.
- Drill four pilot holes in the locations that you marked.
- Screw the four long tapping screws (AA) into the pilot holes. Do not tighten the screws all the way – leave the screw heads about 0.28 in. (7 mm) from the cabinet surface.
- Lift the range hood (A) into position, feeding the power cable and the electrical wires through the power access opening. Allow some slack in the cable and wires so that the appliance can be moved if servicing is ever necessary.
- Position the range hood (A) so the large end (2) of the keyhole mounting slots (1) is over the screws (AA). Then push the range hood (A) toward the wall so the screws (AA) are in the neck (3) of the keyhole slots. Tighten the screws (AA). Ensure that the range hood (A) is securely fastened to the cabinet before releasing it.
- If applicable, test the damper blade to ensure it rotates up and down freely.
- If applicable, connect the ductwork to the range hood (A). Seal the joints with duct tape to ensure an airtight fit.

FINAL STEP
- Reconnect the power supply cable and wires to the electrical supply. Turn the power on and ensure that the lights and fan are operating correctly.
Operation
NOTE: The fan and lights operate independently of each other.
TURNING ON/OFF THE UNIT
- To turn on the fan, press the appropriate speed control switch [Low Speed (2), Medium Speed (3), High Speed (4)] to select the desired level of power. Once a button is pressed, the previous speed mode will be cancelled.
- Press the power switch (1) to turn off the fan.
TURNING ON/OFF THE LIGHTS
- Press the light switch (5) to turn on and off the lights.

Maintenance
FILTERS
When filters need replacing, exchange with similar filters with stainless steel clips. Also, replace filters that are damaged with punctures, bends, or broken frames.
- Turn off the range hood and disconnect the power.
- Replace with an equivalent filter, then reconnect the power.

REPLACING LIGHT BULBS
When light bulbs burn out, replace them with a 25W or 35W JDR 16, GU10 twist and lock base light bulb.
- Turn off the range hood, disconnect it from its power source, and ensure that the lights are cool.
- Turn the bulb (1) counter-clockwise and pull it out to remove it.
- Push in the new bulb (2) and turn it clockwise. Do not release the bulb until you are sure the bulb has been securely installed. Then reconnect the power.
- If new bulbs do not operate, ensure that they are inserted correctly.

Troubleshooting


Specifications

WIRING DIAGRAM

EXTERNAL DIAGRAM OF RANGE HOOD

St-Laurent, Québec, H4S 2C3
1-877-333-0098
[email protected]
www.conglomkb.com
For More Blogs, Visit ManualsLibraryy.
Presenza QR025 654OVSN016STS Kitchen Under Cabinet-FAQs
How much space should there be between a vent hood and the cabinet?
It’s best to leave at least 3 inches of space between the vent hood and nearby cabinets. This gap allows for safe installation, easy cleaning, and any future painting or tiling.
How far should a kitchen hood extend from the cabinets?
A kitchen hood should extend slightly beyond the cabinets to properly capture smoke and steam — typically by 1–2 inches past the cooktop area.
How high should I install the kitchen hood above the stove?
For electric cooktops, mount the hood 20–24 inches above the stove.
For gas cooktops, place it 24–30 inches above to ensure safety and efficient ventilation.
What is the standard height for a kitchen hood in centimeters?
The ideal height is around 60–76 cm above the cooking surface, depending on the hood type and your stove’s heat output.
How do I measure for an under-cabinet range hood?
Measure the width of your cooking surface, the space between cabinets, the height above the stove, and the depth of your counter. These ensure a proper fit for your Presenza under-cabinet hood.
What is the standard depth for a kitchen hood?
Most range hoods are 18–22 inches deep, which provides enough coverage to capture cooking fumes effectively.
Can I install a 36-inch hood over a 30-inch stove?
Yes, and it’s actually recommended. A hood 3–6 inches wider than your stove improves suction and air filtration.
What distance should I maintain between a gas stove and range hood?
Keep a minimum clearance of 65 cm (about 25 inches) between the gas cooktop and hood for safety and optimal performance.
What is the “1/3 rule” in kitchen cabinet design?
The pull handle length should be about one-third the width of the drawer or cabinet door for a balanced, modern look.




For each fitting used, add the length of the equivalent straight duct used in the system.








