
Adcraft DF-12L Countertop Electric Deep Fryer

WARNINGS
- Do not touch any hot surfaces
- Do not immerse the unit, cord, or plug in liquid at any time
- Unplug the cord from the outlet when not in use and before cleaning
- It is recommended that the fryer not be moved when it contains hot oil or any other hot liquid
- Do not use this unit for anything other than its intended use
- Do not use outdoors
- Always cook on a firm, dry, and level surface
- High temperature will cause scalding. Do not stand overthe fryer when operating and do not touch any part of the machine while in operation, other than the handle of the basket and the power controls
- Do not use the unit with a damaged cord or plug, in the event the appliance malfunctions, or has been damaged in any manner
- Keep children and animals away from the fryer
- Any incorrect installation, alterations, adjustments, and/or improper maintenance can lead to property loss and injury. All repairs should be done by authorized professionals only
- Keep all flammable and combustible materials away from this unit
- This machine must be placed on a level surface
- The volume of food should be limited to avoid overflowing
- Foods that do not absorb oil easily should be limited to avoid overflow
- Use caution when placing large foods in the fryer
- When transporting the unit, the machine should be handled carefully and held by the side handles
FEATURES
- These fryers are available in 2 different models. One is a 1-tank fryer (DF-12L); another is a 2-tank fryer (DF-12L/2). The 2-tank fryer is able fry two different kinds of foods at the same time.
- The oil temperature is regulated by the temperature regulator and includes a yellow (hot light) which cycles on and off to indicate when the desired temperature has been reached.
- The automatic shut-off feature cuts power to the unit when the oil has reached 446°F (the maximum allowable temperature).
- There is an automatic micro-switch on the bottom of the unit head. This will cut power to the unit if the head has been separated from the base of the unit without the power switch turned off or the power cord unplugged.
- The stainless steel tank has a convenient spot for draining oil easily.
The heating coils are protected by a stainless steel panel base at the bottom of the unit.
TO USE
- Make sure the power supply you are using is adequate for continual fryer use, and voltage is adequate. The use of a surge protector or circuit breaker is advisable.
- Make sure that the temperature regulator knob is set to the off position
- Remove the basket from the machine.
- Make sure the oil valve is closed
- Fill oil receptacle with vegetable oil somewhere between the minimum and maximum levels, allowing room for food volume.
- Plug the machine in.
- A green “Power Light” will come on. Rotate the temperature regulator knob clockwise to the desired temperature. When the desired temperature has been reached, the yellow “Hot Light” will turn off and cycle, and the temperature controller will maintain the temperature automatically.
- Load food into the basket, and carefully place the loaded basket into the machine to avoid a splash.
- Gently shake off excess oil from food when removing from the tank after frying.
- The enclosed frying basket is intended to hold small foods such as French fries and onion rings.
- Large food can be placed directly into the basket or oil tank.
CLEANING
After fryer usage, turn the power controller counterclockwise to the “OFF” position and remove plug from the power supply. The procedure is as follows:
- Carefully remove the unit head from the box and place it in a safe, dry place.
- Put an oil container under the oil drain and open the drain valve to empty oil into the oil container
- Gently wipe the oil tank, removing any excess oil or sludge. Dry completely and place back in the machine
For best results, cover the fryer when oil is cool and not in use. This will keep unwanted debris from falling into the oil. For best results, always use fresh vegetable oil with each use. It is recommended that you inspect the unit before each use to check that the power cord is not frayed or damaged in any way.
PARTS OF THE FRYER

- Control panel
- Indicator lights
- Power cords(s)
- Electrical circuit enclosure
- Power switch
- Temperature controller
- Heater element cover
- Cover
- Cover handle
- Outer case
- Fryer basket
- Oil drain
- Rubber feet
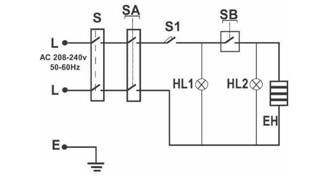
CIRCUIT DIAGRAM

- S1 – Micro-switch
- SA – Overheat switch
- EH – Heater element
- HL 1 – Power-on indicator
- HL 2 – Heater-on cycling indicator
- SB – Temperature regulator
- E – Ground connection
NOTE: THE CIRCUITS OF THE TWO FRYERS ARE IDENTICAL. THE DIFFERENCE IS THAT THE TWO-TANK FRYER HAS TWO SEPARATE ELECTRICAL UNIT BOXES AND RECEPTACLES.
TROUBLESHOOTING
Troubles listed are for reference. If any fault occurs, please discontinue use. Do not attempt to repair yourself. This will void the warranty.
| Problem | Cause | Solution |
| Not working as well as expected | The unit is not on a dedicated circuit | Unplug the unit, plug it into a dedicated line, and retry |
|
The basket is overloaded | Too much product will bring down the temperature of the oil, bringing it to a boil rather than a frying temperature. Use less product. | |
|
Stopped working |
The reset button was tripped | There is a reset button located on the back of the head. Unscrew the cap and push the button to reset. (Be sure to replace black cap) |
|
The micro/safety switch is not making contact | Make sure that the unit is on a level surface and that the switch is sitting flush, making contact with the metal on the back of the body | |
| The indicator light won’t turn on, and the unit will not heat | Plug not properly inserted into outlet | Reinsert the plug |
TO RESET:
Located on the back of the fryer head, it will read ‘reset’
With the unit unplugged and fully cooled off, unscrew the know to expose the red button
Press the red button to reset
1-YEAR LIMITED WARRANTY
Admiral Craft Equipment Corp. (the “Company”) warrants this product (the “Product”) will be free from failures in material and workmanship for one (1) year from the date of original purchase with proof of purchase, provided that the Product is operated and maintained in conformity with the Owner’s Manual. This Limited Warranty is non-transferable. During this period, your exclusive remedy is repair or replacement without charge of the Product or any component found to be defective at the Company’s discretion. If the Product or any component is no longer available, the Company will replace it with a similar one of equal or greater value. This Limited Warranty is void if the Product is used with a voltage other than 120 Volts. THIS WARRANTY IS INSTEAD OF ALL IMPLIED WARRANTIES, INCLUDING WARRANTIES OF MERCHANTABILITY, FITNESS FOR A PARTICULAR PURPOSE, PERFORMANCE, OR OTHERWISE, WHICH ARE HEREBY EXCLUDED. IN NO EVENT SHALL THE COMPANY BE LIABLE FOR ANY DAMAGES, WHETHER DIRECT, INDIRECT, INCIDENTAL, FORESEEABLE, CONSEQUENTIAL, OR SPECIAL ARISING OUT OF OR IN CONNECTION WITH THIS PRODUCT, INCLUDING DAMAGES ARISING FROM FOOD OR BEVERAGE SPOILAGE CLAIMS. You may have other legal rights depending upon where you live. Some States or Provinces do not allow limitations on warranties, so the foregoing may not apply to you.
WARRANTY EXCLUSIONS
IMPROPER ELECTRICAL CONNECTIONS:
The Company is not responsible for the repair or replacement of failed or damaged components resulting from electrical power failure, the use of extension cords, low voltage, or voltage spikes to the Product.
IMPROPER USAGE:
This Limited Warranty does not cover failure or other damages to the Product resulting from
- improper usage or installation or failure to clean and/or maintain the Product as set forth in the Owner’s Manual; or
- accident, misuse, abuse, negligence, or modification or alteration of the Product.
CONSUMABLES:
This Limited Warranty does not include consumables or wear-and-tear items such as legs, feet, plastic component parts, splash shields, filters, gaskets, and non-stick cooking surfaces.
ADJUSTMENTS & CALIBRATIONS:
Leveling, tightening of fasteners, or utility connections normally associated with the original installation are the responsibility of the dealer, installer, or the end user and not the responsibility of the Company and will not be considered warranty issues. If you think the Product has failed or requires service within its warranty period, please contact the Company’s Customer Care Department through our website at: www.admiralcraft.com “Service” –> “Technical Support Request”. A receipt proving the original purchase date will be required for all warranty claims; handwritten receipts are not accepted. You may also be required to return the Product for inspection and evaluation. Return shipping costs are not refundable. The Company is not responsible for returns lost in transit. This Limited Warranty is Valid only in the USA and Canada.
For more manuals by Adcraft, visit ManualsLibraryy
Adcraft DF-12L Countertop Electric Deep Fryer-FAQs
How does a deep fryer work?
A deep fryer heats oil to high temperatures, and when food is submerged, the hot oil causes moisture inside the food to evaporate. This creates a crisp outer layer while cooking the inside quickly, without allowing oil to soak in excessively.
How do I turn off the Adcraft DF-12L fryer?
To shut down the fryer, turn the thermostat to the OFF position. If using a gas model, turn the gas valve clockwise to the PILOT position. This puts the unit in standby mode, which should only be used briefly.
What is the basic principle of deep frying?
Deep frying uses hot oil (above water’s boiling point) to cook food directly. The oil acts as both a heat conductor and adds flavor and texture, although it also increases fat content.
What is the main function of a deep fryer?
A deep fryer is designed to cook a variety of foods—like chicken, fish, French fries, and pastries—by immersing them in hot oil to achieve a crispy exterior and properly cooked interior.
How much electricity does the fryer use?
Most electric deep fryers use around 1000 watts, though usage may vary depending on the brand, size, and features of the unit.
Why is my electric deep fryer not working?
Check if the power cord is securely plugged in and inspect for wear. Also verify the outlet, reset any GFCI outlets, and check your circuit breakers for issues.
What happens if I turn the fryer on with no oil inside?
Running the fryer without oil can damage the heating elements. The unit may overheat and break down if it’s powered on without proper oil levels.
Can I leave the fryer on overnight?
No. Never leave your fryer unattended or running overnight. Without proper monitoring, the oil can overheat and may pose a fire hazard, especially if the unit lacks auto shut-off or thermostat control.
What is the difference between a fryer and an air fryer?
Traditional fryers use hot oil to cook food, while air fryers use rapid air circulation and high heat to cook food with little to no oil. Both achieve crispy results, but through different heating methods.
