
Alpine KTP 445U 4-Channel Power Amplifier

Introduction:
Please read this OWNER’S MANUAL thoroughly to familiarize yourself with each control and function. We at ALPINE hope that your new KTP-445U will give you many years of listening enjoyment. In case of problems when installing your KTP-445U, please contact your authorized ALPINE dealer.
CAUTION: These controls are for tuning your system. Please consult your authorized Dealer for adjustment.
| WARNING | This symbol means important instructions. Failure to heed them can result in serious injury or death. |
| CAUTION | This symbol means important instructions. Failure to heed them can result in injury or property damage. |
WARNING
- DO NOT OPERATE ANY FUNCTION THAT TAKES YOUR ATTENTION AWAY FROM SAFELY DRIVING YOUR VEHICLE. Any function that requires your prolonged attention should only be performed after coming to a complete stop. Always stop the vehicle in a safe location before performing these functions. Failure to do so may result in an accident.
- KEEP THE VOLUME AT A LEVEL WHERE YOU CAN STILL HEAR OUTSIDE NOISES WHILE DRIVING. Excessive volume levels that obscure sounds such as emergency vehicle sirens or road warning signals (train crossings, etc.) can be dangerous and may result in an accident. LISTENING AT LOUD VOLUME LEVELS IN A CAR MAY ALSO CAUSE HEARING DAMAGE.
- DO NOT DISASSEMBLE OR ALTER. Doing so may result in an accident, fire, or electric shock.
- USE THIS PRODUCT FOR MOBILE 12V APPLICATIONS. Use for other than its designed application may result in fire, electric shock, or other injury.
- USE THE CORRECT AMPERE RATING WHEN REPLACING’ FUSES. Failure to do so may result in fire or electric shock.
- DO NOT BLOCK VENTS OR RADIATOR PANELS. Doing so may cause heat to build up inside and may result in fire.
- MAKE THE CORRECT CONNECTIONS. Failure to make the proper connections may result in fire or product damage.
- USE ONLY IN CARS WITH A 12-VOLT NEGATIVE GROUND. (Check with your dealer if you are not sure.) Failure to do so may result in fire, etc.
- BEFORE WIRING, DISCONNECT THE CABLE FROM THE NEGATIVE BATTERY TERMINAL. Failure to do so may result in electric shock or injury due to electrical shorts.
- DO NOT ALLOW CABLES TO BECOME ENTANGLED IN SURROUNDING OBJECTS. Arrange wiring and cables in compliance with the manual to prevent obstructions when driving. Cables or wiring that obstruct or hang up on places such as the steering wheel, gear lever, brake pedals, etc. Can be extremely hazardous.
- DO NOT SPLICE INTO ELECTRICAL CABLES. Never cut away cable insulation to supply power to other equipment. Doing so will exceed the current carrying capacity of the wire and result in fire or electric shock.
- DO NOT DAMAGE THE E PIPE OR WIRING WHEN DRILLING HOLES. When drilling holes in the chassis for installation, take precautions so as not to contact, damage, or obstruct pipes, fuel lines, tanks, or electrical wiring. Failure to take such precautions may result in fire.
- DO NOT USE BOLTS OR NUTS IN THE BRAKE OR STEERING SYSTEMS TO MAKE GROUND CONNECTIONS. Bolts or nuts used for the brake or steering systems (or any other safety-related system), or tanks should NEVER be used for installations or ground connections. Using such parts could disable control of the vehicle and cause fire etc.
- KEEP SMALL OBJECTS SUCH AS BOLTS OR SCREWS OUT OF THE REACH OF CHILDREN. Swallowing them may result in serious injury. If swallowed, consult a physician immediately.
SPACIFICATIONS
| Power Output | Per Channel, Ref: 14.4V, 4ohms,@ < 1% THD+N | 45W RMS x4 |
| Per Channel, Ref: 14.4V, 2ohms, @ < 1% THD+N | 45W RMSx4 | |
| S/N Ratio | IHF A-wtd + AES-17, Ref: 1 W into 4 ohms | 82dB |
| IHF A-wtd + AES-17, Ref: Rated Power into 4 ohms | 98dB | |
| Frequenc Response | +0 I -3 dB, Ref: 1 W into 4 ohms | 15Hz – 45kHz |
| Input Impedance | > 10k ohms | |
| Input Sensitivity | Ref: Rated Power into 4 ohms, RCA Inputs | 0,2 – 4,0 V |
| Ref: Rated Power into 4 ohms, Speaker Level Inputs | 0,5 – 10,0 V | |
| Crossover | Ch 1 / 2: Selectable HPF (-12 dB/oct.), defeatable | Off/60/80/120Hz |
| Ch 3 / 4: Selectable HPF (-12 dB/oct.), defeatable | Off/60/80/120Hz | |
| Dimensions | Width | 189,0mm (7-7/16″) |
| Height | 38,2mm (1-1/2″) | |
| Depth | 64,5mm (2-1/2″) | |
| Weight | 0,8kg ( , lbss) | |
NOTE:
- For product improvement, specifications and design are subject to change without
ACCESSORIES
- Mounting Bracket-2
- Self-Tapping Screw (M4 x 12)-4
- Cable Tie-2
- Input Wire Harness-1
- Output/Power Wire Harness-1
INSTALLATION (Fig. 1 and Fig. 2)
With this amplifier, there are two options for installation. Depending on which is best for your target location, refer to. Instructions A or B below.
CAUTION
- Caution on connection terminals/parts
- Keep electrically conductive objects away from the unit’s terminals/parts (power terminals, fuses, speaker output terminals, RCA connectors, etc.). Doing so prevents a possible short circuit and damage to the unit.
Installation with mounting brackets
- Remove the two bottom screws on each end panel.
- Use these screws to attach the included mounting brackets.
- Using the amplifier as a template, mark the four screw locations.
- Make sure there are no objects behind the surface that may become damaged during drilling.
- Drill the screw holes.
- Position the KTP-445U over the screw holes, and secure it with four self-tapping screws.
- Position the unit over the screw holes you prepared earlier.
- Fasten the unit down with the four self-tapping screws (M4 x 12). Refer to Fig. 1.
Installation with chassis mounting loops
- Push each of the included cable ties through the two mounting loops near each end of the bottom panel.
- Use the cable ties to securely attach the amplifier to the vehicle’s frame or chassis. Refer to Fig. 2.
NOTE: To securely connect the ground lead, use an already installed screw on the metal part of the vehicle (marked*). Be sure this is a good ground by checking the continuity to the battery(-) terminal. As much as possible, connect all equipment to the same ground point. These procedures will help eliminate noise.

- Self-Tapping Screw (M4 X 12) V
- Ground Lead
- Hole
- Mounting Bracket

- Cable Tie
- Ground Lead
- Mounting Loop

KTP-445U Left end panel
KTP-445U Right end panel
CONNECTIONS (Fig. 3 and Fig. 4)
Before making connections, be sure to turn the power off to all audio components. Connect the yellow battery lead from the amp directly to the positive(+) terminal of the vehicle’s battery. Do not connect this lead to the fuse block.
CAUTION
Caution on connection terminals/parts
- Keep electrically conductive objects away from the unit’s terminals/parts (power terminals, fuses, speaker output terminals, RCA connectors, etc.). Doing so prevents a possible short circuit and damage to the unit.
To prevent external noise from entering the audio system.
- Locate the unit and route the leads at least 10 em (3- 15/16′) away from the car harness.
- Keep the battery power leads as far away from other leads as possible.
- Connect the ground lead securely to a bare metal spot (remove any paint or grease if necessary) of the car chassis.
- Your Alpine dealer knows best about noise prevention measures, so consult your dealer for further information.
- Output/Power Connector
- Input Connector
- Fuse (15A X 1)
USE ONLY THE CORRECT AMPERE RATING WHEN REPLACING FUSES. Failure to do so may result in fire or electric shock. - Output/Power Wire Harness
- Speaker Output Wires: Referring to “Cautions on speaker wire connections·; connect each speaker output wire to the correct corresponding speaker wire on the vehicle side.
Note: Do not connect speaker leads together or to the chassis ground. - Battery Lead (Yellow)
There are two options:- Connect the battery lead to the OEM radio fused circuit. The OEM radio circuit has a fuse to protect your vehicle’s electrical system in case of a short circuit. Do not connect the battery lead to the OEM radio circuit if the fuse rating is less than 15A.
- Connect the battery lead directly to BATT+. Be sure to add a 15A fuse (sold separately) as close as possible to the battery’s ( +) terminal.
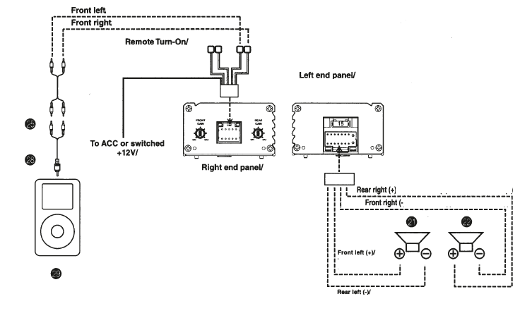
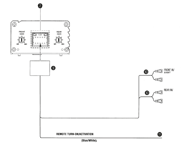
- Remote Out Lead (Blue/White): Use this lead to turn on additional amplifiers.
Note: This is a pass-through Remote Turn-On signal from the head unit. - Ground Lead (Black): Connect this lead securely to a clean, bare metal spot on the vehicle’s chassis. Verify this point to be a true ground by checking for continuity between that point and the negative(-) terminal of the vehicle’s battery. Ground all your audio components to the same point on the chassis to prevent ground loops.
- Input Wire Harness
- Input Signal Wires
There are two options:- RCA Input Jacks (FRONT =Violet sleeve, REAR=Grey sleeve). Connect these jacks to the line-out leads on your head unit using RCA extension cables (sold separately).
- Speaker Level Inputs: Cut off the RCA jacks, then connect the correct corresponding speaker outputs from the head unit directly to these twisted pairs of wires. Note: For the “Speaker Level Input System” setting. Connecting the Remote Turn-On Lead is not required due to the “REMOTE SENSING” function of this product. However, the “REMOTE SENSING ” function may not/ work depending on the signal source connected. In such a case, connect the Remote Turn-On Lead to an incoming power supply wire (accessory power) in the ACC position.
- Remote Turn-On Lead (Blue/White): Connect this lead to the remote turn-on or power antenna (positive trigger, (+) 12V only) lead of your head unit.
Note: See the connection checklist in Fig. 7 for more details.
KTP-445U Bottom panel
Note: Black squares indicate the positions of the switches.

KTP-445U Right end panel
Note: When using speaker-level inputs, both front and rear gain controls should be between the minimum and 9 o’clock position for typical head unit volume

SWITCH SETTINGS (Fig. 5 and Fig. 6)
- High Pass Filter Frequency Selector Switches
- Slide switches 1 and 2 to the up position to turn off Hthe P filter on front or rear channels [DEFAULT setting]

- Slide switch 1 to the down position and switch 2 to the up position to set the cutoff frequency to 60Hz on the front or rear
channels
- Slide switches 1 and 2 to the up position to turn off Hthe P filter on front or rear channels [DEFAULT setting]
![]()
- Slide switch 1 to the up position and switch 2 to the down position to set the cutoff frequency to 80Hz on the front or rear
channels.
- Slide switches 1 and 2 to the down position to set the cutoff frequency to 120Hz on the front or rear channels.

- Slide switch 1 to the up position and switch 2 to the down position to set the cutoff frequency to 80Hz on the front or rear
- Input Configuration Switch
- Slide switch to the down position for 4-channel input [DEFAULT setting]
- Slide switch to the up position for 2-channel input

- Input Signal Type Switch
- Slide switch to the up position for RCA input signals [DEFAULT setting]
- Slide the switch to the down position for speaker-level input signals

- Input Gain Adjustment Control
Set the KTP-445U input gain to the minimum position. Using a dynamic CD as a source, increase the head unit volume until the output distorts. Then, reduce the volume 1 step (or until the output is no longer distorted). Now, increase the amplifier gain until the sound from the speakers becomes distorted. Reduce the gain slightly so the sound is no longer distorted to achieve the optimum gain setting.
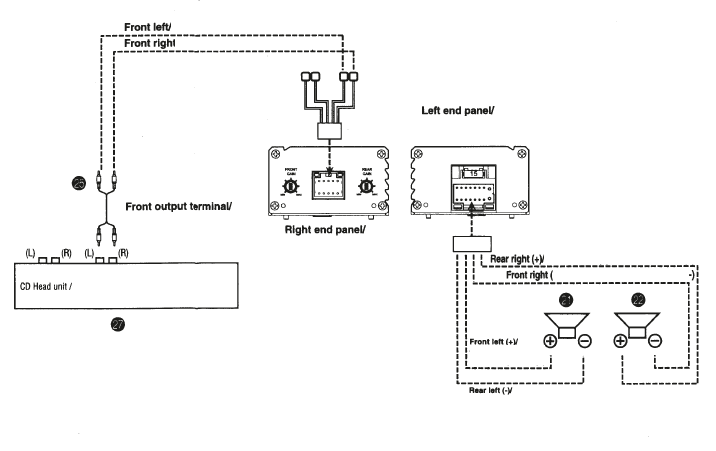
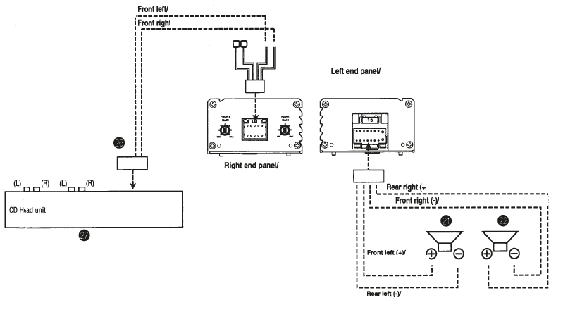
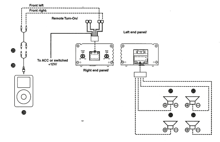
TYPICAL SYSTEM CONNECTIONS
- Front Left Speaker (sold separately)
- Front Right Speaker (sold separately)
- Rear Left Speaker (sold separately)
- Rear Right Speaker (sold separately)
- RCA Extension Cable (sold separately)
- Head Unit Speaker Connector
- CD Head Unit
- RCA to Mini Jack Cable (sold separately)
- MP3 Player
RCA input system

Note: The Input Configuration Switch must be up position for a 2-channel input.
Speaker Level Input

Note: The Input Configuration Switch must be up position 1 for a 2-channel input.
Stand Alone System
Note: The Input Configuration Switch must be up position for a 2-channel input.
Thank you for choosing Alpine for your car audio equipment needs. Our goal is to produce the best audio/video/navigation products in the world,a nd we hope your expectations are met.
Please take a moment to protect your purchase by registering your product now at the following address:
www.alpine-usa.com/registration. You will be informed of product and software updates (if applicable), special promotions, and news about Alpine.
Also, by registering your product, you can enter for a chance to win prizes! We look forward to continuing to serve you in the future.
Sincerely,
The Alpine Team
For more manuals about Alpine, visit ManualsLibraryy
Alpine KTP 445U 4-Channel Power Amplifier-FAQs
What type of power unit does Alpine use?
Starting in 2026, Alpine will use Mercedes power units and gearboxes to enhance performance and competitiveness.
How does a power pack work?
A power pack stores energy in its battery and transfers it to connected devices, typically via USB ports. Some models also support wireless charging.
How many speakers can a 4-channel amplifier power?
A 4-channel amplifier can power 4 speakers, 2 woofers, or a combination like 2 speakers and 1 subwoofer.
What is the recommended amplifier power per channel?
For light music or voice, use an amplifier with 1.6 times the Continuous Power rating per channel. For heavy genres like metal, opt for 2.5 times the rating.
Who manufactures Alpine products?
Alpine is closely associated with Renault. The company became a part of Renault in 1973, and its competition division merged into Renault Sport in 1976.
How much memory does Alpine use?
Alpine systems require at least 128 MB of RAM for basic use. A graphical desktop system may need up to 512 MB, while installation typically requires 320 MB.
What does Alpine Power Systems specialize in?
Founded in 1963, Alpine Power Systems provides global solutions for backup power, telecom, cable, and motive power needs.
How many watts does a power pack provide?
Power banks with an output of 10W to 18W are ideal for smartphones. For tablets or larger devices, opt for a power bank with 18W to 30W.
Will a 4-channel amplifier make my speakers louder?
Yes, a compact 4-channel amplifier can significantly boost the sound system’s power without replacing the factory stereo or speakers.
Can I connect a subwoofer to a 4-channel amplifier?
Yes, you can connect a subwoofer to a 4-channel amp along with 2 speakers, but it’s not designed to power both 4 speakers and a sub simultaneously.
