
Dayton 3E132E High-Intensity Infrared Heater

Safety
Applications
This is not an explosion-proof heater. Consult your local fire Marshal, insurance carrier, and other authorities for approval of the proposed installation.
Commercial / Industrial (Indoor Use Only)
Infrared heaters are designed and certified for use in industrial and commercial buildings such as warehouses, manufacturing plants, aircraft hangars, and vehicle maintenance shops. For maximum safety, the building must be evaluated for potential hazards before installing the heater system. A critical safety factor to consider before installation is the clearance to combustibles.
Residential
This heater is NOT approved for use in any residential application. This includes, but is not limited to, attached garages, living quarters, solariums, etc. Consult the local fire marshal and/or insurance provider if unsure of your application.
Clearance to Combustibles
WARNING

Placement of explosive objects, flammable objects, liquids, and vapors close to the heater may result in explosion, fire, property damage, serious injury, or death. Do not store or use explosive objects, liquids, or vapors in the vicinity of the heater.

Failure to comply with the published clearances to combustibles could result in personal injury, death, and/or property damage.
Hazards Include
For maximum safety, the building must be evaluated for hazards before installing the heater system. Examples include, but are not limited to:
- Gas and electrical lines
- Combustible and explosive materials
- Chemical storage areas
- Areas of high chemical fume concentrations
- Provisions for accessibility to the heater
- Adequate clearances around air openings
- Combustion and ventilating air supply
- Vehicle parking areas
- Vehicles with lifts or cranes
- Storage areas with stacked materials
- Lights
- Sprinkler heads (see important note on p. 9).
- Overhead doors and tracks
- Dirty, contaminated environment
CAUTION
Signs shall be posted specifying the maximum permissible stacking height in order to maintain clearances to combustibles.
A critical safety factor to consider before installation is the clearances to combustibles. Clearance to combustibles is defined as the minimum distance you must have between the infrared surface, or reflector, and the combustible item. Considerations must also be made for moving objects around the infrared heater.
The following is a partial list of items to maintain clearances from:
Combustible Items Include
- Wood
- Paper
- Fabric
- Chemicals
- Wall or roof insulation
Moving Objects Include
- Overhead doors
- Vehicles on lifts
- Cranes
- Hoists
- Car wash equipment
The stated clearance to combustibles represents a surface temperature of 90°F (32°C) above room temperature. Building materials with low heat tolerance (such as plastic, vinyl siding, canvas, and tri-ply) may be subject to degradation at lower temperatures. It is the installer’s responsibility to ensure that adjacent materials are protected from degradation. When installing the infrared heater system, it is essential to maintain the minimum clearances to combustibles. These distances are shown in Chart 1.1 and on the heater. If you are unsure of the potential hazards, consult your local fire Marshal, fire insurance carrier, or other qualified authorities on the installation of gas-fired infrared heaters for approval of the proposed installation.

*This clearance is 80 in. When the heater is fitted with a parabolic reflector.
NOTE: If the heater is mounted beneath a noncombustible surface, a 24 in. minimum top clearance must be maintained from the top of the heater to prevent overheating the controls.
Ensure that building materials with a low heat tolerance (i.e, awnings, fabrics, plastics, sprinklers, insulation, etc.) are protected against degradation. This may require the heater to be mounted at a distance in excess of the published clearances to combustibles. Contact the building material manufacturer.

Standards, Certifications, and Governmental Regulations
The installation of this heater must comply with all applicable local, state, and national specifications, regulations, and building codes (contact the local building inspector and/or fire marshal for guidance) before installing the heater system.
In the absence of local codes, the installation must conform to the latest edition of the National Fuel Code ANSI Z223.1 (NFPA 54). Copies of this standard can be viewed or purchased at www.nfpa.org.
Refer to the following Standards and codes for application-specific guidelines:
Public Garages
The installation of this heater in public garages must conform with the Standard for Parking Structures, ANSI/NFPA 88A (latest edition), or the Standard for Repair Garages, ANSI/NFPA 88B (latest edition), and must be at least 8 ft. above the floor.
Aircraft Hangars
The installation of this heater in aircraft hangars must conform with the Standard for Aircraft Hangars, ANSI/ NFPA 409 (latest edition). The heater must be installed at least 10 ft. above the upper wing surfaces and engine enclosures of the highest aircraft that might be stored in the hangar. In areas adjoining the aircraft storage area, the heaters must be installed at least 8 ft. above the floor. The heaters must be located in areas where they will not be subject to damage by aircraft, cranes, moveable scaffolding, or other objects.
High Altitude
The installation of this heater is approved, without modifications, for elevations up to 6,000 ft. MSL (sea level). Contact Dayton for installations above these elevations.
Electrical
The heater, when installed, must be electrically grounded in accordance with the National Electrical Code, ANSI/NFPA 70 (latest edition). Under no circumstances is either the electrical supply line or the gas supply line to provide any assistance in the suspension of the heater.
Ventilation
This heater must be installed in accordance with the requirements set forth in this manual and with the NFPA 54/ANSI Z223.1 National Fuel Gas Code (latest edition). See ventilation requirements on page 14.
Applicable authorities governing the manufacturing or installation of this heater include (but are not limited to) the following organizations:
- NFPA 54/ANSI Z223.1 – National Fuel Gas Code.
- ANSI Z83.19/C2.35 – Gas-fired High Intensity Infrared Heaters.
- ANSI/NFPA 70 – National Electric Code.
- IRSC.


Installation
WARNING
Read and understand the installation, operating, and maintenance instructions thoroughly before installing or servicing this equipment.
Only trained, qualified gas installation and service personnel may install or service this equipment.
Design
To ensure a safe, properly designed heating system, a layout should be developed for the correct placement of the infrared heater(s). Aside from safety factors such as clearance to combustibles (see Chart 1.1 on page 5), you should take into consideration the environment (e.g., cold/drafty, average, protected), heat coverage (sq. ft.) needed, heater centers, the distance behind a person or work station(s), and exhaust path. Also, the effective infrared surface temperature of a person or object may be diminished with wind above 5 mph. Wind barrier(s) may be required. Most importantly, clearance to combustibles must always be maintained! Refer to hazards on page 4.
This installation manual, along with national, state, provincial, and local codes, addresses these issues. It is critical that you read, understand, and follow all guidelines and instructions. Always inspect and evaluate the mounting conditions, space for exhaust, gas supply, and wiring.
Perimeter mounting of infrared heaters provides the most effective distribution of heat. The recommended spacing between the heaters is shown in Chart 2.1. Add additional heaters in the center of the space when heaters are spaced further than the recommended distance (see Figure 2.1).
CAUTION
This heater cannot be used in a building with an uninsulated roof, or condensation problems can occur.
Factory-recommended mounting heights (see Chart 2.2) are listed as a guideline. If infrared heaters are mounted too low or too high, they may result in discomfort or a lack of heat. The factory generally recommends observing the recommended mounting heights to optimize comfort conditions. However, certain applications, such as spot heating, freeze protection, outdoor patio heating, or very high ceilings, may result in the heaters being mounted outside of the recommended mounting heights.
When heated, materials high in hydrocarbons (solvents, paint thinner, mineral spirits, formaldehyde, etc.) can evaporate. This may result in odors or fumes being emitted into the environment. To correct this problem, clean the area and/or introduce additional ventilation. Heaters installed and serviced in accordance with the installation manual do not emit foul odors into the environment.
IMPORTANT: Fire sprinkler heads must be located at an appropriate distance from the heater. This distance may exceed the published clearance to combustibles (see Chart 1.1). Certain applications will require the use of high-temperature sprinkler heads or relocation of the heaters.
CAUTION
Fire sprinkler systems containing propylene glycol, antifreeze, or other potentially flammable substances shall not be used in conjunction with this heater without careful consideration for and avoidance of inadvertent discharge hazards. For further information, consult NFPA 13. Always observe applicable state and local codes.




Heater Mounting
WARNING

Failure to maintain minimum clearance to combustibles may result in fire and/ or explosion, property damage, serious injury, or death. Always maintain minimum clearances and post clearance safety limit signs where needed. Signs should state the hazards for the particular application and be legible to the building occupants. Consult the factory or a factory representative for additional information on signage compliance.
The heater can be suspended with chains or a rigid threaded rod. Local codes, or conditions that would cause the unit to move (e.g., wind drafts, blowers, crane rails, etc.), may require a rigid threaded rod. Consult all applicable codes before installation.
WARNING

Improper suspension of the infrared heater may result in collapse and being crushed. Always suspend from a permanent part of the building structure that can support the total force and weight of the heater.
WARNING
Avoid Equipment Failure.
Important: The heater must be level from side to side (front view) and between 20° and 35° from horizontal (side view). The spark ignitor, manifold, and controls must be located on the lower end.
Installing this unit at any other angle or in a horizontal position will cause damage to the heater’s controls. See figure 2.3.

Ventilation
WARNING

Insufficient ventilation may result in property damage, health problems, carbon monoxide poisoning, injury, or death.
It is required that the upper levels of the space to be heated are properly ventilated to supply combustion air to the heaters and to sufficiently dilute the products of combustion. It is also required that the flue discharge area is kept clear of gas piping and electrical wiring (see Figure 2.4).
This infrared heater must be vented in accordance with national, state, provincial, and local codes and the guidelines in this manual. In the United States, refer to the latest edition of ANSI Z223.1 (NFPA 54), and in Canada, refer to the latest edition of the CAN/CGA B149.1 & B149.2 Standard.
Provisions must also be made to provide sufficient fresh air intake area and exhaust air outlet area. For proper ventilation, a positive air displacement of 4.0 CFM/1000 BTU/h of gas consumed must be provided. Where insufficient air movement exists, induced air displacement is required. A balanced system is essential to avoid negative building pressure, which causes excessive infiltration, unfavorable drafts, and affects combustion efficiency.
Air displacement may be accomplished by either natural or mechanical means. Mechanical exhausters are preferred and typically mounted at high points on the roof where stagnant air accumulates inside the building. For a flat roof, considerations of prevailing winds, high and low pressure areas, and distribution of air movement must be taken into consideration when locating exhausters.
CAUTION
Ventilate enclosed spaces and buildings according to national, state, provincial, and local codes. Failure to provide adequate ventilation may result in equipment malfunctions, condensation, and other air quality issues.

Air distribution is best accomplished by using a number of small exhausters versus one large exhauster. A minimum of one square inch of inlet area per 1000 Btu/h for combustion air supply must be provided. Inlet openings in the building should be well distributed (see Figure 2.1), high in the sidewalls, and should direct incoming air upward to dilute products of combustion while preventing drafts at lower levels. Inlets are typically 1 to 3 sq. ft.
Local codes may require that mechanical exhaust systems be interlocked with heaters to enable both to function simultaneously (see page 17, Figure 2.6) or allow control of exhausters with a ceiling-mounted humidistat.
Gas Supply
WARNING

Improperly connected gas lines may result in fire, explosion, poisonous fumes, toxic gases, asphyxiation, or death. Connect gas lines in accordance with national, state, provincial, and local codes.
The gas supply to the infrared heater must be connected and tested in accordance with national, state, provincial, and local codes, along with the guidelines in the Dayton® High Intensity Heater manual. In the United States, refer to the latest edition of the ANSI Z223.1 (NFPA 54) Standard, and in Canada, refer to the latest edition of the CAN/CGA B149.2 Standard.

Note: Check manifold pressure at the tap located either at the outlet of the gas valve or on the gas manifold pipe. Readings will be above atmospheric pressure during operation.
Pressure Equivalents: 1 inch W.C. equals .058 oz/sq. In. Equals 2.49 Mbar.
To connect the gas
WARNING

Failure to install, operate, or service this appliance in the approved manner may result in property damage, injury, or death.
This heater must be installed and serviced by trained gas installation and service personnel only.
The gas outlet must be in the same room as the appliance and accessible. It may not be concealed within or run through any wall, floor, or partition.
WARNING

Failure to install, operate, or service this appliance in the approved manner may result in property damage, injury, or death.
WARNING

An approved connector, suitable for the environment of equipment usage, is required. Visible or excessive swaying, flexing, and vibration of the gas connections must be avoided to prevent failure. Neither the gas pipe nor the connector shall be placed in the ‘flue discharge area’. In no case shall the gas supply support the weight of the heater.
This heater must be installed and serviced by trained gas installation and service personnel only.
The installation of this heater must conform with local building codes or, in the absence of such codes, the National Fuel Code (NFPA 54).
The gas outlet must be in the same room as the appliance and accessible. It may not be concealed within or run through any wall, floor, or partition.
- The DR Series heater is equipped to receive a gas supply line nipple of 1/2” NPT Schedule 40 metallic pipe. All piping must be installed in accordance with the requirements outlined in the National Fuel Gas Code ANSI/Z223.1 (latest edition) or CSA B149.2. Support all gas supply with pipe hangers, metal strapping, or other suitable material. Do not rely on the heater to support the gas pipe.
- Form the stainless steel flexible connector (field supplied) into a smooth C-shape, allowing 12 in. between the flexible connector’s end nuts. Figure 2.5 on page 16.
NOTE: Not for use on rigidly mounted heaters. - Install a ground joint union with a brass seat and a manual shut-off valve adjacent to the unit for emergency shut-off and easy servicing of controls. A 1/8” NPT plugged tap that is accessible for a test gauge connection is also recommended.
- A sediment trap must be installed in the supply line in the lowest spot before connecting to the heater. The trap length shall be at least three inches long. Ideally, the trap would be installed as close as possible to the shut-off.
- When connecting piping to the unit, the use of a thread joint compound is required. The thread compound (pipe dope) shall be resistant to the action of propane gas or any other chemical constituents of the gas to be conducted through the piping. Use of Teflon® tape is not permitted.
WARNING

Always use two (2) opposing wrenches to tighten mating pipe connections to prevent excessive torque on the gas valve and manifold pipe. Excessive torque can damage the valve and/or misalign the orifice, resulting in fire, explosion, serious injury, or death.

Electrical Requirements and Diagrams
WARNING

Shock hazard. Disconnect the power supply before making wiring connections to prevent electrical shock and equipment damage. Any original factory wiring that requires replacement must be replaced with wiring material having a temperature rating of at least 105°C.
All field-installed wiring to the unit heater must be done in accordance with the national, state, provincial, and local codes and to the guidelines in this manual. In the United States, refer to the most current revisions to the Electrical Code, ANSI/NFPA 70, and in Canada, refer to the most current revisions to the Canadian Electrical Code,e CSA C22.1 Part 1. The unit must be electrically grounded according to these codes. Line polarity must be observed when making field connections.
CAUTION
Avoid Equipment Failure.
Do not install 120VAC to a 24VAC control system.

Before proceeding with electrical connections, ensure that the supply voltage, frequency, phase, and current capacity meet the requirements specified on the rating plate. A dedicated line voltage supply with properly sized wire should run directly from the main electrical panel to the heater. The power to the unit must be protected with a circuit breaker appropriate for the load. The unit must be electrically grounded in accordance with local codes, or in their absence, with the latest edition of the National Electrical Code, ANSI / NFPA 7,0 and/or the Canadian Electrical Code, de CSA C22.1, latest edition.
Control systems are initiated by either 120 VAC, 24 VAC, or millivolt energy. The 120 VAC systems can be used directly from a 120 VAC line. On 24 VAC systems, transformers must be used to supply power of sufficient VA rating for single or multiple connected installations.
Millivolt systems require NO external power, as the energy needed to operate the valve is developed by the powerpile generator. Do not use multiple connections, as one thermostat may only control one heater.
For wiring of controls on the unit, see Figure 2.6 below. It is recommended that the thermostat be installed on the hot side of a fused supply line and have a sufficient ampere capacity rating for the heater(s) it will control. The ventilation system may not be controlled separately from the heating system (consult local codes) by the use of a humidistat that closes when the humidity rises. The humidistat control should be installed at the roof level. For summer ventilation, a simple on/off switch can be installed at the occupant level.
Wiring Diagrams
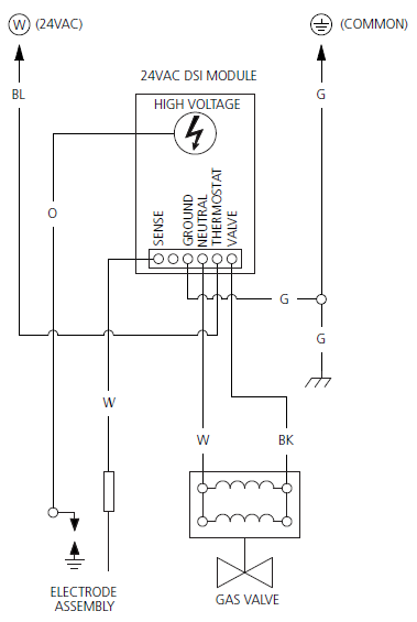
Figure 2.7 – 24 V Schematic (5VD57 thru 5VD66)
- Direct Spark Ignition
- VA Draw: 12
- Amps: .48
- Potted Circuit Board

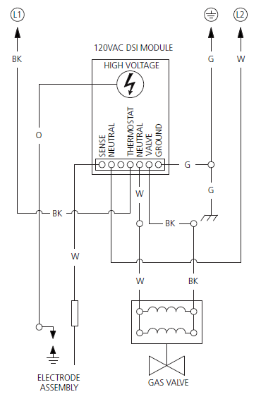
Figure 2.8 – 120 V Schematic (3E132 through 3E134, 3E460 thru 3E462, 3VH34 thru 3VH37)
- Direct Spark Ignition
- VA Draw: 12
- Amps: .10
- Potted Circuit Board

Operation
Upon satisfactory completion of the electrical supply and purging of the gas supply line to the heater(s), follow the lighting instructions on the heater’s rating label to put the heater into operation.
Lighting Instructions
- Rotate the heater’s valve knob to the “ON” position.
- Close the electrical circuit (typically the thermostat).
- If the heater fails to light, turn off the gas, open the electrical circuit, and wait 5 minutes before repeating the above steps.
Shutdown Instructions
- Open electrical circuit.
- Rotate the heater’s valve knob to the “OFF” position.
WARNING

Do not attempt to ignite the heater by hand. Failure to comply could result in personal injury, property damage, explosion, fire, or death.
Sequence of Operation
Starting Circuit
Upon a call for heat, voltage is applied to L1 and Neutral. After a pre-purge, the spark electrode energizes and the gas valve opens. The trial for ignition is 15 seconds. If flame is not sensed, the heater will attempt two more times to reignite.
Running Circuit
After ignition, the sensing electrode monitors the burner flame. If the sense of flame is lost, the control immediately acts to reignite the gas-air mixture. If flame sense is not established within 15 seconds, the heater will attempt two additional ignition sequences before proceeding to hard lockout. The control can be reset by briefly interrupting the power source.
Maintenance
It is recommended that the following become a standard yearly procedure to obtain maximum operating efficiency and trouble-free operation.
During long periods of non-usage, remove or cover the heater with a polyethylene bag and shut off the gas supply. If further service to the heater is desired, contact your representative or the factory.
Main Burner
- Gently use an air hose to blow any accumulated dust and/or dirt off the heater. Air hose pressure must not exceed 30 psig.
- Gently pass the air hose over the area of the ceramic. A distance of 2 ft. to 4 ft. from the unit is recommended. NOTE: Blowing out the gasket material will permanently damage the rayhead.
- Gently place the air hose outlet into each venturi tube and allow the air to flow for approximately one minute.
- See the troubleshooting chart (page 21) if there are any signs of burner malfunction. Replace if necessary.
Gas Supply
- Periodically inspect the gas supply for signs of corrosion or failure. Replace if necessary.
Troubleshooting Guide


Heater Assembly Components
NOTE: Replacement burners are called “rayheads” with rod inserts (part no. DR-RH and DR-ROD).
Ceramic grids are not sold separately; order the full assembly (part no. DR-RH).


Parts Listing


# Reference proper part number when ordering these parts:
1 = 3E132, 3E460, 5VD61, 5VD62
2 = 3E133, 3E461, 5VD63, 5VD64
3 = 3E134, 3E462, 5VD65, 5VD66
IMPORTANT: Contact the factory for conversion assistance. Gas type conversions require a gas valve, a gas orifice, among other changes. Conversion may also require burner and crossover changes.
For more manuals by Dayton, visit ManualsLibraryy
Dayton 3E132E High-Intensity Infrared Heater – FAQs
Q1. How do I operate an infrared heater?
Simply plug it in or connect it to the power source, set the thermostat or control switch, and the heater will begin producing radiant heat within a few minutes.
Q2. What is the maximum temperature of a high-intensity infrared heater?
The ceramic surface of high-intensity infrared heaters can reach around 1800°F (950°C), producing powerful radiant heat.
Q3. How can I tell if my infrared heater is working?
When on, the heater’s ceramic or quartz elements will glow, and you should feel direct radiant warmth within a few minutes of operation.
Q4. Can I run my infrared heater all night?
Yes. Modern infrared heaters are designed with built-in safety features, making them safe for overnight use, provided there is proper clearance from flammable materials.
Q5. Do infrared heaters shut off automatically?
Yes. Most models, including high-intensity types, have overheat protection. If internal temperatures rise too high, the unit will switch off until it cools.
Q6. How long does it take to warm a space with an infrared heater?
Infrared heaters provide noticeable warmth within 3–10 minutes, though full room heating may take longer depending on insulation and placement.
Q7. What are common problems with infrared heaters?
Issues often include poor insulation in the space, incorrect placement, or insufficient heater capacity. Wiring or power supply problems can also prevent heating.
Q8. Is infrared heat flammable?
No, infrared heat itself is not flammable. However, because the heater surface gets very hot, keep combustible materials away to prevent fire risks.
Q9. How do I troubleshoot if my Dayton infrared heater is not heating?
Check the power source, ensure the plug and cord are undamaged, and verify thermostat settings. If the unit still doesn’t work, inspect the heating elements or consult a technician.
