Blog Post

Husqvarna YTH2348 Engine Parts List-featured

Husqvarna YTH2348 Engine Parts List Manual

Husqvarna logo

Husqvarna YTH2348 Engine Parts List

Husqvarna YTH2348 Engine Parts List-product

DECALSHusqvarna YTH2348 Engine Parts List-1

Key No.Part No.Description
1532 41 16-58
Decal, Operators
2532 42 91-96Decal, Hood
3532 41 00-55
Decal, Hood Panel SD
5532 42 38-29
Decal, Customer Respons
6532 43 37-36
Decal, Replacement
8532 42 95-57Decal, Eng. HP
9532 14 50-05
Decal, Battery Dnge/Poi
11532 17 05-63Decal, Warning
Key No.Part No.Description
12532 17 84-55
Decal, Mower Caution
13532 19 87-85
Decal, Mower V-Belt Schematic
 532 16 69-60Decal, Bypass
 532 41 08-05
Pad, Footrest, LH
 532 41 08-06
Pad, Footrest, RH
 532 43 63-17
Manual, Owner’s (English)
 532 43 63-19
Manual, Owner’s (French)

WHEELS AND TIRESHusqvarna YTH2348 Engine Parts List-2

Key No.Part No.Description
1532 05 91-92Cap Valve Tire
2532 06 51-39Stem Valve
3532 18 18-39
Rim Asm 8″ Front Service
4532 00 81-34
Tube Front (Service Item Only
5532 10 62-30
Tire F T 16 x 6.5 Service
6532 12 49-57
Fitting Grease (Front Wheel Only)
7532 12 49-59
Bearing Flange (Front Wheel Only)
8532 17 50-39
Cap Axle Blk 1 50 x 1 00
9532 13 84-68
Tire R T 18 x 9.5-8 Service
10532 12 49-26
Tube Rear (Service Item Only)
11532 13 83-37
Rim Asm 8″ Rear Service
 532 14 43-34
Sealant, Tire (10 oz. Tube)

NOTE: All component dimensions given in U.S. inches, 1 inch = 25.4 mm

ELECTRICALHusqvarna YTH2348 Engine Parts List-3

Key No.Part No.Description
1532 16 34-65Battery
2874 76 04-12
Bolt Hex Head 1/4-20 x 3/4
8532 18 64-91Box Battery
16532 17 61-38
Switch Interlock Push-In
21532 18 37-59
Harness Socket Light w/4152J
22532 00 41-52Bulb Light
24532 40 02-53Cable Brty
25532 41 28-95Cable Starter
26532 17 51-58Fuse
27873 51 04-00
Nut Keps Hex 1/4-20 unc
28532 14 54-91Cable, Ground
29532 40 15-45Switch, Seat
30532 19 33-50Switch, Ign
33532 41 19-35Key/Chain
34532 11 07-12
Switch Light/Reset
40532 40 11-04
Harness Ign. Dash
41817 72 04-08
Screw Thd Cut 1/4-20 x 1/2
42532 13 15-63Cover, Terminal
43532 19 25-07Solenoid
46532 40 17-63
Gauge Serviceminder Hrmtr
50532 17 46-51Switch PTO
55817 06 05-12
Screw Thdrol 5/16-18 x 3/4 TYTT
71532 19 42-76Harness Ign.
79532 17 52-42
Socket Asm. Bulb Twistlock
90532 40 07-24Cover Terminal
91532 19 02-70
Strap Battery Mount Front
99817 67 04-12
Screw Hexwsh Thdrol 1/4-20 x 3/4
100819 09 14-16
Washer 9/32 x 7/8 x 16 Ga.
102532 40 44-54Harness Pigtail
105532 40 75-68

NOTE: All component dimensions are given in U.S. inches, 1 inch = 25.4 mm

CHASSISHusqvarna YTH2348 Engine Parts List-4

Key No.Part No.Description
3532 40 50-12Logo
5532 40 87-00Dash
14532 41 10-46Hood
15532 19 89-07Lens LH
18532 40 86-07
Grille Asm. (Includes 3, 15, 25, 130, 207, 208, 209-212)
25532 19 89-06Lens RH
34532 19 61-25Plate Engine
36817 06 05-12
Screw 5/16-18 x 3/4
37532 42 36-94Fender
52873 68 05-00
Nut Lock 5/16-18
68817 49 05-08
Screw 5/16-18 x 1/2
130532 41 63-58
Screw #10 x 0.750 BOS Thread
137532 40 75-90Bumper Dash
150532 19 85-12Air Duct
152532 19 95-35Shield Browning
161532 40 96-27Window Fuel
162532 14 24-32Screw
165532 19 68-26
Support Tank Rear
175532 19 63-04Crossmember
176532 40 07-76
Screw 10-24 x 5/8
177532 19 52-27
Bushing Steering
178532 19 97-82Cargo Net Asm.
180532 19 54-57Chassis
181532 40 30-25
Bushing Mtg. Fender Crgo
182532 40 68-59Dash Lower
183874 52 05-20
Bolt 5/16-18 unc x 1-1/4
189817 67 04-12
Screw 5/16-18 x 3/4
194873 90 05-00
Nut Lock Hex Flange 5/16-18
195532 40 41-37
Plug Hole Dash Lower
199532 41 34-85Plate Deck Lift
202532 40 30-48
Vent Side Hood RH
203532 40 30-76
Vent Side Hood LH
204532 41 66-13Vent Top Hood
205532 40 17-09
Skirt Hood Side RH
206532 40 17-11
Skirt Hood Side LH
207532 19 71-98Bezel RH
208532 19 71-99Bezel LH
209532 19 91-30
Insert Hex Top RH
210532 19 91-31
Insert Hex Top LH
211532 19 91-32
Insert Hex Bottom RH
212532 19 91-33
Insert Hex Bottom LH
213874 76 05-12
Bolt 5/16-18 unc x 3/4
214532 19 91-45
Clip Retainer Tinner
217532 40 91-67Rod Pivot
218532 19 63-95
X-Piece Hood Stop
228532 19 51-61Stud Fastener
233532 19 65-39Bolt Shoulder
234532 40 47-42Bumper Hood
235532 40 61-29Spacer Fender
236873 93 05-00
Nut Lock 5/16-18 unc
238532 40 86-06Trim
282532 41 41-10
Clip Retainer Console
283532 41 87-41
Console Deck Lift
284532 41 78-87
Console Asm. Pedal Control
285532 41 63-15
Console Insert RH
286532 41 63-17
Console Insert LH
287817 60 04-06
Screw Hex Washead 1/4-20 x 3/8
298532 11 05-52Nut, Push
 532 43 18-83
Kit Bumper (Not Shown)

NOTE: All component dimensions are given in U.S. inches, 1 inch = 25.4 mm

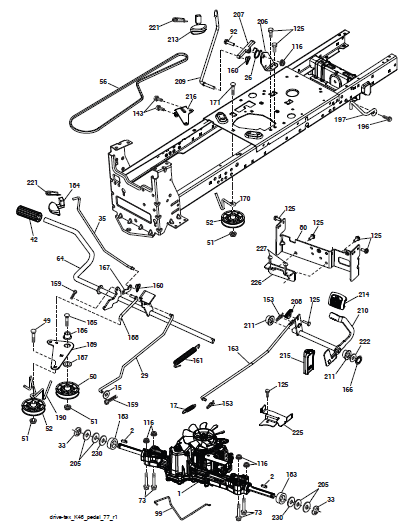
DRIVEHusqvarna YTH2348 Engine Parts List-5

Key No.Part No.Description
1 
Transaxle, TUFFTORQ K46 BT (See Transaxle breakdown)
2532 12 35-83Key
15819 13 13-16
Washer 13/32 x 13/16 x 16 Ga.
17532 41 36-78Spring, Brake
26532 19 96-79
Spring Return Cruise
29532 40 38-06Rod, Brake
33812 00 00-01Ring E
35532 19 95-91
Rod, Brake, Park
42532 12 48-72
Cover, Foot Pedal
49872 11 06-14Bolt
50532 19 43-27Pulley Idler Flat
51873 90 06-00Lock Nut 3/8-16
52532 19 43-26
Idler V-Groove 910″ Offset
56532 13 09-69V-Belt, Drive
64532 19 78-65
Shaft Asm. Pedal Brake Control
73874 49 05-44
Bolt Hex Flghd 5/16-18 Gr. 5
80532 41 00-24
Bracket Strap Torque
92874 76 05-20
Bolt Fin Hex 5/16-18 unc x 1.25
99532 41 57-42
Rod Spring Bypass
116873 90 05-00
Nut Lock Hex Flange 5/16-18
125817 00 05-12
Screw 5/16-18 x 3/4
143817 49 05-08
Screw 5/16-18 x 1/2
153532 12 47-88Retainer Spring
159876 02 04-12
Pin Cotter 1/8 x 3/4
160532 16 94-84Retainer Clip
161532 10 57-09
Spring, Return, Clutch
163532 40 10-34
Rod Pedal Control
166532 42 91-64Nut Push
167532 40 52-57
Latch Brake Parking
170532 19 43-22
Keeper Belt Centerspan
171872 11 06-16
Bolt RDHD SQNK 3/8-16 unc x 2
183532 13 70-57Spacer Split
184532 40 31-18
Handle Parking Brake
185872 11 06-22
Bolt Rdhd 3/8-16 unc x 2-3/4 Gr. 5
186532 19 43-21Spacer Retainer
187819 13 32-10Washer
188532 19 43-23
Link Clutch Ground Drive
189532 19 43-17
Bellcrank Ground Drive
190532 19 43-18
Keeper Bellcrank Ground Drive
196817 00 06-16
Screw 3/8-16 x 1
197532 19 58-04
Bracket Clutch Anti-Rotation
205532 12 17-48Washer
206532 19 78-67
Bracket Mount Latch Cruise
207532 19 78-68
Latch Control Cruise
208532 19 78-69
Gear Sector Control Cruise
209532 19 95-92
Rod Control Cruise
210532 40 09-80
Rocker Asm. Pedal Control
211532 12 01-83Bearing Nylon
213532 40 31-19
Knob Control Cruise
214532 42 12-63Pedal Forward
215532 40 17-23Pedal Reverse
216532 19 61-31
Bracket Pulley Idler
221532 40 31-87
Retainer Spring Clip Handle
222879 21 20-10
Washer 21/32 x 1-1/4 10 Ga.
225532 40 33-19
Keeper Belt Trans.
226532 40 15-64
Bracket Mount Torque
227817 49 05-12
Screw Thdrol 5/16-18 x 3/4
230532 18 89-67
Washer Hardened

NOTE: All component dimensions are given in U.S. inches, 1 inch = 25.4 mm

WARRANTY STATEMENT

SECTION 1: LIMITED WARRANTY

Husqvarna Forest & Garden Company (“Husqvarna”) warrants Husqvarna products to the original purchaser to be free from defects in material and workmanship from the date of purchase for the “Warranty Period” of the product as set forth below:

  • Lifetime Warranty (Parts and Labor): All tiller tines and trimmer shafts against breakage. Proof of purchase required.
  • Lifetime Warranty (“PARTS ONLY” after initial warranty expiration): Ignition coils and modules on handheld product. Proof of purchase required.

WARRANTY SCHEDULE FOR TURF CARE Equipment – Zero Turn Riders

(New warranty applies to units sold after August 1, 2005. Also applies to units factory-equipped with R.O.P.S.

  • EZ Zero Turn Riders: 3-year consumer warranty or 600 hours of use (when used solely at the owner’s residence.)
  • EZ & MZ Zero Turn Riders: 1 year commercial warranty or 600 hours of use.
  • iZ, LZ & BZ Zero Turn Riders: 5-year consumer warranty or 1,500 hours of use.
  • iZ, LZ & BZ Zero Turn Riders: 5-year commercial warranty or 1,500 hours of use.
  • 3-Year or 1,500-Hour Commercial Use Warranty: spindles on zero-turn riders, hydraulic pumps, and wheel motors.

Warranty Schedule for Turf Care Walk Behind Units – W, WG & WH Zero Turn Riders – 3-year consumer and commercial warranty. New warranty applies to units sold after August 1, 2005. Also applies to units factory-equipped with R.O.P.S. 2 Year COMMERCIAL and CONSUMER Warranty: all Husqvarna ground-engaging commercial equipment.

WARRANTY SCHEDULE FOR CONSUMER TURF CARE EQUIPMENT:

2-Year Consumer Warranty: Automatic mower, all Residential Zero Turn Riders, all lawn, yard, and garden tractors, all noncommercial walk behind mowers, tillers, snow blowers, electrical products, and power-assist collection systems for noncommercial, nonprofessional, institutional, or non-income producing use, except as herein stated. All consumer product use must have been limited to the owner’s residence.

For more Manuals by Husqvarna, visit ManualsLibraryy

Husqvarna YTH2348 Engine Parts List-FAQs

How often should I replace the spark plug on my Husqvarna riding mower?

It’s recommended to replace the spark plug once a year or after every 100 hours of use, whichever comes first.

What kind of engine does Husqvarna use in its mowers?

Many Husqvarna mowers, including some riding models, are powered by reliable Kawasaki engines.

Is Husqvarna a German-made brand?

Husqvarna is a Swedish company. However, it does have production facilities in Germany, Sweden, England, Poland, and the Czech Republic.

Who manufactures engines for Husqvarna lawn mowers?

Husqvarna sources engines from companies like Kawasaki and Briggs & Stratton, depending on the mower model and season.

What is Husqvarna’s full name and history?

Husqvarna originated in Sweden in 1689 as a musket manufacturer. It has since evolved into a global brand covering outdoor power equipment and more.

How do I decode my Husqvarna serial number?

The first two digits represent the year, the next two indicate the week of production, and the remaining digits show the unit’s production number.

Can I still buy parts for my Husqvarna YTH2348?

Yes, genuine Husqvarna parts are available through their official spare parts online store.

How often should I change the oil in my Husqvarna mower?

Check the oil every 5 hours of continuous use and change it at least once per mowing season.

Is Husqvarna a German company?

No, Husqvarna is headquartered in Stockholm, Sweden, though it has global operations including in Germany.

Leave a comment

Your email address will not be published. Required fields are marked *