
Hyper Tough AQ75034G Cordless Drill-Driver

Overview

- A 3/8 In.(10mm)chuck
- B Double-end driver bit
- C Torque regulation ring
- D Torque indicator scale
- E LED work light
- F Forward / reverse switch
- G Variable speed trigger with electric brake
- H Rubber–covered handle
- I 20 Volt Max Lithium-ion rechargeable battery
- J Battery lock button
- K Charger Set
Please read before returning this product for any reason:
If you have questions or experience a problem with your Hyper Tough purchase, call 1-800-840-7856 from 8:00 a.m. to 5:00 p.m. Eastern Standard Time, Monday through Friday.
SAFETY GUIDELINES
Be sure to read and understand this manual for your safety. When using this product, it Is Important to read and understand this information. It will protect you and help prevent any problems.
Here are the guidelines to help you understand the symbols used in this guide. It.
DANGER: Indicates a potentially hazardous situation which could result in death or serious Injury.
WARNING: indicates the situation which could result in death or serious injury
CAUTION: indicates a potentially hazardous situation which could result in mild to moderate injury
NOTICE: When used without the Safety Alert symbol, this indicates a potentially hazardous situation which, if not avoided, can result in property damage.
GENERAL POWER TOOLS SAFETY WARNINGS
WARNING: Read all of the instructions and pay close attention to the safety warnings. Failure to follow the warnings and instructions can result in electric shock, firee,and or serious injury.
SAVE THESE WARNINGS AND INSTRUCTIONS
YOU MAY NEED TO REFER TO THEM LATER
The term “power tool” in the warnings refers to your mains-operated (corded) power tool or battery-operated (cordless) power tool.
SAFETY WARNINGS AND INSTRUCTIONS
- This manual contains important safety and operating instructions.
- Be sure that any attachments are recommended or sold by use of attachments by other manufacturers may not meet the same requirements and can result in fire, electric shock, or injury.
- Never pull by the cord – always pull by the plug when disconnecting.
- Never open the power tool – there are no parts inside that are serviceable by the customer.
- NEVER incinerate the power tool when it is ready to be discarded. It can explode in a fire.
SAVE THESE INSTRUCTIONS
- WORK AREA SAFETY
- Keep your area well-lit and clear of clutter that can invite accidents.
- Operate your tools in a safe area free of the presence of flammable liquids, gases, dust, or potentially explosive atmospheres. Power tools can create sparks that can combust.
- Keep all distractions, such as children, away while operating the power tool. Distractions can cause an accident, or cause you to lose control.
- ELECTRICAL SAFETY
- To reduce the risk of electrical shock, power tool plugs must match the outlet. Double-insulatedtools are equipped with a polarized plug (one blade is wider than the other). The plug is designed to fit into a polarized outlet only one way. If the plug does not fit properly into the outlet, try reversing the plug..
- If it still does not fit, you need to find an outlet that is polarized, or contact a qualified electrician to install a polarized outlet.
Don’t modify the plug and don’t use any plug adapters with earth-grounded power tools. Double insulation eliminates the need for the three-wire grounded power cord and grounded power supply system.
- If it still does not fit, you need to find an outlet that is polarized, or contact a qualified electrician to install a polarized outlet.
- Avoid bodily contact with grounding services such as ranges, refrigerators, pipes, and radiators; there is a higher risk of electrical shock if your body is grounded.
- Don’t expose your power tools to wet conditions or rain. Water entering a power tool will increase the risk of electrical shock.
- Do not abuse the cord. Never use the cord to carry the tools or pull the plug from an outlet. Keep the cord away from heat, oil, sharp edges, or moving parts. Replace damaged cords immediately. Damaged cords increase the risk of electric shock.
- Be sure to use electrical supplies that are suitable for the conditions. If working outdoors, use extension cords rated for outdoor use (marked “W-N’ or “W'”) – this reduces the risk of electrical shock.
- If you have to work in a damp location, be sure to use a ground fault circuit interrupter (GFCI) protected supply. This will help reduce the risk of electrical shock.
- To reduce the risk of electrical shock, power tool plugs must match the outlet. Double-insulatedtools are equipped with a polarized plug (one blade is wider than the other). The plug is designed to fit into a polarized outlet only one way. If the plug does not fit properly into the outlet, try reversing the plug..
ELECTRICAL SAFETY (CONT.) – EXTENSION CORD USE
- Make sure the cord is clear and secure – do not step on, trip, or otherwise damage or stress the cord.
- Don’t use an extension cord unless you have to – use of an improper extension cord can result in fire, shock or electrocution.
- Two-wire cords can be used with 2-wire or 3-wire extension cords. Only round jacketed U.L. (Underwriters Laboratories) listed extension cords should be used. If you are going to use an extension cord outside, make sure the cord is manufactured for outdoor use. NOTE: Most cords used for outdoor use can also be used indoors. The letters “W” or”WA:’ on the cord jacket mean the cord is suitable for outdoor use.
- An extension cord must be of the proper gauge (wire size) – AWG or American Wire Gauge to be used safely, prevent power loss, and prevent overheating. NOTE smaller the wire gauge number, the greater the capacity of that cable; for instance, 16 gauge has more capacity than 18 gauge. If you must use more than one extension cord, be sure each extension has at least the minimum required gauge size.

- PERSONAL SAFETY
- Stay alert when operating this machinery to avoid the possibility of personal injury. Do not use these tools if you are under the influence of drugs, alcohol, or medication. Do not operate this machinery if you are tired.
- Use adequate personal protection – always wear eye protection. Suggested protective equipment includes nonskid safety shoes, a ust mask, hearing protection, and/or a hard hat.
- Prevent unintentional starting – ensure that the power switch is off before plugging into a power source or connecting the battery. Don’t carry the tool by the trigger.
- Remove adjusting keys or switches before turning the tools on. A wrench or a key that is left attached to a rotating part of the tools may result in personal injury.
- Do not overreach. Keep proper footing and balance at all times. Proper footing and balance enablee better control of the tools in unexpected situations
- Dress properly. Loose clothing or long hair can become entangled in the moving parts of this machine – keep your clothes, gloves, hair, or jewelry away from any moving machinery.
- Be sure to properly connect and use any devices that extract and collect dust. When used properly, dust collection can reduce situations related to dust and debris hazards.
- Do not run the cordless drill while carrying it at your side. A spinning socket or bit could become entangled with clothingg,and injury may result.
- Disconnect the plug or remove the battery pack from the tool and place the switch in the locked or “OFF” position before making any assembly adjustments, changing accessories, performing any inspection, maintenance, or cleaning procedures. Such preventive safety measures reduce the risk of starting the tool accidentally.
- Do not use the cordless drill if it has been damaged, left outdoors in the rain, snow, wet or damp environments, or immersed in liquid.
- POWER TOOL USE AND CARE
- Use clamps another practical way to secure and support the workpiece on a stable platform. Holding the work by hand or against your body is unstable and may lead to loss of control.
- Do not force the tool. Use the correct tools for your application. The correct tools will do the job better and safer at the rate for which it is designed.
- Do not use tools if the switch does not turn them on or off. Any tool that cannot be controlled with the switch is dangerous and must be repaired.
- Disconnect the plug from the power source before making any adjustments, changing accessories or storing the tool. Such preventive safety measures reduce the risk accidentallystarting the tools.
- Store idle tools out of reach of children and other untrained persons. Tools are dangerous in the hands of untrained users.
- Maintain tools with care. Keep cutting tools sharp and clean. Properly maintained tools with sharp cutting edges are less likely to bind and are easier to control.
- Check for misalignment or binding of moving parts, breakage of parts, and any other condition that may affect the tool’s operation. If damaged, have the tools serviced before using. Many accidents are caused by poorly maintained tools.
- Use only accessories that are recommended by the manufacturer for your model. Accessories that may be suitable for one toollmay become hazardous when used on another tool.
- Use this power tool and accessories in accordance with the instructions; always take into account the work to be performed and the conditions in which the work will be performed. Use of this tool for anything other than what it was designed for uld be harmful.
- Hold the tool by its insulated gripping surfaces when performing an operation where the cutting tool may contact hidden wiring or its own cord. Contact with a “live” wire will make exposed metal parts of the tool “live” and shock the operator.
- SERVICE
- Tool service must be performed only by qualified repair personnel. Service or maintenance performed by unqualified personnel could result in a risk of injury.
- When servicing a tool, use only identical replacement parts. Follow instructions in the maintenance section of the manual. Use of unauthorized parts or failure to follow. Maintenance instructions may create a risk of electric shock or injury.
STAY ALERT
Watch what you are doing and use common sense. Don’t operate any tool when you are tired.
WARNING: Some dust created when using power tools to sand, grind, drill, or sa,w and/or other construction activities, contains chemicals known to the State of California to cause cancer, birth defectss,or other reproductive harm. Some examples of these types of chemicals:
- lead from lead-based paint
- crystalline silica from bricks and cement, and other masonry products
- Arsenic and chromium from chemically treated lumber
Your risk from these exposures varies depending on how often you do work that involves these materials.
To reduce exposure risk, work in a well-ventilated area with approved safety equipment like dust masks that are designed to filter out microscopic particles.
- Avoid prolonged contact with dust from construction activities like power sanding, sawing, grinding, and drilling. Always wear protective clothing and immediately wash any exposed areas with soap and water.
If you allow dust to get into your eyes or mouth, or stay on your skin, you risk absorption of these harmful chemicals.
WARNING: Dust from use of this tool on construction material may cause serious and/or permanent respiratory (or other) injury. Direct the particles away from your face, and be sure to use
NIOSH/OSHA-approved respiratory protection against dust exposure.
Symbols
For your easy reference, here are the tool symbolss you may see on your tool label:

SAFETY WARNINGS AND INSTRUCTIONS: CHARGING THE BATTERY PACK
- This manual contains important safety and operating instructions.
- Before using the battery charger, read and become familiar with all of the use instructions and caution markings on the battery charger, battery pack, and product using bathe battery pack.
- CAUTION: Always use Hyper Tough battery packs to reduce the possibility of injury; other battery types may burst, causing potentially harmful results.
- Keep the charger out of bad elements, such as rain and snow.
- Be sure that any attachments are recommended or sold by Hyper Tough; use of attachments by other manufacturers may not meet the same requirements and can result in fire, electric shock, or injury.
- Never pull by the cord – always pull by the plug when disconnecting the charger.
- Make sure the cord is clear and secure – do not step on, trip, or otherwise damage or stress the cord.
- Extension cords – refer to ELECTRICAL SAFETY (CONT.) – EXTENSION CORD USE in this manual.
- Use only the supplied charger when charging your drill. Using a different charger can be hazardous or damage the drill.
- Use only one charger when charging.
- Never open the charger or power tool – there are no parts inside that are serviceable by the customer. Return the power tool to Hyper Tough for service.
- Never attempt to open or modify the ttery for any reason. Released electrolyte is corrosive and may cause damage to the eyes and skin. It may be toxic if swallowed.
- NEVER incinerate the power tool or battery pack when they are ready to be discarded. The batteries can explode in a fire.
- There are certain conditions, such as extreme usage, charging, or temperature conditionss that can result in a small amount of leakage from the battery pack cells. This does not indicate a fail;e – however, should the outer seal get broken and the leakage touch your skin:
- Immediately wash with soap and water.
- Neutralize with a mild acid such as lemon juice or vinegar.
- In case the battery liquid gets in your eyes, flush your eyes with clean water for a minimum of 10 minutes and seek immediate medical attention.
MEDICAL NOTE: The liquid is a 25-35% solution of potassium hydroxide.
CHARGING THE BATTERY PACK
Chargers are designed to use standard 120-volt AC, 60 Hz power. Do not use DC or any other voltage.
BEFORE ATTEMPTING TO CHARGE YOUR BATTERY PACK, THOROUGHLY READ ALL THE SAFETY INSTRUCTIONS.
- The battery is not fully charged. Before first use, the battery pack requires a 5-7 hour chargee time to be fully charged. Subsequent recharging needs 3-4 hours for the battery to be fully charged.
- Longest life and best performance of the battery pack is obtained when charging between air temperatures of 41 Of and 95°f( s0 c -35°C). DO NOT charge the battery pack in air temperatures below 41 Of (S°C) or above 95°f (35°C). This is important and will prevent serious damage to the battery pack.
- Always switch to a fresh battery when tool performance begins to diminish. Severe heat is most destructive to a battery; the more heat generated, the faster the battery loses power. A battery that gets too hot can have a shortened life.
- Never over-discharge a battery by using the tool even after the oldperformance has decreased. Do not attempt to discharge a tool’s battery by continuing to pull on the tool trigger. When tool performance begins to diminish, stop the tool and recharge the battery for optimal performance.
- Allow the battery pack to cool down after use; Avoid placing the charger and battery pack in a warm environment.
- The charger and battery pack may become warm to the touch while charging. This is normal and does not indicate a problem.
TORQUE REGULATOR
- This is a position ring (C in the functional description) situated between the chuck and the drill body.
- When the arrow on the top of the housing points to 1 on the Torque indicator scale (D in the functional description), torque is at a minimum before the clutch disengages the chuck from the drive.
- When the indicator is just past the output is at maximum before it is disengaged. This is useful in driving screws into different types of material.
- More torque will set a screw deeper into the material, and less torque will prevent it from stripping. Larger screws require more torque to drive than small ones. A little trial and error will show you which is the optimum setting for the situation.
- Release the trigger when the clicking sound indicates the chuck will not turn further.
- For drilling, always use the drill setting indicatedd by the pictogram of a drill bit. At this setting, the drive does not disengage from the chuck.
KEYLESS CHUCK OPERATION
Center the rotation direction knob to prevent the motor from accidentally starting. To insert a drill bit or other accessory:
- Grasp the rear half of the chuck (A) with one hand and use your other hand to rotate the front half in the counterclockwise direction, as viewed from the chuck end.
- Insert the bit or other accessory fully into the chuck, and tighten securely by holding the rear half of the chuck and rotating the front portion in the clockwise direction as viewed from the chuck end.
WARNING: Never attempt to tighten drill bits or any other accessory by holding the front part of the chuck and turning the tool on – damage and/or personal injury can result.
SCREW DRIVING
For driving fasteners, the reversing switch should be pushed to the left; for removing fasteners, the reversing switch should be pushed to the right.
DRILLING
- Only use sharp drill bits.
- Secure work properly; do not try to hold an object by hand. (Refer to Safety Instructions)
- Be sure to wear the appropriate, required safety equipment. (Refer to Safety Instructions)
- Make sure the work area is safe and secure. (Refer to Safety Instructions)
- Start drilling slowly, using light pressure to start the hole and prevent the bit from slipping out of it.
- Drill in a straight line, applying enough pressure to keep the bit biting, but not too much to stall the motor or deflect the bit.
- HOLD THE DRILL FIRMLY WITH TWO HANDS TO CONTROL THE TWISTING ACTION.
- In case the drill stalls, do not attempt to start it by clicking the trigger on and off – this can damage the drill.
- Minimize stalling upon breakthrough by reducing applied pressure and reducing speed through the last part of the hole.
- Once the hole is drilled, keep the motor running as you pull the drill bit out of the hole to reduce jamming.
- When drilling metals (except for cast iron and brass), use a cutting lubricant such as sulphurized cutting oil or lard oil. Note: cast iron and brass should be drilled dry.
- Drilling wood builds up chips in the flutes of twist drill bits. Frequently pull the bit out of the wood and clear the wood chips from the bit flutes during use.
- Make sure the switch turns the drill on and off.
DRILLING IN WOOD
- Holes in wood can use the same twist drill bits that you would use for metal (or spade bits). Make sure the bits are sharp and frequently stop to clear the wood particles from the flutes.
DRILLING IN METAL
- When drilling metals (except for cast iron and brass), use a cutting lubricant such as sulphurized cutting oil or lard oil. Note: cast iron and brass should be drilled dry.
DRILLING IN MASONRY
- Use carbide-tipped masonry bits (refer to Drilling Section). Drill evenly, keeping a uniform force on the drill, but not too much,or you can crack the brittle material. If you are experiencing a smooth, even flow of dust, that indicates a good drilling rate.
TROUBLESHOOTING

MAINTENANCE
Keep the tool clean using a so,t damp (not wet) cloth. Do not use solvents on the plastic parts.
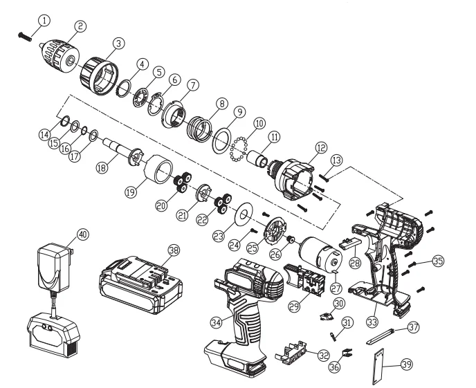
Lubrication is not necessary. After long use, have an authorized service center maintain and lubricate the tool. Should the chuck require replacement,
- Remove the batterpackk
- Open the chuck jaws as widely as possible so you can get at the chuck retaining screw.
- Unscrew the chuck retaining screw with a Phillips screwdriver. Note that this left-hand hareaded screw,,nd you remove it by turning it clockwise.
Clamp the shorter arm of a large Allen wrench in the chuck, aligning it with the jaws so they grip three of its six flat sides.
Place the drill on a flat surface, and support the chuck with a piece of wood about 3/8″ (10 mm) above that surface. Or press the drill body on the working table anhaand hang chuck in the air. (Be careful with your hand!)
Strike the long arm of the wrench with a hammer so that the chuck turns counter-clockwise and unscrews from the spindle. This may require a fairly sharp blow.
Repeat the process in reverse to install a new chuck. - To maintain the best performance of your rechargeable Li-ion battery, protect it from overheating, both from overcharging and during storage. Occasionally, charge the battery for 7 hours. The battery may also benefit from a full discharge from time to time.
IMPORTANT: to assure product SAFETY and RELIABILITY, all maintenance, repair,or adjustments (other than those mentioned in this manual)l} should be performed by authorized repair centers using identical replacement parts.
THE RBRC™ SEAL
The RBRC™ Seal (Rechargeable Battery Recycling Corporation) on the lithium-ion battery (or battery pack) indicates that the cost of recycling the battery or battery pack has already been paid by Hyper Tough n some areas,, it is illegal to place spent lithium-ion batteries in the trash or municipal solid waste stream and the RBRC program provides an environmentally conscious alternative.
RB, ,RC in cooperation with Hyper Tough and other battery users, has established programs in the United States and Canada to facilitate the collection of spent lithium-ion batteries. Help protect our environment and conserve natural resources by contacting your local recycling center for information on where to drop off the spent battery, or call 1-877-2-RECYCLE.
WARNING: Only use recommended accessories – use of unauthorized accessories can be hazardous and/or result in injury or damage.
This product contains lead, a chemical known to the State of California to causcancer,,d birth defects or other reproductive harm.
Battery posts, terminalss,s d related accessories contain lead and lead compounds, chemicals known to the State of California to cause cancer and reproductive harm.
WasyWas yorands after handling!
WARNING:
Do not expose the battery to fire or intense heat, as it may explode. Ifthe the Battery contains acid. If the case should become cracked, dispose of it immediately,, taking adequate safety precautions to prevent damage to persons or property.

ACCESSORIES
If you need accessories for use with your toolthe , most recommended accessories are available from your local dealer or authorized service center. If you need accessory information, please call: 1-800-840-7856
FULL TWO-YEAR HOME USE WARRANTY
Hyper Tough warrants this product for two years against defects in materials and assembly. This LIMITED WARRANTY does not cover products that are improperly used, abused ,alte,,red or repaired by unauthorized personnel.
This warranty does not apply to accesso ries.This warranty gives you specific legal, rights and you may have other legal rights which vary from state to state or province to p rovince.For warranty questions,replacement , or repair,call American Customer Service at 1-800-840-7856. This product is not intended for commercial use.
SPECIFICATIONS
- 20V Max Li-ion battery
- 3/8″(10mm) keyless chuck
- No Load Speed: 0-600 RPM
- 15+1 position adjustable torque clutch
- Variable speed reversible trigger with electric brake
- Comfortable ruBuilt-in grip
- Build-in double-ended driver bit
- Bright LED work light
- 3 – 4 hours charging time
Includes
- 20V Max Drill/Driver
- Double-end driver bit
- 20V Max Li-ion battery pack
- Charger
- Instruction manual



Limited 2 Year Warranty
What Is Covered
The manufacturer warrants to the original purchaser that eligible products are free from defects in materials and workmanship for the period of 2 years from the date of purchase under normal usage.
What Is Not Covered
This warranty does not cover damage due to abuse, improper maintenance, failure to follow directions, neglect, unauthorized repair/alteration, ordinary wear, or expendable parts and accessories expected to become unusable after a reasonable period of use. This warranty is not valid for use by a professional contractor or if the eligible products are used as rental equipment. Also, consequential and incidental damages are not recoverable under this warranty. Some states do not allow the exclusion or limitation of consequential or incidental damages, so the above limitation or exclusion may not apply to you.
What Test Rite Will Do
Test Rite will repair or replace any product that proves to be defective in materials or workmanship. In the event repair is not possible, Test Rite will either replace your product with a new product of similar composition and price, or refund the full purchase price of your product.
How To Get Service
To be eligible for service under this warranty, you must:
- Return warranty registration card within (30) days of purchasing ing product
- Register the product online
- Write or call
- Or bring the defective item to the closest dealer/distributor
How State Law Applies
This warranty gives you specific legal rights,, and you may have other legal rights which vary from state to sta..te
For questions, please contact
American Customer Service 5805C Peachtree Corners East Norcross,
GA 30092, U.S.A 30092
1-800-840-7856
ITEM # AQ75034G
PHONE LINES AVAILABLE
MONDAY THROUGH FRI8:00 AMM5:00 PM5:00PM EST
E-mail:
For more manuals by Hyper Tough,ManualsLibraryibraryy
Hyper Tough AQ75034G Cordless Drill-Driver- FAQs
How do I safely use a cordless drill?
Always make sure the drill is turned off and unplugged (or the battery removed) before changing bits. Insert the bit securely, hold the drill firmly, and apply light, steady pressure while drilling. Start at a low speed and increase gradually for smoother operation.
How can I loosen or tighten the chuck on my Hyper Tough drill?
To loosen the chuck, turn it counterclockwise while holding the drill steady. Insert or remove the bit, then twist the chuck clockwise until it’s snug. Some models include a keyless chuck for easy hand-tightening.
How do I know when the Hyper Tough battery is fully charged?
Check the LED indicator on the charger:
Red light – charging in progress
Green light – battery fully charged and ready to use
What is the 80/20 rule for charging lithium-ion batteries?
For longer battery life, charge up to 80% for daily use and avoid discharging below 20%. Fully charge to 100% only when you need maximum runtime.
How do I properly use the drill-driver function?
Choose the correct drill or driver bit, set the clutch to a low torque setting, and use steady pressure. Drill a pilot hole if needed, then drive the screw slowly to prevent stripping or overdriving.
What is the main disadvantage of cordless drills?
Cordless drills rely on batteries, which limits their runtime. Frequent recharging may interrupt long projects, especially with heavy-duty use.
How long does a cordless drill typically last?
With proper care and maintenance, cordless drills like the Hyper Tough AQ75034G can last 3 to 5 years, or even longer with light to moderate use.
Should I apply pressure while drilling?
Use firm but gentle pressure—let the drill bit do the work. Excessive force can damage the bit or the surface you’re drilling.
What lubricant works best for drill bits?
WD-40 or 3-In-One Oil are excellent lubricants for reducing friction and heat during drilling, especially in metal surfaces.

