Blog Post

Kenmore Ultrasoft 400 6253884 Water Softener-featured

Kenmore Ultrasoft 400 6253884 Water Softener User Manual

kenmore logo

Table of Contents

Kenmore Ultrasoft 400 6253884 Water Softener

Kenmore Ultrasoft 400 6253884 Water Softener-product

WARRANTY

SEARS RESIDENTIAL WATER SOFTENER

FULL ONE-YEAR WARRANTY ON WATER SOFTENER.

For one year from the date of purchase, when this water softener is installed and maintained according to our instructions, Sears will repair, free of charge, defects in material or workmanship in this water softener.

FULL THREE-YEAR ELECTRONICS WARRANTY

For three years from the date of purchase, Sears will replace the BRINE TANK LIGHT, ELECTRONIC BOARD, SENSOR HOUSING, WIRING HARNESS, TRANSFORMER, MICRO SWITCH, DRIVE MOTOR, OR POWER CABLE should they be defective in material or workmanship.

FULL TEN-YEAR WARRANTY AGAINST LEAKS

For ten years from the date of purchase, Sears will furnish and install a new current model water softener tank or salt storage drum, free of charge, if either the tank or drum develops a leak.

TO OBTAIN WARRANTY SERVICE, CONTACT THE NEAREST SEARS SERVICE CENTER THROUGHOUT THE UNITED STATES. This warranty applies only while this product is in use in the United States.

This warranty gives you specific legal rights, and you may have other rights which vary from state to state.

Sears, Roebuck and Co., D/817 WA, Hoffman Estates, IL 60179

If you want your water softener professionally installed, talk to your Sears Salesman. He will arrange for a prompt, quality installation by Sears Authorized Installers.

SEARS INSTALLATION POLICY

All installation labor arranged by Sears shall be performed in a neat, workmanlike manner by generally accepted trade practices. Further, all installations shall comply with all local laws, codes, regulations, and ordinances. Customer shall also be protected, during installation, by insurance relating to Property Damage, Workman’s Compensation, and Public Liability.

SEARS INSTALLATION WARRANTY

In addition to any warranty extended to you on the Sears merchandise involved, which warranty be- comes effective the date the merchandise in installed, should the workmanship of any Sears ar- ranged installation prove faulty within one year, Sears will, upon notice from you, cause such faults to be corrected at no additional cost to you.

SAFETY GUIDES

  • Read all steps, guide,,s and rules carefully before installing and using your new water softener. Follow all steps exactly to correctly install. Failure to follow them could cause personal injury or property damage. Reading this book will also help you get all of the benefits from your water softener.
  • Your water softener will remove hardness minerals and “clear water” iron from water, up to the limits shown on page 4-1. It will not remove other types of iron, acids, tastes and odors, etc. It will not purify polluted water or make it safe to drink.
  • Protect the softener and piping from freezing. Damage from freezing voids the softener warranty. See page 3-3.

CAUTIONS

PLEASE READ AND COMPLY WITH THE FOLLOWING GUIDES TO PREVENT DAMAGE TO THE SOFTENER OR OTHER PROPERTY, PERSONAL INJURY, OR POS- SIBLE FATAL SHOCK.

  • THIS SOFTENER WORKS ON 24 VOLTS ONLY. BE SURE TO USE ONLY THE TRANSFORMER INCLUDED, AND PLUG IT INTO A HOUSEHOLD 120V OUTLET. IF THE TRANSFORMER IS REPLACED, USE ONLY THE AU- AUTHORIZED SERVICE CLASS II, 224-VOLT 10-VA TRANSFORMER.
  • Unplug the transformer right away if the power cable becomes damaged or frayed. Make repairs before plugging back into the power outlet.
  • Always unplug the softener from electrical power before removing outer valve covers.
  • This system is not intended to be used for treating water that is microbiologically unsafe or of unknown quality without adequate disinfection before or after the system.

CHECK LIST OF STEP-BY-STEP GUIDES TO INSTALL

Kenmore Ultrasoft 400 6253884 Water Softener-1Kenmore Ultrasoft 400 6253884 Water Softener-2

To be sure you have done all the steps to install the softener, read the following list. Refer to the Installation Manual, part no. 7231741, for step-by-step guides.

Page numbers referred to are in the Installation Manual unless otherwise noted.

  • Is the house water flow going INTO the softener valve INLET? Trace piping to be sure. See pages 2-4 and 2-5.
  • Is the plumbing bypass valve (or 3 valves) set for SERVICE? Bypass valves) should always remain in soft water service position. Position in “bypass” only if needed for softener repairs. See FIG. 14, page 4-1 of this manual.
  • Is the valve drain hose connected the right way, and without sharp bends or kinks that could stop or reduce water flow? See pages 3-5 in the installation manual.

Page numbers referred to are in the Installation Manual unless otherwise noted.

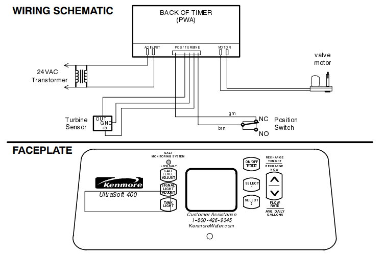
  •  Is the softener power cable connected to the transformer? Is the transformer plugged into an inside, 120V-60Hz electrical outlet? See pages 3-8 and 3-9 in the installation manual, and the wiring schematic on page 5-1 of this manual.
  • Be sure to restart the water heater. See pages 3-9.

PROGRAM THE TIMER

Kenmore Ultrasoft 400 6253884 Water Softener-3

When the transformer is plugged in, the model code HF32 and a test number (example: A2.4) show in the face plate display for 4 seconds. Then, midnight and PRESENT TIME begin to flash.

Kenmore Ultrasoft 400 6253884 Water Softener-4

Notes:

If HF– shows in the display, press the UP ^ or DOWN V button until HF32 shows. Then, press the SELECT 1 button to set, and change to the flashing PRESENT TIME display.

To check the model code, unplug the transformer at the wall outlet and plug it in again. If other than HF32 shows, see page 5-3 to reset.

SOUND “BEEPER”: A “beeper” sounds while pressing buttons for timer set-up. One beep signals a change in the face plate display. Repeated beeps mean the timer will not accept a change from the button you have pressed, telling you to use another button. For example, while setting the hardness (step 2), the beeper sounds repeatedly when the display reaches 1 using the DOWN button, or the highest hardness setting using the UP button.

SET PRESENT TIME OF DAY

If the words PRESENT TIME do not show in the display, press the SELECT 1 button (FIG. 2) until they do, or see the previous notes.

  • Press the UP / DOWN buttons to set the present time. Press UP to move the display ahead; press DOWN to move the time backward. Kenmore Ultrasoft 400 6253884 Water Softener-5
    • If the present time is between noon and midnight, be sure the PM shows.
    • If the present time is between midnight and noon, be sure to show AM.

Each press of the UP /DOWN buttons changes the time by 1 minute. Holding the buttons changes the time rapidly.

SET WATER HARDNESS NUMBER

  • Press the SELECT 1 button once to display 25 (flashing) and HARDNESS. Kenmore Ultrasoft 400 6253884 Water Softener-6The grains per gallon (gPg) hardness of your water supply is on your water analysis report. Be sure to enter water test results on page A, for future reference. If your water supply contains iron, compensate for it by adding to the water hardness number. For example, assume your water is 20 gpg hard and contains 2 ppm iron. Add 5 to the hardness number for each 1 ppm of iron. In this example, you would use 30 for your hardness number.Kenmore Ultrasoft 400 6253884 Water Softener-7
  • Press the UP / DOWN buttons to set your water hardness number in the display. The DOWN button moves the display to 1. The UP button moves the display to the highest setting (see maximum setting for your model in the specifications).

Note: Between 1 and 25, each press of the UP / DOWN button changes the display by 1. Between 25 and the highest number, the display changes 5 at a time…25, 30, 35, etc. Holding the UP or DOWN button changes the display twice each second.

SET RECHARGE (REGENERATION) TIME

  • Press the SELECT 1 button to display 2:00 AM (flashing) and RECHARGE TIME. Kenmore Ultrasoft 400 6253884 Water Softener-8At the 2:00 AM recharge time setting, the softener begins regeneration (see pages 2-4 and 2-5) at 2:00 AM, ending no later than 4:00 AM. This is a good time in most households because water is not being used (see Automatic Bypass, page 2-6). If a different recharge time setting would be better for your household, do the following.
  • Press the UP / DOWN buttons to set the desired recharge starting hour. Be sure to observe the AM-PM as you did when setting the present time of day.

Note: Each press of the UP / DOWN buttons changes the display by one hour. Holding the buttons in changes the display twice each second.

SET SALT TYPE

(sodium chloride or potassium chloride, see pages 1-6)

  • Press the SELECT 1 button to display nACl, the default setting. Kenmore Ultrasoft 400 6253884 Water Softener-9If you want to use potassium chloride (KCI) instead of stan- dard sodium chloride (NaCl) water softener salt, be sure to set KCl in the display using the UP button. The KCl setting adjusts regeneration cycle times to compensate for the variable dissolving rate of potassium chloride.
  • Press the SELECT button once again to return the present time, and RECHARGE TONIGHT in the display.Kenmore Ultrasoft 400 6253884 Water Softener-10

IF YOU NEED HELP PROGRAMMING THE TIMER, CALL TOLL-FREE NUMBER 1-800-426-9345.

www.KenmoreWater.com

SEE PAGES 2-1, 2-2, AND 2-3 FOR OTHER FACE PLATE TIMER FEATURES.

SANITIZE THE WATER SOFTENER

Kenmore Ultrasoft 400 6253884 Water Softener-11

Care is taken at the factory to keep your water system clean and sanitary. Materials used to make the softener will not infect or contaminate your water supply, and will not cause bacteria to form or grow. However, during shipping, storage, installation, lining, and operation, bacteria could get into the softener. For this reason, sanitizing as follows is suggested when installing.

  1. The first time you sanitize your softener, be sure to do all steps in the installation manual, and on pages 1-2,1-3and 1-4 of this manual first.
  2. Lift the salt hole cover and use a pail to fill the salt storage tank with up to 3 gallons of water (approximately 3 inches).
  3. Remove the brinewell cover (FIG. 3) and pour about 3/4 ounce, or 1 to 2 tablespoons, of common 5.25%, unscented, household bleach (Clo-rox, Linco, BoPeep, White Sail, Eagle, etc.) in the softener brinewell. Replace the brinewell cover.
  4. Open the bypass valve and press the ON/OFF- HOLD button and hold for 3 seconds to start a recharge. This first recharge does several things.
    • It draws the bleach into and through the softener to sanitize it.
    • It fills the salt tank to the water level needed.
    • It gets all the air out of the resin tank.
    • It prepares the resin bed (see pages 2-4) for service

Notes: This recharge takes about 2 hours, depending on the salt type setting (page 1-4).

You can sanitize the softener with or without salt in the storage tank.

® Recommended by the Water Quality Association. On some water supplies, the water softener may need periodic disinfecting.

FILL THE STORAGE TANK WITH SALT

Brine (salt dissolved in water) is needed for every regeneration. The water for making brine is metered into the salt storage tank by the softener. However, you must keep salt in the tank, but it is not necessary to keep it full. In humid areas, it is best to fill the storage tank one-quarter to one-half full and to refill it more often. Salt bridging (see page 3-1) occurs more often when conditions are humid.

Fill the tank with NUGGET or PELLET water soft- ener salt. DO NOT use rock salts, as they have dirt and sediments that will stop the softener from working.

Before filling, be sure the brinewell cover is in place on the top of the brinewell. Salt storage capacity is shown on page 4-1. Be sure to set the salt monitor system (see page 2-1).

POTASSIUM CHLORIDE, alternative to salt: The design of this softener allows for the use of potassium chloride in place of salt (sodium chloride).

  1. Place only one bag of KCl in your softener at a time (the salt storage tank should contain no more than 60 pounds of KCl at any one time).
  2. A softener using KCl should not be placed in areas with temperature fluctuations and high humidity (KCl will harden in these environments and may make the softener inoperable).
  3. Check the brine tank and brinewell (black tube in salt storage tank) monthly. If hardening is present, pour small amounts of warm water on hardened areas until they loosen.
  4. If you do use potassium chloride, see pages 1-4 to set the timer for its use.

Note: The salt monitor system, page 2-1, is calibrated to the density of nugget or pellet softer salt. The monitor will not work as accurately with other types of sensors, including rock and solar.

WATER SOFTENING SALT WITH IRON REMOVING ADDITIVES

Some salts have an additive to help the softener handle iron in the water supply. These salts may be used if your water supply has a high iron content. It is recommended to use Sears Resin Bed Cleaner 42- 4426 for periodic treatments to keep your resin bed clean.

Kenmore Ultrasoft 400 6253884 Water Softener-12

Sodium information

Water softeners using sodium chloride for regeneration add sodium to the water. Persons who are on sodium-restricted diets should consider the added sodium as part of their overall sodium intake. For example, if your water supply is 15 grains hard, you would have to drink 3 quarts of softened water to consume 335 milligrams of sodium. That is equivalent to eating 2 1/2 slices of white bread.

Persons who are concerned about their drinking water should consider a Kenmore Drinking Water System that will remove or reduce in excess of 90% of the sodium and other drinking water contaminants.

You have now finished the water softener start-up. After the sanitizing recharge, pages 1 – 5, the softener will give you soft water. Please read pages 2 – 4, 2 – 5, and 2 – 6 in section 2 to understand how the softener works to continue to give you soft water.

HOW YOUR WATER SOFTENER WORKS

FACEPLATE TIMER FEATURES

EXTRA RECHARGE

Sometimes, a manually started regeneration (recharge) may be desired or needed. Two examples are:

  • You have used more water than usual (guests visiting), and you may run out of soft water before the next timer starts regeneration.
  • You did not refill the softener with salt before it was gone. After you refill with salt:

You can start a regeneration right away, or you can set the timer to regenerate at the next 2:00 AM (or other preset recharge time). Do the following.

RECHARGE NOW

Press the ON/OFF-HOLD button and hold until *RECHARGE NOW, Serv and Fill begin to flash in the display. Upon reaching full, the first cycle of regeneration, the flashing Sero turns off and Fill is on steady. RECHARGE continues to flash. This regeneration will last for about 2 hours. After 2 hours, you will have soft water again.

Kenmore Ultrasoft 400 6253884 Water Softener-13

*Note: If the CLEAN feature is set to ON, a cleaning back-wash (CLEAN and Bkwsh or Rinse flashes in the display, along with the minutes of the cleaning remaining) precedes the recharge.

RECHARGE TONIGHT

Press and release (do not hold) the ON / OFF-HOLD button. RECHARGE TONIGHT flashes in the display, and the softener begins regeneration at the next preset recharge time.

Kenmore Ultrasoft 400 6253884 Water Softener-14

Press and release the ON/ OFF-HOLD button once more if you decide to cancel the regeneration, and RECHARGE TONIGHT.

SALT MONITOR SYSTEM

The faceplate timer has a low salt monitor with an indicator light to remind you to refill the storage tank with salt. To set up this monitor system:

  1. Lift the salt hole cover and level the salt in the storage tank.
  2. The salt level decal, on the brine well inside the tank, has numbers from 0 to 8 (see drawing below). Observe the number the leveled salt is at or closest to.
  3. Now, press the SALT LEVEL ADJUST button until black bars display up to the salt level number. For example, the pictures below show the salt level at 6.
  4. Finally, set the level you want the low salt indicator light to come on. Press the SIGNAL LIGHT ADJUST button until a (*) shows opposite this number. In the example below, the light will come on when the stored salt drops to level 2. At level 2, the storage tank is about 1/ 3 full. This is the lowest you should allow the stored salt level to drop to.
  5. If you want to turn the salt monitor off, press the SIGNAL LIGHT ADJUST button until OFF shows above.

Note: For accurate salt monitor operation, always use nugget or pellet water softener salt. See pages 1-6. If potassium chloride is used, be sure to adjust the timer to the KCl setting on pages 1-4.

Kenmore Ultrasoft 400 6253884 Water Softener-15

 

OPTIONAL SETTINGS

SALT EFFICIENCY, CLEAN FEATURE, CLEAN FEATURE MINUTES, MAXIMUM DAYS BETTER GENERATION, ONES, 12 / 24 HOUR CLO,  CK, and GALLONS / LITERS:

  1. To set any of the following options, press and hold SELECT 1 for 3 seconds. Press the SELECT 1 key,y, and the SALT EFFICIENCY display shows. Use the UPDOWN button to change the ON / OFF displays.Kenmore Ultrasoft 400 6253884 Water Softener-16SALT EFFICIENCY: When this feature is ON, the unit will operate at salt efficiencies of 4000 grains of hardness per pound of salt or higher.
  2. Press SELECT 1 again to show the CLEAN display.Kenmore Ultrasoft 400 6253884 Water Softener-17CLEAN: This feature is beneficial on waters containing iron and/or high amounts of sediments (sand, silt, dirt, etc.). When set to backwash, and fast rinse cycle will occur for preceding the normal regeneration sequence (pages 2-4). This provides extra cleaning of the resin bed before it is regenerated with the salt brine. To conserve water, set this feature OFF if your water supply does not contain iron or sediments.
  3. Press SELECT 1 again, and the CLEAN TIME display shows.Kenmore Ultrasoft 400 6253884 Water Softener-18CLEAN feature minutes: If you are using this feature, the length of the extra backwash cycle automatically sets to 7 minutes. However, you can adjust this time from 1 to 15 minutes in length. To change this cycle time, use the UP button to increase the time or the DOWN button to shorten the time. If no change is desired, continue below.
  4. Press SELECT 1 to show the 1212-HOURisplay. Continue with the next step if no change is desired. Kenmore Ultrasoft 400 6253884 Water Softener-1912 or 24-hour clock: All time displays are shown in standard clock time (1 to 12 PM and 1 to 12 AM) at the 12 hr default setting. If military time displays are desired, set to 24 hr by pressing the UP button.
  5. Press SELECT 1 again to show the GALLONS or LITERS display.Kenmore Ultrasoft 400 6253884 Water Softener-20Gallon or Liter readings: Water usage and flow displays are shown in gallons. If you prefer to have the same displays in liters, press the UP button until Liter shows.
  6. Press SELECT 1 again to show the RECHARGE display.Kenmore Ultrasoft 400 6253884 Water Softener-21Maximum days between regenerations: The face-platemer automatically controls regeneration ffrequencySeeesectionsThis This provides the greatest operating efficiency, and under most conditions, this feature will be left in its default mode. However er, modify this feature if you want to force a regeneration every set number of days. For example, if your water supply contains iron and you want the softener to regenerate at least once every few days to keep the resin bed clean, set the display as typically- ly shown above. The setting is available from 1 to 15 days by using the UP and DOWN buttons.
  7. Press SELECT 1 to return the present time display.

TANK LIGHT

To light the inside of the salt storage tank, press the TANK LIGHT button on the faceplate. Press the same button again to turn the light off, or it will turn off automatically in 4 minutes.

Kenmore Ultrasoft 400 6253884 Water Softener-22

WATER FLOW THROUGH THE SOFTENER

To view the gallon (or liter) per minute water flow rate through the softener, if not already displayed, press the SELECT 2 button. If soft water is being used, the flow rate to the closest 1/10 gallon (or li- ters) shows. If all faucets and water-using appliances are off, the display will show 0 flow.

Kenmore Ultrasoft 400 6253884 Water Softener-23

AVERAGE DAILY GALLONS or LITERS

Press the SELECT 2 button again to show the average number of gallons of soft water the household uses each day. This water usage figure is adjusted daily by the faceplate timer. To turn this display off, press the SELECT 2 button once more.

Kenmore Ultrasoft 400 6253884 Water Softener-24

RECHARGE TIME REMAINING and VALVE POSITION INDICATORS

One of the valve position indicators (Serv, Fill, Brine, Bkwsh, Rinse) is displayed while the softener is re-charging (See *Note on page 2-1 if the CLEAN feature is ON). RECHARGE flashes in the display and, beginning with Brine, the minutes of recharge remaining before service return appear in place of the present time. When the valve is moving from one cycle to another, both position indicators are flashing.

Kenmore Ultrasoft 400 6253884 Water Softener-25

PROGRAM MEMORY

If electrical power to the softener goes off, the time display is blank, but the face plate timer keeps the correct time for about 48 hours. When electrical power comes on again, you have to reset the present time only if the display is flashing. The HARD-NESSS and RECHARGE TIME never require resetting unless a change is desired. Even if the timer is incorrect after a long power outage, the softener works as it should to keep your water soft. However, er, regenerations may occur at the wrong time of day until you reset the timer to the correct time of day.

ERROR CODE

An error code could appear in the face plate display if a problem occurs in the softener electronics. If you see an error code instead of the present time of day, look at Troubleshooting page 5-2 and/or call the Kenmore Water Line at 1-800-426-9645.

Kenmore Ultrasoft 400 6253884 Water Softener-26

KNOW ABOUT YOUR WATER SOFTENER

DIMENSIONS / SPECIFICATIONS

Kenmore Ultrasoft 400 6253884 Water Softener-32Kenmore Ultrasoft 400 6253884 Water Softener-33Kenmore Ultrasoft 400 6253884 Water Softener-343 – VALVE BYPASS

FOR SERVICE

Close the bypass valve, open the inlet & outlet valves

FOR BYPASS

Open the bypass valve, close the inlet & outlet valves
Kenmore Ultrasoft 400 6253884 Water Softener-35

MODEL NOS. 625.388400 & 625.388450

TIMER HF CODE HF32

Note: Please see the rating decal for operating capacity, salt usage, and service flow rate/ pressure loss performance specifications. Performance specifications are validated by the Water Quality Association (WQA). The rating decal is located on the rim, under the salt hole cover (see page A, inside front cover).

WATER SUPPLY TO WATER SOFTENER

  • Minimum water system flow (gpm): 3
  • Minimum-Max. water pressure (psi): 20 – 125
  • Minimum-Max. water temperature (°FF): 40 – 120
  • Maximum water hardness (gpg): 110
  • Maximum “clear water” iron (ppm): 8

SALT FOR WATER SOFTENER

  • Type of salt needed: nugget or pellet
  • Alternate type of salt: pure, evaporated, compacted water softener salt
  • Salt storage capacity (Ibs): 200

Kenmore Ultrasoft 400 6253884 Water Softener-36

OTHER SPECIFICATIONS

  • Type of ion exchange material (resin): high capacity
  • Amount of resin (cu ft): 1.06
  • Regeneration (recharge) cycle times (minutes)
    • Fill (NaCl setting): 3.6 – 11.5
    • Fill (KCI setting): 4.5 – 14.4
    • Brining/brine rinse: 120 – 135
    • Backwash 7 Fast rinse: 3
    • Total regeneration time: 133.6 – 159.4
  • Efficiency Rating (gr/b at 3.1 lb salt dose: 5350

TROUBLESHOOTING

Kenmore Ultrasoft 400 6253884 Water Softener-37

ALWAYS MAKE THESE INITIAL CHECKS FIRST

  1. Does the time display show the correct time of day?
    • If the display is blank, check the power source to the softener.
    • If time is flashing, the power has been off for over 24 hours. The softener resumes normal operation, but regenerations occur at the wrong time (page 1- 3).
    • If an error code (Example: Err3) shows in the faceplate display, go to AUTOMATIC ELECTRONIC DIAGNOSTICS (page 5-2).
  2. Plumbing bypass valves) must be in a fully in-service position.
  3. The inlet and outlet pipes must connect to the softener inlet and outlet, respectively.
  4. Is the transformer plugged into a “live”, grounded wall outlet, and the power cable fastened securely?
  5. The valve drain hose must be free of kinks and sharp bends, and not elevated over 8 ft. above the floor.
    Remove the top cover and salt tank cover.
  6. Is there salt in the storage tank?
  7. Is the brine tubing connected? (See water flow diagrams, page 5-6).
  8. Is the brine valve float set right? (See page 5-4).
  9. Press the SELECT 1 button two times to display the hardness setting. Be sure it is the correct setting for the household’s water supply. (Make a hardness test of the raw water and compare it with the hardness setting. Also, test a soft water sample to verify if a problem exists.) Press the SE- LECT 1 button twice more to return to the present time in the display.

If you do not find the problem after making initial checks, do the MANUAL INITIATED ELECTRONIC DIAGNOSTICS, and the MANUAL AD- ADVANCE REGENERATION CHECK (page 5-2).

For more manuals by Kenmore, visit ManualsLibraryy

Kenmore Ultrasoft 400 6253884 Water Softener- FAQs

How does the Kenmore Ultrasoft 400 water softener work?

Hard water enters the softener through the inlet port.
It passes through a resin tank, where calcium and magnesium ions are exchanged for sodium ions.
The softened water exits through the outlet port and flows to your faucets.

How long does it take for the softener to start working?

Cold water will soften immediately.
Hot water may take up to 48 hours (or until your water heater refills with softened water).

How do I know if my water softener is working?

Test water hardness before and after softening using test strips.
Check for soap lathering (soft water creates more suds).
Look for reduced scale buildup on faucets and appliances.

How often should I add salt to the brine tank?

Check salt levels monthly and refill when low (keep it at least half full).

Why is there water in the bottom of my salt tank?

A small amount (0–4 inches) is normal.
Excess water may indicate a clogged drain line or malfunctioning valve.

How do I clean my Kenmore water softener?

Clean the brine tank every 6–12 months (remove salt debris).
Check for salt bridges (hard salt crusts) and break them if present.
Use resin cleaner annually to maintain efficiency.

Why is my water softener making noise?

Gurgling or humming during regeneration is normal.
Grinding or loud noises may indicate a mechanical issue (check for stuck valves or motor problems).

How do I adjust the hardness setting?

Press Select until “Set Hardness” appears.
Use ▲/▼ buttons to match your water’s hardness level (in grains per gallon).
Press Select to save.

How do I set the regeneration time?

Press Select until “Recharge Time” appears.
Set a time when water usage is low (e.g., 2:00 AM).

Leave a comment

Your email address will not be published. Required fields are marked *