
Kobalt 20 Gallon Oil-Free Air Compressor

PRODUCT SPECIFICATIONS

NOTE: Avoid use of extension cords. If use of an extension cord cannot be avoided, the cord should be a minimum wire size of 12 AWG and no longer than 30 feet. Use only a 3-wire extension cord that has a 3-blade grounding plug and a 3-slot receptacle that will accept the plug on the product.
PACKAGE CONTENTS


PARTS DESCRIPTION

SAFETY INFORMATION
Please read and understand this entire manual before attempting to assemble, operate or install the product. If you have any questions regarding the product, please call customer service at
1-888-3KOBALT, 8 a.m. – 8 p.m., EST, Monday – Friday.
Safety Symbols
The purpose of safety symbols is to attract your attention to possible dangers. The safety symbols and their accompanying explanations deserve your careful attention and understanding. The safety warnings DO NOT, by themselves, eliminate any danger. They are not substitutes for proper accident-prevention measures
DANGER: Someone will be seriously injured or killed if the safety information is not followed.
WARNING: Someone will be seriously injured or killed if the safety information is not followed.
CAUTION: Someone may be injured if the safety information is not followed.
User Safety
DANGER
Improper installation of the grounding plug will result in a risk of electric shock. If repair or replacement of the cord or plug is necessary, do not connect the grounding wire to either flat blade terminal. The grounding wire has a green outer surface.- WARNING
- Risk of explosion or fire. Never spray flammable liquids in a confined area. It is normal for the motor and pressure switch to produce sparks while operating. If sparks come into contact with vapors from gasoline or other solvents, they may ignite and cause a fire or explosion. Do not smoke while spraying. Do not spray where sparks or flames are present. Keep the compressor as far from the spray area as possible. Always operate the compressor in a well-ventilated area.
- Risk of electric shock. A licensed electrician must install all wiring in accordance with all local and national codes. To avoid electric shock, never use an electric air compressor outdoors when it is raining or on a wet surface.
- Risk of bursting. Rust can weaken the tank. Drain the condensed water from the tank after each use to reduce rusting. Do not weld, drill or modify the air tank of this compressor. Welding or modifications to the air tank can severely impair tank strength and cause an extremely hazardous condition. If a leak is detected in the tank, replace the tank immediately.
- Risk of injury. Always shut off the compressor, remove the plug from the outlet, and bleed all pressure from the system before servicing the compressor or when the compressor is not in use. Do not use the unit with the shrouds removed. Contact with moving parts could cause serious injury.
- Risk of bursting. Check the maximum pressure rating in the manual or the serial tag label. Compressor outlet pressure must be regulated so as to never exceed the maximum pressure rating. Relieve all pressure through the hose before removing or attaching accessories.
- Risk of bursting. Do not adjust the pressure switch or relief valve for any reason. They have been preset at the factory for the maximum pressure of this unit. If the pressure switch or the relief valve is tampered with, personal injury or property damage may occur.
- Risk of burns. The pump and manifold generate high temperatures. To avoid burns or other injuries, do not touch the pump, manifold or transfer tube while the unit is running. Allow the parts to cool before handling or servicing. Keep children away from the compressor at all times.
- Risk to breathing. Read all labels when you are spraying paints or toxic materials, and follow the safety instructions. Use a respirator mask if there is a chance of inhaling anything you are spraying. Never directly inhale the compressed air produced by a compressor.
- Risk of eye injury. Always wear ANSI 287.1-approved safety goggles when using an air compressor. Never point the nozzle or sprayer toward a person or any part of the body. If the spray penetrates the skin, serious injury may occur.
- Never exceed the maximum working pressure of the tool.
- Never attempt to open the drain valve when the tank pressure is more than 10 PSI.
- You can create dust when you cut, sand, drill or grind materials such as wood, paint, metal, concrete, cement, or other masonry. This dust often contains chemicals known to cause cancer, birth defects, or other reproductive harm. Wear protective gear.
CAUTION
- Pull the pressure relief valve ring daily to ensure the valve is functioning properly.
- The unit must be kept a minimum of 12 in. from the nearest wall, in a well-ventilated area for cooling.
- Protect the air hose and electric cord from damage and puncture. Inspect them weekly for weak or worn spots and replace if necessary.
- Always wear hearing protection when using an air compressor. Failure to do so may result in hearing loss.
- The operation of the unit should always be in a position that is stable. Never use the unit on a rooftop or elevated position that could allow the unit to fall or be tipped over.
PREPARATION
Preparing for Startup
WARNING: Risk of bursting. Too much air pressure causes a hazardous risk of bursting. Check the manufacturer’s maximum pressure rating for air tools and accessories. The regulator outlet pressure must never exceed the maximum pressure rating.
- Set the ON/OFF switch (1) to the O (off) position.
- Turn the air pressure regulator knob (D) counterclockwise until it stops.
- Attach air hose/accessories or air tools (not included) to the quick coupler (F).

- Starting up the Compressor
WARNING: High temperatures are generated by the electric motor and the pump. To prevent burns or other injuries, DO NOT touch the compressor while it is running. Allow it to cool. Before handling or servicing. Keep children away from the compressor at all times.
WARNING: When adjusting from a higher to a lower pressure, turn the knob counterclockwise past the desired setting. Then turn clockwise to reach the desired pressure. Do not exceed the operating pressure of the tool or accessory being used.- Close the tank drain valve (G) by turning clockwise.
- Plug in the power cord (J).
- Set the ON/OFF switch (1) to the | (on) position and allow tank pressure to build. The motor will stop when the tank reaches “cut-out” pressure.
- Turn the air pressure regulator knob (D) clockwise until the desired pressure is reached.
- The compressor is ready for use.

Shutting Down the Compressor
WARNING: To avoid personal injury, always shut off and unplug the unit, and relieve all air pressure from the system before performing any service on the air compressor.
WARNING: Risk of unsafe operation. The unit cycles automatically when power is on. When performing maintenance, you may be exposed to voltage sources, compressed air or moving parts. Personal injuries can occur. Before performing any maintenance or repair, disconnect the power source from the compressor and bleed off all air pressure.
CAUTION: Escaping air and moisture can propel debris that may cause eye injury. Wear safety goggles when opening the drain valve.Set the ON/OFF switch (I) to the O (off) position.
Unplug the power cord (J).
Reduce the pressure in the tank through the outlet hose. Pulling the pressure relief valve ring (H) and keeping it open will also reduce the pressure in the tank.
Tip the compressor so the tank drain valve is at the bottom of the tank. Then open the tank drain valve counterclockwise to allow moisture to drain from the tank.
WARNING: To avoid personal injury, always shut off and unplug the unit and relieve all air pressure from the system before performing any service on the air compressor. Regular maintenance will ensure trouble-free operation. The items listed here should be inspected on a regular basis.
- Daily, drain the tank to prevent corrosion from forming inside the tank. Drain the condensation at the end of every day. Wear protective goggles. Relieve the air pressure in the system and then open the drain valve (G) on the bottom of the tank.
- Daily, pull the pressure relief valve (H) to ensure that it is x operating properly and to clear the valve of any possible obstructions.

- Check all connections to ensure they are tight. A small leak from any part of the compressor will reduce the unit’s performance. Spray a small amount of soapy water around the area of the suspected leak with a spray bubble. If bubbles appear, repair or replace the faulty component. Do not overtighten any connections.
- Before storing the unit for a long period, do the following:
Use an air blow gun (not included) to clean all dust and debris from the compressor.
Disconnect and coil the power cord.
Pull the pressure relief valve to release all pressure from the tank.
Drain all moisture from the tank.
Cover the entire unit to protect it from moisture and dust.
TROUBLESHOOTING

ONE-YEAR LIMITED WARRANTY
This product is guaranteed for a period of one year from the date of original retail purchase against defects in materials and workmanship. Subject to the conditions and limitations described below, this product, if returned to us with proof of purchase within the stated warranty period and if covered under this warranty, be repaired or replaced (with the same model, or one of equal value or specification), at our option. We will bear the cost of any repair or replacement and any cost of labor relating thereto.
This warranty is subject to the following conditions and limitations:
- A bill of sale verifying the purchase and purchase date must be provided.
- This warranty will not apply to any product or part which is worn or broken or which has become inoperative due to abuse, misuse, accidental damage, neglect or lack of proper installation, operation, or maintenance (as outlined in the applicable owner’s manual or operating instructions) or which is being used for industrial, professional, commercial or rental purposes.
- This warranty will not apply to normal wear and tear or to expendable parts or accessories that may be supplied with the product which are expected to become inoperative or unusable after a reasonable period of use.
- This warranty will not apply to routine maintenance and consumable items such as, but not limited to, fuel, lubricants, vacuum bags, blades, belts, sandpaper, bits, fluids, tune-ups or adjustments.
- This warranty will not apply where damage is caused by repairs made or attempted by others (i.e. persons not authorized by the manufacturer).
- This warranty will not apply to any product that was sold to the original purchaser as a reconditioned or refurbished product (unless otherwise specified in writing).
- This warranty will not apply to any product or part thereof if any part from another manufacturer is installed therein or any repairs or alterations have been made or attempted by unauthorized persons.
- This warranty will not apply to normal deterioration of the exterior finish, such as, but not limited to, scratches, dents, paint chips, or to any corrosion or discoloring by heat, and abrasive chemical cleaners.
- This warranty will not apply to component parts sold by and identified as the product of another company, which shall be covered under the product manufacturer’s warranty, if any.
This warranty will not apply to any product that was sold to the original purchaser as a reconditioned or refurbished product (unless otherwise specified in writing).
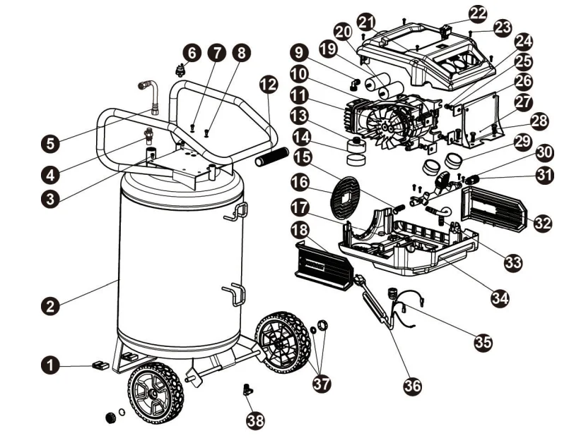
REPLACEMENT PARTS LIST
For replacement parts, call our customer service department at 1-888-3KOBALT, 8 a.m. – 8 p.m., EST, Monday – Friday

For more manuals by Kobalt, visit ManualsLibraryy
Kobalt 20 Gallon Oil-Free Air Compressor-FAQs
How do I adjust the air pressure on a Kobalt 20-gallon air compressor?
Turn the pressure regulator knob clockwise to increase pressure or counterclockwise to reduce it. Check the tank pressure gauge for the desired PSI before using your tool.
How many amps does the Kobalt 20-gallon air compressor use?
This model typically draws around 14 amps on a 120V circuit. Always use a dedicated outlet and avoid extension cords to prevent power loss or fuse issues.
Where is the fuse located on the Kobalt 20-gallon air compressor?
The fuse is built inside the motor windings at the bottom of the unit. If your compressor doesn’t start, check the power cord continuity for damage or a defective plug.
How do I turn on my Kobalt air compressor?
Plug in the unit, make sure the pressure switch is in the OFF position, then flip it to AUTO/ON. The compressor will automatically start building air pressure.
How do I tighten or adjust the pressure relief valve?
Turn the adjustment screw counterclockwise to reduce pressure, or clockwise to increase it. Once set, tighten the jam nut to lock the setting securely.
How long does a 20-gallon air compressor typically last?
With proper care, the Kobalt 20-gallon oil-free compressor can last 5 to 20 years. Longevity depends on usage frequency, storage conditions, and maintenance routines.
Is an oil-free air compressor better than an oil-lubricated one?
Oil-free compressors are low-maintenance and ideal for clean applications, while oil-lubricated units last longer and perform better in heavy-duty tasks.
Can I use a 20-gallon air compressor to paint a car?
You can paint small panels or touch-ups with a 20-gallon tank, but full car painting requires a larger tank (60 gallons or more) and higher CFM output.



