
Payne PG8M Induced Combustion Gas Furnace

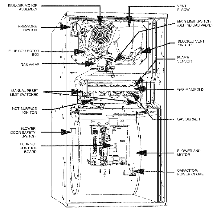
FURNACE COMPONENTS
- (Furnace shown in upflow position may be used in downflow orhorizontal orientation or applications. Vent Elbow may be turned to a different position, depending on type of installation)

IMPORTANT FACTS (DO’S AND DON’TS)
- DO: READ AND UNDERSTAND THIS MANUAL
- DO: Have your furnace and vent system inspected annually by a qualified service technician.
- DO: Inspect your filter monthly and clean or replace when needed.
- DO: Provide adequate airflow to the furnace for efficient combustion and safe ventilation.
- DO: Keep your furnace free and clear of insulating material. Some materials may be combustible. Exanfine the furnace area when the furnace is installed or when insulation is added.
- DO NOT: Enclose your furnace in an airtight room or seal it behind solid doors.
- DO NOT: Keep combustible materials, gasoline, and other flammable liquids or vapors around your furnace.
- DO NOT: Cover your furnace in any manner.
- DO NOT: Store anything (including trash or debris) near your furnace.
BEFORE STARTING YOUR FURNACE
Examine the furnace installation to determine that:
- All flue gas-carrying areas external to the furnace (i.e. chimney, vent connector) are clear and free of obstructions.
- The vent connector is in place, slopes upward, and is physically sound without holes or excessive corrosion.
- The return-air duct connection(s) is physically sound, is sealed to the furnace casing, and terminates outside the space containing the furnace.
- The physical support of the furnace is sound without sagging cracks, gaps, etc. around the base.
- There are no obvious signs of deterioration of the furnace.
STEPS FOR STARTING YOUR FURNACE
- Set your room thermostat to the lowest temperature setting. See Fig. 3.

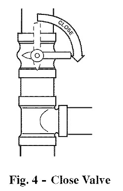
- Close the external manual gas valve. See Fig. 4.

- Turn OFF electrical supply to the furnace. See Fig. 5.

- Remove the outer door by loosening the thumbscrew and pulling the door forward. See Fig. 6.

- Turn the control switch on the gas control to the OFF position and wait 5 minutes. See Fig. 7. Then smell for gas, including near the floor. If you smell gas, STOP! Follow”B” on furnace label. If you don’t smell gas, go to next step.

- After waiting 5 minutes, if you still smell gas, STOP! Follow the safety information on the cover of this manual. If you do not smell gas, go to the next step.
- Turn the control switch to ON. See Fig. 8

- Replace the outer door and tighten the thumbscrew. See Fig. 11.

- Turn ON the electrical supply to the furnace. See Fig. 10.

- NOTE: If the main burners fail to ignite, the furnace control system will go through three more ignition cycles. Then if burners
fail to ignite, the system will lockout. If lockout occurs or the blower does not come on, shut down your furnace and call your dealer for service.
- NOTE: If the main burners fail to ignite, the furnace control system will go through three more ignition cycles. Then if burners
SHUTTING DOWN YOUR FURNACE
Should you ever suspect a malfunction in your furnace, you will need to turn the furnace off. The following procedures must be followed:
- Set your room thermostat to the lowest temperature setting. (See Fig. 3.)
- Close the external manual gas valve (See Fig. 4).
- Turn off electrical supply to the furnace. (See Fig. 5.)
- Remove outer furnace door. (See Fig. 6.)
- Turn the switch on the gas control to the OFF position. (See Fig.7.)
- Replace the outer furnace door. (See Fig. 9.)
- If the furnace is being shut down because of a malfunction, call your dealer as soon as possible.
PERFORMING ROUTINE MAINTENANCE
- With proper maintenance and care, your furnace will operate economically and dependably. Instructions for basic maintenance are found on this and the following pages.
FILTERING OUT TROUBLE
- A dirty filter will cause excessive stress on the furnace, heat exchanger, and blower motor and can cause it to overheat and automatically shut down. The furnace filter should be checked every 4 weeks and cleaned or replaced if necessary.
- If installed with factory specified disposable media filter, check or replace filter before each heating and cooling season. Replace disposable media filter at least twice a year. If your furnace filter needs replacing, be sure to use the same size and type of filter that was originally specified.
- The air filter for the furnace may be located in a filter cabinet/rack attached to the side or bottom of the furnace. If air filter has been
installed in another location, contact your dealer for instructions. To inspect, clean and/or replace the air filter(s), follow these steps:
- Turn off the electrical supply to the furnace. See Fig. 12

- Remove filter cabinet door/rack.
- Slide air filter out of filter cabinet/rack. Keep dirty side up (if dirty) to avoid spilling dirt.
- Inspect the filter. If torn, replace it.
- NOTE: If the filter is:
- a. A factory-specified disposable media filter — Do not clean. If dirty, replace only with a media filter having the same part number and size. Install with airflow direction arrow pointing towards the blower.
- b. an Electronic Air Cleaner (EAC) — Refer to the EAC Owner’s Manual for maintenance information.
- c. a factory-specified disposable filter is not clean, replace it with a new filter of the same size.

- Recommended
- Some furnaces may have 2 filters
- d. a washable filter, wash filter (if dirty) in sink, bathtub, or outside with a garden hose. Always use cold tap water. A foil liquid detergent may be used if necessary. Spray water through filter in the opposite direction of airflow. Allow filter to dry.
- Reinstall clean air filter.
- Replace filter cabinet door.
- Turn on electrical supply to furnace (See Fig. 10).
- NOTE: If side return ducts are used, 2 filters may be required in some models. The procedure listed above may be used to remove side filters.
COMBUSTION AREA AND VENT SYSTEM
- Inspect the combustion area and vent system before each heating season. An accumulation of dirt, soot, or rust can mean a loss of efficiency and improper performance. Buildups on the main burners can cause faulty firing. This “delayed ignition” is characterized by an alarnfingly loud sound.
- NOTE: If your furnace makes a loud noise when the main burners are ignited, shut down the furnace and call your servicing dealer. Use your flashlight and follow these steps for inspecting the combustion area and vent system of your furnace:
- Turn off electrical supply to the furnace and remove the access door. (See Fig. 5 and 6.)
- Carefully inspect the gas burner for dirt, rust, or scale. Inspect the elbow, flue connection area, and the vent pipe for rust.

- Inspect the vent pipe for a sag, holes, or a disconnection. A horizontal vent pipe must slope upward away from furnace. If rusty joints or seams, or signs of water leakages are found, call your dealer for service.
- Restore electrical power to the furnace. (See Fig. 10.)
- Start the furnace and observe its operation. If possible, watch the burner flames. Are they burning bright blue’? If not or if you suspect some other malfunction, call your servicing dealer.
- Replace the access door. (See Fig. 9.)
MAINTENANCE CHECKLIST

For more manuals by Payne, visit ManualsLibraryy
Payne PG8M Induced Combustion Gas Furnace-FAQs
Why does my Payne furnace keep shutting off?
If the furnace doesn’t vent properly or the inducer fan motor is insufficient, the rollout switch may open to prevent ignition, causing the furnace to shut off after a few minutes.
What is the combustion process of a gas furnace?
The combustion process occurs in the sealed heat exchanger. Gas burns within the exchanger, heating it, and the heat is then transferred to the air circulated through the home.
How do you light a Payne furnace?
To light the furnace, hold down the gas valve in the pilot position while lighting the pilot with a match or lighter. Hold the knob for 30 seconds before releasing. Turn the knob to “on” once the pilot stays lit.
Who makes Payne gas furnaces?
Payne gas furnaces are manufactured by Carrier Corporation, which formed the BDP Company in 1974, with Payne as one of its brands.
Why does my furnace keep turning on and off repeatedly?
This could be due to a clogged air filter, which restricts airflow and causes the furnace to overheat, triggering it to shut down and restart.
Why won’t my Payne furnace stay lit?
A faulty igniter could be preventing the burners from staying lit. Inspect the igniter for cracks, and if necessary, test it with a multimeter or replace it.
How does a gas furnace work?
A gas furnace burns propane or natural gas in the burner, which heats up a heat exchanger. Air from the ductwork is blown over the exchanger, warming the air for your home.
What does the flame sensor look like?
The flame sensor is a small rod with porcelain at its end, located near the burner. It may be straight or angled at 45° or 90° depending on the model.












