
Pioneer AVH-1550NEX Receiver Installation

Before installing this product
- Use this unit with a 12-voit battery and negative grounding orly. Failure to do so may result in a fire or malfunction
- To avoid shorts in the electrical system be sure to disconnect the (-) battery cable before installation.
To prevent damage
A WARNING
- When speaker output is used by 4 channels, use speakers over 50 W (Maximum input power) and between 4
OHM to 8 OHM (immpodance value). Do not sure 1 OHM to 3 OHM speakers for this unit - When rear speaker output ls used by 2 OHM subwoofer, use speakers over 70 WI Maximum input power). “Please refer to connectan for a connection method.
- The black cable is ground. When installing this unit of power amp (solid separately, make sure that the wire is properly connected to a metal part of the car’s body. The ground wire of the power amp and one of these units or any other device must de connecta ta the ear separately with different screws. I’ the screw for the ground wire loosens or fall out, it could result in fire generation of smoke or malfunction.

- 1 Non-supplied for this unit
- When replacing the fuse, be sure to only use a fuse of the rating prescribed on this product
- This product cannot be installed in a vehicle without ACC (accessory) position on the ignition switch.

- To avoid ahort-circuiting, cover the disconnected lead with insulating tape. It is especially important to insulate all unused speaker leads, which if left
- For connecting a pouse amp or of. devices to this product, refer to the manual for the product to be connected.
- The graphical symbol — placed on the product means direct current.
Notice for the blue/ white lead
- When the Ignition switch le turned on (ACC ON), a control signal is output through the blue/white lead. Connect to an external power amp’s system remote control terminal, the auto antenna relay control terminal, or the antenna booste To to te nigel max: 300 mA 12.
through the blue/white lead, even if the audio source is switched off
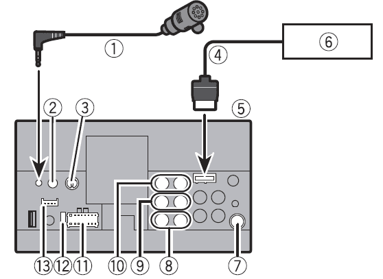
This product

- Microphone 3 m (9 f. 10-1/8 in.)
- Wired remote input Hard-wired remote control adapter can be connected (sold separately).
- SiriusXM Connect Vehicle Tuner Refer to the instruction manual for SiriusXM Connect Vehicle Tuner (sold separately)
- RGB cable (supplied with Navigation system)
- This product
- Pioneer navigation system Contact your dealer to inquire about the connectable navigation unit.
- Antenna jack
- Subwoofer output (STDYLow range output (NW)
- Rear output (STD Middle range output (NW)
- Front output (STD)light range output (NW)
- Power supply
- Fuse (10 A)
- Datalink adapter (sold separately) input (AVH-1550NCX)
Note
- Before using and/or connecting the Datalink Maestro adapter (sold separately), you will need to first fash the Maestro module with the appropriate vehicle and head unit firmware. You can find the device number that is required for the activation on the following (refer to the Operation Manual.):
- The label on the packaging of this
- The lacer on this product
- The [Firmware Information] screen
Power cord

- To power supply
- Power cord
- Yelow
- To terminal supplied with power regardiess of ignition switch position
- Red
- To electric terminal controlled by Ignition switch (12 V DC) ON/OFF
- Orange/white
- To lighting swich terminal
- Black (ground)
- To vehicle (metal) body
- Violet/white
- Of the two lead wires connected to the back lamp, connect the one in which the voltage changes, when the gear shift is in the REVERSE (R) position.This connection enables the unit to sense whether the car is moving forward or backward
- Yellow/black
- If you use equipment with the Mute function, wire this lead to the Audio Mute land on that equipment. It does not keep the Audk Mute had froe of any connection
- Blue white
- Connect to the system control terminal of the power amp (max. 300 mA 12 V 0C)
- Light green
- Used to detect the ON/OFF status of the parking brake. This lead must be connected to the overhead side of the parking brake switch.
- Power supply side
- Parking brake switch
- Ground side
iPod®/iPhone® and smartphone
NOTES
- For details on how to connect an external device using a separately sold cable, refer to the manual of the cable
- For details concerning the connection and operation of iPhone or smartphone,refer to the Operation Manual.
iPod/iPhone with Lightning® connector
Connecting via the USB port

- USB port
- USB cable 1.5 m (4 R. 11 in.)
- USB interface cable for iPod/iPhone (CD- 1U52) (sold separately)
- iPhone with Lightning connector
iPhone with 30-pin connector
Connecting via the USB port

- USB port
- USB cable 1.5 m (4 l 11 in.)
- USB interface cable for iPod/iPhone (CD- IU51) (sold separately)
- iPhone with 30-pin connector
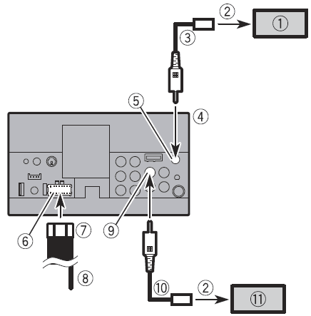
Camera
About your rear view camera
- When you use the rearview camera, the rear view images automatically switch from the video by moving the shit lever to REVERSE (R), Camera View mode also allows you to check what is behind you while driving

- Rear view camera (NO BC8) (sold separately)
- To video output
- RCA cable (supplied win ND BCA)
- This product
- Brown (RC IN)
- Power supply
- Power cord
- Violetahite (REVERSE GEAR SIGNAL INPUT) Refer to Power cord on page 3.
- Yellow (F.C IN) (AVH-1550NEX)
Installation
Before installing
- Consult with your nearest dealer if installation requires drilling holes or other modifications of the vehicle
- Before making a final installation of this product, temporarily connect the wiring a confirm that the connections are correct and the system works property.
Installation notes
- Do not install this product in places subject to high temperatures or humidity, such as
- Places close to a heater, vent or air conditioner.
- Places exposed to direct sunlight, such as on top of the dashboard.
- Places that may be exposed to rain, such as close to the door or on the vehicle’s floor.
- Install this product horizontaly on a surface within 0 to 30 degrees tolerance.

- When Installing, to ensure proper heat dispersal when using this unit, make sure you leave ample space behind the rear panel and wrap any loose cables so they are not blocking the vents

Installation using the screw holes on the side of this product
- Fastening this product to the factory radio-mounting bracket. Position this product so that its screw holes are aligned with the screw holes of the bracket, and tighten the screws at three locations on each side Use eiher the truss head screws (5 mm × 9 mm) or flush surface screws (5 mm * 9 mm), depending on the shape of the bracket’s screw holes.


- Factory radio mounting bracket
- If the pawl interferes with installation, you may bend it down out of the way
- Dashboard or console
- Truss head screw or flush surface screw Be sure to use the screws supplied with this product.
For more manuals by Pioneer, visit ManualsLibraryy
Pioneer AVH-1550NEX Receiver Installation-FAQs
How do I install the Pioneer AVH-1550NEX receiver?
Follow these steps:
1. Disconnect the negative terminal of your car battery.
2. Mount the receiver securely in the dashboard using the provided hardware.
3. Connect the wiring harness according to the included diagram, ensuring all connections are secure.
4. Reconnect the negative battery terminal and test the receiver to ensure proper installation.
What should I do if the receiver doesn’t turn on after installation?
Check the following:
1. Verify all wiring connections are secure and match the diagram.
2. Ensure the fuse is intact and replace it if necessary.
3. Confirm that the car battery is connected and providing power.
Can I connect my phone to the Pioneer AVH-1550NEX?
Yes, the receiver supports phone connectivity via Bluetooth or USB. Use the on-screen instructions to pair your phone or connect it directly with a USB cable.
How do I update the firmware on my AVH-1550NEX receiver?
1. Download the latest firmware update from Pioneer’s official website.
2. Save the update file to a USB drive.
3. Insert the USB drive into the receiver and follow the on-screen prompts to install the update.
Does the receiver support steering wheel controls?
Yes, the AVH-1550NEX is compatible with most steering wheel control systems. You may need an additional adapter for your specific vehicle.
How do I connect the backup camera to the receiver?
1. Connect the camera’s video output to the “Camera Input” port on the receiver.
2. Wire the camera’s power to the reverse light circuit.
3. Configure the camera settings in the receiver’s menu.
Where can I find the wiring diagram for installation?
The wiring diagram is included in the installation manual provided with the receiver. It clearly outlines connections for power, speakers, and other features.
Can I install the Pioneer AVH-1550NEX myself?
If you have experience with car audio systems and wiring, you can install it yourself using the manual as a guide. However, professional installation is recommended for optimal performance and safety.







