
Honda Metropolitan CHF50S Scooter

SERVICE RULES
- Use genuine Honda or Honda-recommended parts and lubricants or their equivalents. Parts that do not meet Honda’s design specifications may cause damage to the scooter.
- Use the special tools designed for this product to avoid damage and incorrect assembly.
- Use only metric tools when servicing the scooter. Metric bolts, nuts, and screws are not interchangeable with English
fasteners. - Install new gaskets, O-rings, cotter pins, and lock plates when reassembling.
- When tightening bolts or nuts, begin with the larger diameter or inner bolt first. Then tighten to the specified torque
diagonally in incremental steps unless a particular sequence is specified. - Clean parts in cleaning solvent upon disassembly. Lubricate any sliding surfaces before reassembly.
- After reassembly, check all parts for proper installation and operation.
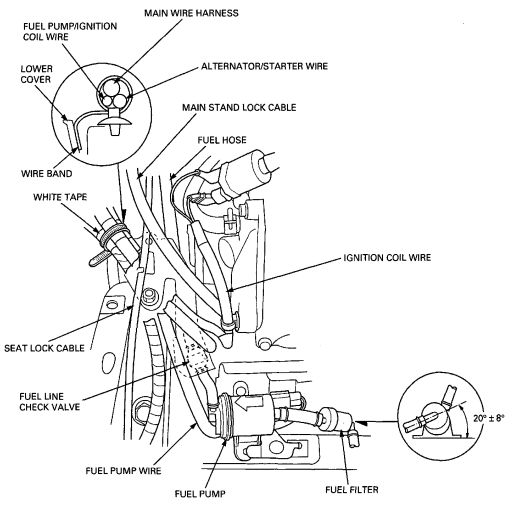
- Route all electrical wires as shown in the Cable and Harness Routing (pages 1-14).
MODEL IDENTIFICATION

SERIAL NUMBERS
The Vehicle Identification Number (VIN) is stamped on the left side of the frame.

The engine serial number is stamped on the left side of the belt case.

The carburetor identification numbers are stamped on the left side of the carburetor body.y

LABELS: The color label is attached as shown. When ordering color-coded parts, always specify the designated color code.

The safety certification label is attached to the leg shield.

The Emission Control Information Label (After ’05 model) is attached to the left side of the luggage box inside.

The Emission Control Information Label (Canada type only: After ’05 model) is attached on the right side of the luggage box inside.

GENERAL SPECIFICATIONS

LUBRICATION SYSTEM SPECIFICATIONS

FUEL SYSTEM SPECIFICATIONS (’02 – ’05 model)

FUEL SYSTEM SPECIFICATIONS (After ’05 model)

COOLING SYSTEM SPECIFICATIONS

CYLINDER HEAD/VALVES SPECIFICATIONS

KICKSTARTER/DRIVE PULLEY/DRIVEN PULLEY/CLUTCH SPECIFICATIONS

FINAL REDUCTION SPECIFICATIONS

CRANKSHAFT/PISTON/CYLINDER SPECIFICATIONS

FRONT WHEEL/BRAKE/SUSPENSION/STEERING SPECIFICATIONS

REAR WHEEL/BRAKE/SUSPENSION SPECIFICATIONS

BATTERY/CHARGING SYSTEM SPECIFICATIONS

IGNITION SYSTEM SPECIFICATIONS

LIGHTS/METERS/SWITCHES SPECIFICATIONS

STANDARD TORQUE VALUES

ENGINE & FRAME TORQUE VALUES
- Torque specifications listed below are for specified fasteners.
- Others should be tightened to the standard torque values listed above.
NOTE:
- Apply oil to the threads and seating surface.
- Apply sealant to the threads.
- Apply a locking agent to the threads.
- ALOC bolt: replace with a new one.
- U-nut.
ENGINE
MAINTENANCE

LUBRICATION SYSTEM

FUEL SYSTEM

COOLING SYSTEM

CYLINDER HEAD/VALVES

KICKSTARTER/DRIVE PULLEY/DRIVEN PULLEY/CLUTCH

FINAL REDUCTION

ALTERNATOR/STARTER

CRANKSHAFT/PISTON/CYLINDER

LIGHTS/METERS/SWITCHES

FRAME
MAINTENANCE

ENGINE MOUNTING

FRONT WHEEL/BRAKE/SUSPENSION/STEERING

REAR WHEEL/BRAKE/SUSPENSION

OTHERS

LUBRICATION & SEAL POINTS
ENGINE

FRAME

CABLE & HARNESS ROUTING (’02 – ’05 model)







EMISSION CONTROL SYSTEMS
SOURCE OF EMISSIONS
The combustion process produces carbon monoxide, oxides of nitrogen, and hydrocarbons. Control of oxides of nitrogen and hydrocarbons is very important because, under certain conditions, they react to form photochemical smog when subjected to sunlight. Carbon monoxide does not react in the same way, but it is toxic. Honda Motor Co., Ltd. utilizes lean carburetor settings as well as other systems to reduce carbon monoxide and hydrocarbons.
CRANKCASE EMISSION CONTROL SYSTEM
The engine is equipped with a closed crankcase system to prevent discharging crankcase emissions into the atmosphere.
Blow-by gas is returned to the combustion chamber through the air cleaner and carburetor.

EXHAUST EMISSION CONTROL SYSTEM (’02 – ’05 model)
SECONDARY AIR SUPPLY SYSTEM
The exhaust emission control system consists of a secondary air supply system, which introduces filtered air into the exhaust gases in the exhaust port. Fresh air is drawn into the exhaust port whenever there is a negative pressure pulse in the exhaust system. This charge of fresh air promotes burning of the unburned exhaust gases and changes a considerable amount of hydrocarbons and carbon monoxide into relatively harmless carbon dioxide and water vapor.
This model has the pulse secondary air injection (PAIR) control valve; it consists of check valves built into the PAIR control valve. A PAIR check valve prevents reverse air flow through the system. The PAIR control valve reacts to high intake manifold vacuum and will cut off the supply of fresh air during engine deceleration, thereby preventing afterburn in the exhaust system. No adjustment to the PAIR system should be made, although periodic inspection of the components is recommended.

EXHAUST EMISSION CONTROL SYSTEM (After ’05 model)
SECONDARY AIR SUPPLY SYSTEM
The secondary air supply system introduces filtered air into the exhaust gases in the exhaust port. Fresh air is drawn into the exhaust port whenever there is a negative pressure pulse in the exhaust system. This charge of fresh air promotes burning of the unburned exhaust gases and changes a considerable amount of hydrocarbons and carbon monoxide into relatively harmless carbon dioxide and water vapor. No adjustment to the PAIR system should be made, although periodic inspection of the components is recommended. e.d

OXIDATION CATALYTIC CONVERTER
This scooter is equipped with an oxidation catalytic converter. This oxidation catalytic converter is in the exhaust system. Through chemical reactions, it converts HC and CO in the engine’s exhaust to carbon dioxide (CO2) and water vapor.
NOISE EMISSION CONTROL SYSTEM
TAMPERING WITH THE NOISE CONTROL SYSTEM IS PROHIBITED: U.S. Federal law prohibits, or Canadian provincial law may prohibit the following acts or the causing thereof: (1) The removal or rendering inoperative by any person, other tan for purposes of maintenance, repair, or replacement, of any device or element of design incorporated into any vehicle for noise control before its sale or delivery to the ultimate customer or while it is in use; (2) the use of the vehicle after such device or element of design has been removed or rendered inoperative by any person. AMONG THOSE ACTS PRESUMED TO CONSTITUTE TAMPERING ARE THE ACTS LISTED BELOW:
- Removal of, or puncturing of, the muffler, baffles, header pipes, or any other component that conducts exhaust gases.
- Removal of, or puncturing of, any part of the intake system.
- Lack of proper maintenance.
- Replacing any moving parts of the vehicle, or parts of the exhaust or intake system, which parts other than those specified by the manufacturer
FUEL PERMEATION EMISSION CONTROL SYSTEM After (Aftr’0707)
This scooter complies with the Fuel Permeation Emission Control regulations of the U.S. Environmental Protection Agency (EPA), California Air Resources Board (CARB), and Environment Canada (EC). The fuel tank and fuel hoses used on the scooter incorporate fuel permeation control technologies. Tampering with the fuel tank or fuel hoses to reduce or defeat the effectiveness of the fuel permeation technologies is prohibited by federal regulations.
BODY PANEL LOCATIONS

- Front Cover (page 2-4)
- Front Fender (page 2-5)
- Seat (page 2-5)
- Luggage Box (page 2-6)
- Body Cover (page 2-7)
- Side Cover (page 2-8)
- Step Floor (page 2-9)
- Leg shield (page 2-9)
- Lower Cover (page 2-10)
- Rear Fender (page 2-11)
- Front Meter Cover (page 2-12)
BODY PANEL REMOVAL CHART
This chart shows the removal order of frame covers by means of an arrow.

SERVICE INFORMATION
GENERAL
- This section covers the removal and installation of the body panels and exhaust system.
- Always replace the exhaust pipe gaskets after removing the exhaust pipe from the engine.
- When installing the exhaust system, loosely install all of the exhaust pipe fasteners. Always tighten the exhaust joints
first, then tighten the mounting fasteners. If you tighten the mounting fasteners first, the exhaust pipe may not seat properly. - Always inspect the exhaust system for leaks after installation.
TROUBLESHOOTING
Excessive exhaust noise
- Broken exhaust system
- Exhaust gas leak
Poor performance
- Deformed exhaust system
- Exhaust gas leak
- Clogged muffler
TRIM CLIPS
REMOVAL
- Push the center of the trim clip pin.
- Remove the trim clip.
INSTALLATION
- Raise the center pin by pushing the retaining tabs back.
- Install the trim clip.
- Push the center pin until the pin is flush with the outer casing. Ing.

FRONT COVER
REMOVAL
Remove the four screws and the front cover from the leg shield. Disconnect the headlight connector and remove the front cover.
INSTALLATION
At installation, be Installation is in the reverse order of removCarefuleful not to damage the wire harness.

FRONT FENDER
REMOVAL
Be careful not to damage the tabs on Fender B. Remove the front cover (pages 2-4). Remove the fender B bolts. Release the tabs on fender B, then remove fender B. Turn the cable guide and remove it from fender A. Remove the fender A bolt and fender A.
INSTALLATION
Installation is in the reverse order of removal.

SEAT
REMOVAL
Open the seat. Remove the nuts and the seat.
INSTALLATION
Apply the grease to the seat catch. When locking, the Installation is in the reverse order of removal. Push the seat. After installation connect k the seat by moving the locking the seat.

LUGGAGE BOX
REMOVAL
Open the seat. Remove the screw and main stand lock lever. Remove the maintenance cover.

INSTALLATION
At installation, be Installation is in the reverse order of removal.
Careful not to damage the wire harness

MAINTENANCE
SERVICE INFORMATION
GENERAL
- Place the scooter on a level surface before starting any work.
SPECIFICATIONS

TORQUE VALUES
- Spark plug: 12 N-m (1.2 kgf-m, 9 Ibf-ft)
- Engine oil drain bolt: 25 N-m (2.5 kgf-m, 18 Ibf-ft)
- Engine oil strainer cap: 20 N-m (2.0 kgf-m, 14 Ibf-ft)
- Brake cable adjust lock nut: 6.8 N-m (0.7 kgf-m, 5 Ibf-ft)
MAINTENANCE SCHEDULE
Perform the Pre-ride inspection in the Owner’s Manual at each scheduled maintenance period. I: Inspect and Clean, Adjust, Lubricate, or Replace if necessary. C: Clean. R: Replace. A: Adjust. L: Lubricate. The following items require some mechanical knowledge. Certain items (particularly those marked * and **) may require
more technical information and tools. Consult an authorized Honda dealer.

FUEL LINE

- Remove the luggage box (page 2-6).
- Remove the body cover (pages 2-7).
- Check the fuel lines for deterioration, damage, or leakage.
- Visually inspect the fuel filter for contamination.
- Replace the fuel lines or filter if necessary.
THROTTLE OPERATION

- Check for any deterioration or damage to the throttle cable.
- Check the throttle grip for smooth operation. Check that the throttle opens and automatically closes in all steering positions.
- If the throttle grip does not return properly, lubricate the throttle cable and overhaul and lubricate the throttle grip housing.
- For cable lubrication: Disconnect the throttle cable at its pivot points with a commercially available cable lubricant or a lightweight oil.
- If the throttle grip still does not return properly, replace the throttle cable.
- With the engine idling, turn the handlebars to the right and left to ensure that the idle speed does not change. If idle speed increases, check the throttle grip free play and throttle cable
connection. - Measure the throttle grip free play at the throttle grip flange.
FREE PLAY: 2 – 6 mm (1/16 – 1/4 in)
Throttle grip free play can be adjusted at either end of the throttle cable. Minor adjustments are made with the upper adjuster. Loosen the lock nut, turn the adjuster as required, and tighten the lock nut. Major adjustments are made with the lower adjusters. Remove the luggage box (page 2-6). Loosen the lock nut, turn the adjusting nut as
required, and tighten the lock nut. Recheck the throttle operation and install the luggage box.

LUBRICATION SYSTEM DIAGRAM

SERVICE INFORMATION
GENERAL
- The oil pump can be serviced with the engine installed in the frame.
- The service procedures in this section must be performed with the engine oil drained.
- When removing and installing the oil pump, use care not to allow dust or dirt to enter the engine.
- If any portion of the oil pump is worn beyond the specified service limits, replace the oil pump as an assembly.
- After the oil pump has been installed, check that there are no oil leaks.
SPECIFICATIONS

TORQUE VALUES
- Engine oil strainer cap: 20 N-m (2.0 kgf-m, 14 Ibf-ft)
- Engine oil pump cover screw: 2.0 N-m (0.2 kgf-m, 1.4 lb-ft)
TROUBLESHOOTING
The engine oil level is too low
- Oil consumption
- External oil leak
- Worn piston ring or incorrect piston ring installation
- Worn cylinder
- Worn valve guide or seal
Oil contamination
- Oil has not been changed often enough
- Faulty cylinder head gasket
- Worn piston ring
FOR MORE MANUALS BY HONDA, VISIT MANUALSLIBRARYY
Honda Metropolitan CHF50S Scooter-FAQs
What is the top speed of the Honda Metropolitan 50cc scooter?
The Honda Metropolitan CHF50S has a top speed of 35–40 mph (56–64 km/h).
How much engine oil does the Honda Metropolitan need?
It requires 0.6 quarts (0.57 liters) of 10W-40 motorcycle oil for an oil change.
Does the Honda Metropolitan have an alternator?
Yes, it has an alternator stator that charges the battery while the engine is running.
How do I open the seat without a key?
Locate the yellow retaining clip near the seat lock cable.
Slide it out and pull the cable manually to release the seat.
Is the Honda Metropolitan fuel-injected?
Yes, it features a fuel-injected, liquid-cooled 49cc engine for better efficiency and reliability.
How long does the alternator last?
Honda alternators typically last 80,000–150,000 miles, but lifespan depends on maintenance.
How often should I change the engine oil?
City riding / stop-and-go traffic: Every 2,000–3,000 km (1,200–1,900 miles).
Long trips / highway riding: Every 4,000–5,000 km (2,500–3,100 miles).
What is the fuel tank capacity?
The Honda Metropolitan holds 1.2 gallons (4.5 liters) of gasoline.
How fuel-efficient is the Metropolitan?
It averages 100+ MPG (42+ km per liter), making it extremely economical.
